Aquí encontrará todas las piezas y dibujos técnicos disponibles de 'Hikoki C7SC'. Desde aquí podrá pedir todas las piezas deseadas directamente. Para muchas piezas de repuesto, es necesario pasar un pedido al fabricante. Dependiendo de la marca, el plazo de entrega puede variar entre una y cuatro semanas. Toda la información que tenemos está en nuestro sitio web. No podremos aconsejarle sobre lo que necesita hasta que entregue la máquina para su reparación. Tenga en cuenta lo siguiente a la hora de cursar su pedido:
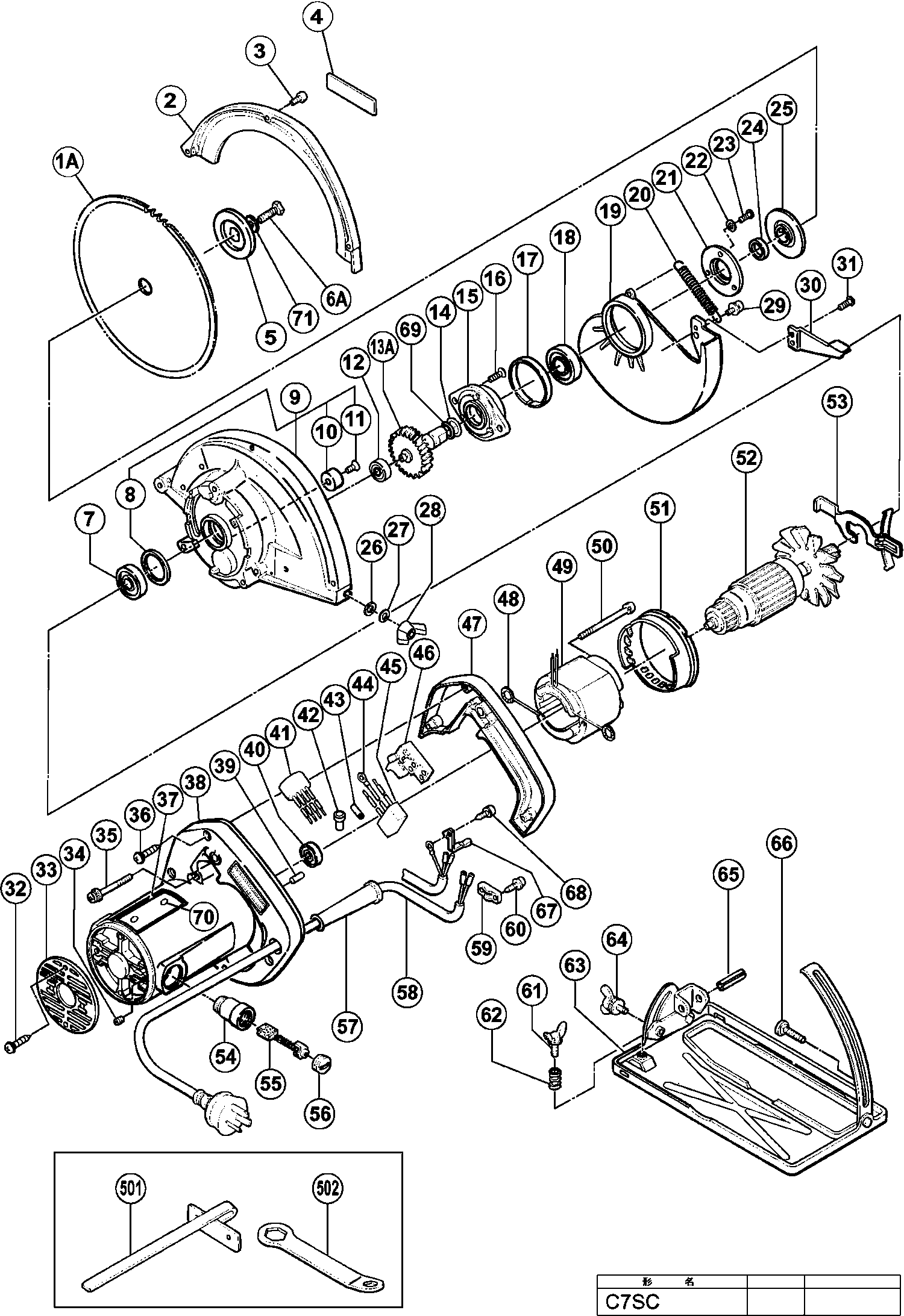
Dibujo técnico de los/las Hikoki C7SC
Lista de las piezas de repuesto de Hikoki C7SC
| Pos. | Descripción | Precio con el IVA excluido | Precio con el IVA incluido | |
| Los precios mostrados incluyen el IVA | ||||
| No hay información disponible, no se puede pedir | ||||
| 1 | 302411 | |||
| No hay información disponible, no se puede pedir | ||||
| 1A | 879139 | |||
| No hay información disponible, no se puede pedir | ||||
| 2 | 990095 | |||
| Tornillo de máquina M4x16 (10 piezas) | ||||
| 3 | 949219 | 1.20 | 1.45 | |
| ARANDELA | ||||
| 5 | 957064 | 4.50 | 5.44 | |
| No hay información disponible, no se puede pedir | ||||
| 6A | 311196 | |||
| Rodamiento de bolas 6001vvcmps2l | ||||
| 7 | 6001VV | 6.60 | 7.99 | |
| Anillo de goma (ANTIGUO 996252) | ||||
| 8 | 958130 | 1.65 | 2.00 | |
| No hay información disponible, no se puede pedir | ||||
| 9 | 306913 | |||
| Cojín C18dmr | ||||
| 10 | 961729 | 1.05 | 1.27 | |
| Tornillo (10 piezas) | ||||
| 11 | 949794 | 1.65 | 2.00 | |
| Buje de Bronce (nuevo 626vvm) | ||||
| 12 | 954612 | 3.00 | 3.63 | |
| No hay información disponible, no se puede pedir | ||||
| 13A | 311198 | |||
| Anillo O (p-16) | ||||
| 14 | 873095 | 1.04 | 1.26 | |
| LAGERHOUDER | ||||
| 15 | 940867 | 6.90 | 8.35 | |
| No hay información disponible, no se puede pedir | ||||
| 16 | 990299 | |||
| Manguito (antiguo 961807Z) | ||||
| 17 | 961807 | 2.15 | 2.60 | |
| Cojinete de bolas 6202vvcmps2s | ||||
| 18 | 6202VV | 7.05 | 8.53 | |
| No hay información disponible, no se puede pedir | ||||
| 19 | 990097 | |||
| Muelle de retorno | ||||
| 20 | 957062 | 1.04 | 1.26 | |
| LAGERKAP | ||||
| 21 | 940868 | 1.08 | 1.31 | |
| Arandela de resorte M4 (10 piezas) | ||||
| 22 | 949453 | 1.05 | 1.27 | |
| Tornillo de máquina M4x10 (10 piezas) (ANTIGUO 949 | ||||
| 23 | 949216 | 1.05 | 1.27 | |
| Casquillo Espaciador | ||||
| 24 | 961366 | 1.04 | 1.26 | |
| No hay información disponible, no se puede pedir | ||||
| 25 | 990099 | |||
| Anillo M6 (Antiguo 949425z , 10 piezas) | ||||
| 26 | 949425 | 1.05 | 1.27 | |
| Arandela de resorte M6 (antiguo 949455z, 10 piezas | ||||
| 27 | 949455 | 1.05 | 1.27 | |
| Tuerca mariposa M6 (10 piezas) | ||||
| 28 | 949313 | 4.65 | 5.63 | |
| Tornillo de máquina M4x8 | ||||
| 29 | 986723 | 1.05 | 1.27 | |
| No hay información disponible, no se puede pedir | ||||
| 30 | 990098 | |||
| Tornillo de máquina M4x8 (10 piezas) | ||||
| 31 | 949215 | 1.05 | 1.27 | |
| No hay información disponible, no se puede pedir | ||||
| 32 | 930446 | |||
| No hay información disponible, no se puede pedir | ||||
| 33 | 990093 | |||
| Tornillo de fijación hexagonal M5x6 | ||||
| 34 | 962782 | 1.04 | 1.26 | |
| Tornillo de máquina (con arandelas) M5x45 (negro) | ||||
| 35 | 302434 | 1.04 | 1.26 | |
| No hay información disponible, no se puede pedir | ||||
| 36 | 956636 | |||
| No hay información disponible, no se puede pedir | ||||
| 38 | 954580H | |||
| BOLÍGRAFO DE GOMA | ||||
| 39 | 931701 | 1.05 | 1.27 | |
| Rodamiento de bolas 608vvmc2eps2l | ||||
| 40 | 608VVM | 5.70 | 6.90 | |
| SMOORSPOEL | ||||
| 41 | 980685 | 11.66 | 14.11 | |
| Terminal de soldadura 50091 (10 piezas) | ||||
| 42 | 959140 | 3.30 | 3.99 | |
| Casquillo roscado para cable | ||||
| 43 | 981373 | 1.05 | 1.27 | |
| Pestaña de contacto | ||||
| 44 | 938108 | 1.20 | 1.45 | |
| Condensador (antiguo 930030/991313) | ||||
| 45 | 994273 | 4.29 | 5.19 | |
| Interruptor | ||||
| 46 | 957747 | 14.03 | 16.97 | |
| Interruptor | ||||
| 46 | 963756Z | 13.20 | 15.97 | |
| No hay información disponible, no se puede pedir | ||||
| 47 | 954585H | |||
| Punto de contacto del Portaescobillas | ||||
| 48 | 930703 | 2.40 | 2.90 | |
| No hay información disponible, no se puede pedir | ||||
| 49 | 990106K | |||
| No hay información disponible, no se puede pedir | ||||
| 50 | 943430 | |||
| No hay información disponible, no se puede pedir | ||||
| 51 | 987940 | |||
| No hay información disponible, no se puede pedir | ||||
| 52 | 990112U | |||
| SCHAKELBLOKKERING | ||||
| 53 | 987981 | 3.48 | 4.21 | |
| PORTACEPILLOS | ||||
| 54 | 957051 | 5.25 | 6.35 | |
| Escobilla de carbono (1 par) | ||||
| 55 | 999043 | 4.50 | 5.44 | |
| Cubierta del cepillo | ||||
| 56 | 935829 | 1.05 | 1.27 | |
| Protector de cable D8.8 | ||||
| 57 | 380090 | 1.04 | 1.26 | |
| Casquillo del cable D10.1 | ||||
| 57 | 938051 | 1.04 | 1.26 | |
| SNOER 2.5M 2 X 1.0 H05VV-F W/PLUG 13A/250V (OLD 50 | ||||
| 58 | 500423Z | 12.87 | 15.57 | |
| Cordón 2,5m 2 X 1.0 H05vv-f (Antiguo 500395z) | ||||
| 58 | 500447Z | 6.60 | 7.99 | |
| Tira de sujeción (antiguo 994566) | ||||
| 59 | 937631 | 1.04 | 1.26 | |
| No hay información disponible, no se puede pedir | ||||
| 60 | 984750 | |||
| Tornillo de ala M6x15 | ||||
| 61 | 941055 | 1.04 | 1.26 | |
| Muelle | ||||
| 62 | 941056 | 1.05 | 1.27 | |
| Ass'y de base Incl.57 | ||||
| 63 | 957060 | 19.66 | 23.79 | |
| VLEUGELMOER M6X15 MET RINGEN | ||||
| 64 | 990316 | 1.00 | 1.21 | |
| ROL PIN D6X30 (10 STUKS) | ||||
| 65 | 949515 | 3.48 | 4.21 | |
| BOUT | ||||
| 66 | 957073 | 1.00 | 1.21 | |
| No hay información disponible, no se puede pedir | ||||
| 67 | 990103 | |||
| No hay información disponible, no se puede pedir | ||||
| 68 | 990104 | |||
| Anillo D15.9/i.d.14.5 | ||||
| 69 | 990100 | 1.65 | 2.00 | |
| NAGEL D2.5X3.2 (10 STKS.) | ||||
| 70 | 949509 | 1.00 | 1.21 | |
| No hay información disponible, no se puede pedir | ||||
| 71 | 311197 | |||
| GELEIDER | ||||
| 501 | 984964 | 3.96 | 4.79 | |
| No hay información disponible, no se puede pedir | ||||
| 502 | 961524 | |||
| No hay información disponible, no se puede pedir | ||||
| 601 | 990092 | |||
| No hay información disponible, no se puede pedir | ||||
| 602 | 957071 | |||
| Arandela M10 (10 piezas) | ||||
| 603 | 949458 | 1.05 | 1.27 | |
| No hay información disponible, no se puede pedir | ||||
| 604 | 998888 | |||
| Arandela de resorte M5 (10 piezas) | ||||
| 605 | 949454 | 1.04 | 1.26 | |
| Tornillo de máquina M5x12 (10 piezas) | ||||
| 606 | 949237 | 1.05 | 1.27 | |
| No hay información disponible, no se puede pedir | ||||
| 607 | 981828 | |||
| No hay información disponible, no se puede pedir | ||||
| 608 | 990091 | |||
| Tornillo de ala M6x15 | ||||
| 609 | 941055 | 1.04 | 1.26 | |
| Muelle | ||||
| 610 | 941056 | 1.05 | 1.27 | |