Aquí encontrará todas las piezas y dibujos técnicos disponibles de 'Hikoki C9BA2'. Desde aquí podrá pedir todas las piezas deseadas directamente. Para muchas piezas de repuesto, es necesario pasar un pedido al fabricante. Dependiendo de la marca, el plazo de entrega puede variar entre una y cuatro semanas. Toda la información que tenemos está en nuestro sitio web. No podremos aconsejarle sobre lo que necesita hasta que entregue la máquina para su reparación. Tenga en cuenta lo siguiente a la hora de cursar su pedido:
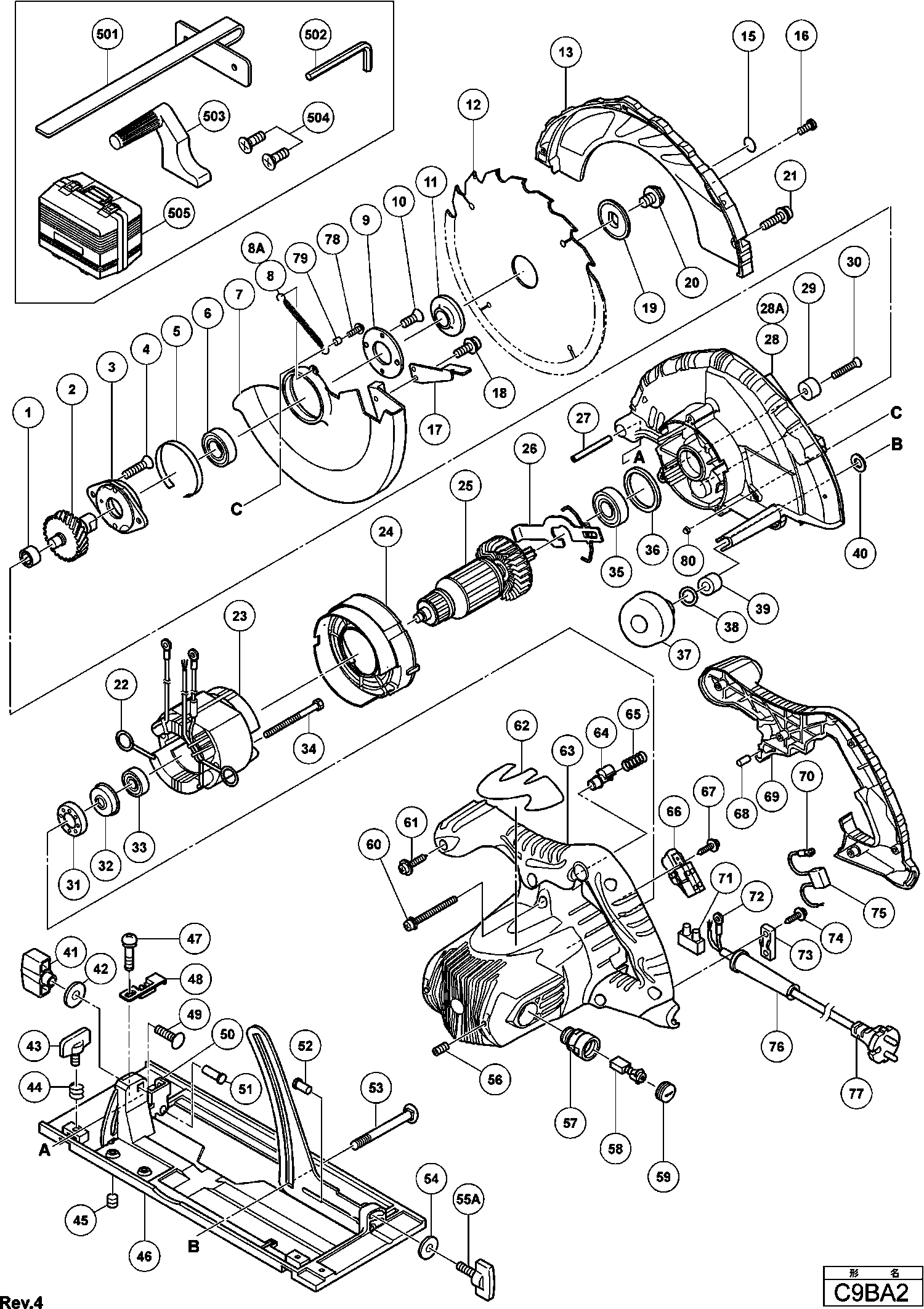
Dibujo técnico de los/las Hikoki C9BA2
Lista de las piezas de repuesto de Hikoki C9BA2
| Pos. | Descripción | Precio con el IVA excluido | Precio con el IVA incluido | |
| Los precios mostrados incluyen el IVA | ||||
| Rodamiento de agujas Hk1212 | ||||
| 1 | 673002 | 4.35 | 5.26 | |
| Eje del engranaje | ||||
| 2 | 303789 | 26.13 | 31.61 | |
| Soporte De Cojinete | ||||
| 3 | 303790 | 8.85 | 10.71 | |
| Tornillo de cabeza plana Seal Lock M6x14 | ||||
| 4 | 303797 | 1.05 | 1.27 | |
| Guía para la mesa giratoria C8fc | ||||
| 5 | 998887 | 9.30 | 11.25 | |
| Rodamiento de bolas 6203vvcmps2s | ||||
| 6 | 6203VV | 7.80 | 9.44 | |
| No hay información disponible, no se puede pedir | ||||
| 7 | 326803 | |||
| No hay información disponible, no se puede pedir | ||||
| 8 | 303906 | |||
| No hay información disponible, no se puede pedir | ||||
| 8A | 328626 | |||
| Cubierta del rodamiento C9u | ||||
| 9 | 303804 | 2.10 | 2.54 | |
| Placa de cerradura de sellado Tornillo M5x14 | ||||
| 10 | 992013 | 1.05 | 1.27 | |
| Arandela | ||||
| 11 | 303365 | 3.60 | 4.36 | |
| No hay información disponible, no se puede pedir | ||||
| 12 | 326830 | |||
| CUBIERTA PROTECTORA | ||||
| 13 | 325354 | 14.03 | 16.97 | |
| Perno Especial | ||||
| 16 | 324139 | 1.65 | 2.00 | |
| Palanca | ||||
| 17A | 370542 | 1.04 | 1.26 | |
| Tornillo de máquina (con arandelas) M4x10 (negro) | ||||
| 18 | 304043 | 1.05 | 1.27 | |
| Tuerca de cierre | ||||
| 19 | 302423 | 2.10 | 2.54 | |
| Tornillo de cabeza hexagonal M8x15.5 C9bu2 | ||||
| 20 | 324662 | 1.95 | 2.36 | |
| Tornillo de Máquina (con arandelas) M4x14 (negro) | ||||
| 21 | 305691 | 1.05 | 1.27 | |
| Punto de contacto del Portaescobillas | ||||
| 22 | 937623 | 1.04 | 1.26 | |
| No hay información disponible, no se puede pedir | ||||
| 23 | 340692F | |||
| Guía de ventilador | ||||
| 24 | 325352 | 1.05 | 1.27 | |
| ANKER 110 VOLT | ||||
| 25 | 360778C | 111.32 | 134.70 | |
| ARMADURA 230V | ||||
| 25 | 360778E | 77.14 | 93.34 | |
| Palanca de bloqueo | ||||
| 26 | 303793 | 4.65 | 5.63 | |
| Pasador de rodillo D8x50 (10 piezas) | ||||
| 27 | 949884 | 10.65 | 12.89 | |
| Caja de engranajes | ||||
| 28 | 325350 | 59.68 | 72.21 | |
| No hay información disponible, no se puede pedir | ||||
| 28A | 328627 | |||
| Cojín C18dmr | ||||
| 29 | 961729 | 1.05 | 1.27 | |
| Tornillo (10 piezas) | ||||
| 30 | 949794 | 1.65 | 2.00 | |
| Casquillo de goma | ||||
| 31 | 325356 | 1.05 | 1.27 | |
| COJINETE | ||||
| 32 | 325355 | 3.00 | 3.63 | |
| Cojinete de bolas 6000 Vv, Cm9by, C8fse, G23ss | ||||
| 33 | 6000VV | 6.15 | 7.44 | |
| Tornillo D5x65 | ||||
| 34 | 960251 | 1.05 | 1.27 | |
| Cojinete de bolas 6202vvcmps2s | ||||
| 35 | 6202VV | 7.05 | 8.53 | |
| Anillo de goma (1) | ||||
| 36 | 303792 | 1.05 | 1.27 | |
| BOTÓN | ||||
| 37 | 324660 | 4.35 | 5.26 | |
| O-RING (P-7) (OUD 676531) | ||||
| 38 | 889335 | 1.00 | 1.21 | |
| MANGUITO ROSCADO | ||||
| 39 | 303801 | 3.60 | 4.36 | |
| Arandela (antiguo 961436z) | ||||
| 40 | 961436 | 1.05 | 1.27 | |
| Tuerca de alas M8 | ||||
| 41 | 324658 | 3.00 | 3.63 | |
| Arandela M8 (10 Piezas) | ||||
| 42 | 949433 | 1.05 | 1.27 | |
| Tornillo de Ala M6x15 | ||||
| 43 | 301806 | 1.05 | 1.27 | |
| Resorte (viej 996224) | ||||
| 44 | 947859 | 1.04 | 1.26 | |
| Tornillo de ajuste M6x6 | ||||
| 45 | 302469 | 1.05 | 1.27 | |
| No hay información disponible, no se puede pedir | ||||
| 46 | 326805 | |||
| Tornillo Máquina (con Arandela sp.) M4x6 | ||||
| 47 | 317333 | 1.50 | 1.82 | |
| ABRAZADERA DE CABLE | ||||
| 48 | 324659 | 1.95 | 2.36 | |
| Perno (cuadrado) M8x30 | ||||
| 49 | 302457 | 1.04 | 1.26 | |
| Placa de bisel | ||||
| 50 | 308481 | 4.65 | 5.63 | |
| Ya no disponible, sin reemplazo | ||||
| 51 | 308482 | |||
| Remache D6x17 | ||||
| 52 | 308480 | 1.05 | 1.27 | |
| PERNO M8 | ||||
| 53 | 303800 | 2.55 | 3.09 | |
| Anillo M6 (Antiguo 949425z , 10 piezas) | ||||
| 54 | 949425 | 1.05 | 1.27 | |
| Tornillo con alas M6x20 | ||||
| 55A | 328923 | 1.50 | 1.82 | |
| Tornillo de ajuste hexagonal M5x8 | ||||
| 56 | 938477 | 1.05 | 1.27 | |
| Soporte de Cepillo de Carbono | ||||
| 57 | 983362 | 6.45 | 7.80 | |
| Escobilla de carbono (1 par) | ||||
| 58 | 999038 | 9.30 | 11.25 | |
| Tapa del cepillo | ||||
| 59 | 961781 | 2.55 | 3.09 | |
| Tornillo de máquina M5X40 | ||||
| 60 | 303796 | 1.04 | 1.26 | |
| Tornillo de roscado D4x20 con brida (negro) | ||||
| 61 | 301653 | 1.04 | 1.26 | |
| Caja de carcasa DUO 110 - Conjunto | ||||
| 63 | 325362 | 28.05 | 33.94 | |
| Botón AGC 18 | ||||
| 64 | 325358 | 1.05 | 1.27 | |
| Muelle | ||||
| 65 | 325359 | 1.05 | 1.27 | |
| Interruptor | ||||
| 66 | 325357 | 21.04 | 25.46 | |
| Tornillo de punta (con brida) D4x12 Hasta 1.2001 | ||||
| 67 | 305720 | 1.05 | 1.27 | |
| PASADOR DE GOMA (ANTIGUO 976441) | ||||
| 68 | 946362 | 1.05 | 1.27 | |
| Cubierta del Mango | ||||
| 69 | 325351 | 9.30 | 11.25 | |
| Terminal de Conexión | ||||
| 70 | 980063 | 1.04 | 1.26 | |
| Bloque de Terminal | ||||
| 71 | 938307 | 2.13 | 2.57 | |
| Terminal M4.0 (10 piezas) | ||||
| 72 | 930804 | 3.00 | 3.63 | |
| Terminal de Conexión | ||||
| 72 | 980063 | 1.04 | 1.26 | |
| Tira de sujeción (antiguo 994566) | ||||
| 73 | 937631 | 1.04 | 1.26 | |
| No hay información disponible, no se puede pedir | ||||
| 74 | 984750 | |||
| Condensador (antiguo 987178) | ||||
| 75 | 930039 | 1.95 | 2.36 | |
| Armadura de cable D10.7 | ||||
| 76 | 940778 | 2.10 | 2.54 | |
| Prensaestopas de cable D8.2 (antiguo 958049z) | ||||
| 76 | 958049 | 1.04 | 1.26 | |
| SNOER 2.5M 2 X 1.0 H05VV-F W/PLUG 13A/250V (OLD 50 | ||||
| 77 | 500423Z | 12.87 | 15.57 | |
| Cordón 2,5m 2 X 1.0 H05vv-f (Antiguo 500395z) | ||||
| 77 | 500447Z | 6.60 | 7.99 | |
| Tornillo M4X14 | ||||
| 78 | 311836 | 1.04 | 1.26 | |
| Espaciador M4 | ||||
| 79 | 311837 | 1.04 | 1.26 | |
| Tuerca de Gorra Hex. M4 | ||||
| 80 | 311839 | 1.05 | 1.27 | |
| No hay información disponible, no se puede pedir | ||||
| 501 | 303888 | |||
| No hay información disponible, no se puede pedir | ||||
| 502 | 872422 | |||
| No hay información disponible, no se puede pedir | ||||
| 503 | 303811 | |||
| Tornillo de cabeza cruzada M6x16 (10 unidades) | ||||
| 504 | 949340 | 1.35 | 1.63 | |
| No hay información disponible, no se puede pedir | ||||
| 505 | 325364 | |||
| No hay información disponible, no se puede pedir | ||||
| 601 | 325365 | |||
| No hay información disponible, no se puede pedir | ||||
| 602 | 324669 | |||
| BOTÓN | ||||
| 603 | 303338 | 2.40 | 2.90 | |