Aquí encontrará todas las piezas y dibujos técnicos disponibles de 'Hikoki CD7SA'. Desde aquí podrá pedir todas las piezas deseadas directamente. Para muchas piezas de repuesto, es necesario pasar un pedido al fabricante. Dependiendo de la marca, el plazo de entrega puede variar entre una y cuatro semanas. Toda la información que tenemos está en nuestro sitio web. No podremos aconsejarle sobre lo que necesita hasta que entregue la máquina para su reparación. Tenga en cuenta lo siguiente a la hora de cursar su pedido:
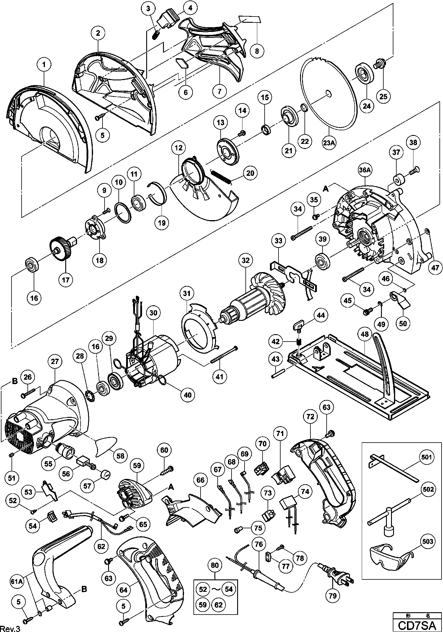
Dibujo técnico de los/las Hikoki CD7SA
Lista de las piezas de repuesto de Hikoki CD7SA
| Pos. | Descripción | Precio con el IVA excluido | Precio con el IVA incluido | |
| Los precios mostrados incluyen el IVA | ||||
| Eje y conjunto de engranajes | ||||
| *17 | 329197 | 17.74 | 21.46 | |
| Arandela | ||||
| *21 | 993598 | 2.70 | 3.27 | |
| Sello anti polvo (a) | ||||
| *29 | 330259 | 1.80 | 2.18 | |
| Stator 220v-230v H-90sa Includ.103 Para Nzl,saf | ||||
| *30 | 340715E | 39.88 | 48.25 | |
| VELD 110 VOLT | ||||
| *30 | 340715D | 37.24 | 45.06 | |
| ANKER 110-120 VOLT | ||||
| *32 | 360829U | 79.86 | 96.63 | |
| ARMADURA 230V | ||||
| *32 | 360829E | 76.04 | 92.01 | |
| Escobilla de carbono (1 par) | ||||
| *56 | 999056 | 6.45 | 7.80 | |
| LED 220v-240v | ||||
| *62 | 329742 | 33.96 | 41.09 | |
| Protector de cable D8.8 | ||||
| *76 | 380090 | 1.04 | 1.26 | |
| Casquillo del cable D10.1 | ||||
| *76 | 938051 | 1.04 | 1.26 | |
| SNOER 10.7 (USE 714500=2X1 5M) | ||||
| *79 | 500247Z | 6.18 | 7.48 | |
| No hay información disponible, no se puede pedir | ||||
| *80 | 329744 | |||
| Cubierta para el polvo (a) | ||||
| 1 | 329200 | 30.45 | 36.84 | |
| Cubierta para el polvo (b) | ||||
| 2 | 329201 | 24.75 | 29.95 | |
| Muelle | ||||
| 3 | 329204 | 2.10 | 2.54 | |
| BOTÓN | ||||
| 4 | 329202 | 1.05 | 1.27 | |
| Tornillo de roscado D4x20 con brida (negro) | ||||
| 5 | 301653 | 1.04 | 1.26 | |
| Placa de vidrio | ||||
| 6 | 329205 | 10.50 | 12.70 | |
| Tapa de polvo | ||||
| 7 | 329206 | 5.10 | 6.17 | |
| CUBIERTA DE POLVO (C) NEGRO (ANTIGUO 329206) | ||||
| 7A | 376176 | 3.15 | 3.81 | |
| TORNILLO DE BLOQUEO DE SELLO M5X12 | ||||
| 9 | 305568 | 1.05 | 1.27 | |
| Arandela | ||||
| 10 | 329736 | 2.10 | 2.54 | |
| Cojinete de bolas 6202vvcmps2s | ||||
| 11 | 6202VV | 7.05 | 8.53 | |
| Guarda inferior (desde 04.2007 para Aus,nzl) | ||||
| 12 | 329216 | 11.10 | 13.43 | |
| Tapa del cojinete | ||||
| 13 | 330043 | 2.10 | 2.54 | |
| Tornillo de máquina (con arandela especial) M4x10 | ||||
| 14 | 307635 | 1.05 | 1.27 | |
| Casquillo Espaciador | ||||
| 15 | 961366 | 1.04 | 1.26 | |
| Rodamiento de bolas 608vvmc2eps2l | ||||
| 16 | 608VVM | 5.70 | 6.90 | |
| Eje y conjunto de engranajes | ||||
| 17 | 329197 | 17.74 | 21.46 | |
| Soporte De Cojinete | ||||
| 18 | 329198 | 4.20 | 5.08 | |
| Manguito (antiguo 961807Z) | ||||
| 19 | 961807 | 2.15 | 2.60 | |
| Muelle de retorno | ||||
| 20 | 957062 | 1.04 | 1.26 | |
| Arandela (a2) | ||||
| 21 | 329738 | 4.20 | 5.08 | |
| Arandela | ||||
| 21 | 993598 | 2.70 | 3.27 | |
| Anillo D15.9/i.d.14.5 | ||||
| 22 | 990100 | 1.65 | 2.00 | |
| No hay información disponible, no se puede pedir | ||||
| 23A | 330742 | |||
| ARANDELA | ||||
| 24 | 957064 | 4.50 | 5.44 | |
| Tornillo M7x17.5 con arandela | ||||
| 25 | 957749 | 1.05 | 1.27 | |
| Tornillo de máquina M5X40 | ||||
| 26 | 303796 | 1.04 | 1.26 | |
| Caja de carcasa DUO 110 - Conjunto | ||||
| 27 | 329193 | 22.83 | 27.62 | |
| Arandela de empuje | ||||
| 28 | 316394 | 3.30 | 3.99 | |
| Sello anti polvo (a) | ||||
| 29 | 330259 | 1.80 | 2.18 | |
| Empaque de Polvo G18u/ua/ub y otros | ||||
| 29 | 315877 | 1.05 | 1.27 | |
| Stator 220v-230v H-90sa Includ.103 Para Nzl,saf | ||||
| 30 | 340715E | 39.88 | 48.25 | |
| VELD 110 VOLT | ||||
| 30 | 340715D | 37.24 | 45.06 | |
| Guía de ventilador | ||||
| 31 | 329194 | 2.10 | 2.54 | |
| ANKER 110-120 VOLT | ||||
| 32 | 360829U | 79.86 | 96.63 | |
| ARMADURA 230V | ||||
| 32 | 360829E | 76.04 | 92.01 | |
| Bloqueo | ||||
| 33 | 329195 | 2.10 | 2.54 | |
| Perno (+hd.) M6x38 | ||||
| 34 | 329218 | 2.10 | 2.54 | |
| Tornillo de máquina (con arandelas) M4x10 (negro) | ||||
| 35 | 304043 | 1.05 | 1.27 | |
| Caja de engranajes | ||||
| 36A | 330748 | 96.88 | 117.22 | |
| Cojín C18dmr | ||||
| 37 | 961729 | 1.05 | 1.27 | |
| Tornillo (10 piezas) | ||||
| 38 | 949794 | 1.65 | 2.00 | |
| Rodamiento de bolas 6001vvcmps2l | ||||
| 39 | 6001VV | 6.60 | 7.99 | |
| Punto de contacto del Portaescobillas | ||||
| 40 | 930703 | 2.40 | 2.90 | |
| Tornillo D5x70 | ||||
| 41 | 961400 | 1.04 | 1.26 | |
| Muelle | ||||
| 42 | 941056 | 1.05 | 1.27 | |
| ROL PIN D6X32 (10 STUKS) | ||||
| 43 | 949576 | 3.06 | 3.70 | |
| Tornillo de ala M6x12 | ||||
| 44 | 307947 | 1.35 | 1.63 | |
| Perno (cuadrado) M6x22 | ||||
| 45 | 329729 | 1.05 | 1.27 | |
| Anillo M6 (Antiguo 949425z , 10 piezas) | ||||
| 46 | 949425 | 1.05 | 1.27 | |
| ARANDELA | ||||
| 46A | 320975 | 1.05 | 1.27 | |
| Anillo-O (4pc-5) | ||||
| 47 | 307292 | 1.05 | 1.27 | |
| Placa base KS 60 | ||||
| 48 | 329199 | 39.88 | 48.25 | |
| Arandela de resorte | ||||
| 49 | 942827 | 1.04 | 1.26 | |
| No hay información disponible, no se puede pedir | ||||
| 50 | 329730 | |||
| Tornillo de ajuste hexagonal M5x8 | ||||
| 51 | 938477 | 1.05 | 1.27 | |
| Tornillo de rosca D2.6x10 | ||||
| 52 | 323239 | 1.65 | 2.00 | |
| Tapa | ||||
| 53 | 329740 | 1.80 | 2.18 | |
| CUBIERTA LED (B) VERDE (ANTIGUO 329740) | ||||
| 53A | 375645 | 1.04 | 1.26 | |
| No hay información disponible, no se puede pedir | ||||
| 54 | 329732 | |||
| Soporte de Cepillo de Carbono | ||||
| 55 | 958900 | 6.45 | 7.80 | |
| Escobilla de carbono (1 par) | ||||
| 56 | 999056 | 6.45 | 7.80 | |
| Escobilla de carbono (1 par) | ||||
| 56 | 999043 | 4.50 | 5.44 | |
| Tapa del cepillo | ||||
| 57 | 945161 | 1.20 | 1.45 | |
| No hay información disponible, no se puede pedir | ||||
| 59 | 329217 | |||
| Tornillo de roscado (con brida) D5x25 (negro) | ||||
| 60 | 305558 | 1.04 | 1.26 | |
| Mango Lateral (b) | ||||
| 61A | 330749 | 12.90 | 15.61 | |
| MANGO LATERAL (B) VERDE (ANTIGUO 330749) | ||||
| 61B | 375643 | 6.60 | 7.99 | |
| LED 220v-240v | ||||
| 62 | 329742 | 33.96 | 41.09 | |
| Tornillo de Máquina (con Arandelas) M5x16 (Negro) | ||||
| 63 | 307294 | 1.05 | 1.27 | |
| Mango (b) | ||||
| 64 | 329215 | 13.50 | 16.34 | |
| Tornillo de Máquina M5x20 con Arandela (Negro) | ||||
| 65 | 316229 | 1.65 | 2.00 | |
| No hay información disponible, no se puede pedir | ||||
| 66 | 329207 | |||
| No hay información disponible, no se puede pedir | ||||
| 67 | 330044 | |||
| No hay información disponible, no se puede pedir | ||||
| 68 | 329213 | |||
| No hay información disponible, no se puede pedir | ||||
| 69 | 330045 | |||
| Interruptor | ||||
| 70 | 319503 | 12.60 | 15.25 | |
| Interruptor | ||||
| 71 | 324424 | 6.45 | 7.80 | |
| Mango (a) G18u/g23u y otros | ||||
| 72 | 329214 | 13.50 | 16.34 | |
| Bloque de Terminal | ||||
| 73 | 938307 | 2.13 | 2.57 | |
| Condensador (antiguo 987178) | ||||
| 74 | 930039 | 1.95 | 2.36 | |
| Terminal de soldadura 50092 (10 piezas) | ||||
| 75 | 959141 | 3.75 | 4.54 | |
| Protector de cable D8.8 | ||||
| 76 | 380090 | 1.04 | 1.26 | |
| Casquillo del cable D10.1 | ||||
| 76 | 938051 | 1.04 | 1.26 | |
| Tira de sujeción (antiguo 994566) | ||||
| 77 | 937631 | 1.04 | 1.26 | |
| No hay información disponible, no se puede pedir | ||||
| 78 | 984750 | |||
| Cable 3M 2 X 1,0 H05vv-f con enchufe 16a CEE | ||||
| 79 | 500461Z | 17.88 | 21.63 | |
| SNOER 10.7 (USE 714500=2X1 5M) | ||||
| 79 | 500247Z | 6.18 | 7.48 | |
| No hay información disponible, no se puede pedir | ||||
| 80 | 329744 | |||
| ARANDELA DE ONDAS 12 MM NUEVA | ||||
| 81 | 375106 | 1.80 | 2.18 | |
| Mango (A+B) conjunto verde (Viejo 329214+329215) | ||||
| 82 | 376175 | 10.50 | 12.70 | |
| No hay información disponible, no se puede pedir | ||||
| 501 | 302756 | |||
| No hay información disponible, no se puede pedir | ||||
| 502 | 940543 | |||
| No hay información disponible, no se puede pedir | ||||
| 503 | 875769 | |||