Aquí encontrará todas las piezas y dibujos técnicos disponibles de 'Hikoki CF18DSL'. Desde aquí podrá pedir todas las piezas deseadas directamente. Para muchas piezas de repuesto, es necesario pasar un pedido al fabricante. Dependiendo de la marca, el plazo de entrega puede variar entre una y cuatro semanas. Toda la información que tenemos está en nuestro sitio web. No podremos aconsejarle sobre lo que necesita hasta que entregue la máquina para su reparación. Tenga en cuenta lo siguiente a la hora de cursar su pedido:
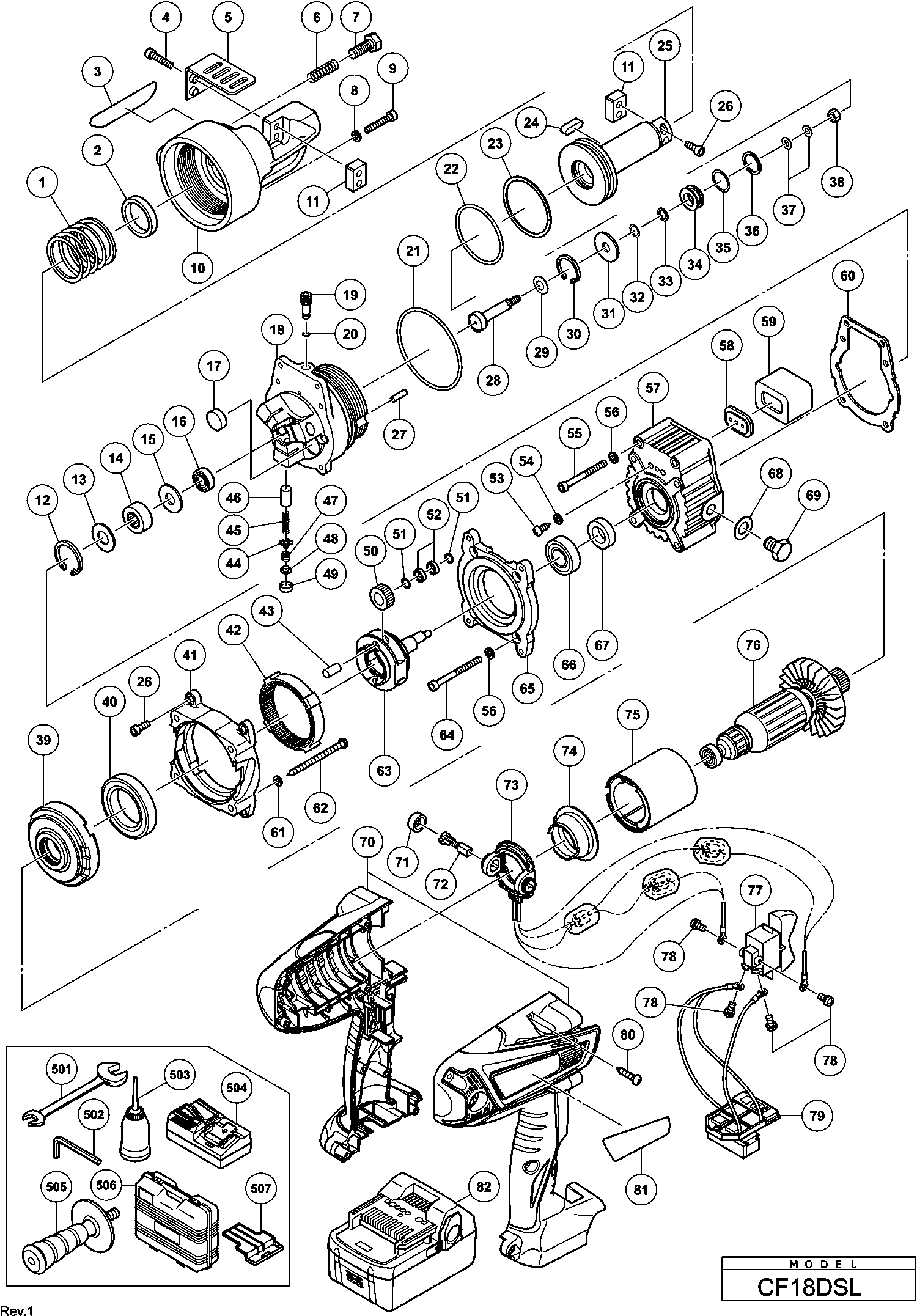
Dibujo técnico de los/las Hikoki CF18DSL
Lista de las piezas de repuesto de Hikoki CF18DSL
| Pos. | Descripción | Precio con el IVA excluido | Precio con el IVA incluido | |
| Los precios mostrados incluyen el IVA | ||||
| Tapa protectora para batería | ||||
| *507 | 329897 | 1.80 | 2.18 | |
| No hay información disponible, no se puede pedir | ||||
| 1 | 339395 | |||
| Empaquetado | ||||
| 2 | 339394 | 12.30 | 14.88 | |
| Tornillo de cabeza hexagonal M5x22 | ||||
| 4 | 339393 | 2.55 | 3.09 | |
| Guarda de prevención de dispersión | ||||
| 5 | 339392 | 7.35 | 8.89 | |
| No hay información disponible, no se puede pedir | ||||
| 6 | 339391 | |||
| No hay información disponible, no se puede pedir | ||||
| 7 | 339389 | |||
| No hay información disponible, no se puede pedir | ||||
| 8 | 339388 | |||
| No hay información disponible, no se puede pedir | ||||
| 9 | 339387 | |||
| CARCASA | ||||
| 10 | 339386 | 1008.29 | 1220.03 | |
| Bloque de cutter (2 Pzas.) | ||||
| 11 | 339390 | 153.04 | 185.18 | |
| ANILLO DE RETENCIÓN | ||||
| 12 | 339425 | 2.40 | 2.90 | |
| No hay información disponible, no se puede pedir | ||||
| 13 | 339422 | |||
| No hay información disponible, no se puede pedir | ||||
| 14 | 339423 | |||
| No hay información disponible, no se puede pedir | ||||
| 15 | 339424 | |||
| Rodamiento de bolas 635 7635 | ||||
| 16 | 339421 | 31.90 | 38.60 | |
| No hay información disponible, no se puede pedir | ||||
| 17 | 339417 | |||
| CILINDRO | ||||
| 18 | 339412 | 1016.95 | 1230.51 | |
| No hay información disponible, no se puede pedir | ||||
| 19 | 339415 | |||
| Anillo O | ||||
| 20 | 339416 | 4.65 | 5.63 | |
| No hay información disponible, no se puede pedir | ||||
| 21 | 339414 | |||
| No hay información disponible, no se puede pedir | ||||
| 22 | 339399 | |||
| No hay información disponible, no se puede pedir | ||||
| 23 | 339400 | |||
| Llave 6x6x23 | ||||
| 24 | 339397 | 7.35 | 8.89 | |
| Pistón | ||||
| 25 | 339396 | 556.60 | 673.49 | |
| Tornillo de cabeza hexagonal con casquillo M5x15 | ||||
| 26 | 339398 | 1.95 | 2.36 | |
| No hay información disponible, no se puede pedir | ||||
| 27 | 339413 | |||
| No hay información disponible, no se puede pedir | ||||
| 28 | 339401 | |||
| No hay información disponible, no se puede pedir | ||||
| 29 | 339402 | |||
| ANILLO DE RETENCIÓN | ||||
| 30 | 339403 | 2.55 | 3.09 | |
| No hay información disponible, no se puede pedir | ||||
| 31 | 339404 | |||
| Empaquetado | ||||
| 32 | 339405 | 14.70 | 17.79 | |
| No hay información disponible, no se puede pedir | ||||
| 33 | 339406 | |||
| No hay información disponible, no se puede pedir | ||||
| 34 | 339407 | |||
| No hay información disponible, no se puede pedir | ||||
| 35 | 339408 | |||
| No hay información disponible, no se puede pedir | ||||
| 36 | 339409 | |||
| No hay información disponible, no se puede pedir | ||||
| 37 | 339410 | |||
| No hay información disponible, no se puede pedir | ||||
| 38 | 339411 | |||
| Cubierta Interna | ||||
| 39 | 339448 | 67.79 | 82.02 | |
| Rodamiento de bolas 61907 (gb) | ||||
| 40 | 334310 | 14.25 | 17.24 | |
| Rodamiento de bolas 61907 (gb) | ||||
| 40A | 334310 | 14.25 | 17.24 | |
| Pieza Distancia M | ||||
| 41 | 339444 | 381.43 | 461.52 | |
| Engranaje de Anillo | ||||
| 42 | 333807 | 4.65 | 5.63 | |
| Rodillo de aguja | ||||
| 43 | 333806 | 1.05 | 1.27 | |
| No hay información disponible, no se puede pedir | ||||
| 44 | 339420 | |||
| No hay información disponible, no se puede pedir | ||||
| 45 | 339419 | |||
| Juego de carnero | ||||
| 46 | 339418 | 82.78 | 100.16 | |
| Muelle de válvula de entrega | ||||
| 47 | 306215 | 2.70 | 3.27 | |
| GUIA DE RESORTE | ||||
| 48 | 334023 | 14.44 | 17.47 | |
| Sello de cabeza de bomba | ||||
| 49 | 334022 | 14.40 | 17.42 | |
| No hay información disponible, no se puede pedir | ||||
| 50 | 339441 | |||
| Collar engranaje inactivo | ||||
| 51 | 339443 | 21.31 | 25.79 | |
| Mini rodamiento | ||||
| 52 | 339442 | 7.05 | 8.53 | |
| No hay información disponible, no se puede pedir | ||||
| 53 | 339432 | |||
| No hay información disponible, no se puede pedir | ||||
| 54 | 339433 | |||
| No hay información disponible, no se puede pedir | ||||
| 55 | 339434 | |||
| Arandela con muesca D5 | ||||
| 56 | 339435 | 1.04 | 1.26 | |
| No hay información disponible, no se puede pedir | ||||
| 57 | 339426 | |||
| No hay información disponible, no se puede pedir | ||||
| 58 | 339431 | |||
| No hay información disponible, no se puede pedir | ||||
| 59 | 339430 | |||
| Empaquetado del caso de la bomba | ||||
| 60 | 339427 | 11.70 | 14.16 | |
| Arandela Resorte 57sw005 D5 | ||||
| 61 | 339446 | 1.04 | 1.26 | |
| No hay información disponible, no se puede pedir | ||||
| 62 | 339445 | |||
| No hay información disponible, no se puede pedir | ||||
| 63 | 339440 | |||
| No hay información disponible, no se puede pedir | ||||
| 64 | 339439 | |||
| No hay información disponible, no se puede pedir | ||||
| 65 | 339438 | |||
| Rodamiento de bolas 6901zz | ||||
| 66 | 339437 | 19.11 | 23.13 | |
| No hay información disponible, no se puede pedir | ||||
| 67 | 339436 | |||
| Arandela de sellado | ||||
| 68 | 339429 | 4.65 | 5.63 | |
| Tornillo hexagonal M10x10 | ||||
| 69 | 339428 | 1.04 | 1.26 | |
| Conjunto de carcasa del motor | ||||
| 70 | 339447 | 275.41 | 333.25 | |
| Tapa del cepillo | ||||
| 71 | 319847 | 1.65 | 2.00 | |
| Escobillas de Carbono (2 Piezas) | ||||
| 72 | 999100 | 4.20 | 5.08 | |
| Bloque de cepillo completo | ||||
| 73 | 334311 | 4.65 | 5.63 | |
| Anillo de polvo | ||||
| 74 | 333797 | 2.10 | 2.54 | |
| Imán | ||||
| 75 | 333796 | 14.30 | 17.30 | |
| No hay información disponible, no se puede pedir | ||||
| 76 | 361025 | |||
| Interruptor | ||||
| 77 | 333795 | 22.83 | 27.62 | |
| Tornillo de máquina (con arandela) M3.5x6 | ||||
| 78 | 307887 | 1.04 | 1.26 | |
| Set de terminales del controlador | ||||
| 79 | 334313 | 40.01 | 48.42 | |
| Tornillo de roscado D4x20 con brida (negro) | ||||
| 80 | 301653 | 1.04 | 1.26 | |
| No hay información disponible, no se puede pedir | ||||
| 82 | 336385 | |||
| No hay información disponible, no se puede pedir | ||||
| 83 | 377794 | |||
| No hay información disponible, no se puede pedir | ||||
| 501 | 931161 | |||
| No hay información disponible, no se puede pedir | ||||
| 502 | 944458 | |||
| Aceitera lubricante (70cc) | ||||
| 503 | 306295 | 10.05 | 12.16 | |
| No hay información disponible, no se puede pedir | ||||
| 505 | 306254 | |||
| No hay información disponible, no se puede pedir | ||||
| 506 | 312831 | |||
| Tapa protectora para batería | ||||
| 507 | 329897 | 1.80 | 2.18 | |