Aquí encontrará todas las piezas y dibujos técnicos disponibles de 'Hikoki CG24EKS'. Desde aquí podrá pedir todas las piezas deseadas directamente. Para muchas piezas de repuesto, es necesario pasar un pedido al fabricante. Dependiendo de la marca, el plazo de entrega puede variar entre una y cuatro semanas. Toda la información que tenemos está en nuestro sitio web. No podremos aconsejarle sobre lo que necesita hasta que entregue la máquina para su reparación. Tenga en cuenta lo siguiente a la hora de cursar su pedido:
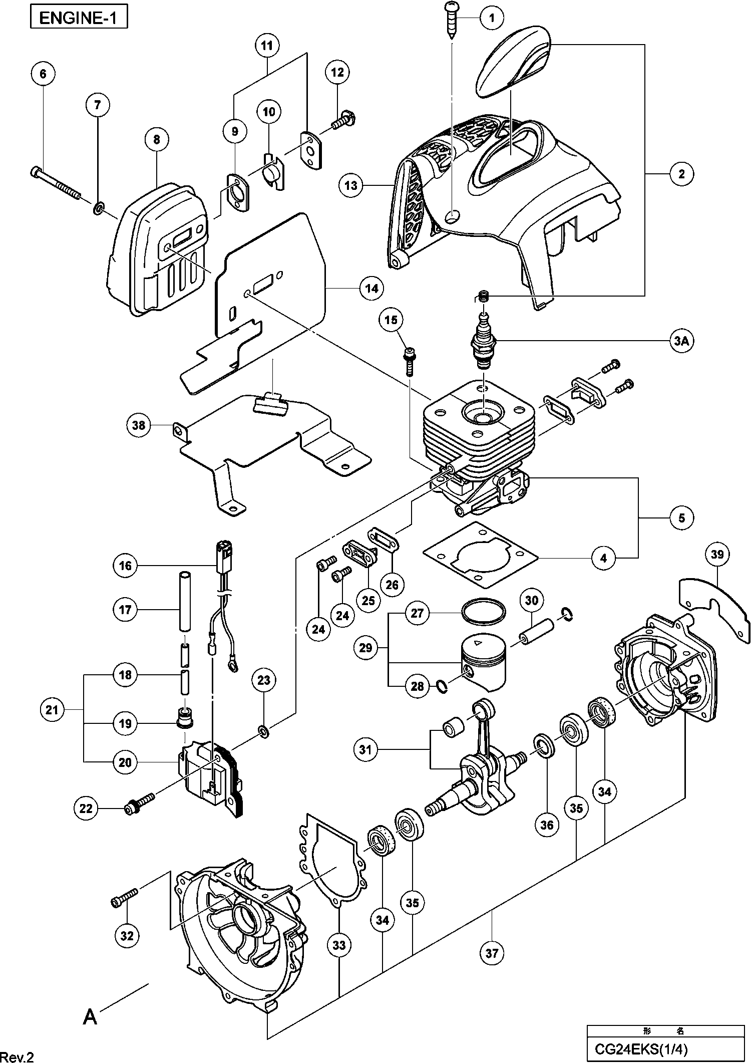
Dibujo técnico de los/las Hikoki CG24EKS
Lista de las piezas de repuesto de Hikoki CG24EKS
| Pos. | Descripción | Precio con el IVA excluido | Precio con el IVA incluido | |
| Los precios mostrados incluyen el IVA | ||||
| Tornillo autotaladrante D4.5x12 (antiguo 990-73045 | ||||
| 1 | 6684637 | 2.15 | 2.60 | |
| Tapa de bujía de encendido Ass'y (antiguo 157-5220 | ||||
| 2 | 6684583 | 9.40 | 11.37 | |
| Bujía Bmr7a | ||||
| 3A | 6699316 | 8.91 | 10.78 | |
| Junta de cilindro (antiguo 017-52200-20) | ||||
| 4 | 6684587 | 2.15 | 2.60 | |
| Conjunto de cilindro (antiguo 001-52200-90) | ||||
| 5 | 6684585 | 66.10 | 79.98 | |
| Tornillo de orificio hexagonal M6x55 (antiguo 990- | ||||
| 6 | 6684638 | 2.15 | 2.60 | |
| Arandela | ||||
| 7 | 6684639 | 2.15 | 2.60 | |
| Silenciador Comp. (antiguo 706-52200-80) (antiguo | ||||
| 8 | 6684640 | 29.95 | 36.24 | |
| Junta especial del silenciador (antiguo 751-52200- | ||||
| 9 | 6684650 | 2.15 | 2.60 | |
| Atrapachispas (antiguo 732-52200-20) | ||||
| 10 | 6684652 | 4.29 | 5.19 | |
| No hay información disponible, no se puede pedir | ||||
| 11 | 6684843 | |||
| Tornillo M4x8/ws (anterior 994-36040-081) | ||||
| 12 | 6684651 | 2.15 | 2.60 | |
| Protector de silenciador (antiguo 738-52200-20) | ||||
| 13 | 6684635 | 12.38 | 14.97 | |
| Escudo térmico | ||||
| 14 | 6684641 | 8.58 | 10.38 | |
| Bolt M5x18 / s hexagonal (antiguo 994-61050-184) | ||||
| 15 | 6684586 | 2.15 | 2.60 | |
| No hay información disponible, no se puede pedir | ||||
| 16 | 6684603 | |||
| Tubo aislante 50l (antiguo 250-06500-20) | ||||
| 17 | 6684597 | 2.15 | 2.60 | |
| Cable de alta tensión (antiguo 178-20559-20) | ||||
| 18 | 6684596 | 4.29 | 5.19 | |
| Tapa de Goma | ||||
| 19 | 6684602 | 2.15 | 2.60 | |
| Tornillo con agujero hexagonal M4x18/ws (antiguo 9 | ||||
| 22 | 6684599 | 2.15 | 2.60 | |
| Arandela (antiguo 182-0186a-20) | ||||
| 23 | 6684600 | 2.15 | 2.60 | |
| Tornillo con agujero hexagonal M4x12/s (antiguo 99 | ||||
| 24 | 6684595 | 2.15 | 2.60 | |
| Cubierta de entrada (antiguo 052-52200-20) | ||||
| 25 | 6684594 | 2.15 | 2.60 | |
| Empaque de cubierta (antiguo 050-52200-20) | ||||
| 26 | 6684593 | 2.15 | 2.60 | |
| Anillo de pistón (antiguo 041-01601-20) | ||||
| 27 | 6684588 | 8.58 | 10.38 | |
| Circlip del pasador del pistón (antiguo 039-00601- | ||||
| 28 | 6684590 | 2.15 | 2.60 | |
| Conjunto de pistón (antiguo 030-52200-90) | ||||
| 29 | 6684589 | 34.19 | 41.37 | |
| Pasador de pistón (antiguo 037-07045-20) | ||||
| 30 | 6684591 | 4.29 | 5.19 | |
| Cigüeñal | ||||
| 31 | 6684592 | 46.74 | 56.55 | |
| Bolt M5x18 / s hexagonal (antiguo 994-61050-184) | ||||
| 32 | 6684586 | 2.15 | 2.60 | |
| Junta de cárter (antiguo 090-52200-20) | ||||
| 33 | 6684609 | 2.15 | 2.60 | |
| Sello de aceite | ||||
| 34 | 6684607 | 4.29 | 5.19 | |
| Rodamiento de bolas 6001 C3 | ||||
| 35 | 6684608 | 3.80 | 4.60 | |
| Calzo de eje de engranaje 0.20 (antiguo 330-00200- | ||||
| 36 | 6684604 | 2.15 | 2.60 | |
| Calzo de eje de engranaje 0.30 (antiguo 330-00200- | ||||
| 36 | 6684605 | 2.15 | 2.60 | |
| Ensamble del Cárter (antiguo 072-52200-90) | ||||
| 37 | 6684606 | 54.45 | 65.88 | |
| Escudo térmico | ||||
| 38 | 6684844 | 8.58 | 10.38 | |
| Placa de partición (antiguo 802-52210-20) | ||||
| 39 | 6684845 | 2.15 | 2.60 | |
| No hay información disponible, no se puede pedir | ||||
| 51 | 6684668 | |||
| Tornillo de Cabeza Hexagonal M5x12 / s (antiguo 99 | ||||
| 52 | 6684667 | 2.15 | 2.60 | |
| Goma Antivibración | ||||
| 53 | 6684666 | 4.29 | 5.19 | |
| Soporte de tubo (a) | ||||
| 54A | 6698643 | 2.10 | 2.54 | |
| Soporte de tubo (b) | ||||
| 55A | 6698644 | 2.10 | 2.54 | |
| Goma Antivibración | ||||
| 56 | 6684665 | 4.29 | 5.19 | |
| SYMBOL MARK HITACHI (OLD 929-52211-20) | ||||
| 57 | 6684846 | 4.02 | 4.86 | |
| Tornillo autotaladrante D4.5x16 (antiguo 990-72045 | ||||
| 58 | 6684636 | 2.15 | 2.60 | |
| Tornillo de agujero hexagonal M5x18/ws (anterior 9 | ||||
| 59 | 6684647 | 2.15 | 2.60 | |
| Carcasa del ventilador | ||||
| 60 | 6684669 | 25.16 | 30.45 | |
| Eje de embrague (viejo 6696481) | ||||
| 61A | 6698793 | 10.20 | 12.34 | |
| Perno de paso (antiguo 357-0075t-20) | ||||
| 62 | 6684646 | 2.15 | 2.60 | |
| Arandela | ||||
| 63 | 6684648 | 2.15 | 2.60 | |
| Placa de embrague A 0.5 (antigua 348-0630a-20/6689 | ||||
| 64 | 6684645 | 2.15 | 2.60 | |
| Resorte de embrague (viejo 342-0630b-20) | ||||
| 65 | 6684644 | 2.15 | 2.60 | |
| Zapato de embrague | ||||
| 66 | 6684643 | 11.55 | 13.98 | |
| Arandela | ||||
| 67 | 6684642 | 2.15 | 2.60 | |
| Tuerca M8 (antiguo 991-01080-011/327325/332299/726 | ||||
| 68 | 6684612 | 2.15 | 2.60 | |
| Arandela M8 (antiguo 992-01080-011) | ||||
| 69 | 6684611 | 2.15 | 2.60 | |
| Anillo de Parada C-12 Exterior | ||||
| 71 | 6684664 | 2.15 | 2.60 | |
| Anillo de retención D4e (antiguo 993-55040-001) | ||||
| 81 | 6685101 | 1.15 | 1.39 | |
| Muelle de trinquete de arranque (antiguo 790-06097 | ||||
| 82 | 6684684 | 4.29 | 5.19 | |
| Empuñadura de arranque (antiguo 788-0651h-20) | ||||
| 83 | 6684685 | 4.29 | 5.19 | |
| Polea de arranque Ass'y (antiguo 798-0651h-90) | ||||
| 84 | 6684681 | 13.20 | 15.97 | |
| Tornillo de ajuste (antiguo 839-03045-20) | ||||
| 85 | 6684679 | 2.15 | 2.60 | |
| Placa de leva (antigua 759-0651h-20) | ||||
| 86 | 6684678 | 6.44 | 7.79 | |
| Resorte de amortiguador (antiguo 758-0651h-20) | ||||
| 87 | 6684677 | 8.58 | 10.38 | |
| Resorte de retroceso (antiguo 780-06097-20/6697591 | ||||
| 89 | 6684675 | 11.55 | 13.98 | |
| Cuerda de arranque 3.5x860 (antiguo 783-0720f-20/6 | ||||
| 90 | 6684674 | 4.29 | 5.19 | |
| Cuerpo de Arrancador de Retroceso Comp. (antiguo 7 | ||||
| 91 | 6684673 | 19.06 | 23.07 | |
| Bolt de agujero hexagonal 4x15/ps (antiguo 994-630 | ||||
| 92 | 6684682 | 2.15 | 2.60 | |
| Manija de inicio | ||||
| 93 | 6684680 | 2.15 | 2.60 | |
| No hay información disponible, no se puede pedir | ||||
| 111 | 6684720 | |||
| Abrazadera B. (viejo 460-33111-20) | ||||
| 113 | 6684715 | 2.15 | 2.60 | |
| Tubo de dirección | ||||
| 116 | 6684702 | 69.88 | 84.55 | |
| Montaje de buje | ||||
| 117 | 6684703 | 4.29 | 5.19 | |
| Soporte de manija B (antiguo 507-37623-20) | ||||
| 118 | 6684711 | 18.00 | 21.78 | |
| Soporte de manija A (antiguo 506-37623-20) | ||||
| 119 | 6684710 | 13.20 | 15.97 | |
| Tornillo de agujero hexagonal M5x25/s (viejo 994-1 | ||||
| 120 | 6684709 | 2.15 | 2.60 | |
| Mango de agarre (antiguo 165-37590-20) | ||||
| 121 | 6684708 | 6.44 | 7.79 | |
| Caucho de soporte de manija (antiguo 510-37304-20) | ||||
| 122 | 6684712 | 4.29 | 5.19 | |
| Soporte de manija C (antiguo 508-37623-20) | ||||
| 123 | 6684713 | 12.38 | 14.97 | |
| TORNILLO CON ORIFICIO HEX. 6X25S (ANTIGUO 994-8106 | ||||
| 124 | 6684714 | 2.15 | 2.60 | |
| Manija izquierda (viejo 502-37415-21) | ||||
| 125 | 6684716 | 29.19 | 35.32 | |
| Percha (viejo 335-77350-80) | ||||
| 126 | 6684705 | 8.58 | 10.38 | |
| Collar de percha (antiguo 334-77350-20) | ||||
| 127 | 6684704 | 4.29 | 5.19 | |
| Soporte de fijación de percha (antiguo 337-77350-8 | ||||
| 128 | 6684706 | 6.44 | 7.79 | |
| Tornillo de agujero hexagonal M5x25/s (viejo 994-1 | ||||
| 129 | 6684709 | 2.15 | 2.60 | |
| Tornillo M4x20 (negro) (antiguo 993-46040-202) | ||||
| 130 | 6684725 | 2.15 | 2.60 | |
| Tornillo 5x30 (negro) (antiguo 994-31050-303) | ||||
| 131 | 6684726 | 2.15 | 2.60 | |
| Palanca de seguridad (viejo 253-38400-20) | ||||
| 132 | 6684721 | 6.44 | 7.79 | |
| No hay información disponible, no se puede pedir | ||||
| 133 | 6684730 | |||
| Botón de parada Comp. (antiguo 156-77156-80) | ||||
| 134 | 6684728 | 28.14 | 34.05 | |
| Cable del acelerador (antiguo 887-77156-80) | ||||
| 135 | 6684729 | 15.58 | 18.85 | |
| Tubo de protección 7x870l (viejo 164-07087-00) | ||||
| 136 | 6684717 | 6.44 | 7.79 | |
| Palanca del acelerador (antiguo 880-38401-20) | ||||
| 137 | 6684723 | 10.23 | 12.37 | |
| Tapón ciego (antiguo 322-38400-20) | ||||
| 138 | 6684724 | 2.15 | 2.60 | |
| Resorte de retorno (antiguo 832-38400-20) | ||||
| 139 | 6684722 | 2.15 | 2.60 | |
| No hay información disponible, no se puede pedir | ||||
| 140 | 6684727 | |||
| HANDLE (OLD 500-37300-20) | ||||
| 141 | 6684836 | 14.58 | 17.64 | |
| Tuerca hex. 6 (antiguo 6684792/991-01060-041/79044 | ||||
| 142 | 6684835 | 2.15 | 2.60 | |
| Barrera (negra) (antiguo 520-37277-20) | ||||
| 145 | 6684837 | 9.40 | 11.37 | |
| Perno 6x43/p (negro) (antiguo 994-23060-432) | ||||
| 146 | 6684838 | 2.15 | 2.60 | |
| Percha (viejo 335-77350-80) | ||||
| 147 | 6684705 | 8.58 | 10.38 | |
| Montaje de buje | ||||
| 148 | 6684703 | 4.29 | 5.19 | |
| Tubo de dirección | ||||
| 149 | 6684702 | 69.88 | 84.55 | |
| Collar de percha (antiguo 334-77350-20) | ||||
| 150 | 6684704 | 4.29 | 5.19 | |
| Soporte de fijación de percha (antiguo 337-77350-8 | ||||
| 151 | 6684706 | 6.44 | 7.79 | |
| Tornillo de agujero hexagonal M5x25/s (viejo 994-1 | ||||
| 152 | 6684709 | 2.15 | 2.60 | |
| Conjunto de palanca del acelerador (antiguo 870-77 | ||||
| 153 | 6684790 | 66.10 | 79.98 | |
| Tornillo M5x20 (antiguo 994-31050-203) | ||||
| 154 | 6684803 | 2.15 | 2.60 | |
| Tornillo M4x20 (negro) (antiguo 993-46040-202) | ||||
| 155 | 6684725 | 2.15 | 2.60 | |
| Cable del acelerador | ||||
| 156 | 6684797 | 46.74 | 56.55 | |
| Botón de parada Comp. (antiguo 156-77154-80) | ||||
| 157 | 6684799 | 20.73 | 25.08 | |
| Cable del acelerador 4t (antiguo 887-77154-80) | ||||
| 158 | 6684798 | 12.38 | 14.97 | |
| Tubo de protección 7x185l (antiguo 164-07018-50) | ||||
| 159 | 6684800 | 2.15 | 2.60 | |
| Palanca de seguridad (viejo 253-38400-20) | ||||
| 160 | 6684721 | 6.44 | 7.79 | |
| Palanca del acelerador (antiguo 880-38400-20) | ||||
| 161 | 6684804 | 8.58 | 10.38 | |
| Tapón ciego (antiguo 322-38400-20) | ||||
| 162 | 6684724 | 2.15 | 2.60 | |
| Resorte de retorno (antiguo 832-38400-20) | ||||
| 163 | 6684722 | 2.15 | 2.60 | |
| No hay información disponible, no se puede pedir | ||||
| 164 | 6684727 | |||
| Marca de nivel (antiguo 923-33700-20) | ||||
| 167 | 6684851 | 2.15 | 2.60 | |
| Marca de nivel (antiguo 923-3738f-20) | ||||
| 168 | 6684852 | 2.15 | 2.60 | |
| Marca de nivel (antiguo 923-33700-20) | ||||
| 169 | 6684851 | 2.15 | 2.60 | |
| Caja de engranajes | ||||
| 181 | 6684731 | 128.11 | 155.02 | |
| No hay información disponible, no se puede pedir | ||||
| 182 | 6684745 | |||
| Cubierta de Protección (antiguo 308-77350-20) | ||||
| 183 | 6684743 | 6.44 | 7.79 | |
| Tapa de Soporte de Cortador (antiguo 311-77350-20) | ||||
| 184 | 6684744 | 8.58 | 10.38 | |
| Soporte de Cortador (antiguo 310-77350-20) | ||||
| 185 | 6684742 | 25.71 | 31.11 | |
| Anillo de retención C-28.interior (antiguo 993-510 | ||||
| 186 | 6684741 | 2.15 | 2.60 | |
| No hay información disponible, no se puede pedir | ||||
| 187 | 6684740 | |||
| Eje de engranaje (antiguo 304-77350-20) | ||||
| 188 | 6684739 | 24.05 | 29.10 | |
| Conjunto de piñón de engranaje (antiguo 301-77350- | ||||
| 189 | 6684752 | 33.43 | 40.44 | |
| Rodamiento de bolas #608 | ||||
| 190 | 6684738 | 8.58 | 10.38 | |
| Perno (con plus) M6x8 (antiguo 990-23060-080) | ||||
| 191 | 6684737 | 2.15 | 2.60 | |
| Tornillo de agujero hexagonal M5x30/ws (antiguo 99 | ||||
| 192 | 6684973 | 2.15 | 2.60 | |
| Tornillo de Cabeza Hexagonal M5x12 / s (antiguo 99 | ||||
| 193 | 6684667 | 2.15 | 2.60 | |
| Caja de engranajes 24 (antiguo 300-77350-20) | ||||
| 194 | 6684736 | 42.80 | 51.79 | |
| Rodamiento de bolas 609 | ||||
| 195 | 6684734 | 8.58 | 10.38 | |
| Rodamiento de bolas 609z ST | ||||
| 196 | 6684735 | 8.58 | 10.38 | |
| Anillo de parada 9 (antiguo 993-54009-002) Nuevo | ||||
| 197 | 6684733 | 2.15 | 2.60 | |
| Anillo de parada C-24.inner (antiguo 993-51024-002 | ||||
| 198 | 6684732 | 2.15 | 2.60 | |
| TORNILLO CON ORIFICIO HEX. 6X25S (ANTIGUO 994-8106 | ||||
| 199 | 6684714 | 2.15 | 2.60 | |
| Soporte de Cubierta (antiguo 442-77154-20) | ||||
| 200 | 6684746 | 4.29 | 5.19 | |
| Guarda de Hoja 24 Ce (antiguo 441-38505-20) | ||||
| 201 | 6684747 | 30.70 | 37.15 | |
| Soporte de cubierta de seguridad (antiguo 445-3738 | ||||
| 202 | 6684748 | 4.29 | 5.19 | |
| Cuchilla (antigua 797-38331-20) | ||||
| 203 | 6684754 | 8.58 | 10.38 | |
| Tornillo autoperforante 5x20 (antiguo 993-17052-00 | ||||
| 204 | 6684753 | 2.15 | 2.60 | |
| Guarda de cubierta (antiguo 447-38455-20) | ||||
| 205 | 6684749 | 14.98 | 18.12 | |
| Tornillo autorroscante 4x14 (antiguo 993-48040-142 | ||||
| 206 | 6684751 | 2.15 | 2.60 | |
| Cuchilla (antiguo 797-37714-20) | ||||
| 207 | 6684750 | 4.29 | 5.19 | |
| Junta aislante (antiguo 403-52210-20) | ||||
| 221 | 6684613 | 2.15 | 2.60 | |
| Conjunto de aisladores (antiguo 404-52200-90) | ||||
| 222 | 6684840 | 10.23 | 12.37 | |
| Junta del carburador (antiguo 402-0656a-20) | ||||
| 223 | 6684616 | 2.15 | 2.60 | |
| Placa de fijación del cable del acelerador (antigu | ||||
| 224 | 6684629 | 4.29 | 5.19 | |
| Junta del carburador (antiguo 402-0602K-21/6689836 | ||||
| 225 | 6684615 | 2.15 | 2.60 | |
| Juego de carburador | ||||
| 226 | 6684624 | 128.11 | 155.02 | |
| No hay información disponible, no se puede pedir | ||||
| 227 | 6684628 | |||
| Tornillo de orificio hexagonal 5x25/ws (antiguo 99 | ||||
| 228 | 6684617 | 2.15 | 2.60 | |
| Giratorio (antiguo 539-25120-20) | ||||
| 229 | 6684697 | 6.44 | 7.79 | |
| Tornillo de ajuste del acelerador (antiguo 548-251 | ||||
| 230 | 6684698 | 4.29 | 5.19 | |
| Anillo de parada (antiguo 489-25100-20) | ||||
| 231 | 6684696 | 2.15 | 2.60 | |
| O-RING (antiguo 550-25100-20) | ||||
| 232 | 6684695 | 4.29 | 5.19 | |
| No hay información disponible, no se puede pedir | ||||
| 233 | 6684854 | |||
| Cuerpo de la bomba comp. (antiguo 575-25608-80) | ||||
| 234 | 6684686 | 36.15 | 43.74 | |
| Ya no disponible, sin reemplazo | ||||
| 235 | 6684690 | |||
| Cuerpo de cebado (antiguo 447-25108-20) | ||||
| 236 | 6684689 | 6.44 | 7.79 | |
| Cubierta de diafragma (antiguo 476-25151-20) | ||||
| 237 | 6684688 | 8.58 | 10.38 | |
| Diafragma de bomba (antiguo 576-25100-20 & 6696325 | ||||
| 238 | 6684693 | 8.58 | 10.38 | |
| Junta de bomba (antiguo 577-25292-20 & 6696321) | ||||
| 239 | 6684692 | 29.19 | 35.32 | |
| Pantalla de entrada (antiguo 578-25007-20) | ||||
| 240 | 6684700 | 4.29 | 5.19 | |
| Junta de diafragma (antiguo 475-25153-20) | ||||
| 241 | 6684691 | 8.58 | 10.38 | |
| Bomba de cebado comp. (antiguo 442-25151-80) | ||||
| 242 | 6684687 | 16.34 | 19.77 | |
| Tornillo de ajuste (antiguo 548-25151-20 & 6696324 | ||||
| 243 | 6684699 | 2.15 | 2.60 | |
| Cuerpo del limpiador Comp. (antiguo 423-00070-81) | ||||
| 244 | 6684656 | 8.58 | 10.38 | |
| Válvula de estrangulación (viejo 528-07143-81) | ||||
| 245 | 6684657 | 4.29 | 5.19 | |
| No hay información disponible, no se puede pedir | ||||
| 246 | 6684658 | |||
| Collar 8 (antiguo 657-3252a-20) | ||||
| 247 | 6684659 | 2.15 | 2.60 | |
| Elemento del filtro de aire | ||||
| 248 | 6684654 | 2.15 | 2.60 | |
| Cubierta del filtro de aire | ||||
| 249 | 6684653 | 6.44 | 7.79 | |
| Arandela | ||||
| 250 | 6684661 | 2.15 | 2.60 | |
| Arandela (antiguo 992-10050-012) | ||||
| 251 | 6684662 | 2.15 | 2.60 | |
| Tornillo M5x60 (antiguo 990-11050-602) | ||||
| 252 | 6684660 | 2.15 | 2.60 | |
| Tornillo | ||||
| 253 | 6684655 | 6.44 | 7.79 | |
| No hay información disponible, no se puede pedir | ||||
| 254 | 6684853 | |||
| Tanque (blanco) (antiguo 591-52200-20) | ||||
| 271 | 6684621 | 19.06 | 23.07 | |
| Collar C (antiguo 659-04300-20) | ||||
| 272 | 6684623 | 2.15 | 2.60 | |
| Tubo de combustible Ass'y (antiguo 223-0097a-90) | ||||
| 273 | 6684618 | 4.29 | 5.19 | |
| Clip.6.3 Dia. (antiguo 680-00731-20) | ||||
| 274 | 6684619 | 2.15 | 2.60 | |
| No hay información disponible, no se puede pedir | ||||
| 275 | 6684620 | |||
| Tubo de combustible 3x5x65 (antiguo 700-03005-06) | ||||
| 276 | 6684626 | 2.15 | 2.60 | |
| Goma de retorno hasta 7.2014 (antigua 6684627) | ||||
| 277A | 6697846 | 1.04 | 1.26 | |
| Cadena de tapa del tanque | ||||
| 278A | 6698732 | 1.20 | 1.45 | |
| Ya no disponible, sin reemplazo | ||||
| 279A | 6698402 | |||
| Arandela | ||||
| 280 | 6684632 | 2.15 | 2.60 | |
| Arandela | ||||
| 281 | 6684633 | 2.15 | 2.60 | |
| No hay información disponible, no se puede pedir | ||||
| 282 | 6684631 | |||
| Soporte (antiguo 940-52200-20) | ||||
| 283 | 6684630 | 6.44 | 7.79 | |
| Tornillo de orificio hexagonal 5x25/ws (antiguo 99 | ||||
| 284 | 6684617 | 2.15 | 2.60 | |
| Perno con agujero hexagonal 5x20/ps (antiguo 994-6 | ||||
| 285 | 6684634 | 2.15 | 2.60 | |
| Ya no disponible, sin reemplazo | ||||
| 287 | 6698931 | |||
| Carrete (antiguo 787-33830-20) | ||||
| 302 | 6684760 | 15.58 | 18.85 | |
| Ojal (antiguo 788-33830-20) | ||||
| 303 | 6684762 | 4.29 | 5.19 | |
| Tapa del cuerpo de corte (antiguo 789-33830-20) | ||||
| 304 | 6684761 | 36.15 | 43.74 | |
| Tuerca de montaje L-m10x1.25 (antiguo 356-3383b-20 | ||||
| 305 | 6684756 | 9.08 | 10.98 | |
| Cuerpo de corte (antiguo 786-33830-20) | ||||
| 306 | 6684757 | 22.69 | 27.45 | |
| Tuerca especial (antigua 315-33830-20) | ||||
| 307 | 6684758 | 9.40 | 11.37 | |
| Resorte de carrete (antiguo 793-33830-20) | ||||
| 308 | 6684759 | 4.29 | 5.19 | |
| No hay información disponible, no se puede pedir | ||||
| 309 | 6684755 | |||
| Protector de bobinado (antiguo 307-37307-20) | ||||
| 310 | 6684763 | 4.29 | 5.19 | |
| No hay información disponible, no se puede pedir | ||||
| 501 | 6684764 | |||
| No hay información disponible, no se puede pedir | ||||
| 502A | 875769 | |||
| No hay información disponible, no se puede pedir | ||||
| 503 | 6684766 | |||
| No hay información disponible, no se puede pedir | ||||
| 504 | 6684767 | |||
| Cubierta del cortador (antiguo 615-37224-20/790290 | ||||
| 505B | 6684768 | 2.15 | 2.60 | |
| No hay información disponible, no se puede pedir | ||||
| 506 | 6684813 | |||
| No hay información disponible, no se puede pedir | ||||
| 507 | 6684855 | |||