Aquí encontrará todas las piezas y dibujos técnicos disponibles de 'Hikoki CG32EA'. Desde aquí podrá pedir todas las piezas deseadas directamente. Para muchas piezas de repuesto, es necesario pasar un pedido al fabricante. Dependiendo de la marca, el plazo de entrega puede variar entre una y cuatro semanas. Toda la información que tenemos está en nuestro sitio web. No podremos aconsejarle sobre lo que necesita hasta que entregue la máquina para su reparación. Tenga en cuenta lo siguiente a la hora de cursar su pedido:
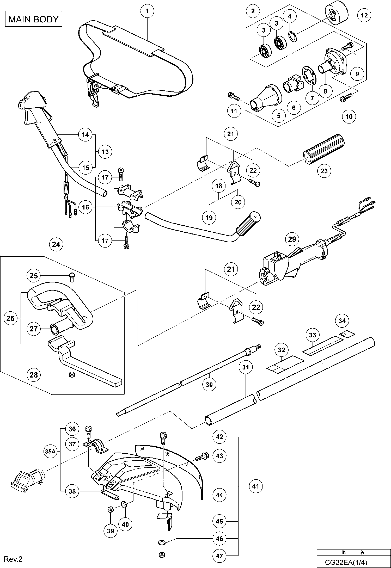
Dibujo técnico de los/las Hikoki CG32EA
Lista de las piezas de repuesto de Hikoki CG32EA
| Pos. | Descripción | Precio con el IVA excluido | Precio con el IVA incluido | |
| Los precios mostrados incluyen el IVA | ||||
| No hay información disponible, no se puede pedir | ||||
| 1 | 683002 | |||
| No hay información disponible, no se puede pedir | ||||
| 2 | 683125 | |||
| No hay información disponible, no se puede pedir | ||||
| 3 | 683127 | |||
| Anillo de retención H26 | ||||
| 4 | 683128 | 1.50 | 1.82 | |
| No hay información disponible, no se puede pedir | ||||
| 5 | 683132 | |||
| Buffer | ||||
| 6 | 683129 | 10.65 | 12.89 | |
| No hay información disponible, no se puede pedir | ||||
| 7 | 683130 | |||
| Carcasa del cojinete | ||||
| 8 | 683126 | 18.84 | 22.79 | |
| No hay información disponible, no se puede pedir | ||||
| 9 | 683131 | |||
| No hay información disponible, no se puede pedir | ||||
| 10 | 683001 | |||
| No hay información disponible, no se puede pedir | ||||
| 11 | 683014 | |||
| No hay información disponible, no se puede pedir | ||||
| 12 | 682981 | |||
| No hay información disponible, no se puede pedir | ||||
| 13 | 683140 | |||
| Gatillo del acelerador | ||||
| 14 | 683142 | 84.84 | 102.65 | |
| Manija B D16 R | ||||
| 15 | 683141 | 9.60 | 11.62 | |
| Soporte de manija Ass'y | ||||
| 16 | 683136 | 16.36 | 19.80 | |
| No hay información disponible, no se puede pedir | ||||
| 17 | 683014 | |||
| Ya no disponible, sin reemplazo | ||||
| 18 | 683137 | |||
| Ya no disponible, sin reemplazo | ||||
| 19 | 683138 | |||
| No hay información disponible, no se puede pedir | ||||
| 20 | 683139 | |||
| No hay información disponible, no se puede pedir | ||||
| 21 | 682985 | |||
| No hay información disponible, no se puede pedir | ||||
| 22 | 682986 | |||
| No hay información disponible, no se puede pedir | ||||
| 23 | 683135 | |||
| No hay información disponible, no se puede pedir | ||||
| 24 | 682987 | |||
| Ya no disponible, sin reemplazo | ||||
| 25 | 682990 | |||
| No hay información disponible, no se puede pedir | ||||
| 26 | 682988 | |||
| No hay información disponible, no se puede pedir | ||||
| 27 | 682989 | |||
| Tuerca M5 (10 piezas) (ANTIGUO 949555Z) | ||||
| 28 | 949555 | 1.05 | 1.27 | |
| No hay información disponible, no se puede pedir | ||||
| 29 | 683147 | |||
| Eje de transmisión Ass'y | ||||
| 30 | 683133 | 23.65 | 28.62 | |
| No hay información disponible, no se puede pedir | ||||
| 31 | 683146 | |||
| No hay información disponible, no se puede pedir | ||||
| 35A | 683143 | |||
| No hay información disponible, no se puede pedir | ||||
| 36 | 682994 | |||
| No hay información disponible, no se puede pedir | ||||
| 37 | 683144 | |||
| No hay información disponible, no se puede pedir | ||||
| 38 | 683145 | |||
| Tuerca M5 (10 piezas) (ANTIGUO 949555Z) | ||||
| 39 | 949555 | 1.05 | 1.27 | |
| Arandela Plana M5 | ||||
| 40 | 683000 | 1.65 | 2.00 | |
| Ya no disponible, sin reemplazo | ||||
| 41 | 682995 | |||
| No hay información disponible, no se puede pedir | ||||
| 42 | 682997 | |||
| Tornillo M5x15 | ||||
| 43 | 682999 | 1.65 | 2.00 | |
| No hay información disponible, no se puede pedir | ||||
| 44 | 682998 | |||
| No hay información disponible, no se puede pedir | ||||
| 45 | 682996 | |||
| Arandela de resorte M5 (10 piezas) | ||||
| 46 | 949454 | 1.04 | 1.26 | |
| Tuerca M5 (10 piezas) (ANTIGUO 949555Z) | ||||
| 47 | 949555 | 1.05 | 1.27 | |
| No hay información disponible, no se puede pedir | ||||
| 71 | 683019 | |||
| No hay información disponible, no se puede pedir | ||||
| 72 | 683148 | |||
| Perno M8 X 22 Wsw L.h. | ||||
| 73 | 683018 | 1.65 | 2.00 | |
| Estabilizador a excepción del modelo (l) | ||||
| 74 | 683017 | 4.80 | 5.81 | |
| Adaptador de Jefe | ||||
| 75 | 683016 | 4.35 | 5.26 | |
| Adaptador de Jefe | ||||
| 76 | 683015 | 9.30 | 11.25 | |
| ANILLO DE RETENCIÓN | ||||
| 77 | 683010 | 1.50 | 1.82 | |
| RODAMIENTO DE BOLAS | ||||
| 78 | 683009 | 8.70 | 10.53 | |
| Eje de la cuchilla | ||||
| 79 | 683153 | 25.44 | 30.78 | |
| RODAMIENTO DE BOLAS | ||||
| 80 | 683151 | 6.45 | 7.80 | |
| No hay información disponible, no se puede pedir | ||||
| 81 | 683150 | |||
| No hay información disponible, no se puede pedir | ||||
| 82 | 683014 | |||
| Caja de engranajes | ||||
| 83 | 683149 | 29.29 | 35.44 | |
| RODAMIENTO DE BOLAS | ||||
| 84 | 683154 | 25.44 | 30.78 | |
| No hay información disponible, no se puede pedir | ||||
| 85 | 683011 | |||
| No hay información disponible, no se puede pedir | ||||
| 86 | 683012 | |||
| No hay información disponible, no se puede pedir | ||||
| 87 | 683013 | |||
| No hay información disponible, no se puede pedir | ||||
| 88 | 683152 | |||
| CAP COVER | ||||
| 113 | 683164 | 2.46 | 2.98 | |
| MUFFLER COMPLETE | ||||
| 114 | 683161 | 11.94 | 14.45 | |
| GASKET COMPLETE | ||||
| 115 | 683162 | 7.14 | 8.64 | |
| No hay información disponible, no se puede pedir | ||||
| 116 | 683033 | |||
| Ya no disponible, sin reemplazo | ||||
| 117 | 683166 | |||
| TOP COVER | ||||
| 118 | 683165 | 15.51 | 18.77 | |
| Etiqueta de advertencia (b) | ||||
| 119 | 683351 | 3.30 | 3.99 | |
| GROMMET | ||||
| 120 | 683181 | 1.26 | 1.52 | |
| Bujía | ||||
| 121 | 683068 | 6.75 | 8.17 | |
| Conducto de aire | ||||
| 122 | 683160 | 3.00 | 3.63 | |
| No hay información disponible, no se puede pedir | ||||
| 123 | 683159 | |||
| No hay información disponible, no se puede pedir | ||||
| 124 | 683029 | |||
| No hay información disponible, no se puede pedir | ||||
| 125 | 683087 | |||
| CILINDRO | ||||
| 126 | 683157 | 151.66 | 183.51 | |
| No hay información disponible, no se puede pedir | ||||
| 127 | 683158 | |||
| Anillo de pistón | ||||
| 128 | 683172 | 6.45 | 7.80 | |
| PISTÓN | ||||
| 129 | 683171 | 26.68 | 32.28 | |
| Clip, Pasador del pistón | ||||
| 130 | 683175 | 1.50 | 1.82 | |
| No hay información disponible, no se puede pedir | ||||
| 131 | 683173 | |||
| No hay información disponible, no se puede pedir | ||||
| 132 | 683054 | |||
| No hay información disponible, no se puede pedir | ||||
| 133 | 683056 | |||
| No hay información disponible, no se puede pedir | ||||
| 134 | 683055 | |||
| Conjunto de cordón | ||||
| 135 | 683058 | 15.13 | 18.30 | |
| No hay información disponible, no se puede pedir | ||||
| 136 | 683061 | |||
| Tapa del enchufe | ||||
| 137 | 683060 | 4.35 | 5.26 | |
| No hay información disponible, no se puede pedir | ||||
| 138 | 683059 | |||
| No hay información disponible, no se puede pedir | ||||
| 139 | 683063 | |||
| No hay información disponible, no se puede pedir | ||||
| 140 | 683062 | |||
| BOBINA | ||||
| 141 | 683057 | 69.99 | 84.68 | |
| No hay información disponible, no se puede pedir | ||||
| 142 | 683067 | |||
| No hay información disponible, no se puede pedir | ||||
| 143 | 683066 | |||
| Perno (1) | ||||
| 144 | 683050 | 3.00 | 3.63 | |
| No hay información disponible, no se puede pedir | ||||
| 145 | 683052 | |||
| EMBRAGUE DE DESLIZAMIENTO COMPLETO | ||||
| 146 | 683177 | 32.18 | 38.93 | |
| Embrague de primavera | ||||
| 147 | 683179 | 4.80 | 5.81 | |
| Zapato de embrague | ||||
| 148 | 683178 | 12.75 | 15.43 | |
| No hay información disponible, no se puede pedir | ||||
| 149 | 683065 | |||
| No hay información disponible, no se puede pedir | ||||
| 150 | 683051 | |||
| Sello de aceite | ||||
| 151 | 683169 | 3.30 | 3.99 | |
| CRANK | ||||
| 152 | 683167 | 54.50 | 65.94 | |
| ANILLO DE RETENCIÓN | ||||
| 153 | 683170 | 1.65 | 2.00 | |
| No hay información disponible, no se puede pedir | ||||
| 154 | 683168 | |||
| No hay información disponible, no se puede pedir | ||||
| 155 | 683064 | |||
| RODAMIENTO DE AGUJAS | ||||
| 156 | 683174 | 9.60 | 11.62 | |
| No hay información disponible, no se puede pedir | ||||
| 157 | 683040 | |||
| SCREEN | ||||
| 158 | 683194 | 1.26 | 1.52 | |
| Cigüeñal | ||||
| 159 | 683176 | 121.96 | 147.57 | |
| No hay información disponible, no se puede pedir | ||||
| 160 | 683039 | |||
| No hay información disponible, no se puede pedir | ||||
| 161 | 683069 | |||
| No hay información disponible, no se puede pedir | ||||
| 162 | 683180 | |||
| No hay información disponible, no se puede pedir | ||||
| 163 | 683087 | |||
| No hay información disponible, no se puede pedir | ||||
| 164 | 683088 | |||
| No hay información disponible, no se puede pedir | ||||
| 165 | 683182 | |||
| No hay información disponible, no se puede pedir | ||||
| 166 | 683190 | |||
| No hay información disponible, no se puede pedir | ||||
| 167 | 683193 | |||
| Resorte de retorno | ||||
| 168 | 683192 | 1.65 | 2.00 | |
| TRINQUETE | ||||
| 169 | 683191 | 4.80 | 5.81 | |
| Conjunto de retroceso | ||||
| 170 | 683183 | 37.95 | 45.92 | |
| SCREW | ||||
| 171 | 683189 | 1.26 | 1.52 | |
| No hay información disponible, no se puede pedir | ||||
| 172 | 683188 | |||
| SPIRAL SPRING | ||||
| 173 | 683187 | 10.50 | 12.70 | |
| ROPE ASS'Y | ||||
| 174 | 683184 | 10.50 | 12.70 | |
| KOORD | ||||
| 175 | 683186 | 3.60 | 4.36 | |
| Empuñadura de arranque | ||||
| 176 | 683185 | 4.35 | 5.26 | |
| TORNILLO DE TAPA | ||||
| 177 | 683163 | 1.50 | 1.82 | |
| Junta | ||||
| 201 | 683104 | 1.50 | 1.82 | |
| Carburador Ass'y | ||||
| 202 | 683195 | 180.26 | 218.12 | |
| SCREW | ||||
| 203 | 683199 | 6.30 | 7.62 | |
| No hay información disponible, no se puede pedir | ||||
| 204 | 683083 | |||
| Tornillo | ||||
| 205 | 683197 | 5.85 | 7.08 | |
| BRACKET | ||||
| 206 | 683198 | 8.88 | 10.74 | |
| No hay información disponible, no se puede pedir | ||||
| 207 | 683102 | |||
| RING | ||||
| 208 | 683201 | 1.26 | 1.52 | |
| No hay información disponible, no se puede pedir | ||||
| 209 | 683101 | |||
| FRAME | ||||
| 210 | 683200 | 5.52 | 6.68 | |
| No hay información disponible, no se puede pedir | ||||
| 211 | 683090 | |||
| MAIN JET | ||||
| 212 | 683196 | 5.52 | 6.68 | |
| Junta | ||||
| 213 | 683092 | 5.85 | 7.08 | |
| No hay información disponible, no se puede pedir | ||||
| 214 | 683093 | |||
| No hay información disponible, no se puede pedir | ||||
| 215 | 683094 | |||
| Junta | ||||
| 216 | 683095 | 5.85 | 7.08 | |
| DIAFRAGMA | ||||
| 217 | 683096 | 20.76 | 25.12 | |
| No hay información disponible, no se puede pedir | ||||
| 218 | 683097 | |||
| No hay información disponible, no se puede pedir | ||||
| 219 | 683098 | |||
| Cubierta de la bomba | ||||
| 220 | 683099 | 7.05 | 8.53 | |
| No hay información disponible, no se puede pedir | ||||
| 221 | 683100 | |||
| No hay información disponible, no se puede pedir | ||||
| 222 | 683202 | |||
| SLEEVE | ||||
| 223 | 683207 | 2.46 | 2.98 | |
| CARCASA | ||||
| 224 | 683203 | 8.40 | 10.16 | |
| Valvula de estrangulación | ||||
| 225 | 683208 | 7.95 | 9.62 | |
| Arandela | ||||
| 226 | 683206 | 3.00 | 3.63 | |
| PLATE | ||||
| 227 | 683209 | 3.60 | 4.36 | |
| No hay información disponible, no se puede pedir | ||||
| 228 | 683205 | |||
| Cubierta del Limpiador de Aire | ||||
| 229 | 683204 | 8.25 | 9.98 | |
| No hay información disponible, no se puede pedir | ||||
| 230 | 683110 | |||
| Clip BHC 18 | ||||
| 231 | 683122 | 1.65 | 2.00 | |
| Depósito de Combustible Ass'y | ||||
| 232 | 683210 | 81.68 | 98.83 | |
| Tubo de combustible L220 | ||||
| 233 | 683212 | 14.44 | 17.47 | |
| No hay información disponible, no se puede pedir | ||||
| 234 | 683213 | |||
| Tubo de combustible L220 | ||||
| 235 | 683214 | 1.50 | 1.82 | |
| OJAL | ||||
| 236 | 683118 | 4.35 | 5.26 | |
| Tubo de retorno 3x6x85 | ||||
| 237 | 683120 | 1.50 | 1.82 | |
| Filtro de combustible completo | ||||
| 238 | 683121 | 6.45 | 7.80 | |
| Clip BHC 18 | ||||
| 239 | 683122 | 1.65 | 2.00 | |
| Respiradero | ||||
| 240 | 683115 | 10.80 | 13.07 | |
| No hay información disponible, no se puede pedir | ||||
| 241 | 683211 | |||
| Tapa del tanque completa | ||||
| 242 | 683113 | 7.65 | 9.26 | |
| No hay información disponible, no se puede pedir | ||||
| 243 | 683114 | |||
| Almohadilla | ||||
| 244 | 683215 | 1.65 | 2.00 | |
| No hay información disponible, no se puede pedir | ||||
| 245 | 683216 | |||
| No hay información disponible, no se puede pedir | ||||
| 501 | 683155 | |||
| No hay información disponible, no se puede pedir | ||||
| 502 | 683156 | |||
| No hay información disponible, no se puede pedir | ||||
| 503 | 683020 | |||
| No hay información disponible, no se puede pedir | ||||
| 504 | 683021 | |||
| Ya no disponible, sin reemplazo | ||||
| 505 | 683022 | |||
| Ya no disponible, sin reemplazo | ||||
| 506 | 683023 | |||
| No hay información disponible, no se puede pedir | ||||
| 601 | 682975 | |||