Aquí encontrará todas las piezas y dibujos técnicos disponibles de 'Hikoki CG40EJ'. Desde aquí podrá pedir todas las piezas deseadas directamente. Para muchas piezas de repuesto, es necesario pasar un pedido al fabricante. Dependiendo de la marca, el plazo de entrega puede variar entre una y cuatro semanas. Toda la información que tenemos está en nuestro sitio web. No podremos aconsejarle sobre lo que necesita hasta que entregue la máquina para su reparación. Tenga en cuenta lo siguiente a la hora de cursar su pedido:
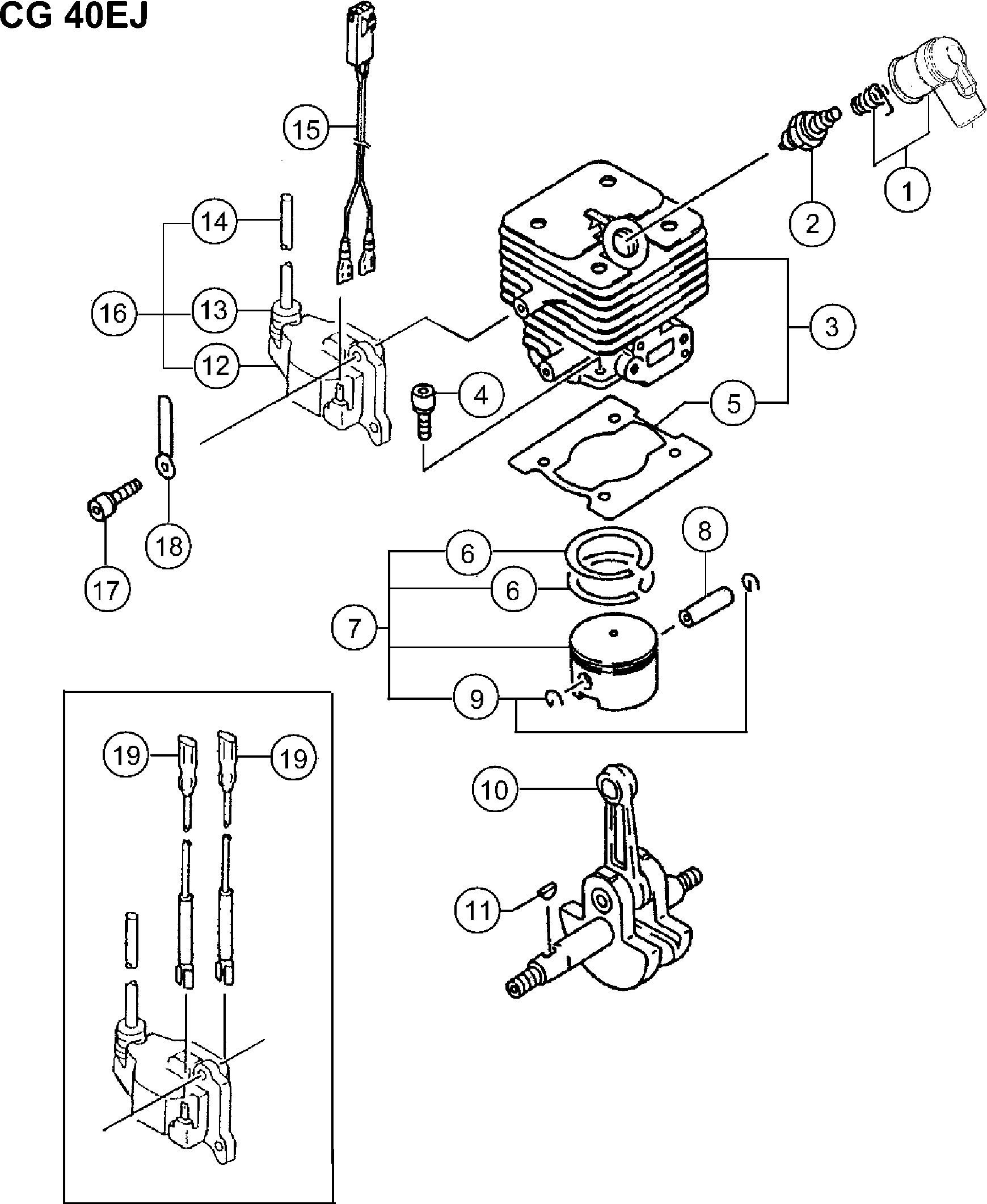
Dibujo técnico de los/las Hikoki CG40EJ
Lista de las piezas de repuesto de Hikoki CG40EJ
| Pos. | Descripción | Precio con el IVA excluido | Precio con el IVA incluido | |
| Los precios mostrados incluyen el IVA | ||||
| Conjunto de tapa de bujía (antiguo 157-01570-90/66 | ||||
| 1 | 6687468 | 2.31 | 2.80 | |
| Ensamble de bujía Bpmr6a (antiguo 6685086) | ||||
| 2 | 6699319 | 8.91 | 10.78 | |
| Ensamble de bujía (antiguo 6685085) | ||||
| 2 | 6699317 | 6.76 | 8.18 | |
| Conjunto de cilindros (antiguo 001-04300-90) | ||||
| 3 | 6685474 | 54.30 | 65.70 | |
| No hay información disponible, no se puede pedir | ||||
| 4 | 6684668 | |||
| Junta de cilindro (antiguo 017-0430a-20/790115) | ||||
| 5 | 6685740 | 2.31 | 2.80 | |
| Anillo de pistón (antiguo 041-04050-20) | ||||
| 6 | 6686123 | 4.45 | 5.38 | |
| Conjunto de pistón (antiguo 030-0423z-90) | ||||
| 7 | 6685888 | 26.16 | 31.66 | |
| Pasador de pistón 10x30 (antiguo 037-01000-20) | ||||
| 8 | 6686007 | 2.31 | 2.80 | |
| Circlip de pin de pistón (antiguo 039-05004-20/790 | ||||
| 9 | 6686032 | 1.15 | 1.39 | |
| Cigüeñal Comp. (antiguo 046-04300-80/790113) | ||||
| 10 | 6686191 | 84.40 | 102.12 | |
| Chaveta Wood-ruff 3x13x5 (antiguo 068-02000-20/790 | ||||
| 11 | 6686457 | 1.15 | 1.39 | |
| Bobina | ||||
| 12 | 6687655 | 36.15 | 43.74 | |
| Tapa de Goma | ||||
| 13 | 6684602 | 2.15 | 2.60 | |
| Cable de alta tensión (antiguo 178-20543-22/668788 | ||||
| 14 | 6687885 | 1.15 | 1.39 | |
| Ensamblaje de cable principal (antiguo 191-04329-9 | ||||
| 15 | 6687969 | 4.45 | 5.38 | |
| Ensamblaje de cable principal | ||||
| 15 | 6687970 | 4.45 | 5.38 | |
| Bobina (antigua 167-20543-91 & 6687656) | ||||
| 16 | 6687657 | 30.25 | 36.60 | |
| Tornillo con agujero hexagonal M4x18/ws (antiguo 9 | ||||
| 17 | 6684599 | 2.15 | 2.60 | |
| Componente de abrazadera de cuerda (antiguo 198-11 | ||||
| 18 | 6688011 | 1.15 | 1.39 | |
| No hay información disponible, no se puede pedir | ||||
| 19 | 6687853 | |||
| Cubierta de la bujía (antiguo 257-04300-20) | ||||
| 21 | 6688346 | 3.30 | 3.99 | |
| Perno con agujero hexagonal 5x20/ps (antiguo 994-6 | ||||
| 22 | 6684634 | 2.15 | 2.60 | |
| Pequeña Tuerca 10 (antiguo 991-11100-013/6695138/7 | ||||
| 23 | 6695139 | 1.05 | 1.27 | |
| Caja de manivela (antigua 072-04300-90) | ||||
| 24 | 6686556 | 58.39 | 70.65 | |
| Caja de manivela (antigua 072-04304-90) Nuevo | ||||
| 24 | 6686557 | 58.39 | 70.65 | |
| Ya no disponible, sin reemplazo | ||||
| 25 | 6686714 | |||
| Sello de aceite | ||||
| 26 | 6695637 | 3.30 | 3.99 | |
| No hay información disponible, no se puede pedir | ||||
| 27 | 6695557 | |||
| Calza de cigüeñal 0.20 (antigua 071-02007-23) | ||||
| 28 | 6686472 | 1.15 | 1.39 | |
| Calza de cigüeñal 0.30 (antigua 071-02007-24) | ||||
| 28 | 6686473 | 1.15 | 1.39 | |
| Perno de cabeza hueca hexagonal M5x30 S (antiguo 9 | ||||
| 29 | 6684786 | 2.15 | 2.60 | |
| Roto Magneto Comp. | ||||
| 30 | 6687372 | 19.96 | 24.15 | |
| Arandela | ||||
| 31 | 6695198 | 1.15 | 1.39 | |
| No hay información disponible, no se puede pedir | ||||
| 32 | 6695138 | |||
| Carcasa del ventilador | ||||
| 33 | 6686982 | 22.24 | 26.91 | |
| No hay información disponible, no se puede pedir | ||||
| 34 | 6684668 | |||
| Goma de cable principal (ancien 203-11660-20) | ||||
| 35 | 6688057 | 1.15 | 1.39 | |
| Arandela | ||||
| 36 | 6685226 | 1.15 | 1.39 | |
| Juntura de admisión (antiguo 403-04300-20/790156) | ||||
| 41 | 6689885 | 2.31 | 2.80 | |
| CONJUNTO DE AISLANTES DE CARB., RECAMBIO (VIEJO 40 | ||||
| 42 | 6689955 | 8.91 | 10.78 | |
| Aislante de carburador (viejo 404-04304-90) | ||||
| 42 | 6689956 | 6.60 | 7.99 | |
| Junta de carburador (antiguo 402-04300-20/790158) | ||||
| 43 | 6689833 | 1.15 | 1.39 | |
| Collar (antiguo 470-01380-20) | ||||
| 45 | 6690802 | 2.31 | 2.80 | |
| Cuerpo de limpiador Comp. (antiguo 423-01380-82/66 | ||||
| 46 | 6690099 | 5.28 | 6.38 | |
| Válvula de Estrangulamiento (antigua 528-01380-21) | ||||
| 47 | 6691258 | 1.15 | 1.39 | |
| Placa de verificación de soplado (antiguo 476-0170 | ||||
| 48 | 6690843 | 1.15 | 1.39 | |
| Elemento del filtro de aire | ||||
| 49 | 6690352 | 1.15 | 1.39 | |
| No hay información disponible, no se puede pedir | ||||
| 50 | 6684658 | |||
| Cubierta del filtro de aire | ||||
| 51 | 6690397 | 3.30 | 3.99 | |
| Tornillo especial (antiguo 380-0637c-20) | ||||
| 52 | 6689737 | 1.15 | 1.39 | |
| Tornillo M5x57/s (antiguo 994-14050-571/790190) | ||||
| 53 | 6695353 | 1.15 | 1.39 | |
| Juego de carburador | ||||
| 54 | 6690470 | 84.40 | 102.12 | |
| Juego de carburador | ||||
| 54 | 6690474 | 72.30 | 87.48 | |
| Tornillo hexagonal de 5 x 25ws (antiguo 994-64050- | ||||
| 55 | 6695515 | 1.15 | 1.39 | |
| Tubo de combustible 3x5x230 | ||||
| 56 | 6688166 | 4.29 | 5.19 | |
| Clip D6 (antiguo 680-00070-20) | ||||
| 57A | 6685198 | 1.15 | 1.39 | |
| No hay información disponible, no se puede pedir | ||||
| 58A | 6684620 | |||
| Tanque (antiguo 591-0430c-22/6691532) | ||||
| 59 | 6691533 | 11.55 | 13.98 | |
| Collar C (antiguo 659-04300-20) | ||||
| 60 | 6684623 | 2.15 | 2.60 | |
| Tapa del tanque D Ass'y, negra (antiguo 595-06516- | ||||
| 61 | 6691763 | 7.59 | 9.18 | |
| Tapa del tanque D Ass'y, negro (antiguo 595-00073- | ||||
| 62 | 6691715 | 6.60 | 7.99 | |
| Perno con agujero hexagonal 5x20/ps (antiguo 994-6 | ||||
| 63 | 6684634 | 2.15 | 2.60 | |
| Lecho del Motor (Antiguo 940-04300-20) | ||||
| 66 | 6694785 | 4.95 | 5.99 | |
| Ya no disponible, sin reemplazo | ||||
| 67 | 6684880 | |||
| Ya no disponible, sin reemplazo | ||||
| 68 | 6688156 | |||
| No hay información disponible, no se puede pedir | ||||
| 69 | 6684625 | |||
| Arandela M5 (old 992-01050-061) | ||||
| 70 | 6684918 | 2.15 | 2.60 | |
| Perno de orificio hexagonal 5x22/s (modelo anterio | ||||
| 71 | 6695492 | 1.15 | 1.39 | |
| Ensamblaje del filtro de la bomba | ||||
| 72 | 6601175 | 3.14 | 3.80 | |
| Juego de carburador | ||||
| 73 | 6690473 | 80.31 | 97.18 | |
| Junta de carburador (antiguo 402-01740-20/6689844) | ||||
| 74 | 6689826 | 1.15 | 1.39 | |
| Tapa giratoria (antiguo 560-07120-21/6684628) | ||||
| 75 | 6691337 | 1.15 | 1.39 | |
| Protector de silenciador (antiguo 738-04300-20) | ||||
| 81 | 6692780 | 11.55 | 13.98 | |
| Tornillo de Cabeza Hexagonal M5x12 / s (antiguo 99 | ||||
| 82 | 6684667 | 2.15 | 2.60 | |
| Tornillo de agujero hexagonal 5x15ws (antiguo 994- | ||||
| 83 | 6695512 | 1.15 | 1.39 | |
| Tornillo Hex. Orificio 6x65 (antiguo 990-51060-653 | ||||
| 84 | 6695067 | 1.15 | 1.39 | |
| Arandela | ||||
| 85 | 6684639 | 2.15 | 2.60 | |
| No hay información disponible, no se puede pedir | ||||
| 86 | 6692468 | |||
| Arandela M5 (old 992-01050-061) | ||||
| 87 | 6684918 | 2.15 | 2.60 | |
| Junta del silenciador (antiguo 737-04230-20) | ||||
| 88 | 6692741 | 1.15 | 1.39 | |
| Escudo térmico | ||||
| 89 | 6687243 | 3.30 | 3.99 | |
| No hay información disponible, no se puede pedir | ||||
| 90 | 6699556 | |||
| Arandela | ||||
| 91 | 6689645 | 1.15 | 1.39 | |
| Forro de embrague completo | ||||
| 92 | 6688614 | 7.93 | 9.59 | |
| Muelle de embrague (antiguo 342-04200-20) | ||||
| 93 | 6689428 | 1.15 | 1.39 | |
| Arandela | ||||
| 94 | 6695203 | 1.15 | 1.39 | |
| Perno de paso de embrague | ||||
| 95 | 6689632 | 3.30 | 3.99 | |
| Montaje de Cuerpo de Arrancador de Retroceso | ||||
| 101A | 6697645 | 21.78 | 26.35 | |
| Cuerpo de arranque de retroceso Comp. (antiguo 772 | ||||
| 102 | 6693025 | 14.19 | 17.17 | |
| Cuerpo de arranque de retroceso Comp. | ||||
| 102A | 6697646 | 11.71 | 14.17 | |
| Carrete de cuerda de arranque (antiguo 769-04220-2 | ||||
| 103 | 6693007 | 4.95 | 5.99 | |
| Carrete de cuerda de arranque | ||||
| 103A | 6697647 | 4.13 | 4.99 | |
| Resorte de retroceso (antiguo 779-04220-20) | ||||
| 104 | 6693114 | 9.08 | 10.98 | |
| STARTER SPRING | ||||
| 104A | 6697648 | 7.08 | 8.57 | |
| Cuerda de arranque (antigua 783-04270-20/6693164) | ||||
| 105 | 6693165 | 3.30 | 3.99 | |
| STARTER ROPE | ||||
| 105A | 6697649 | 2.64 | 3.19 | |
| Manija de inicio | ||||
| 106 | 6693607 | 2.31 | 2.80 | |
| Manija de inicio | ||||
| 107 | 6693232 | 3.30 | 3.99 | |
| Manija de inicio | ||||
| 107A | 6697650 | 2.80 | 3.39 | |
| Tornillo de ajuste (antiguo 839-04220-20) | ||||
| 108 | 6693634 | 1.15 | 1.39 | |
| Trinquete de arranque (antiguo 788-0162v-20) | ||||
| 109 | 6693302 | 2.31 | 2.80 | |
| No hay información disponible, no se puede pedir | ||||
| 109A | 6697643 | |||
| Anillo de retención D4e (antiguo 993-55040-001) | ||||
| 110 | 6685101 | 1.15 | 1.39 | |
| Perno con agujero hexagonal 5x20/ps (antiguo 994-6 | ||||
| 111 | 6684634 | 2.15 | 2.60 | |
| Muelle de arranque (antiguo 790-0162v-20) | ||||
| 112 | 6693345 | 2.31 | 2.80 | |
| No hay información disponible, no se puede pedir | ||||
| 112A | 6697642 | |||
| Polea de inicio (antiguo 798-04220-90) | ||||
| 113 | 6693395 | 11.05 | 13.37 | |
| Polea de arranque | ||||
| 113A | 6697644 | 11.05 | 13.37 | |
| Cuerpo de bomba comp. (antiguo 575-25153-80) | ||||
| 121 | 6684879 | 62.16 | 75.22 | |
| Bomba de cebado comp. (antiguo 442-25151-80) | ||||
| 122 | 6684687 | 16.34 | 19.77 | |
| Cubierta de diafragma (antiguo 476-25151-20) | ||||
| 123 | 6684688 | 8.58 | 10.38 | |
| Cuerpo de cebado (antiguo 447-25108-20) | ||||
| 124 | 6684689 | 6.44 | 7.79 | |
| Membrana de medición Comp. (antiguo 474-25001-80/6 | ||||
| 125 | 6690827 | 11.71 | 14.17 | |
| Junta de diafragma (antiguo 475-25153-20) | ||||
| 126 | 6684691 | 8.58 | 10.38 | |
| Diafragma de bomba (antiguo 576-25100-20 & 6696325 | ||||
| 127 | 6684693 | 8.58 | 10.38 | |
| Junta de bomba (viejo 577-25100-20) | ||||
| 128 | 6691457 | 7.10 | 8.59 | |
| Main Jet #51 (viejo 599-2000w-51) | ||||
| 129 | 6696382 | 9.58 | 11.59 | |
| O-RING (antiguo 550-25100-20) | ||||
| 130 | 6684695 | 4.29 | 5.19 | |
| Anillo de parada (antiguo 489-25100-20) | ||||
| 131 | 6684696 | 2.15 | 2.60 | |
| Giratorio (antiguo 539-25120-20) | ||||
| 132 | 6684697 | 6.44 | 7.79 | |
| Tornillo de Ajuste del Acelerador (antiguo 514-251 | ||||
| 133 | 6684870 | 2.15 | 2.60 | |
| Regulador de Cable (antiguo 544-25164-20) | ||||
| 134 | 6684873 | 6.44 | 7.79 | |
| Tuerca de Bloqueo M6 (antiguo 991-01060-013) | ||||
| 135 | 6684872 | 2.15 | 2.60 | |
| Ajustador de Cable (antiguo 614-25137-20) | ||||
| 136 | 6684871 | 4.29 | 5.19 | |
| Empaquetadura del Limpiador (antiguo 431-0634c-20) | ||||
| 137 | 6684875 | 4.29 | 5.19 | |
| Tornillo de ajuste (antiguo 548-25151-20 & 6696324 | ||||
| 138 | 6684699 | 2.15 | 2.60 | |
| Arandela (antiguo 549-25165-20) | ||||
| 139 | 6684874 | 2.15 | 2.60 | |
| Pantalla de entrada (antiguo 578-25007-20) | ||||
| 140 | 6684700 | 4.29 | 5.19 | |
| Componente de válvula de aceleración (viejo 488-25 | ||||
| 141 | 6690944 | 24.20 | 29.28 | |
| Pantalla de entrada (antiguo 578-25007-20) | ||||
| 151 | 6684700 | 4.29 | 5.19 | |
| Cuerpo de la bomba (antiguo 575-25006-20) | ||||
| 152 | 6691416 | 8.91 | 10.78 | |
| Tornillo (antiguo 514-25001-20) | ||||
| 153 | 6685210 | 1.15 | 1.39 | |
| Junta de bomba (viejo 577-25006-20) | ||||
| 154 | 6691454 | 2.31 | 2.80 | |
| Diafragma de la bomba (antiguo 576-25006-20) | ||||
| 155 | 6685213 | 4.45 | 5.38 | |
| Empaquetadura de diafragma (antiguo 475-25016-20) | ||||
| 156 | 6690839 | 2.31 | 2.80 | |
| Membrana de medición Comp. (antiguo 474-25001-80/6 | ||||
| 157 | 6690827 | 11.71 | 14.17 | |
| Comp. de purga de aire (antiguo 454-25112-80) | ||||
| 158 | 6690436 | 14.35 | 17.36 | |
| Cubierta del diafragma para (l) (antigua 476-25016 | ||||
| 159 | 6690859 | 2.31 | 2.80 | |
| Cuerpo de cebado (antiguo 447-25108-20) | ||||
| 160 | 6684689 | 6.44 | 7.79 | |
| Resorte de válvula (antiguo 477-25088-20) | ||||
| 161 | 6690873 | 4.45 | 5.38 | |
| Válvula de aguja (antiguo 603-25012-20) | ||||
| 162 | 6685215 | 5.28 | 6.38 | |
| Palanca de control (antiguo 473-25001-20) | ||||
| 163 | 6685217 | 3.30 | 3.99 | |
| Tornillo de fijación de pasador de bisagra (antigu | ||||
| 164 | 6685218 | 2.31 | 2.80 | |
| Pasador de bisagra (antiguo 605-25001-20) | ||||
| 165 | 6685219 | 1.15 | 1.39 | |
| Tornillo de ajuste de ralentí (antiguo 462-25006-2 | ||||
| 166 | 6690736 | 3.30 | 3.99 | |
| Resorte de ajuste en ralentí (antiguo 463-25012-20 | ||||
| 167 | 6690766 | 2.31 | 2.80 | |
| Tornillo de fijación (antiguo 548-25016-20) Nuevo | ||||
| 168 | 6691310 | 1.15 | 1.39 | |
| Eje de embrague comp. (antiguo 289-37491-80) | ||||
| 171 | 6688607 | 15.28 | 18.48 | |
| Anillo de parada interno C-32, antiguo no. de piez | ||||
| 172 | 6695295 | 1.15 | 1.39 | |
| Rodamiento de bolas #6002zz | ||||
| 173 | 6695537 | 7.10 | 8.59 | |
| Arandela | ||||
| 174 | 6689185 | 1.15 | 1.39 | |
| Anillo de parada C-15, exterior (antiguo 993-50015 | ||||
| 175 | 6695285 | 1.15 | 1.39 | |
| Anillo de Parada C-45, Externo (viejo 993-53045-00 | ||||
| 176 | 6695305 | 3.30 | 3.99 | |
| Carcasa del embrague (antiguo 331-37867-20) | ||||
| 177 | 6689229 | 20.11 | 24.34 | |
| Carcasa del embrague (antiguo 331-37491-20) Nuevo | ||||
| 177 | 6689227 | 13.50 | 16.34 | |
| Cojín de goma (antiguo 599-37491-20) | ||||
| 178 | 6691905 | 5.28 | 6.38 | |
| Soporte de tubo (antiguo 360-37857-20) | ||||
| 179 | 6689663 | 9.08 | 10.98 | |
| Tornillo con agujero hexagonal 5x10 (antiguo 990-5 | ||||
| 180 | 6695042 | 1.15 | 1.39 | |
| Tornillo de orificio hexagonal 6x30 (antiguo 990-5 | ||||
| 181 | 6695082 | 1.15 | 1.39 | |
| No hay información disponible, no se puede pedir | ||||
| 182 | 6695499 | |||
| Arandela | ||||
| 183 | 6684826 | 2.15 | 2.60 | |
| Tornillo 5x10 ws (antiguo 994-16050-101/6695473) | ||||
| 184 | 6695413 | 1.15 | 1.39 | |
| No hay información disponible, no se puede pedir | ||||
| 185 | 6695499 | |||
| No hay información disponible, no se puede pedir | ||||
| 191 | 6688586 | |||
| Rodamiento de bolas #6202z | ||||
| 192 | 6695559 | 6.44 | 7.79 | |
| Anillo de parada C-15, exterior (antiguo 993-50015 | ||||
| 193 | 6695285 | 1.15 | 1.39 | |
| Caja de embrague (antiguo 331-04300-20) | ||||
| 194 | 6689194 | 14.53 | 17.58 | |
| Caucho de cojín (antiguo 599-04300-20) | ||||
| 195 | 6691829 | 4.45 | 5.38 | |
| Tornillo con agujero hexagonal 5x16 (antiguo 990-5 | ||||
| 196 | 6695046 | 1.15 | 1.39 | |
| Tornillo de cabeza hexagonal M6x20 (antiguo 990-53 | ||||
| 197 | 6685064 | 1.15 | 1.39 | |
| Perno con orificio hexagonal 5 X 25 (antiguo 990-5 | ||||
| 198 | 6695091 | 1.15 | 1.39 | |
| Sujetador de tubo (antiguo 360-04300-21) | ||||
| 199 | 6689655 | 3.30 | 3.99 | |
| Arandela M5 (old 992-01050-061) | ||||
| 200 | 6684918 | 2.15 | 2.60 | |
| Accesorio de metal (antiguo 361-00990-20) | ||||
| 201 | 6689664 | 3.30 | 3.99 | |
| Eje de transmisión 1542l (antiguo 343-37867-20/669 | ||||
| 211 | 6689474 | 22.24 | 26.91 | |
| Tubo de dirección | ||||
| 212 | 6689404 | 40.24 | 48.69 | |
| Casquillo Ass'y (antiguo 347-37867-90/790248/79024 | ||||
| 213 | 6689524 | 2.31 | 2.80 | |
| Anilla de fijación para arnés | ||||
| 214 | 6689278 | 12.88 | 15.58 | |
| Ensamblaje de metal de elevación (antiguo 335-3785 | ||||
| 215 | 6689279 | 5.11 | 6.19 | |
| Soporte de fijación del colgador (antiguo 337-3785 | ||||
| 216 | 6689293 | 2.31 | 2.80 | |
| Tornillo hexagonal de 5 x 25ws (antiguo 994-64050- | ||||
| 217 | 6695515 | 1.15 | 1.39 | |
| Mango de agarre (antiguo 165-37590-20) | ||||
| 218 | 6684708 | 6.44 | 7.79 | |
| Perilla de mango Comp. (viejo 512-37867-80) | ||||
| 219 | 6691208 | 2.31 | 2.80 | |
| Arandela | ||||
| 220 | 6692955 | 1.15 | 1.39 | |
| Soporte de Asa A (viejo 506-37867-20) | ||||
| 221 | 6691144 | 11.55 | 13.98 | |
| Soporte de asa B (antiguo 507-37175-20) | ||||
| 222 | 6691150 | 4.95 | 5.99 | |
| Cojín de goma (antiguo 510-37867-20) | ||||
| 223 | 6691190 | 2.31 | 2.80 | |
| Soporte de mango C (antiguo 508-37867-20) | ||||
| 224 | 6691175 | 3.30 | 3.99 | |
| Soporte de asa B (antiguo 507-37867-20) Para Europ | ||||
| 225 | 6691160 | 4.45 | 5.38 | |
| Tornillo hexagonal de 5 x 25ws (antiguo 994-64050- | ||||
| 226 | 6695515 | 1.15 | 1.39 | |
| No hay información disponible, no se puede pedir | ||||
| 227 | 6689291 | |||
| Ya no disponible, sin reemplazo | ||||
| 228 | 6688024 | |||
| HANDLE LEFT ASS'Y (OLD 502-37867-90/6696093) | ||||
| 229 | 6691089 | 14.68 | 17.76 | |
| Tubo de Protección (viejo 164-07086-50) | ||||
| 230 | 6687546 | 2.31 | 2.80 | |
| Manija derecha (antigua 501-37867-20) | ||||
| 231 | 6691080 | 13.53 | 16.37 | |
| Palanca del acelerador Ass'y 19 | ||||
| 232 | 6693766 | 42.20 | 51.06 | |
| Palanca de seguridad (viejo 253-38400-20) | ||||
| 233 | 6684721 | 6.44 | 7.79 | |
| Resorte de retorno (antiguo 832-38400-20) | ||||
| 234 | 6684722 | 2.15 | 2.60 | |
| Palanca del acelerador (antiguo 880-38401-20) | ||||
| 235 | 6684723 | 10.23 | 12.37 | |
| Tornillo M4x20 (negro) (antiguo 993-46040-202) | ||||
| 236 | 6684725 | 2.15 | 2.60 | |
| Tornillo 5x30 (negro) (antiguo 994-31050-303) | ||||
| 237 | 6684726 | 2.15 | 2.60 | |
| No hay información disponible, no se puede pedir | ||||
| 238 | 6684727 | |||
| Interruptor de parada (antiguo 156-38401-81) | ||||
| 239 | 6687461 | 13.86 | 16.77 | |
| Cable del acelerador (antiguo 887-38401-80) | ||||
| 240 | 6694023 | 12.54 | 15.17 | |
| Cable del acelerador | ||||
| 241 | 6693980 | 28.14 | 34.05 | |
| Eje de transmisión (antiguo 343-37875-20) | ||||
| 251 | 6689475 | 22.24 | 26.91 | |
| Ya no disponible, sin reemplazo | ||||
| 252 | 6699277 | |||
| No hay información disponible, no se puede pedir | ||||
| 253 | 6699278 | |||
| Tornillo autorroscante 5x20 (antiguo 993-11052-012 | ||||
| 254 | 6695255 | 1.15 | 1.39 | |
| Arandela | ||||
| 255 | 6689681 | 1.15 | 1.39 | |
| Empuñadura de la mano (antiguo 503-3738e-20) | ||||
| 256 | 6691098 | 6.44 | 7.79 | |
| Perno 6x43/p (negro) (antiguo 994-23060-432) | ||||
| 257 | 6684838 | 2.15 | 2.60 | |
| No hay información disponible, no se puede pedir | ||||
| 258 | 6691049 | |||
| Barrera, 26 dia, negro (antiguo 520-33398-20) | ||||
| 259 | 6691231 | 5.61 | 6.79 | |
| Tuerca hex. 6 (antiguo 6684792/991-01060-041/79044 | ||||
| 260 | 6684835 | 2.15 | 2.60 | |
| Asamblea de palanca de aceleración (antiguo 870-37 | ||||
| 261 | 6693731 | 44.31 | 53.62 | |
| Caja de Conector (antiguo 888-04298-20) | ||||
| 262 | 6694029 | 2.31 | 2.80 | |
| Cable del acelerador 125+70.5 (antiguo 885-04329-8 | ||||
| 263 | 6693890 | 6.93 | 8.38 | |
| Tubo de Protección Dividido,7x70l (antiguo 164-070 | ||||
| 264 | 6687520 | 1.15 | 1.39 | |
| No hay información disponible, no se puede pedir | ||||
| 266A | 6689275 | |||
| Cable del acelerador | ||||
| 268 | 6693957 | 22.24 | 26.91 | |
| Cable del acelerador (antiguo 887-37187-80) | ||||
| 269 | 6694010 | 7.93 | 9.59 | |
| Componente del interruptor de parada (antiguo 156- | ||||
| 270 | 6687442 | 13.20 | 15.97 | |
| Tubo de protección dividido, 7x70l (antiguo 164-07 | ||||
| 271 | 6687519 | 1.15 | 1.39 | |
| Palanca de seguridad (viejo 253-38400-20) | ||||
| 272 | 6684721 | 6.44 | 7.79 | |
| Resorte de retorno (antiguo 832-38400-20) | ||||
| 273 | 6684722 | 2.15 | 2.60 | |
| Tornillo M5x20 (antiguo 994-31050-203) | ||||
| 274 | 6684803 | 2.15 | 2.60 | |
| No hay información disponible, no se puede pedir | ||||
| 275 | 6684727 | |||
| Tornillo M4x20 (negro) (antiguo 993-46040-202) | ||||
| 276 | 6684725 | 2.15 | 2.60 | |
| Palanca del acelerador (antiguo 880-38400-20) | ||||
| 277 | 6684804 | 8.58 | 10.38 | |
| Eje de transmisión 1530l (antiguo 343-37857-20) Nu | ||||
| 281 | 6689473 | 14.30 | 17.30 | |
| No hay información disponible, no se puede pedir | ||||
| 282 | 6689401 | |||
| Casquillo Ass'y (antiguo 347-37857-90) Nuevo | ||||
| 283 | 6689523 | 2.10 | 2.54 | |
| Agarre (antiguo 165-38340-20) Nuevo | ||||
| 284 | 6687628 | 4.45 | 5.38 | |
| Mango (antiguo 500-38340-20) Nuevo | ||||
| 285 | 6691055 | 9.74 | 11.78 | |
| Agarre de Mano Derecha (viejo 503-38340-20) Nuevo | ||||
| 286 | 6691101 | 4.05 | 4.90 | |
| Anilla de fijación para arnés | ||||
| 287 | 6689278 | 12.88 | 15.58 | |
| Ensamblaje de metal de elevación (antiguo 335-3785 | ||||
| 288 | 6689279 | 5.11 | 6.19 | |
| Soporte de fijación del colgador (antiguo 337-3785 | ||||
| 289 | 6689293 | 2.31 | 2.80 | |
| Ya no disponible, sin reemplazo | ||||
| 290 | 6696988 | |||
| Cable del acelerador | ||||
| 291 | 6693966 | 9.58 | 11.59 | |
| Palanca del acelerador (antigua 870-38340-90) Nuev | ||||
| 292 | 6693763 | 14.19 | 17.17 | |
| Abrazadera de cable (viej 198-38340-20) Nuevo | ||||
| 293 | 6688026 | 1.05 | 1.27 | |
| Tubo de protección 720l (antiguo 164-07072-01) Nue | ||||
| 294 | 6687539 | 2.10 | 2.54 | |
| Tornillo de agujero hexagonal M5x25/s (viejo 994-1 | ||||
| 295 | 6684709 | 2.15 | 2.60 | |
| Soporte de asa A (antiguo 506-38447-20) Nuevo | ||||
| 296 | 6691145 | 3.30 | 3.99 | |
| Soporte de asa B (antiguo 507-38447-20) Nuevo | ||||
| 297 | 6691163 | 5.28 | 6.38 | |
| Soporte de mango 1.0t (antiguo 510-37857-20) Nuevo | ||||
| 298 | 6691189 | 12.90 | 15.61 | |
| Soporte de mango C (antiguo 508-38447-20) Nuevo | ||||
| 299 | 6691177 | 2.31 | 2.80 | |
| Perno de cabeza hueca hexagonal M5x30 S (antiguo 9 | ||||
| 300 | 6684786 | 2.15 | 2.60 | |
| No hay información disponible, no se puede pedir | ||||
| 301 | 6689291 | |||
| Caja de engranajes | ||||
| 321A | 6601268 | 199.20 | 241.03 | |
| Tornillo Hex. Agujero 6x25s (antiguo 994-61060-254 | ||||
| 322 | 6695497 | 1.15 | 1.39 | |
| Anillo de retención C-28.interior (antiguo 993-510 | ||||
| 323 | 6684741 | 2.15 | 2.60 | |
| Anillo de Parada C-12 Exterior | ||||
| 324 | 6684664 | 2.15 | 2.60 | |
| Rodamiento de bolas 6001z | ||||
| 325 | 6695532 | 6.60 | 7.99 | |
| Rodamiento de bolas 6001 C3 | ||||
| 326 | 6684608 | 3.80 | 4.60 | |
| Caja de engranajes (viejo 300-37857-20) | ||||
| 327 | 6688798 | 26.16 | 31.66 | |
| Tornillo de agujero hexagonal 5x12 (antiguo 994-64 | ||||
| 328 | 6695510 | 1.15 | 1.39 | |
| Tornillo 6x8 (antiguo 990-21060-080) | ||||
| 329 | 6694979 | 1.15 | 1.39 | |
| Rodamiento de bolas 6001 C3 | ||||
| 330 | 6684608 | 3.80 | 4.60 | |
| Eje de engranaje L-m10x1.25 (antiguo 304-37857-20) | ||||
| 331 | 6688943 | 12.38 | 14.97 | |
| Eje de engranaje L-m12x1.75 | ||||
| 331A | 6601269 | 162.29 | 196.37 | |
| Rodamiento de bolas 6202dd | ||||
| 332 | 6696297 | 6.28 | 7.59 | |
| Anillo de tope C-35, interno (antiguo 993-51035-00 | ||||
| 333 | 6695296 | 1.15 | 1.39 | |
| Porta-cutter (antiguo 310-37857-20) | ||||
| 334 | 6689029 | 10.56 | 12.78 | |
| Tapa del Portaherramientas de Corte (antiguo 311-3 | ||||
| 335 | 6689051 | 3.30 | 3.99 | |
| Cubierta de protección B (antiguo 308-38150-20 & 6 | ||||
| 336 | 6688995 | 3.30 | 3.99 | |
| Cubierta de tuerca | ||||
| 336A | 6601271 | 16.64 | 20.13 | |
| Tornillo 5x16/w.s (antiguo 994-16050-162) | ||||
| 337 | 6695418 | 1.15 | 1.39 | |
| Tuerca de Fijación L M10x1.25 (antiguo 313-38150-2 | ||||
| 338 | 6689073 | 4.63 | 5.60 | |
| Tuerca U L-m12x1.75 | ||||
| 338A | 6601270 | 15.28 | 18.48 | |
| Conjunto de engranaje y piñón, de repuesto (antigu | ||||
| 339 | 6688879 | 16.94 | 20.49 | |
| Cubierta del caja de engranajes (viejo 303-37857-2 | ||||
| 340 | 6697604 | 6.44 | 7.79 | |
| Tornillo de orificio hexagonal 6x30 (antiguo 990-5 | ||||
| 341 | 6695082 | 1.15 | 1.39 | |
| Soporte de protección de seguridad (antiguo 442-37 | ||||
| 342 | 6690313 | 2.31 | 2.80 | |
| Cubierta de seguridad (antiguo 441-37867-20) | ||||
| 343 | 6690265 | 13.86 | 16.77 | |
| No hay información disponible, no se puede pedir | ||||
| 344 | 6690342 | |||
| Guardacubiertas (antiguo 447-37867-20) | ||||
| 345 | 6690374 | 6.44 | 7.79 | |
| Cuchilla (antigua 797-37380-21/6693385) | ||||
| 346 | 6693386 | 4.45 | 5.38 | |
| Tornillo autoperforante 5x20 (antiguo 993-17052-00 | ||||
| 347 | 6684753 | 2.15 | 2.60 | |
| Tornillo con agujero hexagonal 5x10 (antiguo 990-5 | ||||
| 348 | 6695042 | 1.15 | 1.39 | |
| Tornillo de cabeza hexagonal de 6 x 30s (antiguo 9 | ||||
| 349 | 6695518 | 1.15 | 1.39 | |
| Soporte de cubierta (antiguo 442-37857-20) Nuevo | ||||
| 350 | 6690311 | 3.30 | 3.99 | |
| Cubierta de seguridad (antiguo 441-37868-20) | ||||
| 351 | 6690266 | 9.45 | 11.43 | |
| Soporte de guardia de seguridad (antiguo 445-38253 | ||||
| 352 | 6690345 | 2.31 | 2.80 | |
| Conjunto de caja de engranajes Pn (antiguo 300-333 | ||||
| 371 | 6696497 | 60.35 | 73.02 | |
| Tornillo de agujero hexagonal M5x25/s (viejo 994-1 | ||||
| 372 | 6684709 | 2.15 | 2.60 | |
| ANILLO DE PARADA C-26, INTERNO (ANTIGUO 993-51026- | ||||
| 373 | 6695294 | 1.15 | 1.39 | |
| Anillo de tope Externo 10 (antiguo 993-57010-002) | ||||
| 374 | 6695315 | 1.15 | 1.39 | |
| No hay información disponible, no se puede pedir | ||||
| 375 | 6695526 | |||
| No hay información disponible, no se puede pedir | ||||
| 376 | 6695524 | |||
| Caja de engranajes 26 Dia (viejo 300-37480-20) | ||||
| 377 | 6688770 | 15.88 | 19.21 | |
| Tornillo de Cabeza Hexagonal M5x12 / s (antiguo 99 | ||||
| 378 | 6684667 | 2.15 | 2.60 | |
| Perno de aceitado (antiguo 316-38150-20) | ||||
| 379 | 6689109 | 1.15 | 1.39 | |
| Rodamiento de bolas 609 | ||||
| 380 | 6684734 | 8.58 | 10.38 | |
| Eje de engranaje (antiguo 304-3338r-20) | ||||
| 381 | 6688924 | 18.15 | 21.96 | |
| Rodamiento de bolas 6201d | ||||
| 382 | 6695554 | 5.94 | 7.18 | |
| Anillo de parada interno C-32, antiguo no. de piez | ||||
| 383 | 6695295 | 1.15 | 1.39 | |
| Portacortador (antiguo 310-38150-20) | ||||
| 384 | 6689032 | 11.71 | 14.17 | |
| Tapa del Portaherramientas de Corte (antiguo 311-3 | ||||
| 385 | 6689055 | 5.11 | 6.19 | |
| Tuerca de Fijación L M10x1.25 (antiguo 313-38150-2 | ||||
| 386 | 6689073 | 4.63 | 5.60 | |
| Arandela | ||||
| 387 | 6689159 | 1.15 | 1.39 | |
| TORNILLO CON ORIFICIO HEX. 6X25S (ANTIGUO 994-8106 | ||||
| 388 | 6684714 | 2.15 | 2.60 | |
| Soporte de cubierta D26 (antiguo 442-38331-20) | ||||
| 389 | 6690315 | 4.45 | 5.38 | |
| Guarda de cuchilla 26ce (antiguo 441-38331-20) | ||||
| 390 | 6690276 | 17.55 | 21.24 | |
| Soporte de cubierta de seguridad (antiguo 445-3738 | ||||
| 391 | 6684748 | 4.29 | 5.19 | |
| Guarda de la hoja (viejo 447-38331-20) | ||||
| 392 | 6690376 | 9.40 | 11.37 | |
| Cuchilla (antiguo 797-37714-20) | ||||
| 393 | 6684750 | 4.29 | 5.19 | |
| Tornillo autorroscante 4x14 (antiguo 993-48040-142 | ||||
| 394 | 6684751 | 2.15 | 2.60 | |
| Juego de piñones, de repuesto (antiguo 301-37480-0 | ||||
| 395 | 6688875 | 22.24 | 26.91 | |
| Tornillo autoperforante 5x20 (antiguo 993-17052-00 | ||||
| 396 | 6684753 | 2.15 | 2.60 | |
| Cuchilla (antigua 797-38331-20) | ||||
| 397 | 6684754 | 8.58 | 10.38 | |
| Protector de bobinado (antiguo 307-38100-20) | ||||
| 398 | 6688986 | 3.30 | 3.99 | |
| No hay información disponible, no se puede pedir | ||||
| 501 | 6684813 | |||
| No hay información disponible, no se puede pedir | ||||
| 502 | 6684766 | |||
| No hay información disponible, no se puede pedir | ||||
| 503 | 6684764 | |||
| No hay información disponible, no se puede pedir | ||||
| 504A | 875769 | |||
| No hay información disponible, no se puede pedir | ||||
| 505 | 6695792 | |||
| Cubierta del cortador (antiguo 615-37181-20) | ||||
| 506 | 6692016 | 8.41 | 10.18 | |
| No hay información disponible, no se puede pedir | ||||
| 507 | 6695796 | |||
| No hay información disponible, no se puede pedir | ||||
| 508 | 6692874 | |||
| No hay información disponible, no se puede pedir | ||||
| 510 | 6695784 | |||
| Tuerca de montaje L-m8x1.25 (antiguo 356-3383e-20) | ||||
| 511 | 6689624 | 7.75 | 9.38 | |
| Tuerca de montaje L-m10x1.25 (antiguo 356-3383b-20 | ||||
| 512 | 6684756 | 9.08 | 10.98 | |
| Cuerpo de corte (antiguo 786-33830-20) | ||||
| 513 | 6684757 | 22.69 | 27.45 | |
| Tuerca especial (antigua 315-33830-20) | ||||
| 514 | 6684758 | 9.40 | 11.37 | |
| Resorte de carrete (antiguo 793-33830-20) | ||||
| 515 | 6684759 | 4.29 | 5.19 | |
| Carrete (antiguo 787-33830-20) | ||||
| 516 | 6684760 | 15.58 | 18.85 | |
| Tapa del cuerpo de corte (antiguo 789-33830-20) | ||||
| 518 | 6684761 | 36.15 | 43.74 | |
| Ojal (antiguo 788-33830-20) | ||||
| 519 | 6684762 | 4.29 | 5.19 | |
| Sure-tap Manual P/l 9 | ||||
| 520 | 6697805 | 1.98 | 2.39 | |
| Cortador de cuerda de nylon | ||||
| 521 | 6601148 | 19.21 | 23.25 | |
| Caja (b) | ||||
| 522 | 6601149 | 10.73 | 12.98 | |
| Tuerca (1) | ||||
| 523 | 6601150 | 6.93 | 8.38 | |
| Resorte de carrete (antiguo 793-38454-20) | ||||
| 524 | 6693380 | 3.30 | 3.99 | |
| Soporte de línea | ||||
| 525 | 6601151 | 7.59 | 9.18 | |
| CUBIERTA | ||||
| 526 | 6601152 | 7.75 | 9.38 | |
| Ojal (antiguo 788-37770-20) | ||||
| 527 | 6684810 | 2.15 | 2.60 | |
| Protector de bobinado (antiguo 307-37307-20) | ||||
| 528 | 6684763 | 4.29 | 5.19 | |
| No hay información disponible, no se puede pedir | ||||
| 529 | 6693529 | |||
| Contenedor de premezcla de combustible (antiguo 87 | ||||
| 530 | 6693785 | 3.30 | 3.99 | |
| Cubierta del cortador (antiguo 615-38360-20) Nuevo | ||||
| 531 | 6692021 | 2.10 | 2.54 | |
| No hay información disponible, no se puede pedir | ||||
| 532 | 6693539 | |||
| Placa de nombre Cg40ej(t) (antigua 906-04323-20) N | ||||
| 601 | 6694152 | 1.05 | 1.27 | |
| Marca Simbólica Cg40ej(t) (antiguo 929-04323-20) N | ||||
| 602 | 6694621 | 1.05 | 1.27 | |
| Placa de nombre Cg40ej(l) (antigua 906-04329-20) N | ||||
| 603 | 6694153 | 1.05 | 1.27 | |
| No hay información disponible, no se puede pedir | ||||
| 604 | 6694622 | |||
| Placa de nombre Cg40ej (antigua 906-04333-20) Nuev | ||||
| 605 | 6694155 | 1.05 | 1.27 | |
| Marca Simbolica Cg40ej (antiguo 929-04333-20) Nuev | ||||
| 606 | 6694624 | 1.05 | 1.27 | |