Aquí encontrará todas las piezas y dibujos técnicos disponibles de 'Hikoki CG40EK'. Desde aquí podrá pedir todas las piezas deseadas directamente. Para muchas piezas de repuesto, es necesario pasar un pedido al fabricante. Dependiendo de la marca, el plazo de entrega puede variar entre una y cuatro semanas. Toda la información que tenemos está en nuestro sitio web. No podremos aconsejarle sobre lo que necesita hasta que entregue la máquina para su reparación. Tenga en cuenta lo siguiente a la hora de cursar su pedido:
Dibujo técnico de los/las Hikoki CG40EK
Lista de las piezas de repuesto de Hikoki CG40EK
| Pos. | Descripción | Precio con el IVA excluido | Precio con el IVA incluido | |
| Los precios mostrados incluyen el IVA | ||||
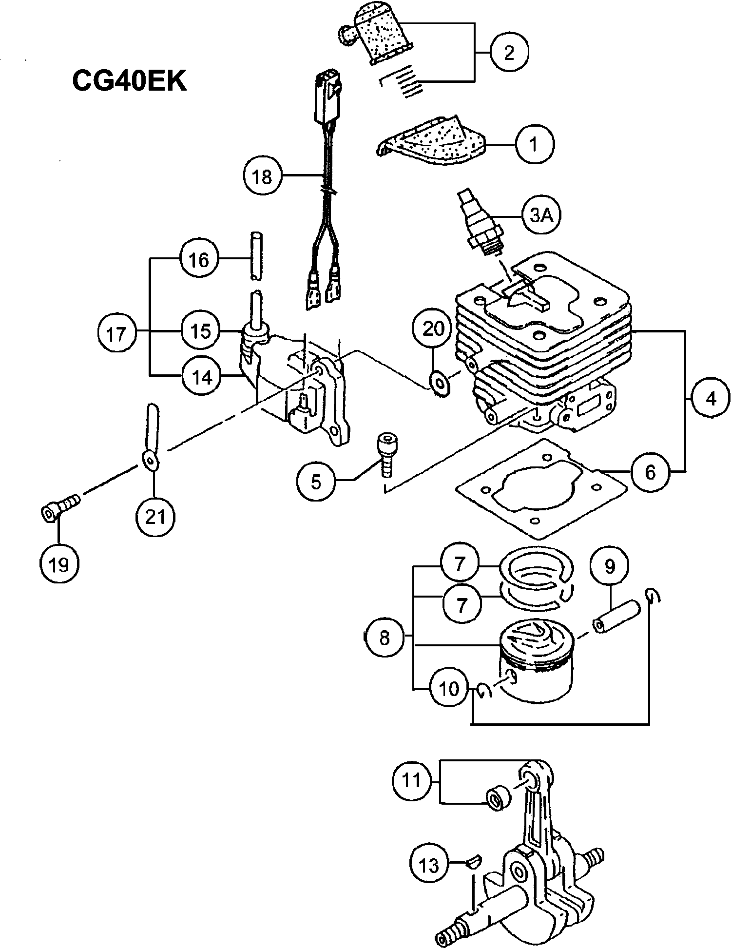
| Cubierta de goma de bujía Till J032440 | ||||
| 1 | 6688336 | 3.30 | 3.99 | |
| Ensamble tapa de bujía (antiguo 157-11666-90/66874 | ||||
| 2 | 6687479 | 2.31 | 2.80 | |
| Bujía Rcj8y | ||||
| 3A | 6699328 | 3.30 | 3.99 | |
| No hay información disponible, no se puede pedir | ||||
| 4 | 6685476 | |||
| No hay información disponible, no se puede pedir | ||||
| 5 | 6684668 | |||
| Junta de cilindro (antiguo 017-04400-20) | ||||
| 6 | 6685741 | 2.31 | 2.80 | |
| Anillo de pistón (antiguo 041-04050-20) | ||||
| 7 | 6686123 | 4.45 | 5.38 | |
| No hay información disponible, no se puede pedir | ||||
| 8 | 6685889 | |||
| Pasador de pistón 10x30 (antiguo 037-01000-20) | ||||
| 9 | 6686007 | 2.31 | 2.80 | |
| Circlip de pin de pistón (antiguo 039-05004-20/790 | ||||
| 10 | 6686032 | 1.15 | 1.39 | |
| Cigüeñal Comp. (antiguo 046-04400-80) | ||||
| 11 | 6686192 | 84.40 | 102.12 | |
| Chaveta Wood-ruff 3x13x5 (antiguo 068-02000-20/790 | ||||
| 13 | 6686457 | 1.15 | 1.39 | |
| Bobina | ||||
| 14 | 6687655 | 36.15 | 43.74 | |
| Tapa de Goma | ||||
| 15 | 6684602 | 2.15 | 2.60 | |
| Cable de alta tensión (antiguo 178-20543-22/668788 | ||||
| 16 | 6687885 | 1.15 | 1.39 | |
| Bobina (antigua 167-20543-91 & 6687656) | ||||
| 17 | 6687657 | 30.25 | 36.60 | |
| Ensamblaje de cable principal | ||||
| 18 | 6687970 | 4.45 | 5.38 | |
| Tornillo 4x18/ws (antiguo 994-16040-183) | ||||
| 19 | 6695406 | 1.15 | 1.39 | |
| Arandela (antiguo 182-0186a-20) | ||||
| 20 | 6684600 | 2.15 | 2.60 | |
| Componente de abrazadera de cuerda (antiguo 198-11 | ||||
| 21 | 6688011 | 1.15 | 1.39 | |
| Protector (antiguo 257-04400-20) | ||||
| 41 | 6688348 | 4.45 | 5.38 | |
| Perno con agujero hexagonal 5x20/ps (antiguo 994-6 | ||||
| 42 | 6684634 | 2.15 | 2.60 | |
| Pequeña Tuerca 10 (antiguo 991-11100-013/6695138/7 | ||||
| 45 | 6695139 | 1.05 | 1.27 | |
| Caja del cigüeñal Ass'y (antiguo 072-04400-91) | ||||
| 48 | 6686559 | 50.21 | 60.76 | |
| Junta de la caja del cigüeñal (antiguo 090-04400-2 | ||||
| 49 | 6686715 | 1.15 | 1.39 | |
| Sello de aceite | ||||
| 50 | 6695637 | 3.30 | 3.99 | |
| No hay información disponible, no se puede pedir | ||||
| 51 | 6695557 | |||
| Calza de cigüeñal 0.20 (antigua 071-02007-23) | ||||
| 52 | 6686472 | 1.15 | 1.39 | |
| Calza de cigüeñal 0.30 (antigua 071-02007-24) | ||||
| 52 | 6686473 | 1.15 | 1.39 | |
| Perno de cabeza hueca hexagonal M5x30 S (antiguo 9 | ||||
| 53 | 6684786 | 2.15 | 2.60 | |
| Roto Magneto Comp. | ||||
| 54 | 6687372 | 19.96 | 24.15 | |
| Arandela | ||||
| 55 | 6695198 | 1.15 | 1.39 | |
| No hay información disponible, no se puede pedir | ||||
| 56 | 6695138 | |||
| Carcasa del ventilador | ||||
| 59 | 6686982 | 22.24 | 26.91 | |
| No hay información disponible, no se puede pedir | ||||
| 60 | 6684668 | |||
| Goma de cable principal (ancien 203-11660-20) | ||||
| 61 | 6688057 | 1.15 | 1.39 | |
| Arandela | ||||
| 62 | 6685226 | 1.15 | 1.39 | |
| Juntura de admisión (antiguo 403-04300-20/790156) | ||||
| 81 | 6689885 | 2.31 | 2.80 | |
| CONJUNTO DE AISLANTES DE CARB., RECAMBIO (VIEJO 40 | ||||
| 82 | 6689955 | 8.91 | 10.78 | |
| Junta de carburador (antiguo 402-04300-20/790158) | ||||
| 83 | 6689833 | 1.15 | 1.39 | |
| Collar (antiguo 470-01380-20) | ||||
| 85 | 6690802 | 2.31 | 2.80 | |
| Cuerpo de limpiador Comp. (antiguo 423-01380-82/66 | ||||
| 86 | 6690099 | 5.28 | 6.38 | |
| Válvula de Estrangulamiento (antigua 528-01380-21) | ||||
| 87 | 6691258 | 1.15 | 1.39 | |
| Placa de verificación de soplado (antiguo 476-0170 | ||||
| 88 | 6690843 | 1.15 | 1.39 | |
| Elemento del filtro de aire | ||||
| 89 | 6690352 | 1.15 | 1.39 | |
| No hay información disponible, no se puede pedir | ||||
| 90 | 6684658 | |||
| Cubierta del filtro de aire | ||||
| 91 | 6690397 | 3.30 | 3.99 | |
| Tornillo especial (antiguo 380-0637c-20) | ||||
| 92 | 6689737 | 1.15 | 1.39 | |
| Tornillo M5x60 (antiguo 990-11050-602) | ||||
| 93 | 6684660 | 2.15 | 2.60 | |
| Arandela (antiguo 992-10050-012) | ||||
| 94 | 6684662 | 2.15 | 2.60 | |
| Juego de carburador | ||||
| 95 | 6690476 | 86.36 | 104.50 | |
| Arandela | ||||
| 96 | 6693248 | 1.15 | 1.39 | |
| No hay información disponible, no se puede pedir | ||||
| 97 | 6695425 | |||
| Collar de fijación del tanque (antiguo 649-01680-2 | ||||
| 98 | 6692182 | 2.31 | 2.80 | |
| Tubo de combustible 3x5x230 | ||||
| 99 | 6688166 | 4.29 | 5.19 | |
| Clip D6 (antiguo 680-00070-20) | ||||
| 100A | 6685198 | 1.15 | 1.39 | |
| No hay información disponible, no se puede pedir | ||||
| 101A | 6684620 | |||
| Tanque blanco (antiguo 591-04413-22/6691536) | ||||
| 102 | 6691539 | 11.88 | 14.37 | |
| Collar C (antiguo 659-04300-20) | ||||
| 103 | 6684623 | 2.15 | 2.60 | |
| No hay información disponible, no se puede pedir | ||||
| 104 | 6691714 | |||
| Tapa de Goma | ||||
| 105 | 6691369 | 2.31 | 2.80 | |
| Conjunto de válvula de ventilación (antiguo 646-32 | ||||
| 106 | 6692172 | 4.95 | 5.99 | |
| Tubo de ventilación (antiguo 565-04400-21) | ||||
| 107 | 6691394 | 3.30 | 3.99 | |
| No hay información disponible, no se puede pedir | ||||
| 108 | 6691385 | |||
| Perno con agujero hexagonal 5x20/ps (antiguo 994-6 | ||||
| 109 | 6684634 | 2.15 | 2.60 | |
| Lecho del Motor (Antiguo 940-04300-20) | ||||
| 110 | 6694785 | 4.95 | 5.99 | |
| Ya no disponible, sin reemplazo | ||||
| 111 | 6684880 | |||
| Clip 5.5 (antiguo 680-00206-20) | ||||
| 112 | 6692305 | 1.15 | 1.39 | |
| Ya no disponible, sin reemplazo | ||||
| 113 | 6688156 | |||
| Perno de cabeza hueca hexagonal M5x30 S (antiguo 9 | ||||
| 114 | 6684786 | 2.15 | 2.60 | |
| Arandela M5 (old 992-01050-061) | ||||
| 115 | 6684918 | 2.15 | 2.60 | |
| No hay información disponible, no se puede pedir | ||||
| 117 | 6684625 | |||
| Ensamblaje del filtro de la bomba | ||||
| 118 | 6601175 | 3.14 | 3.80 | |
| Protector de silenciador (antiguo 738-0440a-21) | ||||
| 131 | 6692783 | 12.88 | 15.58 | |
| Tornillo de Cabeza Hexagonal M5x12 / s (antiguo 99 | ||||
| 132 | 6684667 | 2.15 | 2.60 | |
| Tornillo Hex. Orificio 6x65 (antiguo 990-51060-653 | ||||
| 134 | 6695067 | 1.15 | 1.39 | |
| Arandela | ||||
| 135 | 6684639 | 2.15 | 2.60 | |
| Set de silenciador Pn (antiguo 704-04401-90) | ||||
| 136 | 6692473 | 28.14 | 34.05 | |
| Arandela M5 (old 992-01050-061) | ||||
| 137 | 6684918 | 2.15 | 2.60 | |
| Tubo de escape (antiguo 721-04400-20) | ||||
| 138 | 6692652 | 3.30 | 3.99 | |
| Arandela | ||||
| 139 | 6685109 | 1.15 | 1.39 | |
| Arrestor de silenciador (antiguo 732-04400-20) | ||||
| 140 | 6692696 | 2.31 | 2.80 | |
| Junta del silenciador (antiguo 737-04230-20) | ||||
| 141 | 6692741 | 1.15 | 1.39 | |
| Escudo térmico | ||||
| 142 | 6687246 | 9.58 | 11.59 | |
| Pasacables (antiguo 203-0604a-20) | ||||
| 144A | 6688050 | 1.15 | 1.39 | |
| Tornillo de agujero hexagonal M5x25/s (viejo 994-1 | ||||
| 145 | 6684709 | 2.15 | 2.60 | |
| Arandela M5 (old 992-01050-061) | ||||
| 146 | 6684918 | 2.15 | 2.60 | |
| Arandela | ||||
| 147 | 6689645 | 1.15 | 1.39 | |
| Forro de embrague completo | ||||
| 148 | 6688614 | 7.93 | 9.59 | |
| Muelle de embrague (antiguo 342-04200-20) | ||||
| 149 | 6689428 | 1.15 | 1.39 | |
| Arandela | ||||
| 150 | 6695203 | 1.15 | 1.39 | |
| Perno de paso de embrague | ||||
| 151 | 6689632 | 3.30 | 3.99 | |
| No hay información disponible, no se puede pedir | ||||
| 152 | 6699556 | |||
| Montaje de Cuerpo de Arrancador de Retroceso | ||||
| 171A | 6697645 | 21.78 | 26.35 | |
| Cuerpo de arranque de retroceso Comp. (antiguo 772 | ||||
| 172 | 6693025 | 14.19 | 17.17 | |
| Cuerpo de arranque de retroceso Comp. | ||||
| 172A | 6697646 | 11.71 | 14.17 | |
| Carrete de cuerda de arranque (antiguo 769-04220-2 | ||||
| 173 | 6693007 | 4.95 | 5.99 | |
| Carrete de cuerda de arranque | ||||
| 173A | 6697647 | 4.13 | 4.99 | |
| Resorte de retroceso (antiguo 779-04220-20) | ||||
| 174 | 6693114 | 9.08 | 10.98 | |
| STARTER SPRING | ||||
| 174A | 6697648 | 7.08 | 8.57 | |
| Cuerda de arranque (antigua 783-04270-20/6693164) | ||||
| 175 | 6693165 | 3.30 | 3.99 | |
| STARTER ROPE | ||||
| 175A | 6697649 | 2.64 | 3.19 | |
| Manija de inicio | ||||
| 176 | 6693607 | 2.31 | 2.80 | |
| Manija de inicio | ||||
| 177 | 6693232 | 3.30 | 3.99 | |
| Manija de inicio | ||||
| 177A | 6697650 | 2.80 | 3.39 | |
| Tornillo de ajuste (antiguo 839-04220-20) | ||||
| 178 | 6693634 | 1.15 | 1.39 | |
| Trinquete de arranque (antiguo 788-0162v-20) | ||||
| 179 | 6693302 | 2.31 | 2.80 | |
| No hay información disponible, no se puede pedir | ||||
| 179A | 6697643 | |||
| Anillo de retención D4e (antiguo 993-55040-001) | ||||
| 180 | 6685101 | 1.15 | 1.39 | |
| Perno con agujero hexagonal 5x20/ps (antiguo 994-6 | ||||
| 181 | 6684634 | 2.15 | 2.60 | |
| Muelle de arranque (antiguo 790-0162v-20) | ||||
| 182 | 6693345 | 2.31 | 2.80 | |
| No hay información disponible, no se puede pedir | ||||
| 182A | 6697642 | |||
| Polea de inicio (antiguo 798-04220-90) | ||||
| 183 | 6693395 | 11.05 | 13.37 | |
| Polea de arranque | ||||
| 183A | 6697644 | 11.05 | 13.37 | |
| Tornillo de Ajuste del Acelerador (antiguo 514-251 | ||||
| 191 | 6684870 | 2.15 | 2.60 | |
| Regulador de Cable (antiguo 544-25164-20) | ||||
| 192 | 6684873 | 6.44 | 7.79 | |
| Giratorio (antiguo 539-25120-20) | ||||
| 193 | 6684697 | 6.44 | 7.79 | |
| Arandela (antiguo 549-25165-20) | ||||
| 194 | 6684874 | 2.15 | 2.60 | |
| Anillo de parada (antiguo 489-25100-20) | ||||
| 195 | 6684696 | 2.15 | 2.60 | |
| Ajustador de Cable (antiguo 614-25137-20) | ||||
| 196 | 6684871 | 4.29 | 5.19 | |
| O-RING (antiguo 550-25100-20) | ||||
| 197 | 6684695 | 4.29 | 5.19 | |
| Chorro principal, #44.5 (antiguo 599-200bw-44/6691 | ||||
| 198 | 6696131 | 6.44 | 7.79 | |
| Tuerca de Bloqueo M6 (antiguo 991-01060-013) | ||||
| 199 | 6684872 | 2.15 | 2.60 | |
| Junta de bomba (viejo 577-25100-20) | ||||
| 200 | 6691457 | 7.10 | 8.59 | |
| Diafragma de bomba (antiguo 576-25100-20 & 6696325 | ||||
| 201 | 6684693 | 8.58 | 10.38 | |
| Pantalla de entrada (antiguo 578-25007-20) | ||||
| 202 | 6684700 | 4.29 | 5.19 | |
| Cuerpo de bomba comp. (antiguo 575-25153-80) | ||||
| 203 | 6684879 | 62.16 | 75.22 | |
| Junta de diafragma (antiguo 475-25153-20) | ||||
| 204 | 6684691 | 8.58 | 10.38 | |
| Membrana de medición Comp. (antiguo 474-25001-80/6 | ||||
| 205 | 6690827 | 11.71 | 14.17 | |
| Cubierta de diafragma (antiguo 476-25151-20) | ||||
| 206 | 6684688 | 8.58 | 10.38 | |
| Tornillo de ajuste (antiguo 548-25151-20 & 6696324 | ||||
| 207 | 6684699 | 2.15 | 2.60 | |
| Empaquetadura del Limpiador (antiguo 431-0634c-20) | ||||
| 208 | 6684875 | 4.29 | 5.19 | |
| Bomba de cebado comp. (antiguo 442-25151-80) | ||||
| 209 | 6684687 | 16.34 | 19.77 | |
| Cuerpo de cebado (antiguo 447-25108-20) | ||||
| 210 | 6684689 | 6.44 | 7.79 | |
| Eje de clutch Comp. (antiguo 289-04300-80) | ||||
| 231 | 6688584 | 14.53 | 17.58 | |
| Rodamiento de bolas #6202z | ||||
| 232 | 6695559 | 6.44 | 7.79 | |
| Anillo de parada C-15, exterior (antiguo 993-50015 | ||||
| 233 | 6695285 | 1.15 | 1.39 | |
| Caja de embrague (antiguo 331-04300-20) | ||||
| 234 | 6689194 | 14.53 | 17.58 | |
| Caucho de cojín (antiguo 599-04300-20) | ||||
| 236 | 6691829 | 4.45 | 5.38 | |
| Tornillo con agujero hexagonal 5x16 (antiguo 990-5 | ||||
| 238A | 6695046 | 1.15 | 1.39 | |
| Tornillo de cabeza hexagonal M6x20 (antiguo 990-53 | ||||
| 239 | 6685064 | 1.15 | 1.39 | |
| Perno con orificio hexagonal 5 X 25 (antiguo 990-5 | ||||
| 240 | 6695091 | 1.15 | 1.39 | |
| Sujetador de tubo (antiguo 360-04300-21) | ||||
| 242A | 6689655 | 3.30 | 3.99 | |
| Arandela M5 (old 992-01050-061) | ||||
| 244 | 6684918 | 2.15 | 2.60 | |
| Accesorio de metal (antiguo 361-00990-20) | ||||
| 245 | 6689664 | 3.30 | 3.99 | |
| Eje de transmisión (antiguo 343-37850-20) | ||||
| 261 | 6689471 | 16.64 | 20.13 | |
| Ya no disponible, sin reemplazo | ||||
| 262 | 6699277 | |||
| No hay información disponible, no se puede pedir | ||||
| 263 | 6699278 | |||
| Tornillo autorroscante 5x20 (antiguo 993-11052-012 | ||||
| 265 | 6695255 | 1.15 | 1.39 | |
| Arandela | ||||
| 266 | 6689681 | 1.15 | 1.39 | |
| Empuñadura de la mano (antiguo 503-3738e-20) | ||||
| 267 | 6691098 | 6.44 | 7.79 | |
| Perno 6x43/p (negro) (antiguo 994-23060-432) | ||||
| 268 | 6684838 | 2.15 | 2.60 | |
| No hay información disponible, no se puede pedir | ||||
| 269 | 6691049 | |||
| Barrera, 26 dia, negro (antiguo 520-33398-20) | ||||
| 270 | 6691231 | 5.61 | 6.79 | |
| Tuerca hex. 6 (antiguo 6684792/991-01060-041/79044 | ||||
| 271 | 6684835 | 2.15 | 2.60 | |
| Palanca del acelerador (antigua 870-38103-90) | ||||
| 272 | 6693760 | 38.26 | 46.30 | |
| Cable del acelerador | ||||
| 273 | 6693973 | 19.81 | 23.97 | |
| Cable del acelerador (antiguo 887-38103-80) | ||||
| 274 | 6694020 | 8.25 | 9.98 | |
| Botón de parada Comp. (antiguo 156-38103-80) | ||||
| 275 | 6687456 | 14.85 | 17.97 | |
| Tubo de protección 200l (antiguo 164-07020-00) Nue | ||||
| 276 | 6687529 | 1.05 | 1.27 | |
| Palanca de seguridad (viejo 253-38400-20) | ||||
| 277 | 6684721 | 6.44 | 7.79 | |
| Resorte de retorno (antiguo 832-38400-20) | ||||
| 278 | 6684722 | 2.15 | 2.60 | |
| Tapón ciego (antiguo 322-38400-20) | ||||
| 279 | 6684724 | 2.15 | 2.60 | |
| Tornillo M5x20 (antiguo 994-31050-203) | ||||
| 280 | 6684803 | 2.15 | 2.60 | |
| No hay información disponible, no se puede pedir | ||||
| 281 | 6684727 | |||
| Tornillo M4x20 (negro) (antiguo 993-46040-202) | ||||
| 282 | 6684725 | 2.15 | 2.60 | |
| Palanca del acelerador (antiguo 880-38400-20) | ||||
| 283 | 6684804 | 8.58 | 10.38 | |
| Tuerca hexagonal 5 (antiguo 991-01050-011) | ||||
| 291 | 6684965 | 1.04 | 1.26 | |
| Metal de elevación (antiguo 335-33410-20) | ||||
| 292 | 6689264 | 2.31 | 2.80 | |
| Tornillo hexagonal M5x16/s (antiguo 994-61050-164) | ||||
| 293 | 6684903 | 2.15 | 2.60 | |
| Caja de engranajes | ||||
| 331 | 6688813 | 80.31 | 97.18 | |
| Tornillo de agujero hexagonal M5x25/s (viejo 994-1 | ||||
| 332 | 6684709 | 2.15 | 2.60 | |
| Anillo de parada C-24.inner (antiguo 993-51024-002 | ||||
| 333 | 6684732 | 2.15 | 2.60 | |
| Anillo de parada C-9, exterior (antiguo 993-50009- | ||||
| 334 | 6695281 | 1.15 | 1.39 | |
| Rodamiento de bolas 609z ST | ||||
| 335 | 6684735 | 8.58 | 10.38 | |
| Rodamiento de bolas 609 | ||||
| 336 | 6684734 | 8.58 | 10.38 | |
| Caja de engranajes, plata (antiguo 300-3330b-20) | ||||
| 337 | 6688685 | 13.86 | 16.77 | |
| Tornillo con agujero hexagonal 5x10 (antiguo 990-5 | ||||
| 338 | 6695042 | 1.15 | 1.39 | |
| Perno de cabeza plus 8x10 (antiguo 994-23080-100/6 | ||||
| 339 | 6695437 | 1.15 | 1.39 | |
| Rodamiento de bolas 628 St | ||||
| 340 | 6695569 | 4.45 | 5.38 | |
| Eje de engranaje (antiguo 304-38331-20) | ||||
| 341 | 6688947 | 14.55 | 17.61 | |
| Rodamiento de bolas 6201d | ||||
| 342 | 6695554 | 5.94 | 7.18 | |
| Anillo de parada interno C-32, antiguo no. de piez | ||||
| 343 | 6695295 | 1.15 | 1.39 | |
| Porta-cutter, 12x10x1 (antiguo 310-38100-20 & 6689 | ||||
| 344 | 6689031 | 11.55 | 13.98 | |
| Tapa del Portaherramientas de Corte, 12x10x1 (anti | ||||
| 345 | 6689050 | 4.45 | 5.38 | |
| Cubierta de protección B (antigua 308-37861-20) | ||||
| 346 | 6688994 | 2.31 | 2.80 | |
| Tuerca de fijación del cortador L/h (anterior 313- | ||||
| 347 | 6689072 | 2.31 | 2.80 | |
| Arandela | ||||
| 348 | 6689159 | 1.15 | 1.39 | |
| Arandela | ||||
| 349 | 6686453 | 2.31 | 2.80 | |
| TORNILLO CON ORIFICIO HEX. 6X25S (ANTIGUO 994-8106 | ||||
| 350 | 6684714 | 2.15 | 2.60 | |
| Soporte de cubierta D26 (antiguo 442-38331-20) | ||||
| 351 | 6690315 | 4.45 | 5.38 | |
| Guarda de hoja 26 Ce (antiguo 441-37380-21/6690241 | ||||
| 352 | 6690242 | 16.64 | 20.13 | |
| Guarda de cuchilla 26ce (antiguo 441-38331-20) | ||||
| 352A | 6690276 | 17.55 | 21.24 | |
| Soporte de cubierta de seguridad (antiguo 445-3738 | ||||
| 353 | 6684748 | 4.29 | 5.19 | |
| Ya no disponible, sin reemplazo | ||||
| 354 | 6690372 | |||
| Guarda de la hoja (viejo 447-38331-20) | ||||
| 354A | 6690376 | 9.40 | 11.37 | |
| Cuchilla (antigua 797-37380-21/6693385) | ||||
| 355 | 6693386 | 4.45 | 5.38 | |
| Cuchilla (antiguo 797-37714-20) | ||||
| 355A | 6684750 | 4.29 | 5.19 | |
| Tornillo 5x12/s (antiguo 994-14050-121) | ||||
| 356 | 6695334 | 1.15 | 1.39 | |
| Tornillo autorroscante 4x14 (antiguo 993-48040-142 | ||||
| 356A | 6684751 | 2.15 | 2.60 | |
| Juego de piñones, de repuesto (antiguo 301-37134-0 | ||||
| 357 | 6688868 | 24.20 | 29.28 | |
| Tuerca hexagonal 5 (antiguo 991-01050-011) | ||||
| 358 | 6684965 | 1.04 | 1.26 | |
| Tornillo autoperforante 5x20 (antiguo 993-17052-00 | ||||
| 359 | 6684753 | 2.15 | 2.60 | |
| Cuchilla (antigua 797-38331-20) | ||||
| 360 | 6684754 | 8.58 | 10.38 | |
| No hay información disponible, no se puede pedir | ||||
| 501 | 6684764 | |||
| No hay información disponible, no se puede pedir | ||||
| 502 | 6684813 | |||
| No hay información disponible, no se puede pedir | ||||
| 503 | 6699555 | |||
| Cubierta del cortador (antiguo 615-37224-20/790290 | ||||
| 503B | 6684768 | 2.15 | 2.60 | |
| No hay información disponible, no se puede pedir | ||||
| 504A | 875769 | |||
| No hay información disponible, no se puede pedir | ||||
| 505 | 6692874 | |||
| No hay información disponible, no se puede pedir | ||||
| 506 | 6695791 | |||
| Cortador de cuerda de nylon | ||||
| 521 | 6601148 | 19.21 | 23.25 | |
| Caja (b) | ||||
| 522 | 6601149 | 10.73 | 12.98 | |
| Tuerca (1) | ||||
| 523 | 6601150 | 6.93 | 8.38 | |
| Resorte de carrete (antiguo 793-38454-20) | ||||
| 524 | 6693380 | 3.30 | 3.99 | |
| Soporte de línea | ||||
| 525 | 6601151 | 7.59 | 9.18 | |
| CUBIERTA | ||||
| 526 | 6601152 | 7.75 | 9.38 | |
| Ojal (antiguo 788-37770-20) | ||||
| 527 | 6684810 | 2.15 | 2.60 | |
| Placa de nombre Cg40ek(p) (antigua 906-04416-20) N | ||||
| 601 | 6694160 | 1.05 | 1.27 | |
| Marca Simbolica Hitachi (antiguo 929-04416-21) | ||||
| 602 | 6694626 | 2.10 | 2.54 | |
| Marca Simbólica (antigua 929-38100-20) Nueva | ||||
| 603 | 6694741 | 3.30 | 3.99 | |