Aquí encontrará todas las piezas y dibujos técnicos disponibles de 'Hikoki CG40EYA'. Desde aquí podrá pedir todas las piezas deseadas directamente. Para muchas piezas de repuesto, es necesario pasar un pedido al fabricante. Dependiendo de la marca, el plazo de entrega puede variar entre una y cuatro semanas. Toda la información que tenemos está en nuestro sitio web. No podremos aconsejarle sobre lo que necesita hasta que entregue la máquina para su reparación. Tenga en cuenta lo siguiente a la hora de cursar su pedido:
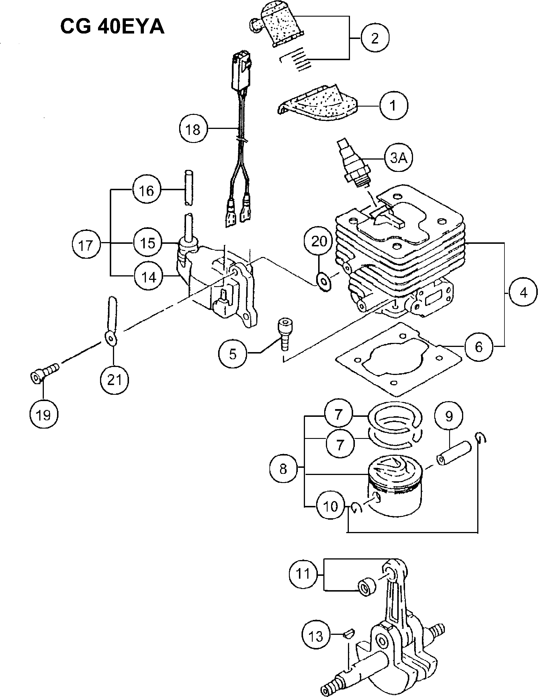
Dibujo técnico de los/las Hikoki CG40EYA
Lista de las piezas de repuesto de Hikoki CG40EYA
| Pos. | Descripción | Precio con el IVA excluido | Precio con el IVA incluido | |
| Los precios mostrados incluyen el IVA | ||||
| Cubierta de goma de bujía Till J032440 | ||||
| 1 | 6688336 | 3.30 | 3.99 | |
| Ensamble tapa de bujía (antiguo 157-11666-90/66874 | ||||
| 2 | 6687479 | 2.31 | 2.80 | |
| Bujía Rcj8y | ||||
| 3A | 6699328 | 3.30 | 3.99 | |
| No hay información disponible, no se puede pedir | ||||
| 4 | 6685476 | |||
| No hay información disponible, no se puede pedir | ||||
| 5 | 6684668 | |||
| Junta de cilindro (antiguo 017-04400-20) | ||||
| 6 | 6685741 | 2.31 | 2.80 | |
| Anillo de pistón (antiguo 041-04050-20) | ||||
| 7 | 6686123 | 4.45 | 5.38 | |
| No hay información disponible, no se puede pedir | ||||
| 8 | 6685889 | |||
| Pasador de pistón 10x30 (antiguo 037-01000-20) | ||||
| 9 | 6686007 | 2.31 | 2.80 | |
| Circlip de pin de pistón (antiguo 039-05004-20/790 | ||||
| 10 | 6686032 | 1.15 | 1.39 | |
| Cigüeñal Comp. (antiguo 046-04400-80) | ||||
| 11 | 6686192 | 84.40 | 102.12 | |
| Chaveta Wood-ruff 3x13x5 (antiguo 068-02000-20/790 | ||||
| 13 | 6686457 | 1.15 | 1.39 | |
| Bobina | ||||
| 14 | 6687655 | 36.15 | 43.74 | |
| Tapa de Goma | ||||
| 15 | 6684602 | 2.15 | 2.60 | |
| Cable de alta tensión (antiguo 178-20543-22/668788 | ||||
| 16 | 6687885 | 1.15 | 1.39 | |
| Bobina (antigua 167-20543-91 & 6687656) | ||||
| 17 | 6687657 | 30.25 | 36.60 | |
| Ensamblaje de cable principal | ||||
| 18 | 6687970 | 4.45 | 5.38 | |
| Tornillo 4x18/ws (antiguo 994-16040-183) | ||||
| 19 | 6695406 | 1.15 | 1.39 | |
| Arandela (antiguo 182-0186a-20) | ||||
| 20 | 6684600 | 2.15 | 2.60 | |
| Componente de abrazadera de cuerda (antiguo 198-11 | ||||
| 21 | 6688011 | 1.15 | 1.39 | |
| Caja del cigüeñal Ass'y (antiguo 072-04400-91) | ||||
| 41 | 6686559 | 50.21 | 60.76 | |
| Junta de la caja del cigüeñal (antiguo 090-04400-2 | ||||
| 42 | 6686715 | 1.15 | 1.39 | |
| Sello de aceite | ||||
| 43 | 6695637 | 3.30 | 3.99 | |
| No hay información disponible, no se puede pedir | ||||
| 44 | 6695557 | |||
| Calza de cigüeñal 0.20 (antigua 071-02007-23) | ||||
| 45 | 6686472 | 1.15 | 1.39 | |
| Calza de cigüeñal 0.30 (antigua 071-02007-24) | ||||
| 45 | 6686473 | 1.15 | 1.39 | |
| Perno de cabeza hueca hexagonal M5x30 S (antiguo 9 | ||||
| 46 | 6684786 | 2.15 | 2.60 | |
| Roto Magneto Comp. | ||||
| 47 | 6687372 | 19.96 | 24.15 | |
| Arandela | ||||
| 48 | 6695198 | 1.15 | 1.39 | |
| No hay información disponible, no se puede pedir | ||||
| 49 | 6695138 | |||
| Pequeña Tuerca 10 (antiguo 991-11100-013/6695138/7 | ||||
| 50 | 6695139 | 1.05 | 1.27 | |
| Juntura de admisión (antiguo 403-04300-20/790156) | ||||
| 81 | 6689885 | 2.31 | 2.80 | |
| CONJUNTO DE AISLANTES DE CARB., RECAMBIO (VIEJO 40 | ||||
| 82 | 6689955 | 8.91 | 10.78 | |
| Junta de carburador (antiguo 402-04300-20/790158) | ||||
| 83 | 6689833 | 1.15 | 1.39 | |
| Collar (antiguo 470-01380-20) | ||||
| 85 | 6690802 | 2.31 | 2.80 | |
| Cuerpo de limpiador Comp. (antiguo 423-01380-82/66 | ||||
| 86 | 6690099 | 5.28 | 6.38 | |
| Válvula de Estrangulamiento (antigua 528-01380-21) | ||||
| 87 | 6691258 | 1.15 | 1.39 | |
| Placa de verificación de soplado (antiguo 476-0170 | ||||
| 88 | 6690843 | 1.15 | 1.39 | |
| Elemento del filtro de aire | ||||
| 89A | 6690352 | 1.15 | 1.39 | |
| No hay información disponible, no se puede pedir | ||||
| 90 | 6684658 | |||
| Cubierta del filtro de aire | ||||
| 91 | 6690397 | 3.30 | 3.99 | |
| Tornillo especial (antiguo 380-0637c-20) | ||||
| 92 | 6689737 | 1.15 | 1.39 | |
| Tornillo M5x60 (antiguo 990-11050-602) | ||||
| 93 | 6684660 | 2.15 | 2.60 | |
| Arandela (antiguo 992-10050-012) | ||||
| 94 | 6684662 | 2.15 | 2.60 | |
| Juego de carburador | ||||
| 95 | 6690476 | 86.36 | 104.50 | |
| Juego de carburador | ||||
| 95 | 6690477 | 84.40 | 102.12 | |
| No hay información disponible, no se puede pedir | ||||
| 96 | 6693248 | |||
| No hay información disponible, no se puede pedir | ||||
| 97 | 6695425 | |||
| Collar de fijación del tanque (antiguo 649-01680-2 | ||||
| 98 | 6692182 | 2.31 | 2.80 | |
| No hay información disponible, no se puede pedir | ||||
| 99 | 6688166 | |||
| Clip D6 (antiguo 680-00070-20) | ||||
| 100A | 6685198 | 1.15 | 1.39 | |
| No hay información disponible, no se puede pedir | ||||
| 101A | 6684620 | |||
| Tanque blanco (antiguo 591-04413-22/6691536) | ||||
| 102 | 6691539 | 11.88 | 14.37 | |
| Collar C (antiguo 659-04300-20) | ||||
| 103 | 6684623 | 2.15 | 2.60 | |
| No hay información disponible, no se puede pedir | ||||
| 104 | 6691714 | |||
| Tapa de Goma | ||||
| 105 | 6691369 | 2.31 | 2.80 | |
| Conjunto de válvula de ventilación (antiguo 646-32 | ||||
| 106 | 6692172 | 4.95 | 5.99 | |
| No hay información disponible, no se puede pedir | ||||
| 107 | 6691394 | |||
| No hay información disponible, no se puede pedir | ||||
| 108 | 6691385 | |||
| Perno con agujero hexagonal 5x20/ps (antiguo 994-6 | ||||
| 109 | 6684634 | 2.15 | 2.60 | |
| Lecho del Motor (Antiguo 940-04300-20) | ||||
| 110 | 6694785 | 4.95 | 5.99 | |
| Ya no disponible, sin reemplazo | ||||
| 111 | 6684880 | |||
| Clip 5.5 (antiguo 680-00206-20) | ||||
| 112 | 6692305 | 1.15 | 1.39 | |
| Ya no disponible, sin reemplazo | ||||
| 113 | 6688156 | |||
| Perno de cabeza hueca hexagonal M5x30 S (antiguo 9 | ||||
| 114 | 6684786 | 2.15 | 2.60 | |
| Arandela M5 (old 992-01050-061) | ||||
| 115 | 6684918 | 2.15 | 2.60 | |
| No hay información disponible, no se puede pedir | ||||
| 117 | 6684625 | |||
| Ensamblaje del filtro de la bomba | ||||
| 118 | 6601175 | 3.14 | 3.80 | |
| Protector de silenciador (antiguo 738-0440a-21) | ||||
| 131 | 6692783 | 12.88 | 15.58 | |
| Tornillo de Cabeza Hexagonal M5x12 / s (antiguo 99 | ||||
| 132 | 6684667 | 2.15 | 2.60 | |
| Tornillo Hex. Orificio 6x65 (antiguo 990-51060-653 | ||||
| 134 | 6695067 | 1.15 | 1.39 | |
| Arandela | ||||
| 135 | 6684639 | 2.15 | 2.60 | |
| Set de silenciador Pn (antiguo 704-04401-90) | ||||
| 136 | 6692473 | 28.14 | 34.05 | |
| Arandela M5 (old 992-01050-061) | ||||
| 137 | 6684918 | 2.15 | 2.60 | |
| Tubo de escape (antiguo 721-04400-20) | ||||
| 138 | 6692652 | 3.30 | 3.99 | |
| Arandela | ||||
| 139 | 6685109 | 1.15 | 1.39 | |
| Arrestor de silenciador (antiguo 732-04400-20) | ||||
| 140 | 6692696 | 2.31 | 2.80 | |
| Junta del silenciador (antiguo 737-04230-20) | ||||
| 141 | 6692741 | 1.15 | 1.39 | |
| Escudo térmico | ||||
| 142 | 6687246 | 9.58 | 11.59 | |
| Pasacables (antiguo 203-0604a-20) | ||||
| 144A | 6688050 | 1.15 | 1.39 | |
| Tornillo de agujero hexagonal M5x25/s (viejo 994-1 | ||||
| 145 | 6684709 | 2.15 | 2.60 | |
| Arandela M5 (old 992-01050-061) | ||||
| 146 | 6684918 | 2.15 | 2.60 | |
| Arandela | ||||
| 147 | 6689645 | 1.15 | 1.39 | |
| Forro de embrague completo | ||||
| 148 | 6688614 | 7.93 | 9.59 | |
| Muelle de embrague (antiguo 342-04200-20) | ||||
| 149 | 6689428 | 1.15 | 1.39 | |
| Arandela | ||||
| 150 | 6695203 | 1.15 | 1.39 | |
| Perno de paso de embrague | ||||
| 151 | 6689632 | 3.30 | 3.99 | |
| No hay información disponible, no se puede pedir | ||||
| 152 | 6699556 | |||
| Montaje de Cuerpo de Arrancador de Retroceso | ||||
| 171A | 6697645 | 21.78 | 26.35 | |
| No hay información disponible, no se puede pedir | ||||
| 172 | 6693025 | |||
| Cuerpo de arranque de retroceso Comp. | ||||
| 172A | 6697646 | 11.71 | 14.17 | |
| Carrete de cuerda de arranque (antiguo 769-04220-2 | ||||
| 173 | 6693007 | 4.95 | 5.99 | |
| Carrete de cuerda de arranque | ||||
| 173A | 6697647 | 4.13 | 4.99 | |
| Resorte de retroceso (antiguo 779-04220-20) | ||||
| 174 | 6693114 | 9.08 | 10.98 | |
| STARTER SPRING | ||||
| 174A | 6697648 | 7.08 | 8.57 | |
| Cuerda de arranque (antigua 783-04270-20/6693164) | ||||
| 175 | 6693165 | 3.30 | 3.99 | |
| STARTER ROPE | ||||
| 175A | 6697649 | 2.64 | 3.19 | |
| No hay información disponible, no se puede pedir | ||||
| 176 | 6693607 | |||
| Manija de inicio | ||||
| 177 | 6693232 | 3.30 | 3.99 | |
| Manija de inicio | ||||
| 177A | 6697650 | 2.80 | 3.39 | |
| Tornillo de ajuste (antiguo 839-04220-20) | ||||
| 178 | 6693634 | 1.15 | 1.39 | |
| Trinquete de arranque (antiguo 788-0162v-20) | ||||
| 179 | 6693302 | 2.31 | 2.80 | |
| No hay información disponible, no se puede pedir | ||||
| 179A | 6697643 | |||
| Anillo de retención D4e (antiguo 993-55040-001) | ||||
| 180 | 6685101 | 1.15 | 1.39 | |
| Perno con agujero hexagonal 5x20/ps (antiguo 994-6 | ||||
| 181 | 6684634 | 2.15 | 2.60 | |
| Muelle de arranque (antiguo 790-0162v-20) | ||||
| 182 | 6693345 | 2.31 | 2.80 | |
| No hay información disponible, no se puede pedir | ||||
| 182A | 6697642 | |||
| Polea de inicio (antiguo 798-04220-90) | ||||
| 183 | 6693395 | 11.05 | 13.37 | |
| Polea de arranque | ||||
| 183A | 6697644 | 11.05 | 13.37 | |
| Tornillo de Ajuste del Acelerador (antiguo 514-251 | ||||
| 191 | 6684870 | 2.15 | 2.60 | |
| Regulador de Cable (antiguo 544-25164-20) | ||||
| 192 | 6684873 | 6.44 | 7.79 | |
| Giratorio (antiguo 539-25120-20) | ||||
| 193 | 6684697 | 6.44 | 7.79 | |
| Arandela (antiguo 549-25165-20) | ||||
| 194 | 6684874 | 2.15 | 2.60 | |
| Anillo de parada (antiguo 489-25100-20) | ||||
| 195 | 6684696 | 2.15 | 2.60 | |
| Ajustador de Cable (antiguo 614-25137-20) | ||||
| 196 | 6684871 | 4.29 | 5.19 | |
| O-RING (antiguo 550-25100-20) | ||||
| 197 | 6684695 | 4.29 | 5.19 | |
| Chorro principal, #44.5 (antiguo 599-200bw-44/6691 | ||||
| 198 | 6696131 | 6.44 | 7.79 | |
| Tuerca de Bloqueo M6 (antiguo 991-01060-013) | ||||
| 199 | 6684872 | 2.15 | 2.60 | |
| Junta de bomba (viejo 577-25100-20) | ||||
| 200 | 6691457 | 7.10 | 8.59 | |
| Diafragma de bomba (antiguo 576-25100-20 & 6696325 | ||||
| 201 | 6684693 | 8.58 | 10.38 | |
| Pantalla de entrada (antiguo 578-25007-20) | ||||
| 202 | 6684700 | 4.29 | 5.19 | |
| Cuerpo de bomba comp. (antiguo 575-25153-80) | ||||
| 203 | 6684879 | 62.16 | 75.22 | |
| Junta de diafragma (antiguo 475-25153-20) | ||||
| 204 | 6684691 | 8.58 | 10.38 | |
| Ya no disponible, sin reemplazo | ||||
| 205 | 6690827 | |||
| Cubierta de diafragma (antiguo 476-25151-20) | ||||
| 206 | 6684688 | 8.58 | 10.38 | |
| Tornillo de ajuste (antiguo 548-25151-20 & 6696324 | ||||
| 207 | 6684699 | 2.15 | 2.60 | |
| Empaquetadura del Limpiador (antiguo 431-0634c-20) | ||||
| 208 | 6684875 | 4.29 | 5.19 | |
| Bomba de cebado comp. (antiguo 442-25151-80) | ||||
| 209 | 6684687 | 16.34 | 19.77 | |
| Cuerpo de cebado (antiguo 447-25108-20) | ||||
| 210 | 6684689 | 6.44 | 7.79 | |
| Eje de clutch Comp. (antiguo 289-04308-80) | ||||
| 241 | 6688585 | 19.51 | 23.61 | |
| Rodamiento de bolas 6202zz | ||||
| 242 | 6695558 | 6.93 | 8.38 | |
| Anillo de tope C-35, interno (antiguo 993-51035-00 | ||||
| 243 | 6695296 | 1.15 | 1.39 | |
| Anillo de parada C-15, exterior (antiguo 993-50015 | ||||
| 244 | 6695285 | 1.15 | 1.39 | |
| Protector (antiguo 257-04400-20) | ||||
| 245 | 6688348 | 4.45 | 5.38 | |
| Perno con agujero hexagonal 5x20/ps (antiguo 994-6 | ||||
| 246 | 6684634 | 2.15 | 2.60 | |
| Perno con orificio hexagonal 6x25 (antiguo 9905406 | ||||
| 247 | 6695093 | 1.15 | 1.39 | |
| No hay información disponible, no se puede pedir | ||||
| 248 | 6686980 | |||
| No hay información disponible, no se puede pedir | ||||
| 249 | 6684668 | |||
| Goma de cable principal (ancien 203-11660-20) | ||||
| 250 | 6688057 | 1.15 | 1.39 | |
| Arandela | ||||
| 251 | 6685226 | 1.15 | 1.39 | |
| Eje motriz, 1552l (antiguo 343-38101-20) | ||||
| 271 | 6689476 | 17.70 | 21.42 | |
| No hay información disponible, no se puede pedir | ||||
| 272 | 6689403 | |||
| Conjunto de buje (antiguo 347-37100-90) | ||||
| 273 | 6689515 | 3.30 | 3.99 | |
| Perno del botón (antiguo 512-37861-80) | ||||
| 274 | 6691207 | 4.79 | 5.79 | |
| Soporte de Asa A (viejo 506-37861-20) | ||||
| 275 | 6691143 | 9.74 | 11.78 | |
| Soporte de asa B (antiguo 507-37861-20) | ||||
| 276 | 6691159 | 10.23 | 12.37 | |
| Soporte Holder (antiguo 522-37861-20) | ||||
| 277 | 6691237 | 5.28 | 6.38 | |
| Soporte de mango Comp. (antiguo 521-37861-80) | ||||
| 278 | 6691232 | 34.19 | 41.37 | |
| Tuerca especial M6x1.0 (antigua 315-37861-20) | ||||
| 279 | 6689102 | 8.41 | 10.18 | |
| Goma Antivibración | ||||
| 280 | 6689165 | 2.31 | 2.80 | |
| Tuerca 6 Ups-p (antigua 991-87060-001 & 6698766) | ||||
| 281 | 6695175 | 1.15 | 1.39 | |
| No hay información disponible, no se puede pedir | ||||
| 282 | 6695094 | |||
| Abrazadera de cable (antiguo 198-3332a-20) | ||||
| 283 | 6688016 | 1.15 | 1.39 | |
| Empuñadura Grip (antiguo 165-37861-20) | ||||
| 284 | 6687627 | 4.45 | 5.38 | |
| Abrazadera de cable (viej 198-37861-21/6697035) | ||||
| 285 | 6688025 | 1.15 | 1.39 | |
| Manija (antigua 501-37861-21) | ||||
| 286 | 6691079 | 36.15 | 43.74 | |
| Palanca del acelerador 22 (antigua 870-38110-91) | ||||
| 287 | 6693762 | 42.20 | 51.06 | |
| Tubo de Protección, 930l (viejo 164-07093-00) | ||||
| 288 | 6687547 | 2.31 | 2.80 | |
| Ya no disponible, sin reemplazo | ||||
| 289 | 6684721 | |||
| Resorte de retorno (antiguo 832-38400-20) | ||||
| 290 | 6684722 | 2.15 | 2.60 | |
| Palanca del acelerador (antiguo 880-38401-20) | ||||
| 291 | 6684723 | 10.23 | 12.37 | |
| Tornillo M4x20 (negro) (antiguo 993-46040-202) | ||||
| 293 | 6684725 | 2.15 | 2.60 | |
| Tornillo 5x30 (negro) (antiguo 994-31050-303) | ||||
| 294 | 6684726 | 2.15 | 2.60 | |
| No hay información disponible, no se puede pedir | ||||
| 295 | 6684727 | |||
| Componente del interruptor de parada (antiguo 156- | ||||
| 296A | 6687458 | 14.68 | 17.76 | |
| Cable del acelerador, 4t (antiguo 887-38110-80) | ||||
| 297 | 6694021 | 10.56 | 12.78 | |
| No hay información disponible, no se puede pedir | ||||
| 298A | 6693975 | |||
| No hay información disponible, no se puede pedir | ||||
| 311 | 6688801 | |||
| Tornillo de agujero hexagonal M5x25/s (viejo 994-1 | ||||
| 312 | 6684709 | 2.15 | 2.60 | |
| Anillo de retención C-28.interior (antiguo 993-510 | ||||
| 313 | 6684741 | 2.15 | 2.60 | |
| Anillo de Parada C-12 Exterior | ||||
| 314 | 6684664 | 2.15 | 2.60 | |
| Rodamiento de bolas 6001z | ||||
| 315 | 6695532 | 6.60 | 7.99 | |
| Rodamiento de bolas 6001 C3 | ||||
| 316 | 6684608 | 3.80 | 4.60 | |
| Caja de engranajes, plata (antiguo 300-33392-21/66 | ||||
| 317 | 6688703 | 28.14 | 34.05 | |
| Anillo 5 (antiguo 992-10050-062) | ||||
| 318 | 6684834 | 2.15 | 2.60 | |
| Bolt de cabeza hexagonal M5x12 (antiguo 990-51050- | ||||
| 319 | 6684829 | 2.15 | 2.60 | |
| Perno de cabeza plus 8x10 (antiguo 994-23080-100/6 | ||||
| 320 | 6695437 | 1.15 | 1.39 | |
| No hay información disponible, no se puede pedir | ||||
| 321 | 6695524 | |||
| Eje de engranaje 6x11x14 M10x1.25 Lh (antiguo 304- | ||||
| 322 | 6688942 | 22.24 | 26.91 | |
| Rodamiento de bolas #6203dd | ||||
| 323A | 6695564 | 9.58 | 11.59 | |
| Anillo de tope C-40, interno (antiguo 993-51040-00 | ||||
| 324 | 6695298 | 1.15 | 1.39 | |
| Portacortadora (antiguo 310-37100-22/6689020) | ||||
| 325 | 6689022 | 15.28 | 18.48 | |
| Tapa del Portaherramientas de Corte, 6x11x14 (anti | ||||
| 326 | 6689052 | 4.45 | 5.38 | |
| Cubierta de protección A Comp. (antiguo 307-37100- | ||||
| 327 | 6688982 | 4.45 | 5.38 | |
| Tornillo 5x16/w.s (antiguo 994-16050-162) | ||||
| 328 | 6695418 | 1.15 | 1.39 | |
| Tuerca de fijación del cortador L/h (anterior 313- | ||||
| 329 | 6689072 | 2.31 | 2.80 | |
| Arandela | ||||
| 330 | 6689157 | 1.15 | 1.39 | |
| Juego de engranaje-piñón, repuesto (antiguo 301-37 | ||||
| 331 | 6688866 | 26.16 | 31.66 | |
| TORNILLO CON ORIFICIO HEX. 6X25S (ANTIGUO 994-8106 | ||||
| 332 | 6684714 | 2.15 | 2.60 | |
| Soporte de cubierta D30 (antiguo 442-37862-20) | ||||
| 333 | 6690312 | 5.11 | 6.19 | |
| Guarda de hoja 30 Ce (antiguo 441-37130-21/6690229 | ||||
| 334 | 6690230 | 15.88 | 19.21 | |
| Guardia de hoja 31 Ce (antiguo 441-37862-20) | ||||
| 334A | 6690264 | 18.15 | 21.96 | |
| Soporte de cubierta de seguridad (antiguo 445-3738 | ||||
| 335 | 6684748 | 4.29 | 5.19 | |
| Ya no disponible, sin reemplazo | ||||
| 336 | 6690372 | |||
| Guarda de la hoja (viejo 447-38331-20) | ||||
| 336A | 6690376 | 9.40 | 11.37 | |
| Cuchilla (antigua 797-37380-21/6693385) | ||||
| 337 | 6693386 | 4.45 | 5.38 | |
| Cuchilla (antiguo 797-37714-20) | ||||
| 337A | 6684750 | 4.29 | 5.19 | |
| Tornillo 5x12/s (antiguo 994-14050-121) | ||||
| 338 | 6695334 | 1.15 | 1.39 | |
| Tornillo autorroscante 4x14 (antiguo 993-48040-142 | ||||
| 338A | 6684751 | 2.15 | 2.60 | |
| Tuerca hexagonal 5 (antiguo 991-01050-011) | ||||
| 339 | 6684965 | 1.04 | 1.26 | |
| Tornillo autoperforante 5x20 (antiguo 993-17052-00 | ||||
| 340 | 6684753 | 2.15 | 2.60 | |
| Cuchilla (antigua 797-38331-20) | ||||
| 341 | 6684754 | 8.58 | 10.38 | |
| Set de protección Mbg-08 (viejo 000-79650-00 & 669 | ||||
| 342 | 6695794 | 18.75 | 22.69 | |
| Guarda de seguridad, 8 in. (antiguo 441-37113-20) | ||||
| 343 | 6690227 | 19.06 | 23.07 | |
| Tornillo especial M5x50 (antiguo 314-37151-20) | ||||
| 345 | 6689084 | 1.15 | 1.39 | |
| Anillo 5 (antiguo 992-10050-062) | ||||
| 346 | 6684834 | 2.15 | 2.60 | |
| No hay información disponible, no se puede pedir | ||||
| 347 | 6685075 | |||
| No hay información disponible, no se puede pedir | ||||
| 501 | 6684813 | |||
| No hay información disponible, no se puede pedir | ||||
| 502 | 6693529 | |||
| Cubierta del cortador (antiguo 615-37181-20) | ||||
| 503 | 6692016 | 8.41 | 10.18 | |
| No hay información disponible, no se puede pedir | ||||
| 504 | 6684764 | |||
| No hay información disponible, no se puede pedir | ||||
| 505A | 875769 | |||
| No hay información disponible, no se puede pedir | ||||
| 506 | 6695792 | |||
| Cubierta de protección B (antigua 308-37861-20) | ||||
| 507 | 6688994 | 2.31 | 2.80 | |
| No hay información disponible, no se puede pedir | ||||
| 508 | 6695793 | |||
| No hay información disponible, no se puede pedir | ||||
| 509 | 6699555 | |||
| Cubierta del cortador (antiguo 615-37224-20/790290 | ||||
| 509B | 6684768 | 2.15 | 2.60 | |
| Protector de bobinado (antiguo 307-38100-20) | ||||
| 510 | 6688986 | 3.30 | 3.99 | |
| No hay información disponible, no se puede pedir | ||||
| 511 | 6695781 | |||
| Ya no disponible, sin reemplazo | ||||
| 512 | 6693271 | |||
| Ojal (antiguo 788-33670-21) | ||||
| 513 | 6693328 | 5.78 | 6.99 | |
| Base de Ajuste (antiguo 785-33840-20) | ||||
| 514 | 6693247 | 1.15 | 1.39 | |
| Resorte (plata) (antiguo 793-33910-20/6693376) | ||||
| 515 | 6693377 | 1.15 | 1.39 | |
| Arandela | ||||
| 516 | 6693362 | 1.15 | 1.39 | |
| Carrete para cable Bk (antiguo 787-33840-21/669329 | ||||
| 517 | 6693292 | 13.86 | 16.77 | |
| Bola de acero (antiguo 673-35600-20) | ||||
| 518 | 6692271 | 1.15 | 1.39 | |
| Carrete de registro (antiguo 790-33810-20) | ||||
| 519 | 6693358 | 1.15 | 1.39 | |
| Ya no disponible, sin reemplazo | ||||
| 520 | 6693338 | |||
| Tuerca de montaje L-m10x1.25 (antigua 315-33970-20 | ||||
| 521 | 6689098 | 6.44 | 7.79 | |
| No hay información disponible, no se puede pedir | ||||
| 522 | 6697908 | |||
| No hay información disponible, no se puede pedir | ||||
| 523 | 6695797 | |||
| Placa de nombre Cg40eya(tp) (antigua 906-48111-20) | ||||
| 601 | 6694352 | 1.05 | 1.27 | |
| Marca Simbolica Hitachi (antiguo 929-04416-21) | ||||
| 602 | 6694626 | 2.10 | 2.54 | |
| Marca Simbólica (antigua 929-38100-20) Nueva | ||||
| 603 | 6694741 | 3.30 | 3.99 | |