Aquí encontrará todas las piezas y dibujos técnicos disponibles de 'Hikoki CG51EA'. Desde aquí podrá pedir todas las piezas deseadas directamente. Para muchas piezas de repuesto, es necesario pasar un pedido al fabricante. Dependiendo de la marca, el plazo de entrega puede variar entre una y cuatro semanas. Toda la información que tenemos está en nuestro sitio web. No podremos aconsejarle sobre lo que necesita hasta que entregue la máquina para su reparación. Tenga en cuenta lo siguiente a la hora de cursar su pedido:
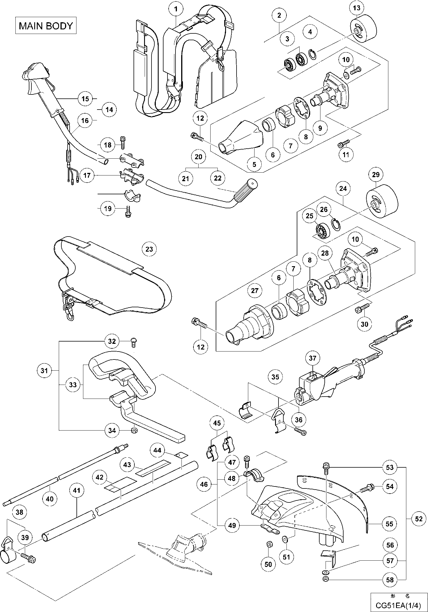
Dibujo técnico de los/las Hikoki CG51EA
Lista de las piezas de repuesto de Hikoki CG51EA
| Pos. | Descripción | Precio con el IVA excluido | Precio con el IVA incluido | |
| Los precios mostrados incluyen el IVA | ||||
| No hay información disponible, no se puede pedir | ||||
| 1 | 683239 | |||
| Caja de Embrague Ass'y | ||||
| 2 | 683217 | 125.40 | 151.73 | |
| No hay información disponible, no se puede pedir | ||||
| 3 | 683219 | |||
| SNAP RING H35 | ||||
| 4 | 683220 | 1.38 | 1.67 | |
| DRIVESHAFT TUBE ADAPTER | ||||
| 5 | 683224 | 36.08 | 43.66 | |
| Cojín (b) | ||||
| 6 | 683222 | 5.85 | 7.08 | |
| Cojín (a) | ||||
| 7 | 683221 | 12.15 | 14.70 | |
| Arandela | ||||
| 8 | 683223 | 3.30 | 3.99 | |
| Carcasa del cojinete | ||||
| 9 | 683218 | 37.95 | 45.92 | |
| No hay información disponible, no se puede pedir | ||||
| 10 | 683131 | |||
| Tornillo (con arandela esp.) M6 X 20 | ||||
| 11 | 683240 | 1.65 | 2.00 | |
| BOLT M6 X 30 WW | ||||
| 12 | 683225 | 1.38 | 1.67 | |
| No hay información disponible, no se puede pedir | ||||
| 13 | 683226 | |||
| Mango B Ass'y D19 D | ||||
| 14 | 683236 | 107.94 | 130.60 | |
| Gatillo del acelerador | ||||
| 15 | 683238 | 84.84 | 102.65 | |
| HANDLE B D19R | ||||
| 16 | 683237 | 9.72 | 11.76 | |
| Soporte de manija Ass'y | ||||
| 17 | 683230 | 23.65 | 28.62 | |
| BOLT M6 X 25 SWS | ||||
| 18 | 683231 | 1.26 | 1.52 | |
| BOLT M6 X 30 WW | ||||
| 19 | 683225 | 1.38 | 1.67 | |
| Mango A Ass'y D19 I | ||||
| 20 | 683233 | 35.06 | 42.43 | |
| Ya no disponible, sin reemplazo | ||||
| 21 | 683234 | |||
| Agarre de Mano | ||||
| 22 | 683235 | 13.35 | 16.15 | |
| No hay información disponible, no se puede pedir | ||||
| 23 | 683002 | |||
| No hay información disponible, no se puede pedir | ||||
| 24 | 683244 | |||
| KOGELLAGER | ||||
| 25 | 683246 | 6.78 | 8.20 | |
| ANILLO DE RETENCIÓN | ||||
| 26 | 683170 | 1.65 | 2.00 | |
| DRIVE SHAFTTUBE ADAPTER | ||||
| 27 | 683247 | 28.38 | 34.34 | |
| BEARING CASE | ||||
| 28 | 683245 | 26.24 | 31.75 | |
| No hay información disponible, no se puede pedir | ||||
| 29 | 683248 | |||
| BOLT | ||||
| 30 | 683254 | 1.26 | 1.52 | |
| No hay información disponible, no se puede pedir | ||||
| 31 | 683251 | |||
| Ya no disponible, sin reemplazo | ||||
| 32 | 682990 | |||
| No hay información disponible, no se puede pedir | ||||
| 33 | 682988 | |||
| Tuerca M5 (10 piezas) (ANTIGUO 949555Z) | ||||
| 34 | 949555 | 1.05 | 1.27 | |
| No hay información disponible, no se puede pedir | ||||
| 35 | 683250 | |||
| No hay información disponible, no se puede pedir | ||||
| 36 | 682986 | |||
| Gatillo del acelerador | ||||
| 37 | 683249 | 49.64 | 60.06 | |
| Soporte colgante Ass'y | ||||
| 38 | 683229 | 9.00 | 10.89 | |
| Tornillo M5x15 | ||||
| 39 | 682999 | 1.65 | 2.00 | |
| Eje de transmisión Ass'y | ||||
| 40 | 683253 | 24.20 | 29.28 | |
| Tubo del Eje de Transmisión | ||||
| 41 | 683228 | 84.56 | 102.32 | |
| No hay información disponible, no se puede pedir | ||||
| 44 | 683352 | |||
| Guía de alambre | ||||
| 45 | 683232 | 1.65 | 2.00 | |
| No hay información disponible, no se puede pedir | ||||
| 46 | 683241 | |||
| No hay información disponible, no se puede pedir | ||||
| 47 | 682994 | |||
| No hay información disponible, no se puede pedir | ||||
| 48 | 683242 | |||
| Soporte roscado | ||||
| 49 | 683243 | 6.45 | 7.80 | |
| Tuerca M5 (10 piezas) (ANTIGUO 949555Z) | ||||
| 50 | 949555 | 1.05 | 1.27 | |
| Arandela Plana M5 | ||||
| 51 | 683000 | 1.65 | 2.00 | |
| Ya no disponible, sin reemplazo | ||||
| 52 | 682995 | |||
| No hay información disponible, no se puede pedir | ||||
| 53 | 682997 | |||
| Tornillo M5x15 | ||||
| 54 | 682999 | 1.65 | 2.00 | |
| No hay información disponible, no se puede pedir | ||||
| 55 | 682998 | |||
| No hay información disponible, no se puede pedir | ||||
| 56 | 682996 | |||
| Arandela de resorte M5 (10 piezas) | ||||
| 57 | 949454 | 1.04 | 1.26 | |
| Tuerca M5 (10 piezas) (ANTIGUO 949555Z) | ||||
| 58 | 949555 | 1.05 | 1.27 | |
| Perno M6x12 (antiguo 312785) | ||||
| 71 | 683268 | 1.65 | 2.00 | |
| No hay información disponible, no se puede pedir | ||||
| 72 | 683269 | |||
| Perno M8 X 22 Wsw L.h. | ||||
| 73 | 683018 | 1.65 | 2.00 | |
| Estabilizador a excepción del modelo (l) | ||||
| 74 | 683267 | 4.80 | 5.81 | |
| No hay información disponible, no se puede pedir | ||||
| 75 | 683266 | |||
| No hay información disponible, no se puede pedir | ||||
| 76 | 683265 | |||
| Sello de aceite | ||||
| 77 | 683261 | 4.80 | 5.81 | |
| Collar | ||||
| 78 | 683260 | 4.35 | 5.26 | |
| ANILLO DE RETENCIÓN | ||||
| 79 | 683170 | 1.65 | 2.00 | |
| RODAMIENTO DE BOLAS | ||||
| 80 | 683259 | 6.45 | 7.80 | |
| Eje de la cuchilla | ||||
| 81 | 683258 | 29.29 | 35.44 | |
| RODAMIENTO DE BOLAS | ||||
| 82 | 683154 | 25.44 | 30.78 | |
| Perno (1) | ||||
| 83 | 683271 | 1.65 | 2.00 | |
| BOLT M6 X 30 WW | ||||
| 84 | 683225 | 1.38 | 1.67 | |
| Caja de engranajes | ||||
| 85 | 683256 | 67.10 | 81.19 | |
| Caja de engranajes | ||||
| 85 | 683270 | 46.75 | 56.57 | |
| RODAMIENTO DE BOLAS | ||||
| 86 | 683262 | 6.45 | 7.80 | |
| RODAMIENTO DE BOLAS | ||||
| 87 | 683263 | 6.45 | 7.80 | |
| No hay información disponible, no se puede pedir | ||||
| 88 | 683264 | |||
| Anillo de retención H26 | ||||
| 89 | 683128 | 1.50 | 1.82 | |
| No hay información disponible, no se puede pedir | ||||
| 90 | 683257 | |||
| TORNILLO DE TAPA | ||||
| 123 | 683279 | 3.00 | 3.63 | |
| SILENCIADOR | ||||
| 124 | 683277 | 34.51 | 41.76 | |
| Junta Completa | ||||
| 125 | 683278 | 11.70 | 14.16 | |
| No hay información disponible, no se puede pedir | ||||
| 126 | 683033 | |||
| Top Cover Ass'y | ||||
| 127 | 683280 | 34.51 | 41.76 | |
| BOTÓN | ||||
| 128 | 683282 | 4.80 | 5.81 | |
| Etiqueta de advertencia (b) | ||||
| 129 | 683351 | 3.30 | 3.99 | |
| TOP COVER | ||||
| 130 | 683281 | 20.35 | 24.62 | |
| GROMMET | ||||
| 131 | 683181 | 1.26 | 1.52 | |
| SPACER | ||||
| 132 | 683283 | 2.46 | 2.98 | |
| ANILLO DE RETENCIÓN | ||||
| 133 | 683284 | 1.50 | 1.82 | |
| Bujía | ||||
| 134 | 683068 | 6.75 | 8.17 | |
| Placa | ||||
| 135 | 683276 | 3.30 | 3.99 | |
| AISLANTE | ||||
| 136 | 683275 | 8.70 | 10.53 | |
| No hay información disponible, no se puede pedir | ||||
| 137 | 683029 | |||
| CAP SCREW | ||||
| 138 | 683274 | 1.26 | 1.52 | |
| CILINDRO | ||||
| 139 | 683347 | 189.61 | 229.43 | |
| No hay información disponible, no se puede pedir | ||||
| 140 | 683273 | |||
| No hay información disponible, no se puede pedir | ||||
| 141 | 683349 | |||
| Clip Piston | ||||
| 142 | 683294 | 1.50 | 1.82 | |
| No hay información disponible, no se puede pedir | ||||
| 143 | 683292 | |||
| PISTÓN | ||||
| 144 | 683348 | 32.18 | 38.93 | |
| MAGNET ASS'Y | ||||
| 145 | 683303 | 128.64 | 155.65 | |
| Bobina | ||||
| 146 | 683305 | 105.05 | 127.11 | |
| ROTOR | ||||
| 147 | 683304 | 67.10 | 81.19 | |
| No hay información disponible, no se puede pedir | ||||
| 148 | 683307 | |||
| No hay información disponible, no se puede pedir | ||||
| 149 | 683061 | |||
| Tapa del enchufe | ||||
| 150 | 683060 | 4.35 | 5.26 | |
| No hay información disponible, no se puede pedir | ||||
| 151 | 683308 | |||
| No hay información disponible, no se puede pedir | ||||
| 152 | 683309 | |||
| No hay información disponible, no se puede pedir | ||||
| 153 | 683062 | |||
| No hay información disponible, no se puede pedir | ||||
| 154 | 683306 | |||
| No hay información disponible, no se puede pedir | ||||
| 155 | 683067 | |||
| No hay información disponible, no se puede pedir | ||||
| 156 | 683066 | |||
| NUT | ||||
| 157 | 683310 | 1.26 | 1.52 | |
| Sello de aceite | ||||
| 158 | 683287 | 4.35 | 5.26 | |
| Carter de cigüeñal | ||||
| 159 | 683285 | 84.84 | 102.65 | |
| SNAP RING H35 | ||||
| 160 | 683220 | 1.38 | 1.67 | |
| No hay información disponible, no se puede pedir | ||||
| 161 | 683286 | |||
| No hay información disponible, no se puede pedir | ||||
| 162 | 683064 | |||
| RODAMIENTO DE AGUJAS | ||||
| 163 | 683293 | 10.95 | 13.25 | |
| CAP SCREW | ||||
| 164 | 683289 | 1.26 | 1.52 | |
| SCREEN | ||||
| 165 | 683328 | 1.26 | 1.52 | |
| Cigüeñal | ||||
| 166 | 683295 | 183.70 | 222.28 | |
| Sello de aceite | ||||
| 167 | 683288 | 3.30 | 3.99 | |
| PLOMO | ||||
| 168 | 683311 | 3.00 | 3.63 | |
| Ya no disponible, sin reemplazo | ||||
| 169 | 683302 | |||
| No hay información disponible, no se puede pedir | ||||
| 170 | 683087 | |||
| No hay información disponible, no se puede pedir | ||||
| 171 | 683088 | |||
| Tornillo de embrague | ||||
| 172 | 683301 | 4.80 | 5.81 | |
| Arandela ondulada | ||||
| 173 | 683300 | 1.65 | 2.00 | |
| EMBRAGUE DE DESLIZAMIENTO COMPLETO | ||||
| 174 | 683296 | 40.84 | 49.41 | |
| Embrague de primavera | ||||
| 175 | 683298 | 6.45 | 7.80 | |
| Zapato de embrague | ||||
| 176 | 683297 | 16.64 | 20.13 | |
| Arandela | ||||
| 177 | 683299 | 1.65 | 2.00 | |
| No hay información disponible, no se puede pedir | ||||
| 178 | 683312 | |||
| Ensamblaje de trinquete de arranque | ||||
| 179 | 683322 | 22.83 | 27.62 | |
| E-ANILLO | ||||
| 180 | 683326 | 1.65 | 2.00 | |
| POLEA | ||||
| 181 | 683325 | 15.54 | 18.80 | |
| No hay información disponible, no se puede pedir | ||||
| 182 | 683324 | |||
| No hay información disponible, no se puede pedir | ||||
| 183 | 683323 | |||
| No hay información disponible, no se puede pedir | ||||
| 184 | 683313 | |||
| SCREW | ||||
| 185 | 683321 | 1.38 | 1.67 | |
| Arandela | ||||
| 186 | 683320 | 1.50 | 1.82 | |
| No hay información disponible, no se puede pedir | ||||
| 187 | 683319 | |||
| No hay información disponible, no se puede pedir | ||||
| 188 | 683318 | |||
| Ass'y de cuerda | ||||
| 189 | 683314 | 14.25 | 17.24 | |
| Ya no disponible, sin reemplazo | ||||
| 190 | 683316 | |||
| Botón de arranque | ||||
| 191 | 683315 | 5.85 | 7.08 | |
| TAPA | ||||
| 192 | 683317 | 3.00 | 3.63 | |
| No hay información disponible, no se puede pedir | ||||
| 193 | 683327 | |||
| TORNILLO DE TAPA | ||||
| 194 | 683163 | 1.50 | 1.82 | |
| Junta | ||||
| 221 | 683346 | 1.50 | 1.82 | |
| Conjunto de carburador | ||||
| 222 | 683329 | 183.01 | 221.45 | |
| SCREW | ||||
| 223 | 683199 | 6.30 | 7.62 | |
| No hay información disponible, no se puede pedir | ||||
| 224 | 683083 | |||
| Tornillo | ||||
| 225 | 683197 | 5.85 | 7.08 | |
| BRACKET | ||||
| 226 | 683198 | 8.88 | 10.74 | |
| No hay información disponible, no se puede pedir | ||||
| 227 | 683102 | |||
| RING | ||||
| 228 | 683201 | 1.26 | 1.52 | |
| No hay información disponible, no se puede pedir | ||||
| 229 | 683101 | |||
| FRAME | ||||
| 230 | 683200 | 5.52 | 6.68 | |
| No hay información disponible, no se puede pedir | ||||
| 231 | 683090 | |||
| Chorro principal | ||||
| 232 | 683330 | 10.50 | 12.70 | |
| Junta | ||||
| 233 | 683092 | 5.85 | 7.08 | |
| No hay información disponible, no se puede pedir | ||||
| 234 | 683093 | |||
| No hay información disponible, no se puede pedir | ||||
| 235 | 683094 | |||
| Junta | ||||
| 236 | 683095 | 5.85 | 7.08 | |
| No hay información disponible, no se puede pedir | ||||
| 237 | 683331 | |||
| No hay información disponible, no se puede pedir | ||||
| 238 | 683097 | |||
| No hay información disponible, no se puede pedir | ||||
| 239 | 683098 | |||
| Cubierta de la bomba | ||||
| 240 | 683099 | 7.05 | 8.53 | |
| No hay información disponible, no se puede pedir | ||||
| 241 | 683100 | |||
| Ensamblaje de limpiador de aire | ||||
| 242 | 683332 | 64.21 | 77.70 | |
| Manga/Acero inoxidable/Herramienta eléctrica | ||||
| 243 | 683334 | 3.00 | 3.63 | |
| Carcasa del filtro de aire | ||||
| 244 | 683333 | 11.55 | 13.98 | |
| Valvula de estrangulación | ||||
| 245 | 683208 | 7.95 | 9.62 | |
| Arandela | ||||
| 246 | 683206 | 3.00 | 3.63 | |
| No hay información disponible, no se puede pedir | ||||
| 247 | 683335 | |||
| No hay información disponible, no se puede pedir | ||||
| 248 | 683336 | |||
| No hay información disponible, no se puede pedir | ||||
| 249 | 683337 | |||
| TORNILLO DE TAPA | ||||
| 250 | 683338 | 1.50 | 1.82 | |
| Clip BHC 18 | ||||
| 251 | 683122 | 1.65 | 2.00 | |
| No hay información disponible, no se puede pedir | ||||
| 252 | 683339 | |||
| No hay información disponible, no se puede pedir | ||||
| 253 | 683341 | |||
| Montaje de tubería | ||||
| 254 | 683342 | 8.70 | 10.53 | |
| Tubo de combustible L220 | ||||
| 255 | 683343 | 3.00 | 3.63 | |
| OJAL | ||||
| 256 | 683118 | 4.35 | 5.26 | |
| Tubo de retorno 3x6x85 | ||||
| 257 | 683120 | 1.50 | 1.82 | |
| Filtro de combustible | ||||
| 258 | 683344 | 9.60 | 11.62 | |
| Clip BHC 18 | ||||
| 259 | 683122 | 1.65 | 2.00 | |
| Respiradero | ||||
| 260 | 683115 | 10.80 | 13.07 | |
| No hay información disponible, no se puede pedir | ||||
| 261 | 683340 | |||
| Tapa del tanque completa | ||||
| 262 | 683113 | 7.65 | 9.26 | |
| No hay información disponible, no se puede pedir | ||||
| 263 | 683114 | |||
| No hay información disponible, no se puede pedir | ||||
| 264 | 683216 | |||
| No hay información disponible, no se puede pedir | ||||
| 265 | 683345 | |||
| No hay información disponible, no se puede pedir | ||||
| 501 | 683155 | |||
| No hay información disponible, no se puede pedir | ||||
| 502 | 683156 | |||
| No hay información disponible, no se puede pedir | ||||
| 503 | 683020 | |||
| No hay información disponible, no se puede pedir | ||||
| 504 | 683021 | |||
| Ya no disponible, sin reemplazo | ||||
| 505 | 683022 | |||
| Ya no disponible, sin reemplazo | ||||
| 506 | 683023 | |||
| No hay información disponible, no se puede pedir | ||||
| 507 | 944459 | |||
| No hay información disponible, no se puede pedir | ||||
| 601 | 682975 | |||