Aquí encontrará todas las piezas y dibujos técnicos disponibles de 'Hikoki CH36DL'. Desde aquí podrá pedir todas las piezas deseadas directamente. Para muchas piezas de repuesto, es necesario pasar un pedido al fabricante. Dependiendo de la marca, el plazo de entrega puede variar entre una y cuatro semanas. Toda la información que tenemos está en nuestro sitio web. No podremos aconsejarle sobre lo que necesita hasta que entregue la máquina para su reparación. Tenga en cuenta lo siguiente a la hora de cursar su pedido:
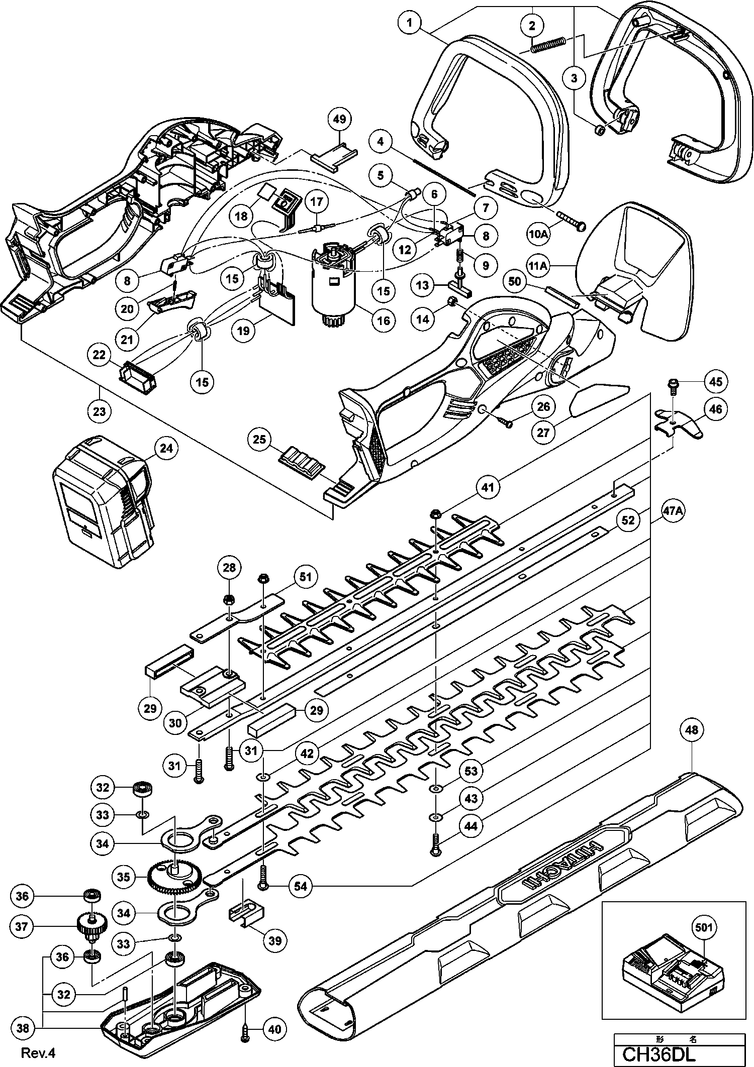
Dibujo técnico de los/las Hikoki CH36DL
Lista de las piezas de repuesto de Hikoki CH36DL
| Pos. | Descripción | Precio con el IVA excluido | Precio con el IVA incluido | |
| Los precios mostrados incluyen el IVA | ||||
| Asamblea de la Manija Sub Incl.4,5 | ||||
| 1 | 335015 | 13.95 | 16.88 | |
| Resorte (c) | ||||
| 2 | 333341 | 1.20 | 1.45 | |
| Collar | ||||
| 3 | 335347 | 1.04 | 1.26 | |
| Eje (d) | ||||
| 4 | 335019 | 1.04 | 1.26 | |
| Terminal de soldadura 50092 (10 piezas) | ||||
| 5 | 959141 | 3.75 | 4.54 | |
| Cable interno (L96) | ||||
| 6 | 335345 | 1.04 | 1.26 | |
| Cable interno (L186) | ||||
| 7 | 335344 | 1.04 | 1.26 | |
| Interruptor | ||||
| 8 | 335018 | 3.45 | 4.17 | |
| RESORTE (d) | ||||
| 9 | 333344 | 1.20 | 1.45 | |
| Tornillo de máquina (con arandela) M5x30 (negro) | ||||
| 10A | 336239 | 1.04 | 1.26 | |
| Protector de mano | ||||
| 11A | 335010 | 2.10 | 2.54 | |
| INTERNE DRAAD L204 | ||||
| 12 | 335343 | 1.00 | 1.21 | |
| Pasador de presión | ||||
| 13 | 333343 | 1.20 | 1.45 | |
| Tuerca M5 (negro) | ||||
| 14 | 302012 | 1.05 | 1.27 | |
| Tubo termorretráctil | ||||
| 15 | 334379 | 4.65 | 5.63 | |
| Motor Dc 36v | ||||
| 16 | 335016 | 28.60 | 34.61 | |
| DIODO | ||||
| 17 | 335346 | 1.20 | 1.45 | |
| No hay información disponible, no se puede pedir | ||||
| 18 | 335342 | |||
| No hay información disponible, no se puede pedir | ||||
| 19 | 335341 | |||
| Muelle | ||||
| 20 | 324307 | 1.88 | 2.27 | |
| Muelle (e) | ||||
| 20 | 373361 | 1.05 | 1.27 | |
| PERILLA DE BLOQUEO | ||||
| 21 | 333761 | 1.04 | 1.26 | |
| Terminal de batería | ||||
| 22 | 331399 | 2.10 | 2.54 | |
| No hay información disponible, no se puede pedir | ||||
| 23 | 335012 | |||
| No hay información disponible, no se puede pedir | ||||
| 24 | 334998 | |||
| Cojín de goma | ||||
| 25 | 332668 | 2.10 | 2.54 | |
| Tornillo de roscado D4x20 con brida (negro) | ||||
| 26 | 301653 | 1.04 | 1.26 | |
| NYLON NUT M6 | ||||
| 28 | 6698766 | 1.00 | 1.21 | |
| Cojín | ||||
| 29 | 335021 | 1.04 | 1.26 | |
| Pieza intermedia | ||||
| 30 | 335020 | 3.90 | 4.72 | |
| Perno de cabeza hexagonal M6x25 (con botón) | ||||
| 31 | 6699113 | 1.65 | 2.00 | |
| Rodamiento de bolas 608ddmc2eps2s | ||||
| 32 | 608DDM | 5.55 | 6.72 | |
| Arandela | ||||
| 33 | 335022 | 1.04 | 1.26 | |
| Excéntrico | ||||
| 34 | 373362 | 4.35 | 5.26 | |
| Varilla de leva (a) | ||||
| 34 | 6698987 | 2.10 | 2.54 | |
| ENGANCHE | ||||
| 35 | 335014 | 13.75 | 16.64 | |
| RODAMIENTO DE BOLAS 626ZZC2 PS2L | ||||
| 36 | 335669 | 4.50 | 5.44 | |
| Primera Engranaje | ||||
| 37 | 335013 | 10.50 | 12.70 | |
| Placa Inferior | ||||
| 38 | 335017 | 15.95 | 19.30 | |
| Soporte de varilla de leva | ||||
| 39 | 335677 | 1.20 | 1.45 | |
| Tornillo autoperforante (con brida) D5x20 (negro) | ||||
| 40 | 302089 | 1.05 | 1.27 | |
| Tuerca en U M5 | ||||
| 41 | 6699108 | 1.65 | 2.00 | |
| Arandela (a) | ||||
| 42 | 6699114 | 1.04 | 1.26 | |
| Arandela M7 | ||||
| 43 | 6699111 | 1.04 | 1.26 | |
| Tornillo de botón de hombro M5x25 | ||||
| 44 | 6699109 | 1.65 | 2.00 | |
| Tornillo Hex. de cabeza alveolar M5x8 (con brida) | ||||
| 45 | 6699065 | 1.04 | 1.26 | |
| Placa de guardia | ||||
| 46 | 6699062 | 1.04 | 1.26 | |
| Ensamblaje de cuchilla 620mm (viejo 660961) | ||||
| 47A | 6600409 | 65.86 | 79.69 | |
| CUBIERTA DE PROTECCIÓN 5,0m ET-BG | ||||
| 48 | 335011 | 5.40 | 6.53 | |
| Fieltro (1) | ||||
| 49 | 335761 | 1.95 | 2.36 | |
| Junta (a) Cm12y | ||||
| 50 | 335762 | 1.04 | 1.26 | |
| Placa de soporte | ||||
| 51 | 337893 | 2.40 | 2.90 | |
| Forro de hoja de 620 Mm | ||||
| 52 | 6600360 | 4.35 | 5.26 | |
| Arandela (b) Ds9dva/ds12dva/ds14dv Ds14dva/ds14dvb | ||||
| 53 | 6699112 | 1.04 | 1.26 | |
| Perno de botón de hombro M5x31 | ||||
| 54 | 6699179 | 2.10 | 2.54 | |
| Asamblea de la hoja de 780mm | ||||
| 601A | 6600410 | 77.00 | 93.17 | |
| Funda de la cuchilla (780mm) | ||||
| 602 | 336102 | 5.70 | 6.90 | |