Aquí encontrará todas las piezas y dibujos técnicos disponibles de 'Hikoki CH66EB3'. Desde aquí podrá pedir todas las piezas deseadas directamente. Para muchas piezas de repuesto, es necesario pasar un pedido al fabricante. Dependiendo de la marca, el plazo de entrega puede variar entre una y cuatro semanas. Toda la información que tenemos está en nuestro sitio web. No podremos aconsejarle sobre lo que necesita hasta que entregue la máquina para su reparación. Tenga en cuenta lo siguiente a la hora de cursar su pedido:
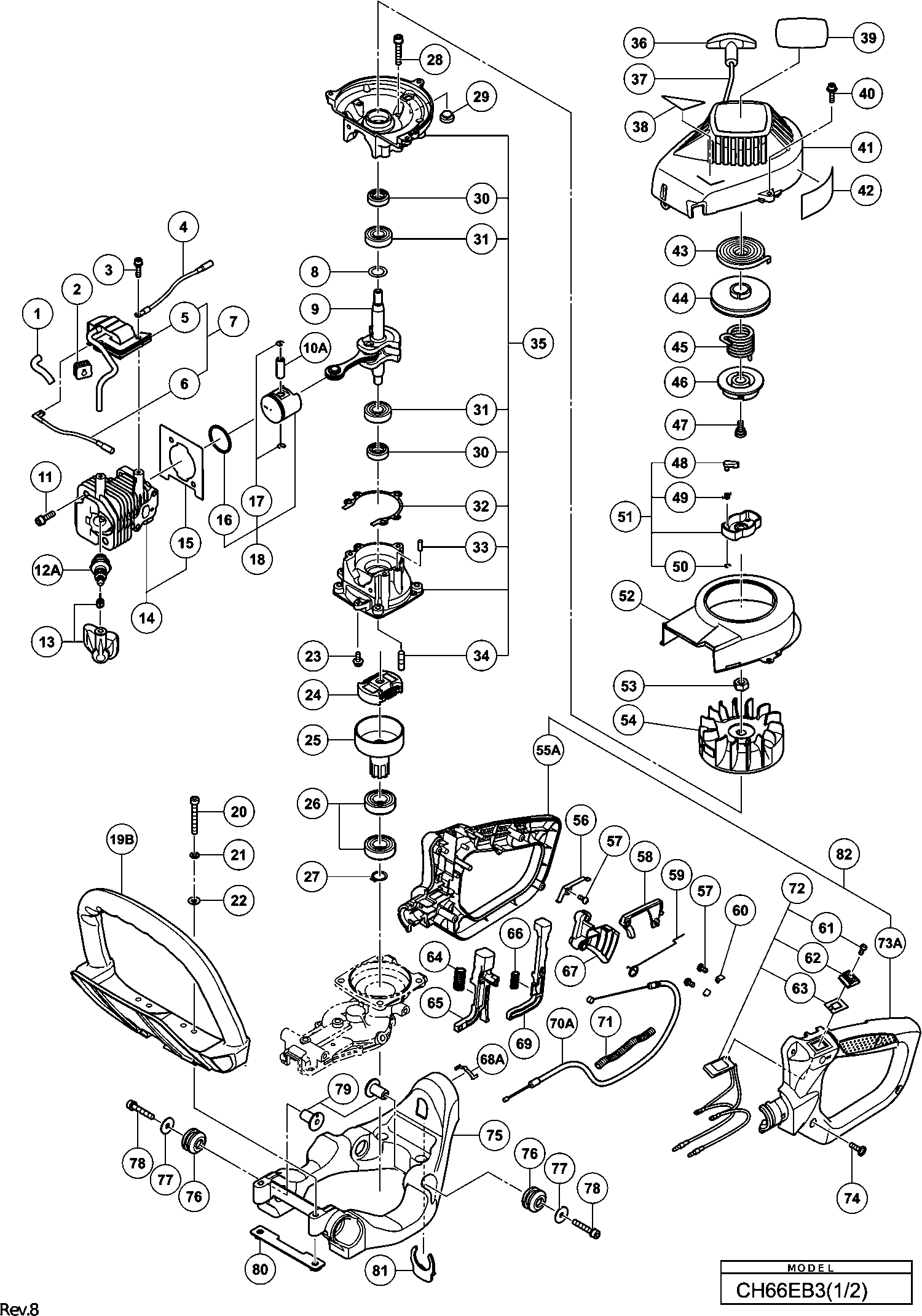
Dibujo técnico de los/las Hikoki CH66EB3
Lista de las piezas de repuesto de Hikoki CH66EB3
| Pos. | Descripción | Precio con el IVA excluido | Precio con el IVA incluido | |
| Los precios mostrados incluyen el IVA | ||||
| Tubo aislante 50l (antiguo 250-06500-20) | ||||
| 1 | 6684597 | 2.15 | 2.60 | |
| Pasacables (antiguo 203-0604a-20) | ||||
| 2 | 6688050 | 1.15 | 1.39 | |
| Tornillo con agujero hexagonal M4x18/ws (antiguo 9 | ||||
| 3 | 6684599 | 2.15 | 2.60 | |
| Cordón (antiguo 274-51705-80) | ||||
| 4 | 6688477 | 2.31 | 2.80 | |
| Ya no disponible, sin reemplazo | ||||
| 6 | 6687918 | |||
| Calzo de eje de engranaje 0.20 (antiguo 330-00200- | ||||
| 8 | 6684604 | 2.15 | 2.60 | |
| Calzo de eje de engranaje 0.30 (antiguo 330-00200- | ||||
| 8 | 6684605 | 2.15 | 2.60 | |
| Cigüeñal comp. (antiguo 046-06621-80) | ||||
| 9 | 6686208 | 40.24 | 48.69 | |
| Pasador del pistón | ||||
| 10A | 6696944 | 3.33 | 4.02 | |
| Bolt M5x18 / s hexagonal (antiguo 994-61050-184) | ||||
| 11 | 6684586 | 2.15 | 2.60 | |
| Ensamble de bujía Bpmr6a (antiguo 6685086) | ||||
| 12A | 6699319 | 8.91 | 10.78 | |
| Ensamble tapa de bujía (antiguo 157-06500-91) | ||||
| 13 | 6687476 | 4.45 | 5.38 | |
| Conjunto de cilindros (antiguo 001-0650a-90) | ||||
| 14 | 6685480 | 40.24 | 48.69 | |
| Junta de cilindro (antiguo 017-06500-20) | ||||
| 15 | 6685744 | 1.15 | 1.39 | |
| Anillo de pistón (antiguo 041-00601-21/ 6686117) | ||||
| 16 | 6686118 | 4.45 | 5.38 | |
| Circlip del pasador del pistón (antiguo 039-00601- | ||||
| 17 | 6684590 | 2.15 | 2.60 | |
| Conjunto de pistones (antiguo 030-0650a-90) | ||||
| 18 | 6685892 | 20.11 | 24.34 | |
| Manejar | ||||
| 19B | 6699079 | 5.25 | 6.35 | |
| Tornillo Hex. Agujero 5x40 (antiguo 990-51050-403) | ||||
| 20 | 6695054 | 1.15 | 1.39 | |
| Anillo 5 (antiguo 992-10050-062) | ||||
| 21 | 6684834 | 2.15 | 2.60 | |
| Arandela M5 (old 992-01050-061) | ||||
| 22 | 6684918 | 2.15 | 2.60 | |
| Tornillo 4x12ps (antiguo 994-25040-128) | ||||
| 23 | 6695441 | 1.15 | 1.39 | |
| EMBRAGUE DE DESLIZAMIENTO COMPLETO | ||||
| 24 | 6688494 | 9.74 | 11.78 | |
| Tambor de embrague Comp. (viejo 288-33180-80) | ||||
| 25 | 6688570 | 17.70 | 21.42 | |
| Rodamiento de bolas 6002z | ||||
| 26 | 6695538 | 6.60 | 7.99 | |
| Anillo de parada C-15, exterior (antiguo 993-50015 | ||||
| 27 | 6695285 | 1.15 | 1.39 | |
| Perno de cabeza hueca hexagonal M5x30 S (antiguo 9 | ||||
| 28 | 6684786 | 2.15 | 2.60 | |
| Goma Antivibración | ||||
| 29 | 6691822 | 1.15 | 1.39 | |
| Sello de aceite | ||||
| 30 | 6684607 | 4.29 | 5.19 | |
| Rodamiento de bolas 6001 C3 | ||||
| 31 | 6684608 | 3.80 | 4.60 | |
| Junta de caja del cigüeñal (antigua 090-06500-20) | ||||
| 32 | 6686720 | 1.15 | 1.39 | |
| Pasador de golpe 4x12 (antiguo 999-05041-203) | ||||
| 33 | 6695521 | 1.15 | 1.39 | |
| Perno de Estudio 6x22 (antiguo 100-02100-20) | ||||
| 34 | 6686771 | 1.15 | 1.39 | |
| Ensamblaje de caja de cigüeñal (antiguo 072-06500- | ||||
| 35 | 6686574 | 42.20 | 51.06 | |
| Manija de inicio | ||||
| 36 | 6693237 | 1.15 | 1.39 | |
| Cuerda 3x890 (antiguo 783-0651h-20) | ||||
| 37 | 6693172 | 2.31 | 2.80 | |
| Tornillo Hex. Agujero 4x18ps (antiguo 994-63040-18 | ||||
| 40 | 6695502 | 1.15 | 1.39 | |
| Carcasa del ventilador | ||||
| 41 | 6687014 | 16.94 | 20.49 | |
| Resorte de retroceso (antiguo 780-06097-20/6697591 | ||||
| 43 | 6684675 | 11.55 | 13.98 | |
| Carrete de cuerda de arranque (antiguo 774-0651h-2 | ||||
| 44 | 6693072 | 5.11 | 6.19 | |
| Resorte de amortiguador (antiguo 758-0651h-20) | ||||
| 45 | 6684677 | 8.58 | 10.38 | |
| Placa de leva (antigua 759-0651h-20) | ||||
| 46 | 6684678 | 6.44 | 7.79 | |
| Tornillo de ajuste (antiguo 839-03045-20) | ||||
| 47 | 6684679 | 2.15 | 2.60 | |
| Empuñadura de arranque (antiguo 788-0651h-20) | ||||
| 48 | 6684685 | 4.29 | 5.19 | |
| Muelle de trinquete de arranque (antiguo 790-06097 | ||||
| 49 | 6684684 | 4.29 | 5.19 | |
| Anillo de parada E-5 (antiguo 993-55050-000) | ||||
| 50 | 6684683 | 2.15 | 2.60 | |
| Anillo de retención D4e (antiguo 993-55040-001) | ||||
| 50 | 6685101 | 1.15 | 1.39 | |
| Polea de arranque Ass'y (antiguo 798-0651h-90) | ||||
| 51 | 6684681 | 13.20 | 15.97 | |
| Deflector (antiguo 132-06602-20) | ||||
| 52 | 6687209 | 6.44 | 7.79 | |
| Tuerca M8 (antiguo 991-01080-011/327325/332299/726 | ||||
| 53 | 6684612 | 2.15 | 2.60 | |
| No hay información disponible, no se puede pedir | ||||
| 54 | 6687396 | |||
| No hay información disponible, no se puede pedir | ||||
| 55A | 6698868 | |||
| Terminal de tierra | ||||
| 56 | 6696350 | 1.05 | 1.27 | |
| Tornillo de rosca D3 | ||||
| 57 | 696352 | 1.13 | 1.36 | |
| Bloqueo del interruptor | ||||
| 58 | 6696344 | 1.05 | 1.27 | |
| Resorte de la palanca del acelerador | ||||
| 59 | 6696345 | 1.05 | 1.27 | |
| Terminal de Pestaña | ||||
| 60 | 6696355 | 1.05 | 1.27 | |
| Tornillo 3x10 (antiguo 994-31030-101) | ||||
| 61 | 6684913 | 2.15 | 2.60 | |
| Botón Stop (antiguo 258-11650-20) | ||||
| 62 | 6688366 | 1.15 | 1.39 | |
| Botón de parada Marca (antiguo 925-33160-20) | ||||
| 63 | 6694588 | 1.15 | 1.39 | |
| Resorte (a) | ||||
| 64 | 6696348 | 1.05 | 1.27 | |
| PALANCA DE BLOQUEO | ||||
| 65 | 6696346 | 1.05 | 1.27 | |
| Resorte (b) | ||||
| 66 | 6696349 | 1.05 | 1.27 | |
| Regulador | ||||
| 67 | 6696343 | 1.05 | 1.27 | |
| No hay información disponible, no se puede pedir | ||||
| 68A | 6698784 | |||
| PALANCA DE LIBERACIÓN | ||||
| 69 | 6696347 | 1.05 | 1.27 | |
| Cable del acelerador | ||||
| 70A | 6698828 | 3.15 | 3.81 | |
| Tubo de Protección 150l (antiguo 164-07015-01) | ||||
| 71 | 6687524 | 1.15 | 1.39 | |
| Interruptor de parada Ens'Y (a) | ||||
| 72 | 6696354 | 14.19 | 17.17 | |
| Manija (b) | ||||
| 73A | 6698869 | 4.65 | 5.63 | |
| Tornillo Autoperforante (con brida) D4x16 (negro) | ||||
| 74 | 305812 | 1.04 | 1.26 | |
| Marco Ch66eb3/ch78ec3 | ||||
| 75 | 6696363 | 8.85 | 10.71 | |
| Amortiguador B (antiguo 266-32750-20/6688412) | ||||
| 76 | 6688412 | 1.15 | 1.39 | |
| Arandela | ||||
| 77 | 6689680 | 1.15 | 1.39 | |
| Perno de cabeza hueca hexagonal M5x30 S (antiguo 9 | ||||
| 78 | 6684786 | 2.15 | 2.60 | |
| Collar amortiguador B (antiguo 276-32710-20) | ||||
| 79 | 6688485 | 1.15 | 1.39 | |
| Comp. de soporte de manija (antiguo 040-33160-80) | ||||
| 80 | 6686111 | 2.31 | 2.80 | |
| Ya no disponible, sin reemplazo | ||||
| 81 | 6696359 | |||
| Ya no disponible, sin reemplazo | ||||
| 82 | 6698870 | |||
| Tornillo autotaladrante D4.5x16 (antiguo 990-72045 | ||||
| 91 | 6684636 | 2.15 | 2.60 | |
| Protector de silenciador (antiguo 738-06500-20) | ||||
| 92 | 6692795 | 6.93 | 8.38 | |
| Perno de Cabeza de Casquillo Hexagonal M5x50 (viej | ||||
| 93 | 6685114 | 1.15 | 1.39 | |
| Arandela | ||||
| 94 | 6684661 | 2.15 | 2.60 | |
| Conjunto de silenciador (antiguo 704-06504-91) | ||||
| 95 | 6692477 | 13.04 | 15.78 | |
| Escudo térmico | ||||
| 96 | 6687252 | 2.31 | 2.80 | |
| Junta del silenciador (antiguo 737-06500-20) | ||||
| 97 | 6692744 | 1.15 | 1.39 | |
| Junta de tubería de admisión (antiguo 403-06500-20 | ||||
| 98 | 6689891 | 1.15 | 1.39 | |
| Set de Aislante de Carburador, de repuesto | ||||
| 99 | 6689966 | 6.93 | 8.38 | |
| Tornillo hexagonal de 5 x 25ws (antiguo 994-64050- | ||||
| 100 | 6695515 | 1.15 | 1.39 | |
| Junta de carburador (antiguo 402-06500-20) | ||||
| 101 | 6689839 | 1.15 | 1.39 | |
| Juego de carburador | ||||
| 102 | 6690487 | 72.30 | 87.48 | |
| No hay información disponible, no se puede pedir | ||||
| 103 | 6684628 | |||
| No hay información disponible, no se puede pedir | ||||
| 104 | 6695670 | |||
| Cuerpo de limpiador completo (antiguo 423-06500-81 | ||||
| 105 | 6690119 | 4.45 | 5.38 | |
| Collar 7.5 (antiguo 470-06500-20) | ||||
| 106 | 6690804 | 1.15 | 1.39 | |
| Válvula de estrangulamiento (antiguo 528-06500-20) | ||||
| 107 | 6691272 | 2.31 | 2.80 | |
| Válvula de estrangulación (antigua 528-0650t-20) | ||||
| 107 | 6691274 | 2.31 | 2.80 | |
| No hay información disponible, no se puede pedir | ||||
| 108 | 6684658 | |||
| Placa de verificación de soplado (antiguo 476-0170 | ||||
| 109 | 6690843 | 1.15 | 1.39 | |
| Arandela (antiguo 992-10050-012) | ||||
| 110 | 6684662 | 2.15 | 2.60 | |
| Tornillo M5x60 (antiguo 990-11050-602) | ||||
| 111 | 6684660 | 2.15 | 2.60 | |
| Esponja de limpieza | ||||
| 112 | 6690364 | 1.15 | 1.39 | |
| Cubierta del filtro de aire | ||||
| 113 | 6690415 | 5.28 | 6.38 | |
| Tornillo especial (antiguo 380-0637c-20) | ||||
| 114 | 6689737 | 1.15 | 1.39 | |
| Giratorio (antiguo 539-25120-20) | ||||
| 115 | 6684697 | 6.44 | 7.79 | |
| Anillo de parada (antiguo 489-25100-20) | ||||
| 116 | 6684696 | 2.15 | 2.60 | |
| O-RING (antiguo 550-25100-20) | ||||
| 117 | 6684695 | 4.29 | 5.19 | |
| Chorro principal #34.5 (antiguo 599-200bw-34) | ||||
| 118 | 6691888 | 6.28 | 7.59 | |
| Jet principal #40 (antiguo 599-2000w-40) | ||||
| 118 | 6691845 | 4.45 | 5.38 | |
| Pantalla de entrada (antiguo 578-25007-20) | ||||
| 119 | 6684700 | 4.29 | 5.19 | |
| Cuerpo de la bomba Comp. (antiguo 575-25147-80/669 | ||||
| 120 | 6691430 | 36.15 | 43.74 | |
| Cubierta del diafragma (antiguo 476-25004-20) | ||||
| 121 | 6685222 | 4.45 | 5.38 | |
| Tornillo de fijación (antiguo 548-25101-20) | ||||
| 122 | 6691312 | 1.15 | 1.39 | |
| Tornillo de ajuste del acelerador (antiguo 548-251 | ||||
| 123 | 6684698 | 4.29 | 5.19 | |
| Valvula de aceleracion comp. (antigua 488-25145-80 | ||||
| 124 | 6684883 | 18.75 | 22.69 | |
| Junta de bomba (viejo 577-25100-20) | ||||
| 125 | 6691457 | 7.10 | 8.59 | |
| Diafragma de bomba (antiguo 576-25100-20 & 6696325 | ||||
| 126 | 6684693 | 8.58 | 10.38 | |
| Ya no disponible, sin reemplazo | ||||
| 127 | 6685220 | |||
| Membrana de medición Comp. (antiguo 474-25001-80/6 | ||||
| 128 | 6690827 | 11.71 | 14.17 | |
| Bomba de Cebado Comp. (antiguo 442-25143-80) | ||||
| 129 | 6685139 | 5.94 | 7.18 | |
| Tubo de combustible 2.5x4x80 (antiguo 700-02504-08 | ||||
| 130 | 6692347 | 1.15 | 1.39 | |
| Collar 5.8 (antiguo 659-00801-20) | ||||
| 131 | 6692244 | 1.15 | 1.39 | |
| Perno de agujero hexagonal 5x18ps (antiguo 994-630 | ||||
| 132 | 6695505 | 1.15 | 1.39 | |
| Ya no disponible, sin reemplazo | ||||
| 133 | 6696360 | |||
| Conjunto de ventilación de aire (antiguo 564-06611 | ||||
| 134 | 6691389 | 10.23 | 12.37 | |
| Conjunto de válvula de ventilación (antiguo 646-06 | ||||
| 136 | 6692171 | 4.95 | 5.99 | |
| No hay información disponible, no se puede pedir | ||||
| 137 | 6684625 | |||
| Tapa del tanque D Ass'y, negra (antiguo 595-06516- | ||||
| 138 | 6691763 | 7.59 | 9.18 | |
| Tubo de combustible 2.5x4x70 (antiguo 700-02504-07 | ||||
| 139 | 6692346 | 1.15 | 1.39 | |
| Goma de retorno hasta 7.2014 (antigua 6684627) | ||||
| 140A | 6697846 | 1.04 | 1.26 | |
| Clip.6.3 Dia. (antiguo 680-00731-20) | ||||
| 141 | 6684619 | 2.15 | 2.60 | |
| Filtro de bomba | ||||
| 142A | 6698874 | 12.00 | 14.52 | |
| Tubo de Combustible | ||||
| 143A | 6698715 | 9.75 | 11.80 | |
| Cubierta del cortador (antiguo 138-33171-20/668730 | ||||
| 144 | 6687302 | 8.58 | 10.38 | |
| Placa de guarda (antiguo 135-33191-20) | ||||
| 145 | 6687275 | 2.31 | 2.80 | |
| Tuerca de brida | ||||
| 146 | 6695170 | 1.15 | 1.39 | |
| No hay información disponible, no se puede pedir | ||||
| 147 | 6687285 | |||
| Placa de protección | ||||
| 147A | 6601209 | 13.86 | 16.77 | |
| Placa de apoyo (vieja 462-33290-20) | ||||
| 148 | 6690762 | 3.30 | 3.99 | |
| Tuerca 6 Ups-p (antigua 991-87060-001 & 6698766) | ||||
| 149 | 6695175 | 1.15 | 1.39 | |
| Arandela | ||||
| 150 | 6684639 | 2.15 | 2.60 | |
| Caja de engranajes Comp. (antiguo 300-33290-81 & 6 | ||||
| 151 | 6688684 | 15.13 | 18.30 | |
| TEATRO DE GRASA COMP. (VIEJO 300-32250-80) | ||||
| 152 | 6688643 | 1.15 | 1.39 | |
| Tuerca de resorte 6 (antiguo 994-40060-011) | ||||
| 153 | 6695475 | 1.15 | 1.39 | |
| Perno de orificio hexagonal 6x18/s (modelo anterio | ||||
| 154 | 6695495 | 1.15 | 1.39 | |
| Guía de corte 734l M6 (antiguo 122-33248-20) | ||||
| 155 | 6687147 | 26.16 | 31.66 | |
| Placa de guía (antigua 075-33160-20) | ||||
| 156 | 6686612 | 1.15 | 1.39 | |
| Varilla de leva (viejo 101-33190-20) | ||||
| 157 | 6686811 | 5.78 | 6.99 | |
| Ya no disponible, sin reemplazo | ||||
| 158 | 6687086 | |||
| Engranaje 2 Comp. | ||||
| 159A | 6698773 | 18.84 | 22.79 | |
| Junta de caja de engranajes (viejo 303-33160-20) | ||||
| 160 | 6688909 | 1.15 | 1.39 | |
| Ya no disponible, sin reemplazo | ||||
| 161 | 6692101 | |||
| Rodamiento de bolas 608 Zz C3 | ||||
| 162 | 6695547 | 3.30 | 3.99 | |
| Ya no disponible, sin reemplazo | ||||
| 163 | 6688846 | |||
| Tornillo con agujero hexagonal M4x12/s (antiguo 99 | ||||
| 164 | 6684595 | 2.15 | 2.60 | |
| Perno de avellanado con agujero hexagonal 6x25 (an | ||||
| 165 | 6695075 | 1.15 | 1.39 | |
| Junta de Goma | ||||
| 166 | 6686654 | 1.15 | 1.39 | |
| Ya no disponible, sin reemplazo | ||||
| 167 | 6687187 | |||
| Tornillo | ||||
| 168 | 6687158 | 1.15 | 1.39 | |
| Perno de agujero hexagonal 4x10s (antiguo 994-6104 | ||||
| 169 | 6695484 | 1.15 | 1.39 | |
| Ya no disponible, sin reemplazo | ||||
| 170 | 6698931 | |||
| No hay información disponible, no se puede pedir | ||||
| 501 | 6684813 | |||
| Llave combinada 10x19 ,más (viejo 036-29331-50) | ||||
| 502 | 6685997 | 4.45 | 5.38 | |