Aquí encontrará todas las piezas y dibujos técnicos disponibles de 'Hikoki CJ110MV'. Desde aquí podrá pedir todas las piezas deseadas directamente. Para muchas piezas de repuesto, es necesario pasar un pedido al fabricante. Dependiendo de la marca, el plazo de entrega puede variar entre una y cuatro semanas. Toda la información que tenemos está en nuestro sitio web. No podremos aconsejarle sobre lo que necesita hasta que entregue la máquina para su reparación. Tenga en cuenta lo siguiente a la hora de cursar su pedido:
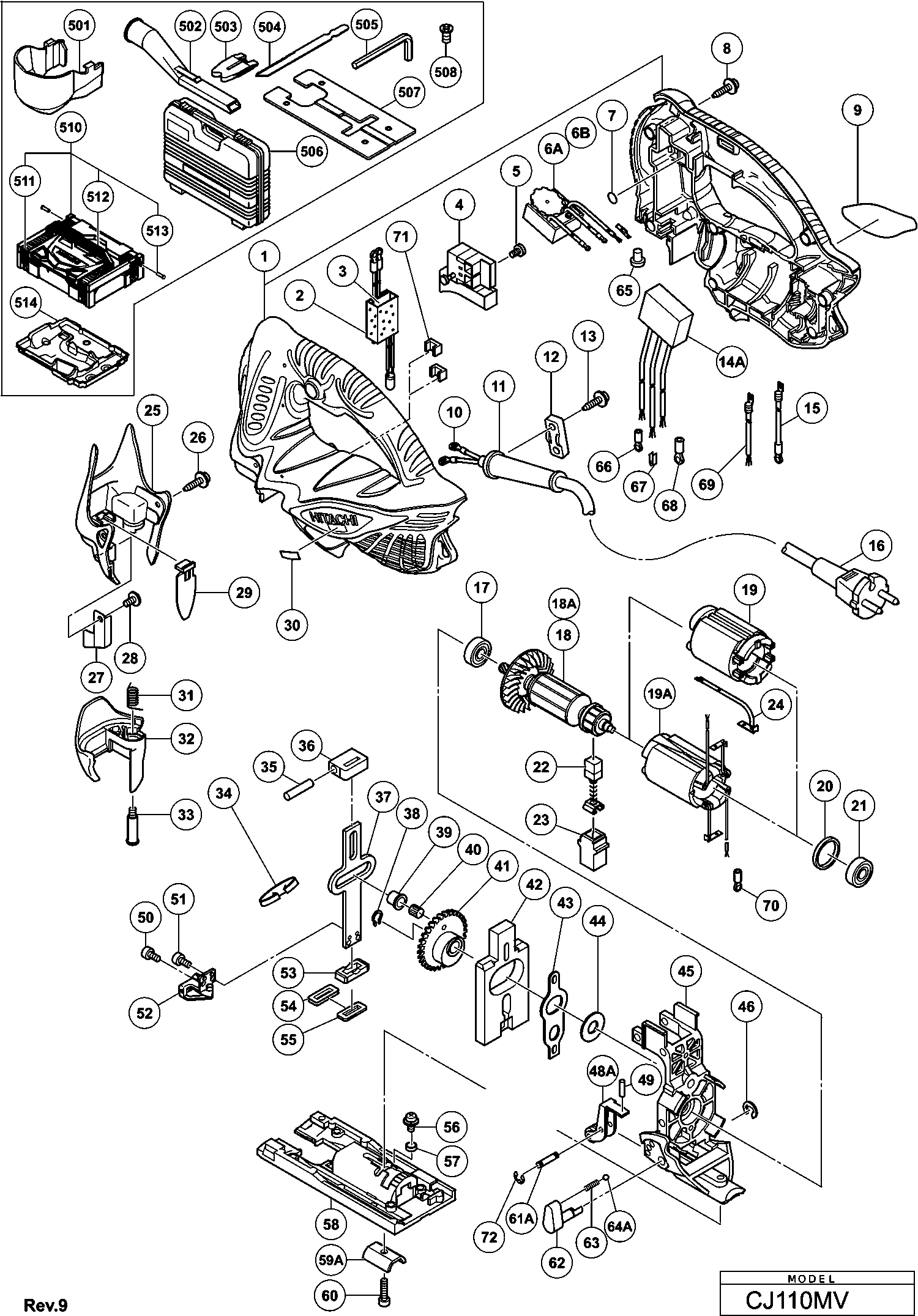
Dibujo técnico de los/las Hikoki CJ110MV
Lista de las piezas de repuesto de Hikoki CJ110MV
| Pos. | Descripción | Precio con el IVA excluido | Precio con el IVA incluido | |
| Los precios mostrados incluyen el IVA | ||||
| Protector de cable D8.8 | ||||
| *11 | 380090 | 1.04 | 1.26 | |
| Casquillo del cable D10.1 | ||||
| *11 | 938051 | 1.04 | 1.26 | |
| SNOER 2.5M 2 X 1.0 H05VV-F W/PLUG 13A/250V (OLD 50 | ||||
| *16 | 500423Z | 12.87 | 15.57 | |
| Cordón 2,5m 2 X 1.0 H05vv-f (Antiguo 500395z) | ||||
| *16 | 500447Z | 6.60 | 7.99 | |
| SNOER 10.7 (USE 714500=2X1 5M) | ||||
| *16 | 500247Z | 6.18 | 7.48 | |
| No hay información disponible, no se puede pedir | ||||
| *3 | 328663 | |||
| REGULADOR | ||||
| *6 | 321589 | 48.81 | 59.06 | |
| Controlador 120v Hasta 11.2005 | ||||
| *6 | 325093 | 34.51 | 41.76 | |
| Unidad electrónica Cj110mv (desde 02.2011) | ||||
| *6A | 326288 | 34.51 | 41.76 | |
| Vivienda Completa | ||||
| 1 | 325097 | 52.53 | 63.56 | |
| Caucho | ||||
| 2 | 930153 | 1.04 | 1.26 | |
| PCB | ||||
| 3 | 325091 | 15.81 | 19.13 | |
| Interruptor | ||||
| 4 | 325085 | 9.90 | 11.98 | |
| Interruptor | ||||
| 4A | 339021 | 9.90 | 11.98 | |
| Tornillo de máquina (con arandela) M3.5x6 | ||||
| 5 | 305499 | 1.05 | 1.27 | |
| REGULADOR | ||||
| 6 | 321589 | 48.81 | 59.06 | |
| Controlador 120v Hasta 11.2005 | ||||
| 6 | 325093 | 34.51 | 41.76 | |
| Unidad electrónica Cj110mv (desde 02.2011) | ||||
| 6A | 326288 | 34.51 | 41.76 | |
| REGULADOR | ||||
| 6B | 321588 | 59.23 | 71.66 | |
| Anillo O (p-6) | ||||
| 7 | 984528 | 1.05 | 1.27 | |
| Tornillo de roscado D4x20 con brida (negro) | ||||
| 8 | 301653 | 1.04 | 1.26 | |
| Terminal de Conexión | ||||
| 10 | 980063 | 1.04 | 1.26 | |
| Protector de cable D8.8 | ||||
| 11 | 380090 | 1.04 | 1.26 | |
| Casquillo del cable D10.1 | ||||
| 11 | 938051 | 1.04 | 1.26 | |
| Tira de sujeción (antiguo 994566) | ||||
| 12 | 937631 | 1.04 | 1.26 | |
| No hay información disponible, no se puede pedir | ||||
| 13 | 984750 | |||
| CONDENSADOR | ||||
| 14A | 325566 | 9.00 | 10.89 | |
| No hay información disponible, no se puede pedir | ||||
| 15 | 325095 | |||
| Cable 230 Voltios Gbr | ||||
| 16 | 500450Z | 31.63 | 38.27 | |
| Cable 3M 2 X 1,0 H05vv-f con enchufe 16a CEE | ||||
| 16 | 500461Z | 17.88 | 21.63 | |
| Cordón | ||||
| 16 | 500240Z | 13.18 | 15.94 | |
| SNOER 2.5M 2 X 1.0 H05VV-F W/PLUG 13A/250V (OLD 50 | ||||
| 16 | 500423Z | 12.87 | 15.57 | |
| Cordón 2,5m 2 X 1.0 H05vv-f (Antiguo 500395z) | ||||
| 16 | 500447Z | 6.60 | 7.99 | |
| SNOER 10.7 (USE 714500=2X1 5M) | ||||
| 16 | 500247Z | 6.18 | 7.48 | |
| Rodamiento de bolas 608vvmc2eps2l | ||||
| 17 | 608VVM | 5.70 | 6.90 | |
| ANKER 120 VOLT | ||||
| 18 | 360741U | 128.29 | 155.23 | |
| ARMADURA 230V | ||||
| 18 | 360741E | 110.83 | 134.10 | |
| Armature 240v | ||||
| 18 | 360741F | 100.79 | 121.95 | |
| ANKER 110 VOLT | ||||
| 18 | 360741C | 96.20 | 116.40 | |
| ANKER 110 VOLT | ||||
| 18A | 360764C | 87.45 | 105.81 | |
| ARMADURA 230V | ||||
| 18A | 360764E | 72.19 | 87.35 | |
| Estator 230V | ||||
| 19 | 340545E | 41.00 | 49.61 | |
| VELD 110 VOLT | ||||
| 19A | 340666C | 45.60 | 55.18 | |
| CAMPO 230-240 VOLTIOS | ||||
| 19A | 340666E | 34.24 | 41.43 | |
| Anillo de goma (1) | ||||
| 20 | 323420 | 1.05 | 1.27 | |
| Rodamiento de bolas 608vvmc2eps2l | ||||
| 21 | 608VVM | 5.70 | 6.90 | |
| Escobilla de carbono (1 par) | ||||
| 22 | 999041 | 4.50 | 5.44 | |
| Soporte de Cepillo de Carbono | ||||
| 23 | 955203 | 2.40 | 2.90 | |
| Cableado interno (azul) | ||||
| 24 | 325088 | 3.00 | 3.63 | |
| CUBIERTA DELANTERA | ||||
| 25 | 325078 | 15.54 | 18.80 | |
| Tornillo con brida D4x12 (negro) | ||||
| 26 | 325083 | 1.65 | 2.00 | |
| Tope de material (a) | ||||
| 27 | 321592 | 2.70 | 3.27 | |
| Tornillo de máquina M4x8 negro | ||||
| 28 | 325079 | 1.65 | 2.00 | |
| Luz LED | ||||
| 29 | 325082 | 1.65 | 2.00 | |
| Muelle de palanca Cj120v/va | ||||
| 31 | 321580 | 1.35 | 1.63 | |
| Palanca C8fshe, C8fse | ||||
| 32 | 325080 | 6.45 | 7.80 | |
| Perno de Palanca | ||||
| 33 | 325081 | 4.65 | 5.63 | |
| Resorte de placa | ||||
| 34 | 325071 | 3.30 | 3.99 | |
| PASADOR D6 | ||||
| 35 | 983564 | 3.00 | 3.63 | |
| Porta sierra | ||||
| 36 | 325070 | 6.45 | 7.80 | |
| Émbolo | ||||
| 37 | 325072 | 13.89 | 16.80 | |
| Arandela de perno D7 | ||||
| 38 | 994251 | 1.05 | 1.27 | |
| No hay información disponible, no se puede pedir | ||||
| 39 | 325069 | |||
| RODAMIENTO DE AGUJAS | ||||
| 40 | 325242 | 4.80 | 5.81 | |
| ENGANCHE | ||||
| 41 | 325068 | 29.29 | 35.44 | |
| Peso de equilibrio Sv12v/sv12sd | ||||
| 42 | 325067 | 15.81 | 19.13 | |
| Leva orbital | ||||
| 43 | 325066 | 4.80 | 5.81 | |
| ARANDELA | ||||
| 44 | 957540 | 1.04 | 1.26 | |
| Soporte de engranaje | ||||
| 45 | 325061 | 40.43 | 48.91 | |
| Arandela | ||||
| 46 | 673489 | 1.04 | 1.26 | |
| Set Soporte de Rodillo | ||||
| 48A | 326270 | 17.19 | 20.80 | |
| Rodillo de aguja | ||||
| 49 | 325062 | 1.65 | 2.00 | |
| Tornillo de cabeza hexagonal Seal Lock M3x8 | ||||
| 50 | 325241 | 1.65 | 2.00 | |
| Sello Bloqueo Hexágono. Perno M3x6 | ||||
| 51 | 325077 | 1.65 | 2.00 | |
| Soporte de hoja de sierra | ||||
| 52 | 325076 | 26.95 | 32.61 | |
| Porta sierra | ||||
| 53 | 325073 | 3.30 | 3.99 | |
| Cobertura de Empaque | ||||
| 54 | 325075 | 1.65 | 2.00 | |
| Empaque | ||||
| 55 | 325074 | 1.65 | 2.00 | |
| Tornillo de máquina (con arandela) M4x8 (negro) | ||||
| 56 | 315500 | 1.35 | 1.63 | |
| Anillo de goma (1) | ||||
| 57 | 321576 | 1.35 | 1.63 | |
| Placa base KS 60 | ||||
| 58 | 321573 | 14.99 | 18.13 | |
| Cierre de base Cj120v/va | ||||
| 59 | 321575 | 6.46 | 7.82 | |
| Cierre de base Cj120v/va | ||||
| 59A | 339663 | 1.04 | 1.26 | |
| Tornillo Hexagonal Interno M5x14 (10 Piezas) | ||||
| 60 | 949665 | 2.10 | 2.54 | |
| PASADOR | ||||
| 61A | 328331 | 3.15 | 3.81 | |
| BOTÓN | ||||
| 62 | 325065 | 12.75 | 15.43 | |
| Muelle | ||||
| 63 | 982454 | 1.04 | 1.26 | |
| Bola de acero 5/32 (10 Pcs.) | ||||
| 64A | 335297 | 1.04 | 1.26 | |
| Terminal de soldadura 50091 (10 piezas) | ||||
| 65 | 959140 | 3.30 | 3.99 | |
| Terminal de Tierra Dh22vd/dh20pb Cj120v/va | ||||
| 67 | 302488 | 1.04 | 1.26 | |
| Terminal Div.tipos | ||||
| 68 | 311741 | 1.04 | 1.26 | |
| Cable interno (gris) 260l (hasta 12.2010) | ||||
| 69 | 321587 | 2.55 | 3.09 | |
| Terminal de Cable (antiguo 941562,10 St. | ||||
| 70 | 960356 | 3.00 | 3.63 | |
| Espaciador de estator desde 10.2010 | ||||
| 71 | 326297 | 1.50 | 1.82 | |
| ANILLO TOPE | ||||
| 72 | 872971 | 1.05 | 1.27 | |
| No hay información disponible, no se puede pedir | ||||
| 73 | 381239F | |||
| No hay información disponible, no se puede pedir | ||||
| 501 | 325096 | |||
| No hay información disponible, no se puede pedir | ||||
| 502 | 321591 | |||
| Guarda contra astillas | ||||
| 503 | 321590 | 1.50 | 1.82 | |
| No hay información disponible, no se puede pedir | ||||
| 504 | 879357 | |||
| No hay información disponible, no se puede pedir | ||||
| 505 | 944458 | |||
| No hay información disponible, no se puede pedir | ||||
| 506 | 325090 | |||
| Placa base de plástico de 150mm de largo | ||||
| 507 | 321993 | 12.15 | 14.70 | |
| Tornillo especial | ||||
| 508 | 321996 | 1.65 | 2.00 | |
| No hay información disponible, no se puede pedir | ||||
| 510 | 337739 | |||
| No hay información disponible, no se puede pedir | ||||
| 511 | 336472 | |||
| No hay información disponible, no se puede pedir | ||||
| 512 | 336473 | |||
| No hay información disponible, no se puede pedir | ||||
| 513 | 336474 | |||
| No hay información disponible, no se puede pedir | ||||
| 514 | 337740 | |||
| No hay información disponible, no se puede pedir | ||||
| 601 | 963400 | |||
| No hay información disponible, no se puede pedir | ||||
| 602 | 879336 | |||
| No hay información disponible, no se puede pedir | ||||
| 603 | 879337 | |||
| No hay información disponible, no se puede pedir | ||||
| 604 | 879338 | |||
| No hay información disponible, no se puede pedir | ||||
| 605 | 879339 | |||
| No hay información disponible, no se puede pedir | ||||
| 606 | 879340 | |||
| No hay información disponible, no se puede pedir | ||||
| 607 | 879341 | |||
| No hay información disponible, no se puede pedir | ||||
| 608 | 321878 | |||
| PLACA BASE DE METAL 145 MM DE LARGO | ||||
| 609 | 321992 | 26.40 | 31.94 | |
| Tornillo especial | ||||
| 610 | 321996 | 1.65 | 2.00 | |
| No hay información disponible, no se puede pedir | ||||
| 611 | 321593 | |||
| No hay información disponible, no se puede pedir | ||||
| 612 | 325149 | |||