Aquí encontrará todas las piezas y dibujos técnicos disponibles de 'Hikoki CJ14DMR'. Desde aquí podrá pedir todas las piezas deseadas directamente. Para muchas piezas de repuesto, es necesario pasar un pedido al fabricante. Dependiendo de la marca, el plazo de entrega puede variar entre una y cuatro semanas. Toda la información que tenemos está en nuestro sitio web. No podremos aconsejarle sobre lo que necesita hasta que entregue la máquina para su reparación. Tenga en cuenta lo siguiente a la hora de cursar su pedido:
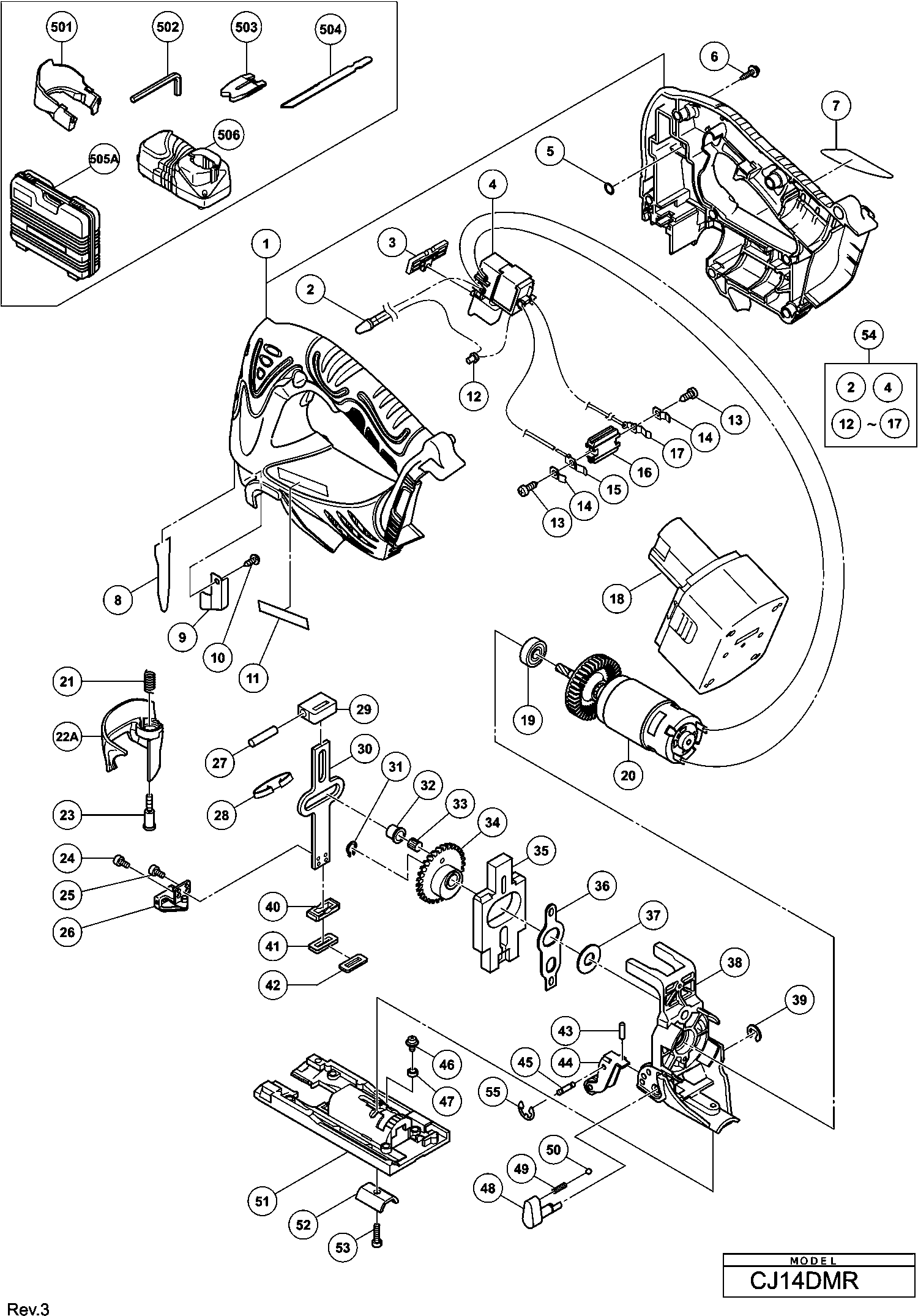
Dibujo técnico de los/las Hikoki CJ14DMR
Lista de las piezas de repuesto de Hikoki CJ14DMR
| Pos. | Descripción | Precio con el IVA excluido | Precio con el IVA incluido | |
| Los precios mostrados incluyen el IVA | ||||
| No hay información disponible, no se puede pedir | ||||
| 1 | 328350 | |||
| Led | ||||
| 2 | 328336 | 9.90 | 11.98 | |
| Botón de interruptor (i + d) | ||||
| 3 | 319760 | 1.05 | 1.27 | |
| Interruptor | ||||
| 4 | 328335 | 48.40 | 58.56 | |
| Anillo O (p-6) | ||||
| 5 | 984528 | 1.05 | 1.27 | |
| Tornillo de roscado D4x20 con brida (negro) | ||||
| 6 | 301653 | 1.04 | 1.26 | |
| Barra de guardia | ||||
| 8 | 328349 | 1.20 | 1.45 | |
| Tope de material (a) | ||||
| 9 | 321592 | 2.70 | 3.27 | |
| Tornillo D3x8 con arandela | ||||
| 10 | 984327 | 1.04 | 1.26 | |
| Terminal de soldadura 50091 (10 piezas) | ||||
| 12 | 959140 | 3.30 | 3.99 | |
| TORNILLO M4X35 | ||||
| 13 | 958715 | 1.04 | 1.26 | |
| Muelle | ||||
| 14 | 996118 | 2.55 | 3.09 | |
| Terminal Ds 14dmr | ||||
| 15 | 322995 | 1.05 | 1.27 | |
| Pieza terminal | ||||
| 16 | 320997 | 1.20 | 1.45 | |
| Terminal Ds 14dmr | ||||
| 17 | 323003 | 1.05 | 1.27 | |
| No hay información disponible, no se puede pedir | ||||
| 18 | 315130 | |||
| Rodamiento de bolas 608vvmc2eps2l | ||||
| 19 | 608VVM | 5.70 | 6.90 | |
| MOTOR DC 14.4 VOLT | ||||
| 20 | 328333 | 38.09 | 46.09 | |
| Muelle de palanca Cj120v/va | ||||
| 21 | 321580 | 1.35 | 1.63 | |
| Palanca (antiguo 328347) | ||||
| 22A | 370009 | 1.35 | 1.63 | |
| Tornillo | ||||
| 23 | 328348 | 2.10 | 2.54 | |
| Tornillo de cabeza hexagonal Seal Lock M3x8 | ||||
| 24 | 325241 | 1.65 | 2.00 | |
| Sello Bloqueo Hexágono. Perno M3x6 | ||||
| 25 | 325077 | 1.65 | 2.00 | |
| Soporte de hoja de sierra | ||||
| 26 | 325076 | 26.95 | 32.61 | |
| PASADOR D6 | ||||
| 27 | 983564 | 3.00 | 3.63 | |
| Resorte de placa | ||||
| 28 | 325071 | 3.30 | 3.99 | |
| Porta sierra | ||||
| 29 | 325070 | 6.45 | 7.80 | |
| Émbolo | ||||
| 30 | 328343 | 7.65 | 9.26 | |
| Arandela de perno D7 | ||||
| 31 | 994251 | 1.05 | 1.27 | |
| CONECTOR | ||||
| 32 | 328342 | 1.20 | 1.45 | |
| RODAMIENTO DE AGUJAS | ||||
| 33 | 325242 | 4.80 | 5.81 | |
| ENGANCHE | ||||
| 34 | 328341 | 18.15 | 21.96 | |
| Peso de equilibrio Sv12v/sv12sd | ||||
| 35 | 328340 | 28.88 | 34.94 | |
| Leva orbital | ||||
| 36 | 328339 | 6.45 | 7.80 | |
| ARANDELA | ||||
| 37 | 957540 | 1.04 | 1.26 | |
| Porta Engranajes | ||||
| 38 | 328328 | 45.65 | 55.24 | |
| Arandela | ||||
| 39 | 673489 | 1.04 | 1.26 | |
| Porta sierra | ||||
| 40 | 328344 | 1.20 | 1.45 | |
| Cobertura de Empaque | ||||
| 41 | 328346 | 4.80 | 5.81 | |
| Junta | ||||
| 42 | 328345 | 1.20 | 1.45 | |
| Rodillo de aguja | ||||
| 43 | 328329 | 1.20 | 1.45 | |
| Soporte de rodillo | ||||
| 44 | 328330 | 16.36 | 19.80 | |
| PASADOR | ||||
| 45 | 328331 | 3.15 | 3.81 | |
| Tornillo de máquina (con arandela) M4x8 (negro) | ||||
| 46 | 315500 | 1.35 | 1.63 | |
| Anillo de goma (1) | ||||
| 47 | 321576 | 1.35 | 1.63 | |
| BOTÓN | ||||
| 48 | 328332 | 8.70 | 10.53 | |
| Muelle | ||||
| 49 | 982454 | 1.04 | 1.26 | |
| Bola de Acero D3.97 (10 unidades) | ||||
| 50 | 959155 | 1.04 | 1.26 | |
| Placa base KS 60 | ||||
| 51 | 321573 | 14.99 | 18.13 | |
| Cierre de base Cj120v/va | ||||
| 52 | 321575 | 6.46 | 7.82 | |
| Tornillo Hexagonal Interno M5x14 (10 Piezas) | ||||
| 53 | 949665 | 2.10 | 2.54 | |
| INTERRUPTOR + CONTACTOS | ||||
| 54 | 328353 | 41.80 | 50.58 | |
| ANILLO TOPE | ||||
| 55 | 872971 | 1.05 | 1.27 | |
| No hay información disponible, no se puede pedir | ||||
| 501 | 328352 | |||
| No hay información disponible, no se puede pedir | ||||
| 502 | 944458 | |||
| Guarda contra astillas | ||||
| 503 | 321590 | 1.50 | 1.82 | |
| No hay información disponible, no se puede pedir | ||||
| 504 | 879357 | |||
| No hay información disponible, no se puede pedir | ||||
| 505A | 339042 | |||
| No hay información disponible, no se puede pedir | ||||
| 601 | 963400 | |||
| No hay información disponible, no se puede pedir | ||||
| 602 | 879336 | |||
| No hay información disponible, no se puede pedir | ||||
| 603 | 879337 | |||
| No hay información disponible, no se puede pedir | ||||
| 604 | 879338 | |||
| No hay información disponible, no se puede pedir | ||||
| 605 | 879339 | |||
| No hay información disponible, no se puede pedir | ||||
| 606 | 879340 | |||
| No hay información disponible, no se puede pedir | ||||
| 607 | 879341 | |||
| No hay información disponible, no se puede pedir | ||||
| 608 | 321878 | |||
| PLACA BASE DE METAL 145 MM DE LARGO | ||||
| 609 | 321992 | 26.40 | 31.94 | |
| Tornillo especial | ||||
| 610 | 321996 | 1.65 | 2.00 | |
| No hay información disponible, no se puede pedir | ||||
| 611 | 321593 | |||
| No hay información disponible, no se puede pedir | ||||
| 612 | 325149 | |||
| Placa base de plástico de 150mm de largo | ||||
| 613 | 321993 | 12.15 | 14.70 | |
| No hay información disponible, no se puede pedir | ||||
| 614 | 321591 | |||