Aquí encontrará todas las piezas y dibujos técnicos disponibles de 'Hikoki CJ65S3'. Desde aquí podrá pedir todas las piezas deseadas directamente. Para muchas piezas de repuesto, es necesario pasar un pedido al fabricante. Dependiendo de la marca, el plazo de entrega puede variar entre una y cuatro semanas. Toda la información que tenemos está en nuestro sitio web. No podremos aconsejarle sobre lo que necesita hasta que entregue la máquina para su reparación. Tenga en cuenta lo siguiente a la hora de cursar su pedido:
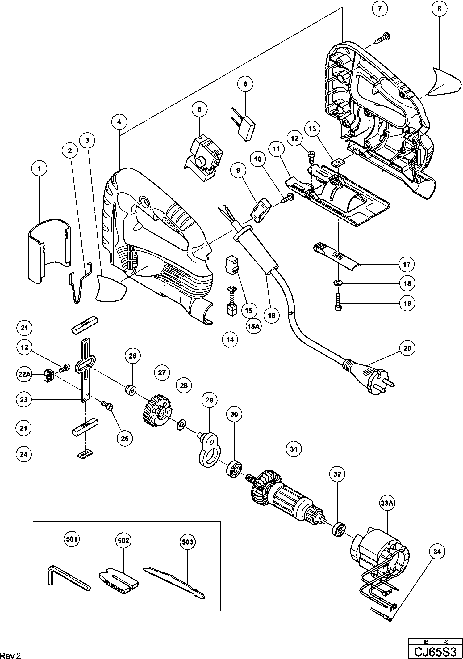
Dibujo técnico de los/las Hikoki CJ65S3
Lista de las piezas de repuesto de Hikoki CJ65S3
| Pos. | Descripción | Precio con el IVA excluido | Precio con el IVA incluido | |
| Los precios mostrados incluyen el IVA | ||||
| Capucho protector | ||||
| 1 | 325163 | 2.10 | 2.54 | |
| Barra de guardia | ||||
| 2 | 325164 | 1.05 | 1.27 | |
| Vivienda Completa | ||||
| 4 | 325167 | 34.24 | 41.43 | |
| Interruptor | ||||
| 5 | 323575 | 27.50 | 33.28 | |
| Condensador (antiguo 987178) | ||||
| 6 | 930039 | 1.95 | 2.36 | |
| Tornillo de roscado D4x20 con brida (negro) | ||||
| 7 | 301653 | 1.04 | 1.26 | |
| Abrazadera del cordón | ||||
| 9 | 960266 | 1.04 | 1.26 | |
| No hay información disponible, no se puede pedir | ||||
| 10 | 984750 | |||
| Placa base KS 60 | ||||
| 11 | 325161 | 7.35 | 8.89 | |
| Tornillo Allen M4x8 (antiguo 973563,10 uds.) | ||||
| 12 | 949811 | 1.50 | 1.82 | |
| Tuerca de placa | ||||
| 13 | 962991 | 1.05 | 1.27 | |
| Escobilla de carbono (1 par) | ||||
| 14 | 999041 | 4.50 | 5.44 | |
| Soporte de Cepillo de Carbono | ||||
| 15 | 930483 | 1.65 | 2.00 | |
| Soporte de Cepillo de Carbono | ||||
| 15A | 955203 | 2.40 | 2.90 | |
| Prensaestopas D8.2 | ||||
| 16 | 930487 | 2.25 | 2.72 | |
| Soporte de rodillo | ||||
| 17 | 325162 | 3.15 | 3.81 | |
| Arandela del perno M4 (negro) Para 220v-240v | ||||
| 18 | 323210 | 1.05 | 1.27 | |
| Tornillo de cabeza hexagonal interior M4x16 | ||||
| 19 | 949754 | 2.40 | 2.90 | |
| No hay información disponible, no se puede pedir | ||||
| 20 | 500409Z | |||
| Porta sierra | ||||
| 21 | 325159 | 3.75 | 4.54 | |
| Soporte de hoja de sierra | ||||
| 22A | 325247 | 5.55 | 6.72 | |
| Émbolo | ||||
| 23 | 325246 | 4.20 | 5.08 | |
| Arandela de fieltro D 20/14 2mm | ||||
| 24 | 325248 | 1.05 | 1.27 | |
| Tornillo de cabeza hexagonal Seal Lock M3x8 | ||||
| 25 | 325241 | 1.65 | 2.00 | |
| CONECTOR | ||||
| 26 | 325158 | 1.05 | 1.27 | |
| ENGANCHE | ||||
| 27 | 325157 | 13.50 | 16.34 | |
| Arandela | ||||
| 28 | 991733 | 1.05 | 1.27 | |
| Soporte | ||||
| 29 | 325155 | 4.50 | 5.44 | |
| Rodamiento de bolas 608vvmc2eps2l | ||||
| 30 | 608VVM | 5.70 | 6.90 | |
| ARMADURA 230V | ||||
| 31 | 360724E | 36.16 | 43.76 | |
| Rodamiento de bolas 626vvmc2erps2s | ||||
| 32 | 626VVM | 5.70 | 6.90 | |
| Stator 220v-230v H-90sa Includ.103 Para Nzl,saf | ||||
| 33A | 340669E | 18.70 | 22.63 | |
| Terminal de Cable (antiguo 941562,10 St. | ||||
| 34 | 960356 | 3.00 | 3.63 | |
| Arandela (ANTIGUO 876205) | ||||
| 66A | 889024 | 1.04 | 1.26 | |
| Arandela (ANTIGUO 876205) | ||||
| 107A | 889024 | 1.04 | 1.26 | |
| No hay información disponible, no se puede pedir | ||||
| 501 | 943277 | |||
| No hay información disponible, no se puede pedir | ||||
| 502 | 305810 | |||
| No hay información disponible, no se puede pedir | ||||
| 503 | 879356 | |||
| No hay información disponible, no se puede pedir | ||||
| 601 | 879330 | |||
| No hay información disponible, no se puede pedir | ||||
| 602 | 879331 | |||
| No hay información disponible, no se puede pedir | ||||
| 603 | 879332 | |||
| No hay información disponible, no se puede pedir | ||||
| 604 | 879333 | |||
| No hay información disponible, no se puede pedir | ||||
| 605 | 879334 | |||
| No hay información disponible, no se puede pedir | ||||
| 606 | 879335 | |||
| No hay información disponible, no se puede pedir | ||||
| 607 | 879357 | |||
| No hay información disponible, no se puede pedir | ||||
| 608 | 879391 | |||