Aquí encontrará todas las piezas y dibujos técnicos disponibles de 'Hikoki CL18DSL'. Desde aquí podrá pedir todas las piezas deseadas directamente. Para muchas piezas de repuesto, es necesario pasar un pedido al fabricante. Dependiendo de la marca, el plazo de entrega puede variar entre una y cuatro semanas. Toda la información que tenemos está en nuestro sitio web. No podremos aconsejarle sobre lo que necesita hasta que entregue la máquina para su reparación. Tenga en cuenta lo siguiente a la hora de cursar su pedido:
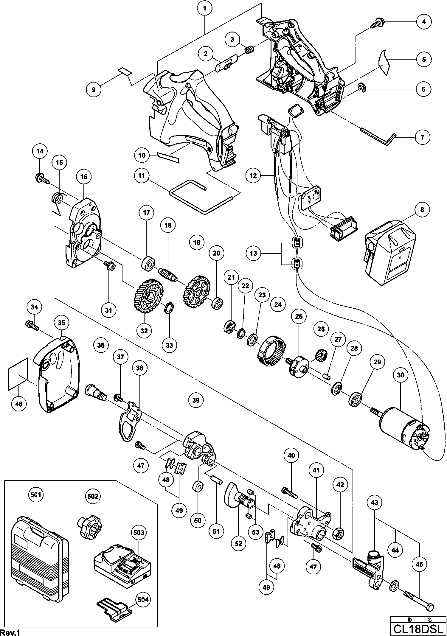
Dibujo técnico de los/las Hikoki CL18DSL
Lista de las piezas de repuesto de Hikoki CL18DSL
| Pos. | Descripción | Precio con el IVA excluido | Precio con el IVA incluido | |
| Los precios mostrados incluyen el IVA | ||||
| INTERRUPTOR + CONTACTOS | ||||
| *12 | 334926 | 51.84 | 62.72 | |
| No hay información disponible, no se puede pedir | ||||
| *48 | 308779 | |||
| No hay información disponible, no se puede pedir | ||||
| *49 | 998479 | |||
| No hay información disponible, no se puede pedir | ||||
| *501 | 334928 | |||
| No hay información disponible, no se puede pedir | ||||
| *502 | 308569 | |||
| No hay información disponible, no se puede pedir | ||||
| *8 | 373369 | |||
| Caja (a).(b) Conjunto | ||||
| 1 | 334924 | 30.53 | 36.94 | |
| Botón De Empuje | ||||
| 2 | 319402 | 3.30 | 3.99 | |
| Muelle | ||||
| 3 | 327319 | 3.45 | 4.17 | |
| Tornillo de roscado D4x20 con brida (negro) | ||||
| 4 | 301653 | 1.04 | 1.26 | |
| Anillo de retención D4 | ||||
| 6 | 968643 | 1.95 | 2.36 | |
| No hay información disponible, no se puede pedir | ||||
| 7 | 944458 | |||
| No hay información disponible, no se puede pedir | ||||
| 8 | 336690 | |||
| Gancho de Metal (antiguo 307603) | ||||
| 11 | 319401 | 9.00 | 10.89 | |
| INTERRUPTOR + CONTACTOS | ||||
| 12 | 334926 | 51.84 | 62.72 | |
| Tubo termorretráctil | ||||
| 13 | 318247 | 1.05 | 1.27 | |
| Tornillo de roscado (con brida) D5x25 (negro) | ||||
| 14 | 305558 | 1.04 | 1.26 | |
| Muelle de retorno | ||||
| 15 | 307624 | 4.80 | 5.81 | |
| Caja de engranajes | ||||
| 16 | 307622 | 46.75 | 56.57 | |
| Rodamiento de bolas 629vvmc2eps2l | ||||
| 17 | 629VVM | 5.85 | 7.08 | |
| Tercer Piñón | ||||
| 18 | 319407 | 16.09 | 19.47 | |
| Segundo engranaje | ||||
| 19 | 319406 | 46.75 | 56.57 | |
| Rodamiento de bolas 608vvmc2eps2l | ||||
| 20 | 608VVM | 5.70 | 6.90 | |
| Rodamiento de bolas 609vvmc2ps2s | ||||
| 21 | 609VVM | 6.00 | 7.26 | |
| Anillo de retención D15 (10 piezas) | ||||
| 22 | 939544 | 2.13 | 2.57 | |
| Arandela | ||||
| 23 | 302714 | 1.05 | 1.27 | |
| Anillo dentado | ||||
| 24 | 310254 | 6.45 | 7.80 | |
| Segundo engranaje | ||||
| 25 | 319405 | 64.21 | 77.70 | |
| ENGANCHE | ||||
| 26 | 319404 | 6.45 | 7.80 | |
| PASADOR | ||||
| 27 | 307609 | 8.25 | 9.98 | |
| Arandela | ||||
| 28 | 307608 | 1.95 | 2.36 | |
| Rodamiento de bolas 6001vvcmps2l | ||||
| 29 | 6001VV | 6.60 | 7.99 | |
| Motor | ||||
| 30 | 334927 | 36.71 | 44.42 | |
| Tornillo Allen Hd M5x12 | ||||
| 31 | 998471 | 1.05 | 1.27 | |
| Engranaje Final | ||||
| 32 | 319393 | 35.06 | 42.43 | |
| Anillo de retención D18 (10 piezas) | ||||
| 33 | 939546 | 3.60 | 4.36 | |
| Tornillo de Máquina (con arandelas) M4x20 (negro) | ||||
| 34 | 307606 | 1.05 | 1.27 | |
| Cubierta | ||||
| 35 | 329843 | 12.15 | 14.70 | |
| Cubierta | ||||
| 35A | 329843 | 12.15 | 14.70 | |
| Perno (a) | ||||
| 36 | 319396 | 28.05 | 33.94 | |
| Tornillo de bloqueo (con arandela sp.) M4x12 | ||||
| 37 | 987203 | 1.05 | 1.27 | |
| Excéntrico | ||||
| 38 | 319398 | 1.65 | 2.00 | |
| Soporte (a) | ||||
| 39 | 319397 | 142.86 | 172.86 | |
| Tornillo D5x35 (old 986140) | ||||
| 40 | 931875 | 1.05 | 1.27 | |
| Soporte (b) | ||||
| 41 | 319395 | 221.65 | 268.20 | |
| Tuerca autoblocante M12 (10 pcs) | ||||
| 42 | 949574 | 3.00 | 3.63 | |
| Guía del perno Includ.44,45 | ||||
| 43 | 309180 | 58.44 | 70.71 | |
| Arandela M10 (10 piezas) | ||||
| 44 | 949458 | 1.05 | 1.27 | |
| Tornillo Hexagonal W3/8x75 | ||||
| 45 | 309621 | 4.95 | 5.99 | |
| Tornillo Especial M5x9 Cl10d/cl10sa Cl10d2 | ||||
| 47 | 998486 | 3.60 | 4.36 | |
| No hay información disponible, no se puede pedir | ||||
| 48 | 308779 | |||
| No hay información disponible, no se puede pedir | ||||
| 49 | 998479 | |||
| Rodillo (a) Cl 14dsl | ||||
| 50 | 327317 | 4.80 | 5.81 | |
| Pasador de rodillo Cl 14dsl | ||||
| 51 | 327318 | 3.30 | 3.99 | |
| Excéntrico | ||||
| 52 | 319394 | 84.56 | 102.32 | |
| Pasador 5x5x10 | ||||
| 53 | 948015 | 1.05 | 1.27 | |
| No hay información disponible, no se puede pedir | ||||
| 501 | 334928 | |||
| No hay información disponible, no se puede pedir | ||||
| 502 | 308569 | |||
| Tapa protectora para batería | ||||
| 504 | 329897 | 1.80 | 2.18 | |
| No hay información disponible, no se puede pedir | ||||
| 601 | 998479 | |||
| No hay información disponible, no se puede pedir | ||||
| 602 | 308566 | |||
| No hay información disponible, no se puede pedir | ||||
| 603 | 308781 | |||
| No hay información disponible, no se puede pedir | ||||
| 604 | 308563 | |||
| No hay información disponible, no se puede pedir | ||||
| 605 | 309181 | |||
| No hay información disponible, no se puede pedir | ||||
| 606 | 308564 | |||
| No hay información disponible, no se puede pedir | ||||
| 607 | 308779 | |||
| No hay información disponible, no se puede pedir | ||||
| 608 | 308565 | |||
| No hay información disponible, no se puede pedir | ||||
| 609 | 308780 | |||
| No hay información disponible, no se puede pedir | ||||
| 610 | 308567 | |||
| No hay información disponible, no se puede pedir | ||||
| 611 | 308568 | |||
| No hay información disponible, no se puede pedir | ||||
| 612 | 308569 | |||
| No hay información disponible, no se puede pedir | ||||
| 613 | 308570 | |||
| No hay información disponible, no se puede pedir | ||||
| 614 | 321153 | |||