Aquí encontrará todas las piezas y dibujos técnicos disponibles de 'Hikoki CM75EBP'. Desde aquí podrá pedir todas las piezas deseadas directamente. Para muchas piezas de repuesto, es necesario pasar un pedido al fabricante. Dependiendo de la marca, el plazo de entrega puede variar entre una y cuatro semanas. Toda la información que tenemos está en nuestro sitio web. No podremos aconsejarle sobre lo que necesita hasta que entregue la máquina para su reparación. Tenga en cuenta lo siguiente a la hora de cursar su pedido:
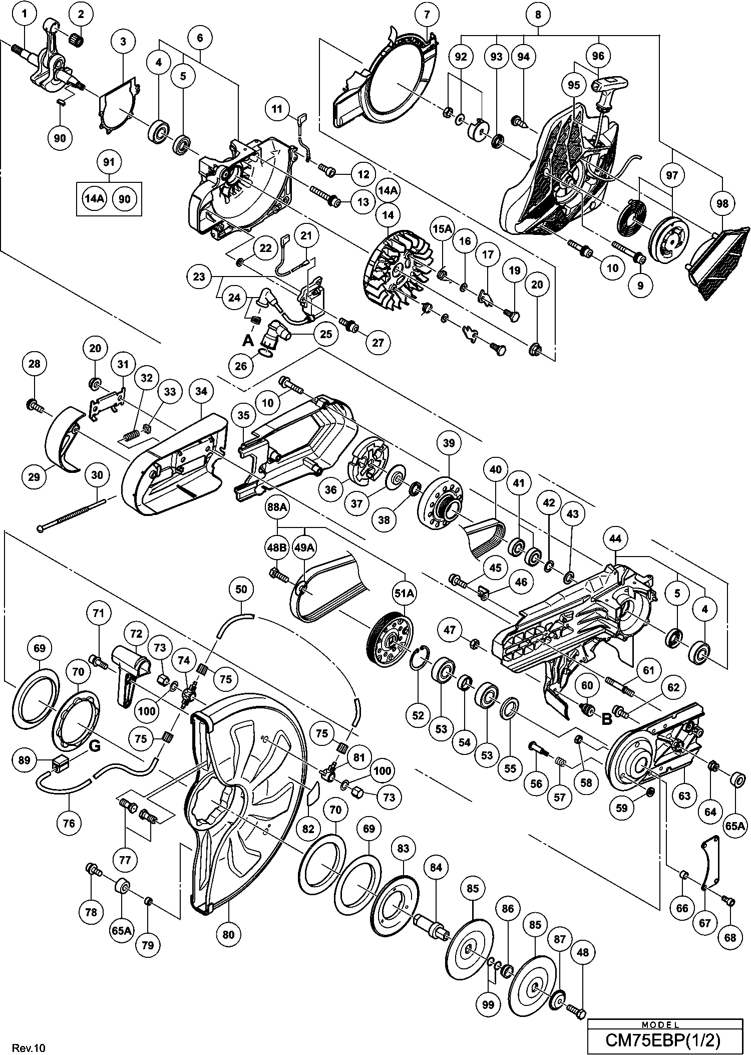
Dibujo técnico de los/las Hikoki CM75EBP
Lista de las piezas de repuesto de Hikoki CM75EBP
| Pos. | Descripción | Precio con el IVA excluido | Precio con el IVA incluido | |
| Los precios mostrados incluyen el IVA | ||||
| No hay información disponible, no se puede pedir | ||||
| 1 | 6699801 | |||
| Cojinete de Agujas (a) | ||||
| 2 | 6699803 | 3.60 | 4.36 | |
| Embalaje de la caja del cigüeñal | ||||
| 3 | 6699800 | 1.04 | 1.26 | |
| Cojinete de bolas 6202c3 | ||||
| 4 | 6202C3 | 4.35 | 5.26 | |
| Sello de aceite | ||||
| 5 | 6698914 | 3.15 | 3.81 | |
| Caja de cigüeñal (a) | ||||
| 6 | 6600364 | 94.60 | 114.47 | |
| Guía del ventilador | ||||
| 7 | 6699875 | 3.15 | 3.81 | |
| Ya no disponible, sin reemplazo | ||||
| 8 | 6699876 | |||
| Juego de tornillos M5 | ||||
| 9 | 6600374 | 1.80 | 2.18 | |
| Set de tornillo M5x25 | ||||
| 10 | 6699871 | 1.20 | 1.45 | |
| No hay información disponible, no se puede pedir | ||||
| 11 | 6699813 | |||
| Cordón de Tierra | ||||
| 11A | 6696567 | 2.10 | 2.54 | |
| Tornillo (10 piezas) | ||||
| 12 | 949812 | 2.40 | 2.90 | |
| Bolt M5 de bloqueo de sello hexagonal | ||||
| 13 | 6600365 | 1.80 | 2.18 | |
| No hay información disponible, no se puede pedir | ||||
| 14 | 6699808 | |||
| Rotor del Magneto (viejo 6699808) | ||||
| 14A | 6600458 | 12.90 | 15.61 | |
| No hay información disponible, no se puede pedir | ||||
| 15 | 6699810 | |||
| Resorte de Trinquete de Arranque | ||||
| 15A | 6600477 | 1.05 | 1.27 | |
| Arandela 0.8 | ||||
| 16 | 6696857 | 1.05 | 1.27 | |
| Trinquete de arranque | ||||
| 17 | 6699811 | 1.04 | 1.26 | |
| Chim | ||||
| 18 | 6696434 | 1.04 | 1.26 | |
| Tornillo | ||||
| 19 | 6696878 | 1.05 | 1.27 | |
| TUERCA M8 | ||||
| 20 | 6698581 | 1.20 | 1.45 | |
| Cordón | ||||
| 21 | 6699812 | 1.04 | 1.26 | |
| Ya no disponible, sin reemplazo | ||||
| 22 | 6698700 | |||
| Ya no disponible, sin reemplazo | ||||
| 23 | 6699809 | |||
| Set de cordón | ||||
| 24 | 6600434 | 11.25 | 13.61 | |
| Cubierta del escudo | ||||
| 25 | 6699814 | 2.70 | 3.27 | |
| Anillo de cubierta de protección | ||||
| 26 | 6600373 | 1.80 | 2.18 | |
| Tornillo de cabeza hexagonal (con arandelas) M4x18 | ||||
| 27 | 6698388 | 1.05 | 1.27 | |
| Tornillo de bloqueo de sello. Botón de enchufe hex | ||||
| 28 | 6699909 | 1.20 | 1.45 | |
| Placa de cubierta (2 necesarias) | ||||
| 29 | 6699908 | 4.20 | 5.08 | |
| Perno tensor | ||||
| 30 | 6699907 | 2.10 | 2.54 | |
| Placa tensora | ||||
| 31 | 6699904 | 2.10 | 2.54 | |
| Resorte tensor | ||||
| 32 | 6699906 | 1.20 | 1.45 | |
| Tuerca tensora | ||||
| 33 | 6699905 | 1.20 | 1.45 | |
| Cobertura de brazo | ||||
| 34 | 6699903 | 6.60 | 7.99 | |
| Tapa del embrague | ||||
| 35 | 6699878 | 8.85 | 10.71 | |
| Embrague | ||||
| 36 | 6699823 | 20.90 | 25.29 | |
| Brida de embrague | ||||
| 37 | 6699822 | 4.20 | 5.08 | |
| Empaque De Fieltro | ||||
| 38 | 301946 | 1.04 | 1.26 | |
| CAJA DE EMBRAGUE | ||||
| 39 | 6699821 | 12.90 | 15.61 | |
| CORREA | ||||
| 40 | 6699877 | 10.65 | 12.89 | |
| Rodamiento de bolas 6001dducmps2s (antiguo 980925) | ||||
| 41 | 6001DD | 6.45 | 7.80 | |
| No hay información disponible, no se puede pedir | ||||
| 42 | 6696946 | |||
| Arandela | ||||
| 43 | 6685072 | 1.15 | 1.39 | |
| Caja de cigüeñal (b) | ||||
| 44 | 6600366 | 128.01 | 154.90 | |
| Tornillo de cabeza hex. M5x16 (con arandelas) | ||||
| 45 | 6699826 | 1.05 | 1.27 | |
| Base de tensor | ||||
| 46 | 6699825 | 1.20 | 1.45 | |
| NUT M6 | ||||
| 47 | 6698449 | 1.00 | 1.21 | |
| Tuerca M6 | ||||
| 47A | 329934 | 1.73 | 2.09 | |
| Perno M8 | ||||
| 48 | 6699902 | 1.20 | 1.45 | |
| Tornillo (con brida) M8x15.5 | ||||
| 48A | 320971 | 1.05 | 1.27 | |
| No hay información disponible, no se puede pedir | ||||
| 49A | 6699900 | |||
| Manguera de Suministro de Agua | ||||
| 50 | 6699910 | 1.20 | 1.45 | |
| Polea (b) | ||||
| 51A | 6600436 | 12.15 | 14.70 | |
| Arandela D40 | ||||
| 52 | 948391 | 1.65 | 2.00 | |
| Rodamiento de bolas 6203dducmav2s | ||||
| 53 | 6203DD | 7.65 | 9.26 | |
| Collar Bb | ||||
| 54 | 6699880 | 2.10 | 2.54 | |
| Fieltro (1) | ||||
| 55 | 6699879 | 1.20 | 1.45 | |
| Perno M5 (s) | ||||
| 56 | 6699896 | 1.20 | 1.45 | |
| Resorte de protección de la rueda | ||||
| 57 | 6699895 | 1.20 | 1.45 | |
| Tuerca de Seguridad M5 (antigua 949566z) (10 Pieza | ||||
| 58 | 949566 | 1.04 | 1.26 | |
| Anillo M6 (Antiguo 949425z , 10 piezas) | ||||
| 59 | 949425 | 1.05 | 1.27 | |
| No hay información disponible, no se puede pedir | ||||
| 60 | 6699850 | |||
| PORTAMUELLES | ||||
| 60A | 6601390 | 2.85 | 3.45 | |
| Perno de Barra de Cadena | ||||
| 61 | 6699881 | 2.10 | 2.54 | |
| No hay información disponible, no se puede pedir | ||||
| 62 | 6699176 | |||
| BRAZO | ||||
| 63 | 6600367 | 64.08 | 77.53 | |
| Soporte de tope | ||||
| 64 | 6699883 | 1.20 | 1.45 | |
| Caucho de tope (2 piezas) (antiguo 6600368) | ||||
| 65A | 6600442 | 2.10 | 2.54 | |
| Collar | ||||
| 66 | 6699866 | 1.20 | 1.45 | |
| Placa de brazo | ||||
| 67 | 6600396 | 1.80 | 2.18 | |
| Perno de cabeza de zócalo hexagonal M5x12 (pre-rec | ||||
| 68 | 6696836 | 1.20 | 1.45 | |
| Plato (a) | ||||
| 69 | 6699885 | 2.10 | 2.54 | |
| AMORTIGUADOR (A) | ||||
| 70 | 6699886 | 2.10 | 2.54 | |
| Perno Conjunto M5x16 | ||||
| 71 | 6699889 | 1.20 | 1.45 | |
| Manija (w) | ||||
| 72 | 6699888 | 2.10 | 2.54 | |
| Tuerca tapa | ||||
| 73 | 6699892 | 2.10 | 2.54 | |
| Junta de suministro de agua (b) | ||||
| 74 | 6699891 | 1.20 | 1.45 | |
| TUERCA DE BLOQUEO | ||||
| 75 | 6699912 | 1.20 | 1.45 | |
| Manguera de Suministro de Agua | ||||
| 76 | 6699911 | 1.20 | 1.45 | |
| Tornillo de boquilla | ||||
| 77 | 6699893 | 4.20 | 5.08 | |
| Tornillo | ||||
| 78 | 996399 | 1.04 | 1.26 | |
| Soporte de tope | ||||
| 79 | 6600375 | 1.80 | 2.18 | |
| Guarda de Rueda (14') | ||||
| 80 | 6699920 | 93.09 | 112.64 | |
| Junta de suministro de agua (a) | ||||
| 81 | 6699890 | 1.20 | 1.45 | |
| Etiqueta de marca de rueda (14") | ||||
| 82 | 6600377 | 1.80 | 2.18 | |
| Brida (a) | ||||
| 83 | 6699894 | 18.56 | 22.46 | |
| HUSILLO | ||||
| 84 | 6699882 | 11.85 | 14.34 | |
| Arandela de rueda | ||||
| 85 | 6699897 | 5.70 | 6.90 | |
| Collar de husillo | ||||
| 86 | 6699898 | 3.15 | 3.81 | |
| Arandela de brida | ||||
| 87 | 6699901 | 1.20 | 1.45 | |
| Conjunto de (b) polea (antiguo 6699899) | ||||
| 88 | 6600438 | 14.70 | 17.79 | |
| Soporte de manguera | ||||
| 89 | 6600457 | 1.04 | 1.26 | |
| Chaveta de ajuste | ||||
| 90 | 6600459 | 1.04 | 1.26 | |
| Cjto de Magneto Rotor | ||||
| 91 | 6600460 | 13.65 | 16.52 | |
| Juego completo de levas | ||||
| 92 | 6600469 | 7.05 | 8.53 | |
| Anillo de Arranque | ||||
| 93 | 6600471 | 5.85 | 7.08 | |
| Tornillo para perforar D4x16 | ||||
| 94 | 6600466 | 1.04 | 1.26 | |
| Cuerda de arranque | ||||
| 95 | 6600468 | 7.65 | 9.26 | |
| Ya no disponible, sin reemplazo | ||||
| 96 | 6600467 | |||
| Juego completo de carrete | ||||
| 97 | 6600470 | 21.04 | 25.46 | |
| Cubierta de la caja del ventilador | ||||
| 98 | 6600464 | 19.39 | 23.46 | |
| Anillo O (s-12) | ||||
| 99 | 875638 | 1.65 | 2.00 | |
| Arandela de polea | ||||
| 100 | 6600495 | 1.04 | 1.26 | |
| Tapa del tanque | ||||
| 101 | 6600369 | 5.10 | 6.17 | |
| Empaque de tapa de tanque (viejo 630-3252k-20/6685 | ||||
| 102 | 6685179 | 1.15 | 1.39 | |
| No hay información disponible, no se puede pedir | ||||
| 103 | 6699828 | |||
| Bomba de Cebado Comp. (antiguo 442-25143-80) | ||||
| 104 | 6685139 | 5.94 | 7.18 | |
| Tubo de Combustible | ||||
| 105 | 6698722 | 9.75 | 11.80 | |
| Tubo de combustible (rosa) | ||||
| 106 | 6699837 | 2.10 | 2.54 | |
| Tubo de combustible L220 | ||||
| 106A | 6601460 | 2.25 | 2.72 | |
| Tornillo autorroscante (con brida) D4x25 (negro) | ||||
| 107 | 304035 | 1.04 | 1.26 | |
| Etiqueta de marca de tanque (25:1) | ||||
| 108 | 6698922 | 1.20 | 1.45 | |
| Tornillo Autoperforante (con brida) D4x16 (negro) | ||||
| 109 | 305812 | 1.04 | 1.26 | |
| Tapa de ventilación de aire | ||||
| 110 | 6699838 | 1.20 | 1.45 | |
| No hay información disponible, no se puede pedir | ||||
| 111 | 6600370 | |||
| Ya no disponible, sin reemplazo | ||||
| 112 | 6698931 | |||
| Goma de retorno hasta 7.2014 (antigua 6684627) | ||||
| 113 | 6697846 | 1.04 | 1.26 | |
| Mango Trasero | ||||
| 114 | 6699827 | 26.68 | 32.28 | |
| Tuerca larga M6 | ||||
| 116 | 6699852 | 1.20 | 1.45 | |
| Mango frontal | ||||
| 117 | 6699842 | 22.83 | 27.62 | |
| Tornillo autoperforante con brida D6 | ||||
| 118 | 6696872 | 1.05 | 1.27 | |
| Tornillo de cabeza hexagonal M6x20 | ||||
| 119 | 881722 | 1.80 | 2.18 | |
| Muelle Antivibración | ||||
| 120 | 6699849 | 1.20 | 1.45 | |
| Adaptador delantero | ||||
| 121 | 6699847 | 14.25 | 17.24 | |
| Fin del agarre (b) | ||||
| 122 | 6699844 | 1.20 | 1.45 | |
| Hex. Perno de cabeza de casquillo M6x50 | ||||
| 123 | 6699819 | 1.04 | 1.26 | |
| Escape | ||||
| 124 | 6699816 | 31.08 | 37.60 | |
| ESCUDO DE CALOR | ||||
| 125 | 6699815 | 1.80 | 2.18 | |
| Tornillo de cabeza de casquillo hexagonal de bloqu | ||||
| 126 | 6698899 | 1.20 | 1.45 | |
| Arandela | ||||
| 127 | 6685068 | 1.15 | 1.39 | |
| Tubo de escape | ||||
| 128 | 6699818 | 1.04 | 1.26 | |
| Junta de escape | ||||
| 129 | 6699817 | 1.04 | 1.26 | |
| Collar de bloqueo del gatillo | ||||
| 130 | 6699836 | 1.20 | 1.45 | |
| Bloqueo del gatillo | ||||
| 131 | 6699835 | 1.20 | 1.45 | |
| PASADOR DE AGUJA D3 | ||||
| 132 | 6699834 | 1.20 | 1.45 | |
| Resorte de la palanca del acelerador | ||||
| 133 | 6699833 | 1.20 | 1.45 | |
| Palanca de aceleración | ||||
| 134 | 6699832 | 1.20 | 1.45 | |
| Varilla del acelerador | ||||
| 135 | 6699863 | 1.20 | 1.45 | |
| Cubierta del cilindro | ||||
| 136 | 6699865 | 9.15 | 11.07 | |
| Tubo de Combustible | ||||
| 137 | 6698908 | 4.65 | 5.63 | |
| No hay información disponible, no se puede pedir | ||||
| 138 | 6685311 | |||
| Ensamblaje del cuerpo del filtro de la bomba (anti | ||||
| 139 | 6692285 | 7.26 | 8.79 | |
| Sostenedor de primavera | ||||
| 140 | 6699851 | 2.10 | 2.54 | |
| Muelle Antivibración | ||||
| 141 | 6699824 | 2.10 | 2.54 | |
| No hay información disponible, no se puede pedir | ||||
| 142 | 6699320 | |||
| Tapa de descompresión | ||||
| 143 | 6600378 | 3.45 | 4.17 | |
| Descomp. | ||||
| 144 | 6698541 | 22.83 | 27.62 | |
| Fin del agarre (a) | ||||
| 145 | 6699843 | 1.20 | 1.45 | |
| No hay información disponible, no se puede pedir | ||||
| 146 | 6600371 | |||
| Ya no disponible, sin reemplazo | ||||
| 146A | 6600478 | |||
| Clip aislante | ||||
| 147 | 6699862 | 1.20 | 1.45 | |
| Placa aislante | ||||
| 148 | 6699858 | 2.10 | 2.54 | |
| Ya no disponible, sin reemplazo | ||||
| 149 | 6699860 | |||
| Línea de combustible (fkm) | ||||
| 150 | 6699857 | 6.15 | 7.44 | |
| Carburador Ass'y (c3m) | ||||
| 151 | 6699856 | 62.70 | 75.87 | |
| Tornillo (d) | ||||
| 152 | 6600385 | 3.45 | 4.17 | |
| Cubierta de la bomba | ||||
| 153 | 6600386 | 10.35 | 12.52 | |
| Junta de la bomba | ||||
| 154 | 6600387 | 3.45 | 4.17 | |
| Diafragma de la bomba | ||||
| 155 | 6600388 | 3.45 | 4.17 | |
| FILTRO | ||||
| 156 | 6600389 | 5.10 | 6.17 | |
| Tornillo (e) | ||||
| 157 | 6600390 | 3.45 | 4.17 | |
| PASADOR | ||||
| 158 | 6699082 | 1.05 | 1.27 | |
| Resorte de palanca de medición | ||||
| 159 | 6600391 | 3.45 | 4.17 | |
| Válvula de aguja de entrada | ||||
| 160 | 6699081 | 7.05 | 8.53 | |
| Palanca de medición | ||||
| 161 | 6699084 | 1.65 | 2.00 | |
| Junta de la cámara de medición | ||||
| 162 | 6600392 | 5.10 | 6.17 | |
| Diafragma de medición | ||||
| 163 | 6600393 | 9.75 | 11.80 | |
| Cubierta de la cámara de medición | ||||
| 164 | 6600394 | 42.76 | 51.74 | |
| Tornillo de ajuste (c) | ||||
| 165 | 6699094 | 1.05 | 1.27 | |
| Ya no disponible, sin reemplazo | ||||
| 166 | 6698873 | |||
| Tuerca cuadrada (b) M5 | ||||
| 167 | 6699859 | 1.20 | 1.45 | |
| Tornillo Allen M6x25 | ||||
| 168 | 991712 | 1.05 | 1.27 | |
| Empacado del cilindro | ||||
| 169 | 6600397 | 3.45 | 4.17 | |
| ANILLO DE PISTÓN | ||||
| 170 | 6699806 | 2.10 | 2.54 | |
| Clip de Cir | ||||
| 171 | 6699805 | 1.04 | 1.26 | |
| Ya no disponible, sin reemplazo | ||||
| 172 | 6699804 | |||
| Pasador del pistón | ||||
| 173 | 6699802 | 1.65 | 2.00 | |
| Conector de suministro de agua | ||||
| 174 | 6699913 | 9.60 | 11.62 | |
| Ya no disponible, sin reemplazo | ||||
| 175 | 6699914 | |||
| No hay información disponible, no se puede pedir | ||||
| 176 | 6699915 | |||
| VALVE (OLD 6699915) | ||||
| 176A | 6601657 | 33.55 | 40.60 | |
| Acoplador | ||||
| 177 | 6699916 | 3.15 | 3.81 | |
| OJAL | ||||
| 178 | 6698787 | 1.80 | 2.18 | |
| Pasador de bloqueo del acelerador | ||||
| 179 | 6699829 | 1.20 | 1.45 | |
| Empaque del carburador | ||||
| 180 | 6699855 | 1.20 | 1.45 | |
| Soporte del carburador | ||||
| 181 | 6699854 | 4.20 | 5.08 | |
| Filtro previo | ||||
| 182 | 6699872 | 5.10 | 6.17 | |
| Etiqueta de precaución (eng) | ||||
| 183 | 6600382 | 3.45 | 4.17 | |
| Botón del limpiador | ||||
| 184 | 6699874 | 2.10 | 2.54 | |
| Empaquetado de Perilla | ||||
| 185 | 6698570 | 1.20 | 1.45 | |
| Etiqueta de inicio (cm75) (ex) | ||||
| 186 | 6600381 | 1.80 | 2.18 | |
| Caja limpiadora (b) | ||||
| 187 | 6699873 | 10.20 | 12.34 | |
| Cuerda de goma | ||||
| 188 | 6699870 | 2.10 | 2.54 | |
| Caja de limpieza (a) | ||||
| 189 | 6699869 | 14.25 | 17.24 | |
| BOLÍGRAFO DE GOMA | ||||
| 190 | 931701 | 1.05 | 1.27 | |
| Botón de estrangulador | ||||
| 191 | 6699864 | 1.20 | 1.45 | |
| Goma de la varilla del estrangulador | ||||
| 192 | 6685369 | 1.05 | 1.27 | |
| FILTRO DE PAPEL | ||||
| 193 | 6699868 | 6.90 | 8.35 | |
| Filtro de Nylon | ||||
| 194 | 6699867 | 4.20 | 5.08 | |
| Tornillo de cabeza hexagonal (con arandelas) M5x55 | ||||
| 195 | 6699861 | 1.20 | 1.45 | |
| No hay información disponible, no se puede pedir | ||||
| 196 | 6696940 | |||
| Ya no disponible, sin reemplazo | ||||
| 196A | 6601275 | |||
| Ya no disponible, sin reemplazo | ||||
| 197 | 6698400 | |||
| Resorte del pasador de bloqueo del acelerador | ||||
| 198 | 6699830 | 1.20 | 1.45 | |
| Tapa del pasador de bloqueo del acelerador | ||||
| 199 | 6699831 | 1.20 | 1.45 | |
| Pie trasero | ||||
| 200 | 6699839 | 2.10 | 2.54 | |
| Muelle Antivibración | ||||
| 201 | 6699840 | 1.20 | 1.45 | |
| Guarda inferior | ||||
| 202 | 6699841 | 6.60 | 7.99 | |
| Guarda de silenciador (antiguo 6600395) | ||||
| 203A | 6600443 | 42.49 | 51.41 | |
| No hay información disponible, no se puede pedir | ||||
| 204 | 6699845 | |||
| No hay información disponible, no se puede pedir | ||||
| 205 | 6699846 | |||
| GOMA DE PIE FRONTAL (B) | ||||
| 205A | 6601393 | 1.50 | 1.82 | |
| No hay información disponible, no se puede pedir | ||||
| 206 | 6699848 | |||
| PLACA DE PIE FRONTAL (B) | ||||
| 206A | 6601392 | 2.25 | 2.72 | |
| Tornillo hexagonal M5 (con arandelas) | ||||
| 207 | 6600372 | 1.80 | 2.18 | |
| No hay información disponible, no se puede pedir | ||||
| 207A | 6698386 | |||
| Esponja en ralentí | ||||
| 208 | 6600056 | 1.05 | 1.27 | |
| Banda | ||||
| 209 | 6698943 | 1.20 | 1.45 | |
| Conjunto de cable de tierra | ||||
| 210 | 6601373 | 1.35 | 1.63 | |
| PORTAMUELLES | ||||
| 211 | 6601391 | 3.75 | 4.54 | |
| Arandela (b) Ds9dva/ds12dva/ds14dv Ds14dva/ds14dvb | ||||
| 212 | 6699112 | 1.04 | 1.26 | |
| Soporte de pie frontal (antiguo 6601365) | ||||
| 213 | 6601394 | 6.15 | 7.44 | |
| No hay información disponible, no se puede pedir | ||||
| 501 | 6698582 | |||
| No hay información disponible, no se puede pedir | ||||
| 502 | 6699918 | |||
| No hay información disponible, no se puede pedir | ||||
| 503 | 875769 | |||
| Collarín de adaptador | ||||
| 504 | 6699919 | 6.30 | 7.62 | |
| No hay información disponible, no se puede pedir | ||||
| 505 | 402328 | |||