Aquí encontrará todas las piezas y dibujos técnicos disponibles de 'Hikoki CR13V'. Desde aquí podrá pedir todas las piezas deseadas directamente. Para muchas piezas de repuesto, es necesario pasar un pedido al fabricante. Dependiendo de la marca, el plazo de entrega puede variar entre una y cuatro semanas. Toda la información que tenemos está en nuestro sitio web. No podremos aconsejarle sobre lo que necesita hasta que entregue la máquina para su reparación. Tenga en cuenta lo siguiente a la hora de cursar su pedido:
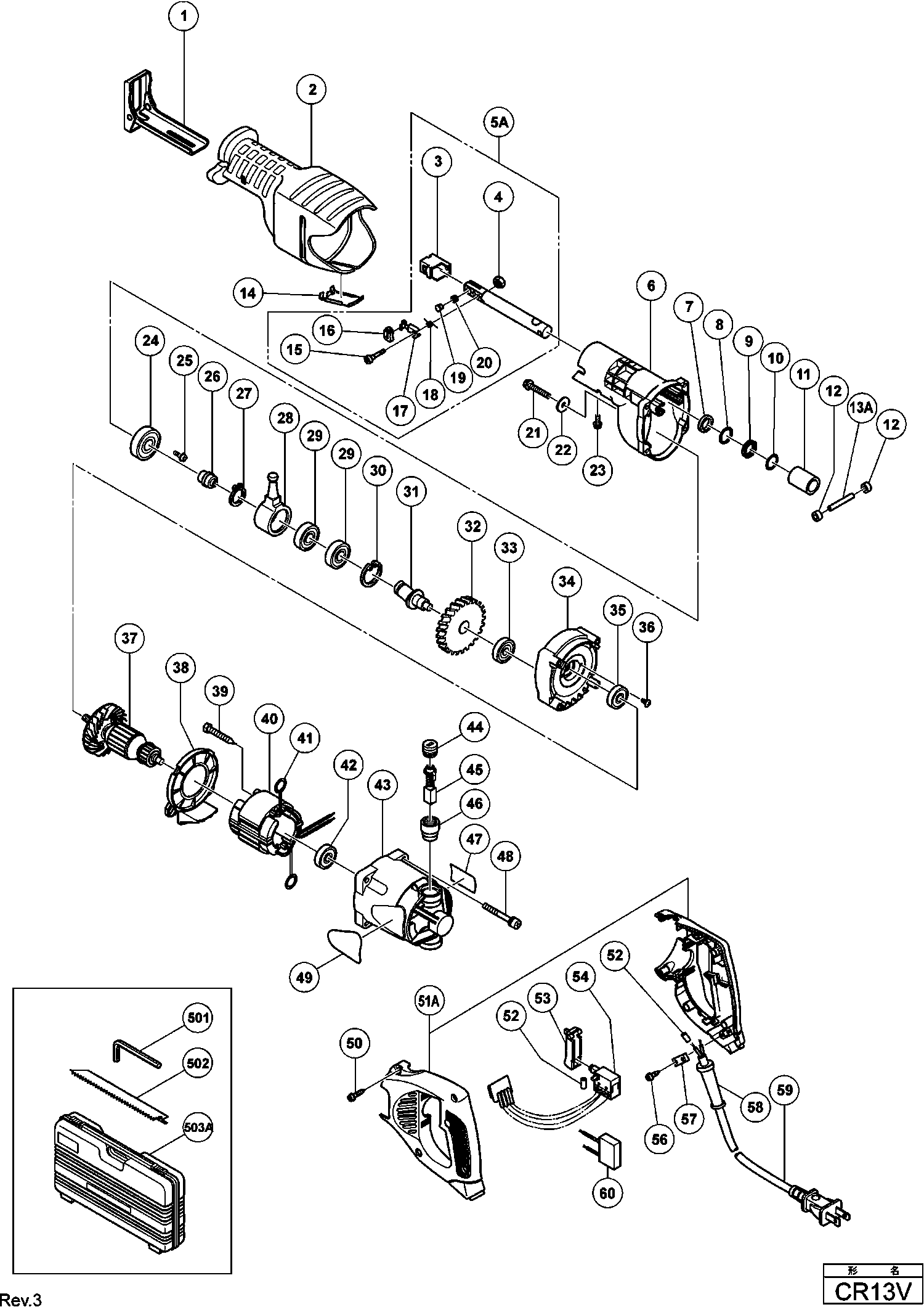
Dibujo técnico de los/las Hikoki CR13V
Lista de las piezas de repuesto de Hikoki CR13V
| Pos. | Descripción | Precio con el IVA excluido | Precio con el IVA incluido | |
| Los precios mostrados incluyen el IVA | ||||
| MONTAJE DE ARMADURA 120 VOLTS | ||||
| *37 | 360616U | 78.79 | 95.33 | |
| ARMADURA 230V | ||||
| *37 | 360616E | 45.30 | 54.81 | |
| ANKER 110-115 VOLT | ||||
| *37 | 360616C | 42.35 | 51.24 | |
| VELD 110-115 VOLT | ||||
| *40 | 340563H | 32.40 | 39.20 | |
| Stator 220v-230v H-90sa Includ.103 Para Nzl,saf | ||||
| *40 | 340563J | 31.55 | 38.18 | |
| No hay información disponible, no se puede pedir | ||||
| *54 | 327130 | |||
| No hay información disponible, no se puede pedir | ||||
| *59 | 500455Z | |||
| Base (b) Cr13vc | ||||
| 1 | 321116 | 9.69 | 11.72 | |
| Caja Frontal | ||||
| 2 | 321125 | 24.61 | 29.78 | |
| Soporte de hoja de sierra | ||||
| 3 | 321132 | 15.95 | 19.30 | |
| Tuerca M4 (10 Piezas) | ||||
| 4 | 949554 | 1.05 | 1.27 | |
| Asamblea de émbolo (b) Incl.3,14a,15-19,62 | ||||
| 5A | 333738 | 91.30 | 110.47 | |
| Cubierta de engranaje | ||||
| 6 | 321123 | 37.95 | 45.92 | |
| Arandela de fieltro | ||||
| 7 | 318458 | 1.65 | 2.00 | |
| Arandela | ||||
| 8 | 321117 | 1.35 | 1.63 | |
| Arandela en V | ||||
| 9 | 318459 | 1.65 | 2.00 | |
| Anillo O Cr13vc | ||||
| 10 | 321118 | 1.65 | 2.00 | |
| Metal Cr13vc | ||||
| 11 | 321214 | 4.80 | 5.81 | |
| Rodillo oscilante Cr13vc | ||||
| 12 | 321136 | 1.65 | 2.00 | |
| PIN D6 (ANTIGUO 318491) | ||||
| 13A | 326585 | 3.15 | 3.81 | |
| Clip BHC 18 | ||||
| 14 | 321126 | 5.71 | 6.91 | |
| Tornillo especial M4 | ||||
| 15 | 322134 | 1.65 | 2.00 | |
| Tapa para Cr13vc | ||||
| 16 | 321130 | 1.35 | 1.63 | |
| Palanca (a) Vb13y | ||||
| 17 | 321131 | 9.69 | 11.72 | |
| Muelle | ||||
| 18 | 321135 | 2.55 | 3.09 | |
| Pin de soporte (b) Cr13vc | ||||
| 19 | 321134 | 12.45 | 15.06 | |
| Resorte (b) | ||||
| 20 | 318483 | 1.20 | 1.45 | |
| Tornillo Nylock (con brida) M6x35 | ||||
| 21 | 318451 | 1.65 | 2.00 | |
| Arandela (g) | ||||
| 22 | 318452 | 1.20 | 1.45 | |
| Tornillo Nylock (con brida) M5x12 | ||||
| 23 | 322142 | 1.65 | 2.00 | |
| Rodamiento de bolas 6002dducmps2s | ||||
| 24 | 6002DD | 7.05 | 8.53 | |
| Tornillo NYLOCK M4X12 | ||||
| 25 | 317196 | 1.65 | 2.00 | |
| Émbolo | ||||
| 26 | 322119 | 2.10 | 2.54 | |
| Arandela | ||||
| 27 | 967261 | 1.05 | 1.27 | |
| Placa recíproca | ||||
| 28 | 322118 | 13.35 | 16.15 | |
| Rodamiento de bolas 6003 Vv | ||||
| 29 | 6003VV | 7.65 | 9.26 | |
| Anillo de Seguridad D35 (10 Piezas) | ||||
| 30 | 939556 | 10.20 | 12.34 | |
| Segundo Eje (b) Cr13vc | ||||
| 31 | 321128 | 22.31 | 27.00 | |
| ENGANCHE | ||||
| 32 | 318473 | 14.03 | 16.97 | |
| Rodamiento de bolas 608vvmc2eps2l | ||||
| 33 | 608VVM | 5.70 | 6.90 | |
| Cubierta interior | ||||
| 34 | 321124 | 18.98 | 22.96 | |
| Rodamiento de bolas 6001vvcmps2l | ||||
| 35 | 6001VV | 6.60 | 7.99 | |
| Tornillo de cabeza ranurada (sellos) M4x10 | ||||
| 36 | 314430 | 1.05 | 1.27 | |
| MONTAJE DE ARMADURA 120 VOLTS | ||||
| 37 | 360616U | 78.79 | 95.33 | |
| ARMADURA 230V | ||||
| 37 | 360616E | 45.30 | 54.81 | |
| ANKER 110-115 VOLT | ||||
| 37 | 360616C | 42.35 | 51.24 | |
| Guía de ventilador | ||||
| 38 | 321122 | 2.55 | 3.09 | |
| Tornillo de corte D5x55 | ||||
| 39 | 953174 | 1.04 | 1.26 | |
| VELD 110-115 VOLT | ||||
| 40 | 340563H | 32.40 | 39.20 | |
| Stator 220v-230v H-90sa Includ.103 Para Nzl,saf | ||||
| 40 | 340563J | 31.55 | 38.18 | |
| Punto de contacto del Portaescobillas | ||||
| 41 | 930703 | 2.40 | 2.90 | |
| Rodamiento de bolas 608vvmc2eps2l | ||||
| 42 | 608VVM | 5.70 | 6.90 | |
| CARCASA | ||||
| 43 | 322120 | 9.60 | 11.62 | |
| Tapa del cepillo | ||||
| 44 | 945161 | 1.20 | 1.45 | |
| Escobilla de carbono (1 par) | ||||
| 45 | 999043 | 4.50 | 5.44 | |
| Soporte de Cepillo de Carbono | ||||
| 46 | 958900 | 6.45 | 7.80 | |
| Tornillo de máquina con arandelas M5x60 (negro) | ||||
| 48 | 307224 | 1.05 | 1.27 | |
| Tornillo de rosca (con brida) D4x25 (negro) | ||||
| 50 | 307028 | 1.05 | 1.27 | |
| Conjunto de asas (c+d) | ||||
| 51A | 324823 | 11.85 | 14.34 | |
| Casquillo roscado para cable | ||||
| 52 | 981373 | 1.05 | 1.27 | |
| DESLIZADOR DE INTERRUPTOR | ||||
| 53 | 322133 | 1.05 | 1.27 | |
| Interruptor | ||||
| 54 | 322135 | 46.75 | 56.57 | |
| No hay información disponible, no se puede pedir | ||||
| 56 | 984750 | |||
| Tira de sujeción (antiguo 994566) | ||||
| 57 | 937631 | 1.04 | 1.26 | |
| No hay información disponible, no se puede pedir | ||||
| 58 | 953327 | |||
| No hay información disponible, no se puede pedir | ||||
| 59 | 500434Z | |||
| NOISE SUPPRESSOR | ||||
| 60 | 334380 | 1.00 | 1.21 | |
| No hay información disponible, no se puede pedir | ||||
| 501 | 944458 | |||
| No hay información disponible, no se puede pedir | ||||
| 502 | 318621 | |||
| No hay información disponible, no se puede pedir | ||||
| 503A | 327054 | |||
| No hay información disponible, no se puede pedir | ||||
| 602 | 958182 | |||
| No hay información disponible, no se puede pedir | ||||
| 603 | 958183 | |||
| No hay información disponible, no se puede pedir | ||||
| 604 | 959611 | |||
| No hay información disponible, no se puede pedir | ||||
| 605 | 958185 | |||
| No hay información disponible, no se puede pedir | ||||
| 606 | 958188 | |||
| No hay información disponible, no se puede pedir | ||||
| 607 | 996427 | |||
| No hay información disponible, no se puede pedir | ||||
| 608 | 318611 | |||
| No hay información disponible, no se puede pedir | ||||
| 609 | 318612 | |||
| No hay información disponible, no se puede pedir | ||||
| 610 | 318613 | |||
| No hay información disponible, no se puede pedir | ||||
| 611 | 318614 | |||
| No hay información disponible, no se puede pedir | ||||
| 612 | 324818 | |||
| No hay información disponible, no se puede pedir | ||||
| 613 | 324819 | |||
| No hay información disponible, no se puede pedir | ||||
| 614 | 318617 | |||
| No hay información disponible, no se puede pedir | ||||
| 615 | 318618 | |||
| No hay información disponible, no se puede pedir | ||||
| 616 | 318619 | |||
| No hay información disponible, no se puede pedir | ||||
| 617 | 318620 | |||
| No hay información disponible, no se puede pedir | ||||
| 618 | 321113 | |||
| LEVER | ||||
| 619 | 996423 | 3.72 | 4.50 | |
| BOUT | ||||
| 620 | 996422 | 15.51 | 18.77 | |
| GELEIDBAR | ||||
| 621 | 996421 | 6.66 | 8.06 | |
| GLIJPLAAT | ||||
| 622 | 996424 | 20.90 | 25.29 | |
| Hex Hd. Bolt M6x16 (10 unidades) | ||||
| 623 | 949755 | 3.00 | 3.63 | |
| Base (b) Cr13vc | ||||
| 624 | 321116 | 9.69 | 11.72 | |
| Placa (b) | ||||
| 625 | 321427 | 21.04 | 25.46 | |
| No hay información disponible, no se puede pedir | ||||
| 626 | 321428 | |||
| Tornillo Hexagonal Interno M5x14 (10 Piezas) | ||||
| 627 | 949665 | 2.10 | 2.54 | |
| Hex Hd. Bolt M6x16 (10 unidades) | ||||
| 628 | 949755 | 3.00 | 3.63 | |
| Anillo M6 (Antiguo 949425z , 10 piezas) | ||||
| 629 | 949425 | 1.05 | 1.27 | |
| No hay información disponible, no se puede pedir | ||||
| 630 | 944458 | |||
| No hay información disponible, no se puede pedir | ||||
| 631 | 944459 | |||