Aquí encontrará todas las piezas y dibujos técnicos disponibles de 'Hikoki CR13VC'. Desde aquí podrá pedir todas las piezas deseadas directamente. Para muchas piezas de repuesto, es necesario pasar un pedido al fabricante. Dependiendo de la marca, el plazo de entrega puede variar entre una y cuatro semanas. Toda la información que tenemos está en nuestro sitio web. No podremos aconsejarle sobre lo que necesita hasta que entregue la máquina para su reparación. Tenga en cuenta lo siguiente a la hora de cursar su pedido:
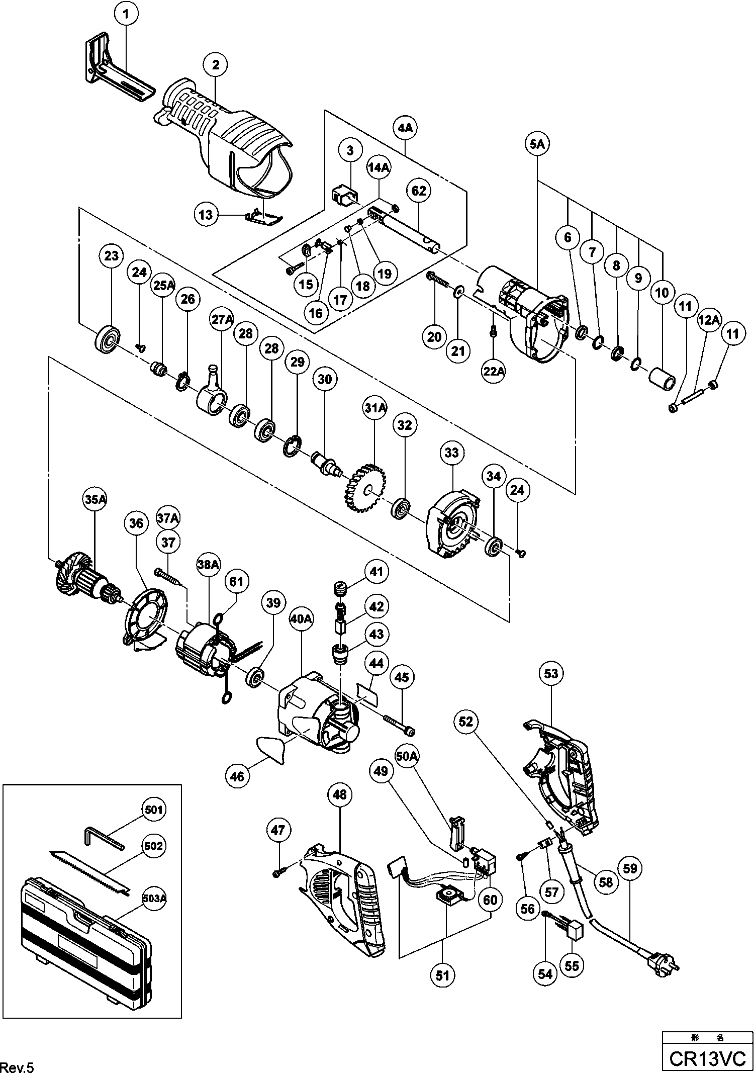
Dibujo técnico de los/las Hikoki CR13VC
Lista de las piezas de repuesto de Hikoki CR13VC
| Pos. | Descripción | Precio con el IVA excluido | Precio con el IVA incluido | |
| Los precios mostrados incluyen el IVA | ||||
| ARMADURA 230V | ||||
| *35A | 360616E | 45.30 | 54.81 | |
| ANKER 110-115 VOLT | ||||
| *35A | 360616C | 42.35 | 51.24 | |
| Stator 220v-230v H-90sa Includ.103 Para Nzl,saf | ||||
| *38A | 340563J | 31.55 | 38.18 | |
| Mango (b) | ||||
| *48 | 321140 | 14.03 | 16.97 | |
| Interruptor | ||||
| *51 | 318505 | 61.33 | 74.20 | |
| Mango (a) G18u/g23u y otros | ||||
| *53 | 321139 | 14.03 | 16.97 | |
| Protector de cable D8.8 | ||||
| *58 | 380090 | 1.04 | 1.26 | |
| SNOER 2.5M 2 X 1.0 H05VV-F W/PLUG 13A/250V (OLD 50 | ||||
| *59 | 500423Z | 12.87 | 15.57 | |
| Cordón 2,5m 2 X 1.0 H05vv-f (Antiguo 500395z) | ||||
| *59 | 500447Z | 6.60 | 7.99 | |
| Interruptor | ||||
| *60 | 321960 | 32.18 | 38.93 | |
| Base (b) Cr13vc | ||||
| 1 | 321116 | 9.69 | 11.72 | |
| Caja Frontal | ||||
| 2 | 321125 | 24.61 | 29.78 | |
| Soporte de hoja de sierra | ||||
| 3 | 321132 | 15.95 | 19.30 | |
| Asamblea de émbolo (b) Incl.3,14a,15-19,62 | ||||
| 4A | 333738 | 91.30 | 110.47 | |
| Cubierta de engranaje | ||||
| 5A | 326232 | 49.64 | 60.06 | |
| Arandela de fieltro | ||||
| 6 | 318458 | 1.65 | 2.00 | |
| Arandela | ||||
| 7 | 321117 | 1.35 | 1.63 | |
| Arandela en V | ||||
| 8 | 318459 | 1.65 | 2.00 | |
| Anillo O Cr13vc | ||||
| 9 | 321118 | 1.65 | 2.00 | |
| Metal Cr13vc | ||||
| 10 | 321214 | 4.80 | 5.81 | |
| Rodillo oscilante Cr13vc | ||||
| 11 | 321136 | 1.65 | 2.00 | |
| PIN D6 (ANTIGUO 318491) | ||||
| 12A | 326585 | 3.15 | 3.81 | |
| Clip BHC 18 | ||||
| 13 | 321126 | 5.71 | 6.91 | |
| Set de Tornillos Especiales M4 Includ.2,11 | ||||
| 14A | 322708 | 3.30 | 3.99 | |
| Tapa para Cr13vc | ||||
| 15 | 321130 | 1.35 | 1.63 | |
| Palanca (a) Vb13y | ||||
| 16 | 321131 | 9.69 | 11.72 | |
| Muelle | ||||
| 17 | 321135 | 2.55 | 3.09 | |
| Pin de soporte (b) Cr13vc | ||||
| 18 | 321134 | 12.45 | 15.06 | |
| Resorte (b) | ||||
| 19 | 318483 | 1.20 | 1.45 | |
| Tornillo Nylock (con brida) M6x35 | ||||
| 20 | 318451 | 1.65 | 2.00 | |
| Arandela (g) | ||||
| 21 | 318452 | 1.20 | 1.45 | |
| Tornillo Nylock (con brida) M5x12 | ||||
| 22A | 322142 | 1.65 | 2.00 | |
| Rodamiento de bolas 6002dducmps2s | ||||
| 23 | 6002DD | 7.05 | 8.53 | |
| Tornillo de cabeza ranurada (sellos) M4x10 | ||||
| 24 | 314430 | 1.05 | 1.27 | |
| Émbolo | ||||
| 25A | 322119 | 2.10 | 2.54 | |
| Arandela | ||||
| 26 | 967261 | 1.05 | 1.27 | |
| Placa recíproca | ||||
| 27A | 329898 | 24.20 | 29.28 | |
| Rodamiento de bolas 6003 Vv | ||||
| 28 | 6003VV | 7.65 | 9.26 | |
| Anillo de Seguridad D35 (10 Piezas) | ||||
| 29 | 939556 | 10.20 | 12.34 | |
| Segundo Eje (b) Cr13vc | ||||
| 30 | 321128 | 22.31 | 27.00 | |
| ENGANCHE | ||||
| 31A | 318473 | 14.03 | 16.97 | |
| Rodamiento de bolas 608vvmc2eps2l | ||||
| 32 | 608VVM | 5.70 | 6.90 | |
| Cubierta interior | ||||
| 33 | 321124 | 18.98 | 22.96 | |
| Rodamiento de bolas 6001vvcmps2l | ||||
| 34 | 6001VV | 6.60 | 7.99 | |
| MONTAJE DE ARMADURA 120 VOLTS | ||||
| 35A | 360616U | 78.79 | 95.33 | |
| ARMADURA 230V | ||||
| 35A | 360616E | 45.30 | 54.81 | |
| ANKER 110-115 VOLT | ||||
| 35A | 360616C | 42.35 | 51.24 | |
| Guía de ventilador | ||||
| 36 | 321122 | 2.55 | 3.09 | |
| Tornillo de rosca D5x60 | ||||
| 37 | 961501 | 1.04 | 1.26 | |
| Tornillo de corte D5x55 | ||||
| 37A | 953174 | 1.04 | 1.26 | |
| VELD 110-115 VOLT | ||||
| 38A | 340563H | 32.40 | 39.20 | |
| Stator 220v-230v H-90sa Includ.103 Para Nzl,saf | ||||
| 38A | 340563J | 31.55 | 38.18 | |
| Rodamiento de bolas 608vvmc2eps2l | ||||
| 39 | 608VVM | 5.70 | 6.90 | |
| CARCASA | ||||
| 40A | 322120 | 9.60 | 11.62 | |
| Tapa del cepillo | ||||
| 41 | 945161 | 1.20 | 1.45 | |
| Escobilla de carbono (1 par) | ||||
| 42 | 999043 | 4.50 | 5.44 | |
| Soporte de Cepillo de Carbono | ||||
| 43 | 958900 | 6.45 | 7.80 | |
| Tornillo de máquina con arandelas M5x60 (negro) | ||||
| 45 | 307224 | 1.05 | 1.27 | |
| Tornillo de rosca (con brida) D4x25 (negro) | ||||
| 47 | 307028 | 1.05 | 1.27 | |
| Mango (b) | ||||
| 48 | 321140 | 14.03 | 16.97 | |
| Casquillo roscado para cable | ||||
| 49 | 981373 | 1.05 | 1.27 | |
| DESLIZADOR DE INTERRUPTOR | ||||
| 50A | 322133 | 1.05 | 1.27 | |
| Interruptor | ||||
| 51 | 318505 | 61.33 | 74.20 | |
| SCHAKELAAR 110 VOLT | ||||
| 51 | 318817 | 57.26 | 69.28 | |
| Casquillo roscado para cable | ||||
| 52 | 981373 | 1.05 | 1.27 | |
| Mango (a) G18u/g23u y otros | ||||
| 53 | 321139 | 14.03 | 16.97 | |
| Pestaña de contacto | ||||
| 54 | 938108 | 1.20 | 1.45 | |
| Condensador (antiguo 930030/991313) | ||||
| 55 | 994273 | 4.29 | 5.19 | |
| No hay información disponible, no se puede pedir | ||||
| 56 | 984750 | |||
| Tira de sujeción (antiguo 994566) | ||||
| 57 | 937631 | 1.04 | 1.26 | |
| Protector de cable D8.8 | ||||
| 58 | 380090 | 1.04 | 1.26 | |
| Casquillo del cable D10.1 | ||||
| 58 | 938051 | 1.04 | 1.26 | |
| SNOER 2.5M 2 X 1.0 H05VV-F W/PLUG 13A/250V (OLD 50 | ||||
| 59 | 500423Z | 12.87 | 15.57 | |
| Cordón 2.5m 2 X 1.0 Sin Enchufe | ||||
| 59 | 500237Z | 11.40 | 13.79 | |
| Cordón 2,5m 2 X 1.0 H05vv-f (Antiguo 500395z) | ||||
| 59 | 500447Z | 6.60 | 7.99 | |
| SNOER 10.7 (USE 714500=2X1 5M) | ||||
| 59 | 500247Z | 6.18 | 7.48 | |
| Interruptor | ||||
| 60 | 321960 | 32.18 | 38.93 | |
| Punto de contacto del Portaescobillas | ||||
| 61 | 930703 | 2.40 | 2.90 | |
| No hay información disponible, no se puede pedir | ||||
| 62 | 321120 | |||
| No hay información disponible, no se puede pedir | ||||
| 501 | 944458 | |||
| No hay información disponible, no se puede pedir | ||||
| 502 | 318613 | |||
| No hay información disponible, no se puede pedir | ||||
| 503A | 327054 | |||
| No hay información disponible, no se puede pedir | ||||
| 602 | 958182 | |||
| No hay información disponible, no se puede pedir | ||||
| 603 | 958183 | |||
| No hay información disponible, no se puede pedir | ||||
| 604 | 959611 | |||
| No hay información disponible, no se puede pedir | ||||
| 605 | 958185 | |||
| No hay información disponible, no se puede pedir | ||||
| 606 | 958188 | |||
| No hay información disponible, no se puede pedir | ||||
| 607 | 318611 | |||
| No hay información disponible, no se puede pedir | ||||
| 608 | 318612 | |||
| No hay información disponible, no se puede pedir | ||||
| 609 | 318614 | |||
| No hay información disponible, no se puede pedir | ||||
| 610 | 324818 | |||
| No hay información disponible, no se puede pedir | ||||
| 611 | 324819 | |||
| No hay información disponible, no se puede pedir | ||||
| 612 | 318617 | |||
| No hay información disponible, no se puede pedir | ||||
| 613 | 318618 | |||
| No hay información disponible, no se puede pedir | ||||
| 614 | 318619 | |||
| No hay información disponible, no se puede pedir | ||||
| 615 | 318620 | |||
| No hay información disponible, no se puede pedir | ||||
| 616 | 318621 | |||