Aquí encontrará todas las piezas y dibujos técnicos disponibles de 'Hikoki CR18DMR'. Desde aquí podrá pedir todas las piezas deseadas directamente. Para muchas piezas de repuesto, es necesario pasar un pedido al fabricante. Dependiendo de la marca, el plazo de entrega puede variar entre una y cuatro semanas. Toda la información que tenemos está en nuestro sitio web. No podremos aconsejarle sobre lo que necesita hasta que entregue la máquina para su reparación. Tenga en cuenta lo siguiente a la hora de cursar su pedido:
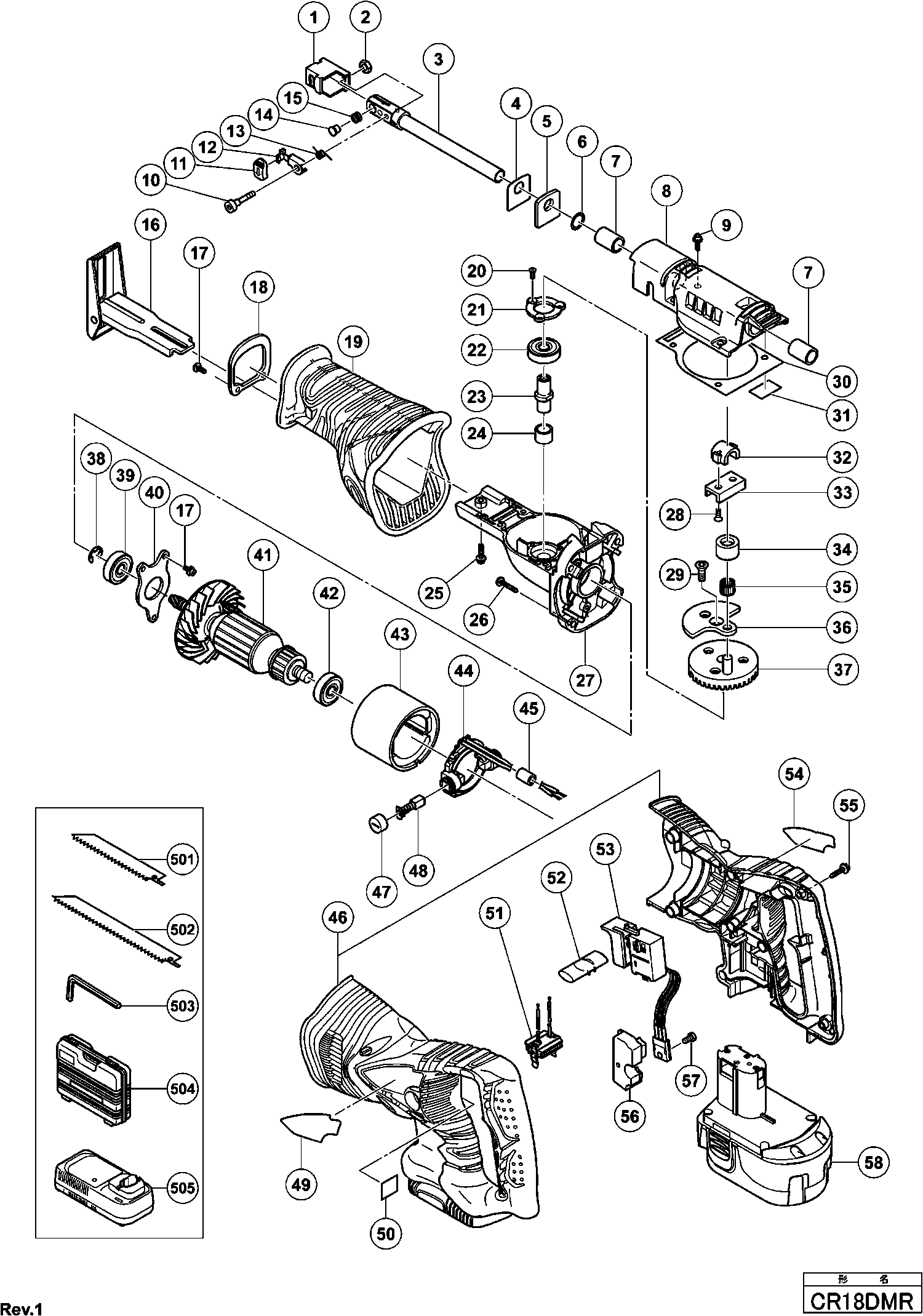
Dibujo técnico de los/las Hikoki CR18DMR
Lista de las piezas de repuesto de Hikoki CR18DMR
| Pos. | Descripción | Precio con el IVA excluido | Precio con el IVA incluido | |
| Los precios mostrados incluyen el IVA | ||||
| Soporte de hoja de sierra | ||||
| 1 | 321132 | 15.95 | 19.30 | |
| Tuerca M4 | ||||
| 2 | 322709 | 1.65 | 2.00 | |
| Émbolo | ||||
| 3 | 324472 | 18.56 | 22.46 | |
| Junta | ||||
| 4 | 996401 | 1.05 | 1.27 | |
| Empaque De Fieltro | ||||
| 5 | 996400 | 1.05 | 1.27 | |
| Anillo de goma | ||||
| 6 | 996407 | 1.05 | 1.27 | |
| Metal D12x22 | ||||
| 7 | 956589 | 2.55 | 3.09 | |
| Cubierta interior | ||||
| 8 | 324471 | 18.56 | 22.46 | |
| Perno hexagonal. (con arandela) M5x16 | ||||
| 9 | 305574 | 1.05 | 1.27 | |
| Tornillo especial M4 | ||||
| 10 | 322134 | 1.65 | 2.00 | |
| Tapa para Cr13vc | ||||
| 11 | 321130 | 1.35 | 1.63 | |
| Palanca (a) Vb13y | ||||
| 12 | 321131 | 9.69 | 11.72 | |
| Muelle | ||||
| 13 | 321135 | 2.55 | 3.09 | |
| Pin de soporte (b) Cr13vc | ||||
| 14 | 321134 | 12.45 | 15.06 | |
| Resorte (b) | ||||
| 15 | 318483 | 1.20 | 1.45 | |
| Placa base KS 60 | ||||
| 16 | 319866 | 35.06 | 42.43 | |
| Tornillo de la máquina M4x12 | ||||
| 17 | 951039 | 1.05 | 1.27 | |
| Placa de cubierta | ||||
| 18 | 324474 | 1.05 | 1.27 | |
| Caja Frontal | ||||
| 19 | 324473 | 18.56 | 22.46 | |
| SEAL LOCK PLACA TORNILLO M4X12 | ||||
| 20 | 993244 | 1.05 | 1.27 | |
| EMPAQUETADO DE COJINETE (B) | ||||
| 21 | 319849 | 1.35 | 1.63 | |
| No hay información disponible, no se puede pedir | ||||
| 22 | 6901ZZ | |||
| BARRA TOMMY | ||||
| 23 | 319848 | 8.85 | 10.71 | |
| Metal (b) | ||||
| 24 | 954789 | 1.05 | 1.27 | |
| Tornillo | ||||
| 25 | 996399 | 1.04 | 1.26 | |
| TORNILLO D5X30 | ||||
| 26 | 986011 | 1.04 | 1.26 | |
| Cubierta de engranaje | ||||
| 27 | 319844 | 35.00 | 42.35 | |
| Tornillo | ||||
| 28 | 319875 | 3.00 | 3.63 | |
| PERNO M6X16 | ||||
| 29 | 319851 | 1.35 | 1.63 | |
| Junta | ||||
| 30 | 319856 | 3.00 | 3.63 | |
| Junta | ||||
| 31 | 319874 | 1.35 | 1.63 | |
| Soporte | ||||
| 32 | 983567 | 5.11 | 6.19 | |
| Pieza de conexión (antiguo 983568) | ||||
| 33 | 996405 | 19.94 | 24.12 | |
| CONEXIÓN | ||||
| 34 | 983541 | 22.00 | 26.62 | |
| Rodillo de aguja | ||||
| 35 | 324470 | 3.30 | 3.99 | |
| Peso de equilibrio Sv12v/sv12sd | ||||
| 36 | 319852 | 1.50 | 1.82 | |
| ENGANCHE | ||||
| 37 | 324469 | 13.65 | 16.52 | |
| Arandela | ||||
| 38 | 670514 | 1.05 | 1.27 | |
| Rodamiento de bolas 6001vvcmps2l | ||||
| 39 | 6001VV | 6.60 | 7.99 | |
| Cubierta del cojinete (b) | ||||
| 40 | 319843 | 1.35 | 1.63 | |
| Armazón del rotor DC 18v Incluido.40-42,44 | ||||
| 41 | 360703 | 95.01 | 114.97 | |
| Rodamiento de bolas 608vvmc2eps2l | ||||
| 42 | 608VVM | 5.70 | 6.90 | |
| Imán | ||||
| 43 | 324468 | 26.54 | 32.11 | |
| Bloque de cepillo completo | ||||
| 44 | 324478 | 4.20 | 5.08 | |
| Tubo termorretráctil | ||||
| 45 | 318247 | 1.05 | 1.27 | |
| Caja (a).(b) Conjunto | ||||
| 46 | 324475 | 69.99 | 84.68 | |
| Tapa del cepillo | ||||
| 47 | 319847 | 1.65 | 2.00 | |
| Cepillos de Carbono (2 Piezas) (antiguo 999058) | ||||
| 48 | 999068 | 4.73 | 5.72 | |
| Pieza terminal | ||||
| 51 | 324517 | 4.20 | 5.08 | |
| Botón de interruptor (i + d) | ||||
| 52 | 319760 | 1.05 | 1.27 | |
| Interruptor | ||||
| 53 | 319861 | 43.86 | 53.07 | |
| Tornillo autoperforante (con brida) D4x20 (negro) | ||||
| 55 | 302086 | 1.05 | 1.27 | |
| Disipador de Calor Cr24dv/dv24dv | ||||
| 56 | 319812 | 2.85 | 3.45 | |
| Tornillo de la máquina M3x12 | ||||
| 57 | 993963 | 1.05 | 1.27 | |
| No hay información disponible, no se puede pedir | ||||
| 58 | 322880 | |||
| No hay información disponible, no se puede pedir | ||||
| 501 | 318613 | |||
| No hay información disponible, no se puede pedir | ||||
| 502 | 318621 | |||
| No hay información disponible, no se puede pedir | ||||
| 503 | 944458 | |||
| No hay información disponible, no se puede pedir | ||||
| 504 | 324313 | |||
| No hay información disponible, no se puede pedir | ||||
| 602 | 958182 | |||
| No hay información disponible, no se puede pedir | ||||
| 603 | 958183 | |||
| No hay información disponible, no se puede pedir | ||||
| 604 | 959611 | |||
| No hay información disponible, no se puede pedir | ||||
| 605 | 958185 | |||
| No hay información disponible, no se puede pedir | ||||
| 606 | 958188 | |||
| No hay información disponible, no se puede pedir | ||||
| 607 | 996427 | |||
| No hay información disponible, no se puede pedir | ||||
| 608 | 959799 | |||
| No hay información disponible, no se puede pedir | ||||
| 609 | 959800 | |||
| No hay información disponible, no se puede pedir | ||||
| 610 | 318611 | |||
| No hay información disponible, no se puede pedir | ||||
| 611 | 318612 | |||
| No hay información disponible, no se puede pedir | ||||
| 612 | 318614 | |||
| No hay información disponible, no se puede pedir | ||||
| 613 | 324818 | |||
| No hay información disponible, no se puede pedir | ||||
| 614 | 324819 | |||
| No hay información disponible, no se puede pedir | ||||
| 615 | 318617 | |||
| No hay información disponible, no se puede pedir | ||||
| 616 | 318618 | |||
| No hay información disponible, no se puede pedir | ||||
| 617 | 318619 | |||
| No hay información disponible, no se puede pedir | ||||
| 618 | 318620 | |||
| No hay información disponible, no se puede pedir | ||||
| 619 | 318621 | |||