Aquí encontrará todas las piezas y dibujos técnicos disponibles de 'Hikoki CS33EDTP'. Desde aquí podrá pedir todas las piezas deseadas directamente. Para muchas piezas de repuesto, es necesario pasar un pedido al fabricante. Dependiendo de la marca, el plazo de entrega puede variar entre una y cuatro semanas. Toda la información que tenemos está en nuestro sitio web. No podremos aconsejarle sobre lo que necesita hasta que entregue la máquina para su reparación. Tenga en cuenta lo siguiente a la hora de cursar su pedido:
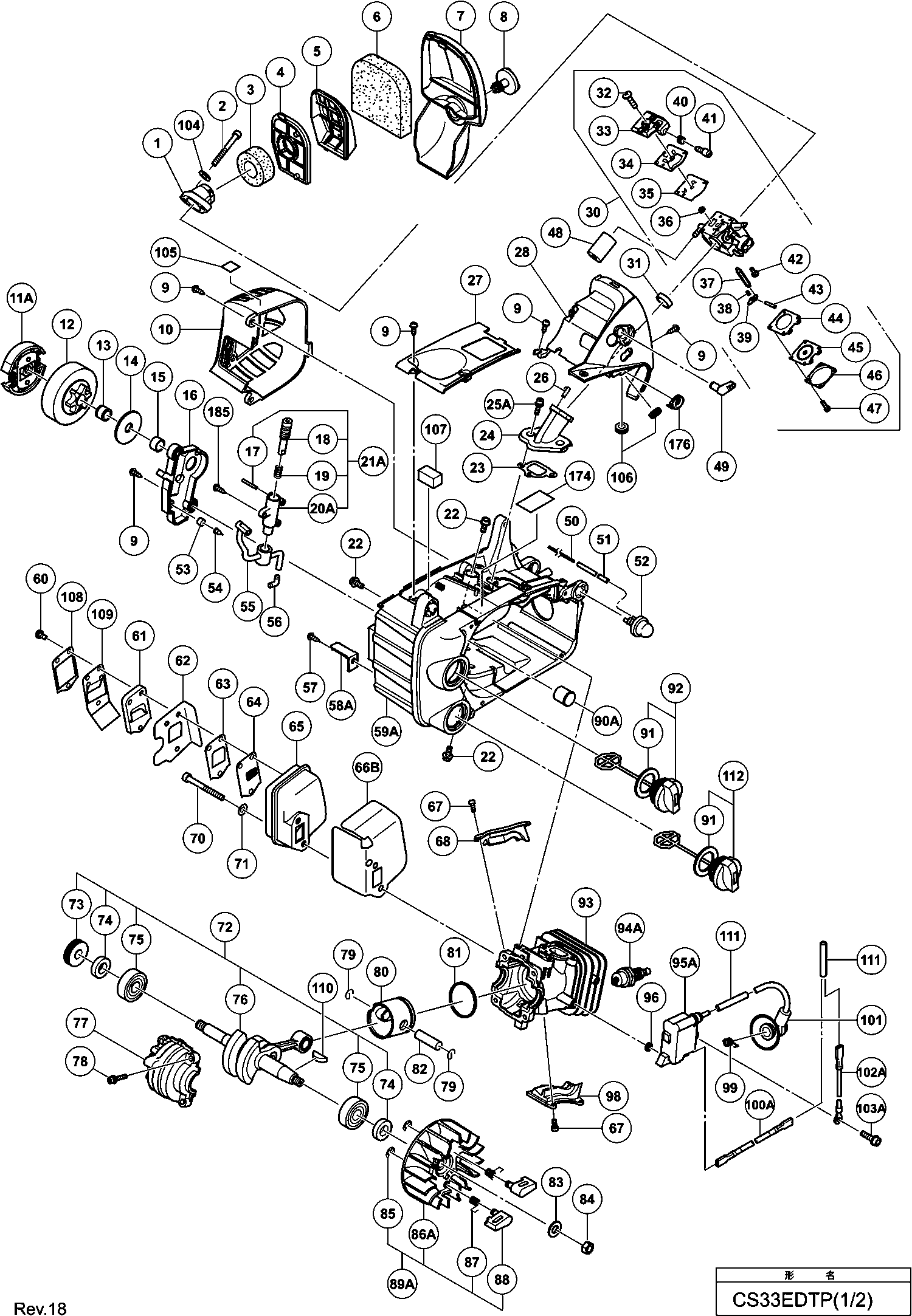
Dibujo técnico de los/las Hikoki CS33EDTP
Lista de las piezas de repuesto de Hikoki CS33EDTP
| Pos. | Descripción | Precio con el IVA excluido | Precio con el IVA incluido | |
| Los precios mostrados incluyen el IVA | ||||
| Base del filtro de aire (antiguo 436-56300-20) | ||||
| 1 | 6685225 | 1.15 | 1.39 | |
| Tornillo de cabeza hexagonal M5x45 (10 piezas) | ||||
| 2 | 949824 | 3.90 | 4.72 | |
| No hay información disponible, no se puede pedir | ||||
| 3 | 6685229 | |||
| Elemento del filtro de aire | ||||
| 4 | 6685230 | 3.30 | 3.99 | |
| Elemento del filtro de aire | ||||
| 5 | 6685231 | 3.30 | 3.99 | |
| Esponja de limpieza | ||||
| 6 | 6696825 | 1.20 | 1.45 | |
| Cubierta del filtro de aire | ||||
| 7 | 6696785 | 4.20 | 5.08 | |
| Botón del limpiador | ||||
| 8 | 6696786 | 1.20 | 1.45 | |
| Tornillo Autoperforante (con brida) D4x16 (negro) | ||||
| 9 | 305812 | 1.04 | 1.26 | |
| Cubierta del silenciador | ||||
| 10 | 6696821 | 7.95 | 9.62 | |
| No hay información disponible, no se puede pedir | ||||
| 11A | 6600316 | |||
| CAJA DE EMBRAGUE | ||||
| 12 | 6698856 | 14.25 | 17.24 | |
| RODAMIENTO DE AGUJAS | ||||
| 13 | 6685361 | 4.05 | 4.90 | |
| Arandela | ||||
| 14 | 6685414 | 1.05 | 1.27 | |
| Ya no disponible, sin reemplazo | ||||
| 15 | 6685360 | |||
| No hay información disponible, no se puede pedir | ||||
| 16 | 6696789 | |||
| Cubierta de la bomba de aceite | ||||
| 16A | 6699610 | 2.80 | 3.39 | |
| Rodillo de aguja | ||||
| 17 | 6685356 | 1.05 | 1.27 | |
| Engranaje de la bomba | ||||
| 18 | 6685354 | 2.10 | 2.54 | |
| Resorte de engranaje de bomba | ||||
| 19 | 6685355 | 1.05 | 1.27 | |
| Caja de la bomba (antiguo 6685353) | ||||
| 20A | 6699119 | 7.50 | 9.08 | |
| Asamblea de la bomba (antiguo 6696788) | ||||
| 21A | 6699120 | 9.30 | 11.25 | |
| Tornillo de bloqueo de sello M5x15 (antiguo 990-54 | ||||
| 22 | 6685136 | 1.15 | 1.39 | |
| No hay información disponible, no se puede pedir | ||||
| 23 | 6698849 | |||
| Admisión | ||||
| 24 | 6696794 | 4.20 | 5.08 | |
| Tornillo con agujero hexagonal M4 | ||||
| 25A | 6698792 | 1.20 | 1.45 | |
| Guía de pulso (antiguo 431-32970-20) | ||||
| 26 | 6685203 | 1.15 | 1.39 | |
| Cubierta de la caja del motor | ||||
| 27 | 6696812 | 3.15 | 3.81 | |
| Cuerpo del limpiador | ||||
| 28 | 6696792 | 4.65 | 5.63 | |
| Carburador Ass'y | ||||
| 30 | 6696795 | 83.60 | 101.16 | |
| Espaciador de entrada | ||||
| 31 | 6698857 | 1.20 | 1.45 | |
| Tornillo (antiguo 514-25001-20) | ||||
| 32 | 6685210 | 1.15 | 1.39 | |
| No hay información disponible, no se puede pedir | ||||
| 33 | 6685211 | |||
| Junta de la bomba (antiguo 577-25007-20) | ||||
| 34 | 6685212 | 2.31 | 2.80 | |
| Diafragma de la bomba (antiguo 576-25006-20) | ||||
| 35 | 6685213 | 4.45 | 5.38 | |
| Pantalla de entrada (antiguo 578-25007-20) | ||||
| 36 | 6684700 | 4.29 | 5.19 | |
| Válvula de aguja (antiguo 603-25012-20) | ||||
| 37 | 6685215 | 5.28 | 6.38 | |
| Resorte de válvula (antiguo 477-25343-20) | ||||
| 38 | 6685216 | 2.31 | 2.80 | |
| Palanca de control (antiguo 473-25001-20) | ||||
| 39 | 6685217 | 3.30 | 3.99 | |
| Resorte de ajuste de ralentí (antiguo 463-25006-20 | ||||
| 40 | 6685297 | 2.31 | 2.80 | |
| Tornillo de ajuste de ralentí (antiguo 462-25016-2 | ||||
| 41 | 6685298 | 2.31 | 2.80 | |
| Tornillo de fijación de pasador de bisagra (antigu | ||||
| 42 | 6685218 | 2.31 | 2.80 | |
| Pasador de bisagra (antiguo 605-25001-20) | ||||
| 43 | 6685219 | 1.15 | 1.39 | |
| Ya no disponible, sin reemplazo | ||||
| 44 | 6685220 | |||
| Ya no disponible, sin reemplazo | ||||
| 45 | 6684690 | |||
| Cubierta del diafragma (antiguo 476-25004-20) | ||||
| 46 | 6685222 | 4.45 | 5.38 | |
| Tornillo de ajuste (antiguo 548-25012-20) | ||||
| 47 | 6685223 | 1.15 | 1.39 | |
| Esponja Ídolo | ||||
| 48 | 6696793 | 1.20 | 1.45 | |
| Palanca de estrangulador (verde) | ||||
| 49 | 6698349 | 1.20 | 1.45 | |
| Palanca de estrangulador (antiguo 495-56300-20) | ||||
| 49 | 6685206 | 1.15 | 1.39 | |
| Bobina protectora | ||||
| 50 | 6698699 | 1.20 | 1.45 | |
| No hay información disponible, no se puede pedir | ||||
| 51 | 6698850 | |||
| Bomba de Cebado Comp. (antiguo 442-25143-80) | ||||
| 52 | 6685139 | 5.94 | 7.18 | |
| No hay información disponible, no se puede pedir | ||||
| 53 | 6685371 | |||
| Válvula de ventilación de aire (b) | ||||
| 54 | 6685370 | 2.10 | 2.54 | |
| Tubería de aceite | ||||
| 55 | 6696811 | 2.10 | 2.54 | |
| Unión de Tubo | ||||
| 56 | 6685358 | 1.05 | 1.27 | |
| Tornillo de Chapa con Brida D5x15 | ||||
| 57 | 6698456 | 1.05 | 1.27 | |
| Capturador de Cadena | ||||
| 58 | 6685363 | 1.05 | 1.27 | |
| Capturador de Cadena | ||||
| 58A | 6699950 | 1.04 | 1.26 | |
| Carcasa del motor | ||||
| 59A | 6696807 | 34.24 | 41.43 | |
| Tornillo de Máquina M4x12 (negro) con Arandela | ||||
| 60 | 935196 | 1.04 | 1.26 | |
| Tubo de escape | ||||
| 61 | 6696816 | 1.20 | 1.45 | |
| Empaque especial de silenciador | ||||
| 62 | 6696818 | 1.20 | 1.45 | |
| Placa de fijación de malla | ||||
| 63 | 6696817 | 1.20 | 1.45 | |
| Gasa de escape | ||||
| 64 | 6696815 | 1.20 | 1.45 | |
| Silenciador (c/catalizador) | ||||
| 65 | 6696813 | 32.31 | 39.10 | |
| Ya no disponible, sin reemplazo | ||||
| 66A | 6600414 | |||
| No hay información disponible, no se puede pedir | ||||
| 66B | 6600445 | |||
| Tornillo (10 piezas) | ||||
| 67 | 949812 | 2.40 | 2.90 | |
| No hay información disponible, no se puede pedir | ||||
| 68 | 6696766 | |||
| No hay información disponible, no se puede pedir | ||||
| 70 | 6696819 | |||
| Arandela M6 (10 Piezas) | ||||
| 71 | 949432 | 1.05 | 1.27 | |
| Conjunto de Gusano de Manivela | ||||
| 72 | 6698853 | 66.55 | 80.53 | |
| Gusano | ||||
| 73 | 6685330 | 4.50 | 5.44 | |
| Sello de aceite | ||||
| 74 | 6685329 | 2.10 | 2.54 | |
| RODAMIENTO DE BOLAS | ||||
| 75 | 6685328 | 3.00 | 3.63 | |
| No hay información disponible, no se puede pedir | ||||
| 76 | 6696762 | |||
| Carter de cigüeñal | ||||
| 77 | 6696767 | 5.70 | 6.90 | |
| No hay información disponible, no se puede pedir | ||||
| 78 | 6698386 | |||
| Clip de Cir | ||||
| 79 | 6685326 | 1.05 | 1.27 | |
| PISTÓN | ||||
| 80 | 6698806 | 13.36 | 16.17 | |
| Anillo de pistón (xr1-1856) | ||||
| 81 | 6685331 | 4.05 | 4.90 | |
| Pasador De Pistón (viejo 6685079) | ||||
| 82 | 6696764 | 1.20 | 1.45 | |
| Arandela | ||||
| 83 | 6685103 | 1.15 | 1.39 | |
| Tuerca del volante (antiguo 066-00000-20) | ||||
| 84 | 6685104 | 1.15 | 1.39 | |
| Anillo de retención D4 | ||||
| 85 | 6685336 | 1.05 | 1.27 | |
| Rotor de magneto comp. | ||||
| 86A | 6600053 | 8.85 | 10.71 | |
| Muelle | ||||
| 87 | 6685335 | 1.05 | 1.27 | |
| Trinquete de arranque | ||||
| 88 | 6685334 | 1.05 | 1.27 | |
| Subconjunto de magneto | ||||
| 89A | 6600090 | 36.71 | 44.42 | |
| Tapa interna Ass'y | ||||
| 90A | 6685351 | 4.50 | 5.44 | |
| Empaque de tapa de tanque (viejo 630-3252k-20/6685 | ||||
| 91 | 6685179 | 1.15 | 1.39 | |
| No hay información disponible, no se puede pedir | ||||
| 92 | 6698855 | |||
| Ya no disponible, sin reemplazo | ||||
| 93 | 6696761 | |||
| CILINDRO | ||||
| 93A | 6601440 | 44.55 | 53.91 | |
| No hay información disponible, no se puede pedir | ||||
| 94 | 6685782 | |||
| No hay información disponible, no se puede pedir | ||||
| 94A | 6699320 | |||
| Bobina | ||||
| 95A | 6699999 | 38.64 | 46.75 | |
| Ya no disponible, sin reemplazo | ||||
| 96 | 6698700 | |||
| No hay información disponible, no se puede pedir | ||||
| 98 | 6696765 | |||
| Conexión De Metal De La Tapa Del Enchufe (a) | ||||
| 99 | 6696772 | 1.20 | 1.45 | |
| Cordón (a) | ||||
| 100A | 6696787 | 1.20 | 1.45 | |
| SPARK PLUG CAP | ||||
| 101 | 6696771 | 1.98 | 2.40 | |
| Cordón (b) | ||||
| 102A | 6696791 | 1.20 | 1.45 | |
| Perno de cabeza hexagonal M4x18 (con arandelas) | ||||
| 103A | 6696326 | 1.20 | 1.45 | |
| Arandela | ||||
| 104 | 6685226 | 1.15 | 1.39 | |
| Etiqueta de precaución (caliente) | ||||
| 105 | 6698864 | 1.20 | 1.45 | |
| OJAL | ||||
| 106 | 6698787 | 1.80 | 2.18 | |
| Hoja de Protección | ||||
| 107 | 6698860 | 1.20 | 1.45 | |
| Placa de empaque | ||||
| 108 | 6698861 | 1.20 | 1.45 | |
| Empaque especial (s) | ||||
| 109 | 6698862 | 1.20 | 1.45 | |
| Chaveta semilunar 3x13x4.5 (antiguo 068-10100-20) | ||||
| 110 | 6684899 | 2.15 | 2.60 | |
| No hay información disponible, no se puede pedir | ||||
| 111 | 6698863 | |||
| Tapa del tanque completa | ||||
| 112 | 6698358 | 4.20 | 5.08 | |
| Bobina de Encendido Ass'y | ||||
| 113 | 6601441 | 32.59 | 39.43 | |
| No hay información disponible, no se puede pedir | ||||
| 115 | 6601514 | |||
| No hay información disponible, no se puede pedir | ||||
| 116 | 6601520 | |||
| Tornillo de rosca (con brida) D5x40 | ||||
| 121A | 6699403 | 1.04 | 1.26 | |
| No hay información disponible, no se puede pedir | ||||
| 122 | 6698858 | |||
| Collarín 28.2 (antiguo 6685235) | ||||
| 123 | 6696800 | 2.10 | 2.54 | |
| Amortiguador | ||||
| 124 | 6696775 | 1.20 | 1.45 | |
| Mango Trasero | ||||
| 125 | 6696774 | 4.65 | 5.63 | |
| Bloqueo de gatillo (verde) | ||||
| 126 | 6698347 | 1.20 | 1.45 | |
| Bloqueo del interruptor | ||||
| 126 | 6685244 | 1.15 | 1.39 | |
| Cable del acelerador | ||||
| 127 | 6696797 | 2.10 | 2.54 | |
| No hay información disponible, no se puede pedir | ||||
| 128 | 6696940 | |||
| Ya no disponible, sin reemplazo | ||||
| 128A | 6601275 | |||
| NUT M6 | ||||
| 129 | 6698449 | 1.00 | 1.21 | |
| Resorte de la palanca del acelerador | ||||
| 130 | 6698691 | 1.20 | 1.45 | |
| Palanca de acelerador (verde) | ||||
| 131 | 6698346 | 1.20 | 1.45 | |
| Palanca del acelerador (antiguo 060-72930-20) | ||||
| 131 | 6685242 | 1.15 | 1.39 | |
| Sostenedor de primavera | ||||
| 132 | 6698409 | 2.10 | 2.54 | |
| Bolt del Conjunto de Amortiguador | ||||
| 133 | 6698859 | 1.20 | 1.45 | |
| Muelle Antivibración | ||||
| 134 | 6698428 | 2.10 | 2.54 | |
| TUERCA M8 | ||||
| 136 | 6698581 | 1.20 | 1.45 | |
| Cubierta Lateral | ||||
| 137 | 6696776 | 10.65 | 12.89 | |
| Caja Lateral (verde) | ||||
| 137A | 6696777 | 10.65 | 12.89 | |
| Placa de soporte de freno | ||||
| 138 | 6696782 | 4.20 | 5.08 | |
| Resorte de palanca de freno | ||||
| 139 | 6696783 | 1.20 | 1.45 | |
| Conjunto de enlace de freno | ||||
| 140 | 6685388 | 4.05 | 4.90 | |
| No hay información disponible, no se puede pedir | ||||
| 141 | 6685140 | |||
| Rodillo de agujas D3 | ||||
| 142 | 6685391 | 1.05 | 1.27 | |
| Resorte de freno (antiguo 6685167) | ||||
| 143 | 6685389 | 1.05 | 1.27 | |
| Extractor de Cadena | ||||
| 144A | 6698986 | 13.35 | 16.15 | |
| Placa de guía (b) (antiguo 6685157) | ||||
| 145 | 6696784 | 2.10 | 2.54 | |
| Tornillo de rosca D3 | ||||
| 146 | 696352 | 1.13 | 1.36 | |
| TORNILLO M4X35 | ||||
| 147 | 958715 | 1.04 | 1.26 | |
| No hay información disponible, no se puede pedir | ||||
| 148A | 6697854 | |||
| No hay información disponible, no se puede pedir | ||||
| 149 | 6696991 | |||
| Tubo de Combustible | ||||
| 150 | 6698715 | 9.75 | 11.80 | |
| Tubo de combustible (fkm) L240 | ||||
| 151 | 6698851 | 11.55 | 13.98 | |
| Tubo de combustible (fkm) L260 | ||||
| 153 | 6698852 | 12.05 | 14.58 | |
| Pasacables de combustible (antiguo 701-72930-20) | ||||
| 154 | 6696167 | 1.15 | 1.39 | |
| Mango Trasero (a) | ||||
| 155 | 6696773 | 4.20 | 5.08 | |
| No hay información disponible, no se puede pedir | ||||
| 156A | 6600026 | |||
| Ya no disponible, sin reemplazo | ||||
| 157A | 6696798 | |||
| Manija del freno (viejo 6696778) | ||||
| 158 | 6698866 | 6.60 | 7.99 | |
| Cubierta de enlace de freno | ||||
| 160 | 6696779 | 1.20 | 1.45 | |
| Cuerpo del filtro de la bomba (antiguo 675-11600-9 | ||||
| 161 | 6685199 | 4.45 | 5.38 | |
| Filtro de bomba | ||||
| 161A | 6600351 | 2.70 | 3.27 | |
| No hay información disponible, no se puede pedir | ||||
| 162 | 6685311 | |||
| Cuerpo de filtro de aceite | ||||
| 163 | 6685310 | 1.05 | 1.27 | |
| No hay información disponible, no se puede pedir | ||||
| 164 | 6696804 | |||
| Arandela | ||||
| 165 | 6685407 | 1.05 | 1.27 | |
| Deflector de aire | ||||
| 166 | 6696790 | 2.10 | 2.54 | |
| No hay información disponible, no se puede pedir | ||||
| 167 | 6699416 | |||
| Arrancador de retroceso (s) | ||||
| 167A | 6699417 | 17.46 | 21.13 | |
| No hay información disponible, no se puede pedir | ||||
| 167B | 6699418 | |||
| Tornillo autoperforante (con brida) D4x20 (negro) | ||||
| 168 | 302086 | 1.05 | 1.27 | |
| Tubo de aislamiento de cordón desde 11.2013 | ||||
| 171 | 6698457 | 1.05 | 1.27 | |
| SPRING COVER | ||||
| 172 | 6698865 | 1.08 | 1.31 | |
| Pasarrosca de Combustible | ||||
| 173 | 6685308 | 1.05 | 1.27 | |
| No hay información disponible, no se puede pedir | ||||
| 174 | 6698923 | |||
| No hay información disponible, no se puede pedir | ||||
| 176 | 6699404 | |||
| TORNILLO DE AJUSTE | ||||
| 177 | 6699475 | 1.04 | 1.26 | |
| No hay información disponible, no se puede pedir | ||||
| 178 | 6699483 | |||
| Ya no disponible, sin reemplazo | ||||
| 179 | 6699480 | |||
| Cuerda de arranque | ||||
| 180 | 6699469 | 1.04 | 1.26 | |
| Tope de cuerda | ||||
| 181 | 6699465 | 1.04 | 1.26 | |
| Botón de arranque | ||||
| 182 | 6699467 | 1.95 | 2.36 | |
| Ya no disponible, sin reemplazo | ||||
| 183 | 6699473 | |||
| Carcasa del ventilador | ||||
| 184 | 6699490 | 10.35 | 12.52 | |
| Carcasa del ventilador | ||||
| 184 | 6699491 | 10.35 | 12.52 | |
| Tornillo autoperforante (con brida) D4 | ||||
| 185 | 6699947 | 1.04 | 1.26 | |
| TORNILLO DE AJUSTE | ||||
| 186 | 6699476 | 1.04 | 1.26 | |
| Tornillo autoperforante (con brida) D4 | ||||
| 187 | 6699947 | 1.04 | 1.26 | |
| Muelle amortiguador | ||||
| 188 | 6699479 | 1.65 | 2.00 | |
| Bobina | ||||
| 189 | 6699484 | 2.40 | 2.90 | |
| No hay información disponible, no se puede pedir | ||||
| 501 | 6685439 | |||
| No hay información disponible, no se puede pedir | ||||
| 502 | 6698582 | |||
| Pasador | ||||
| 601 | 6696827 | 2.10 | 2.54 | |