Aquí encontrará todas las piezas y dibujos técnicos disponibles de 'Hikoki CS40EA'. Desde aquí podrá pedir todas las piezas deseadas directamente. Para muchas piezas de repuesto, es necesario pasar un pedido al fabricante. Dependiendo de la marca, el plazo de entrega puede variar entre una y cuatro semanas. Toda la información que tenemos está en nuestro sitio web. No podremos aconsejarle sobre lo que necesita hasta que entregue la máquina para su reparación. Tenga en cuenta lo siguiente a la hora de cursar su pedido:
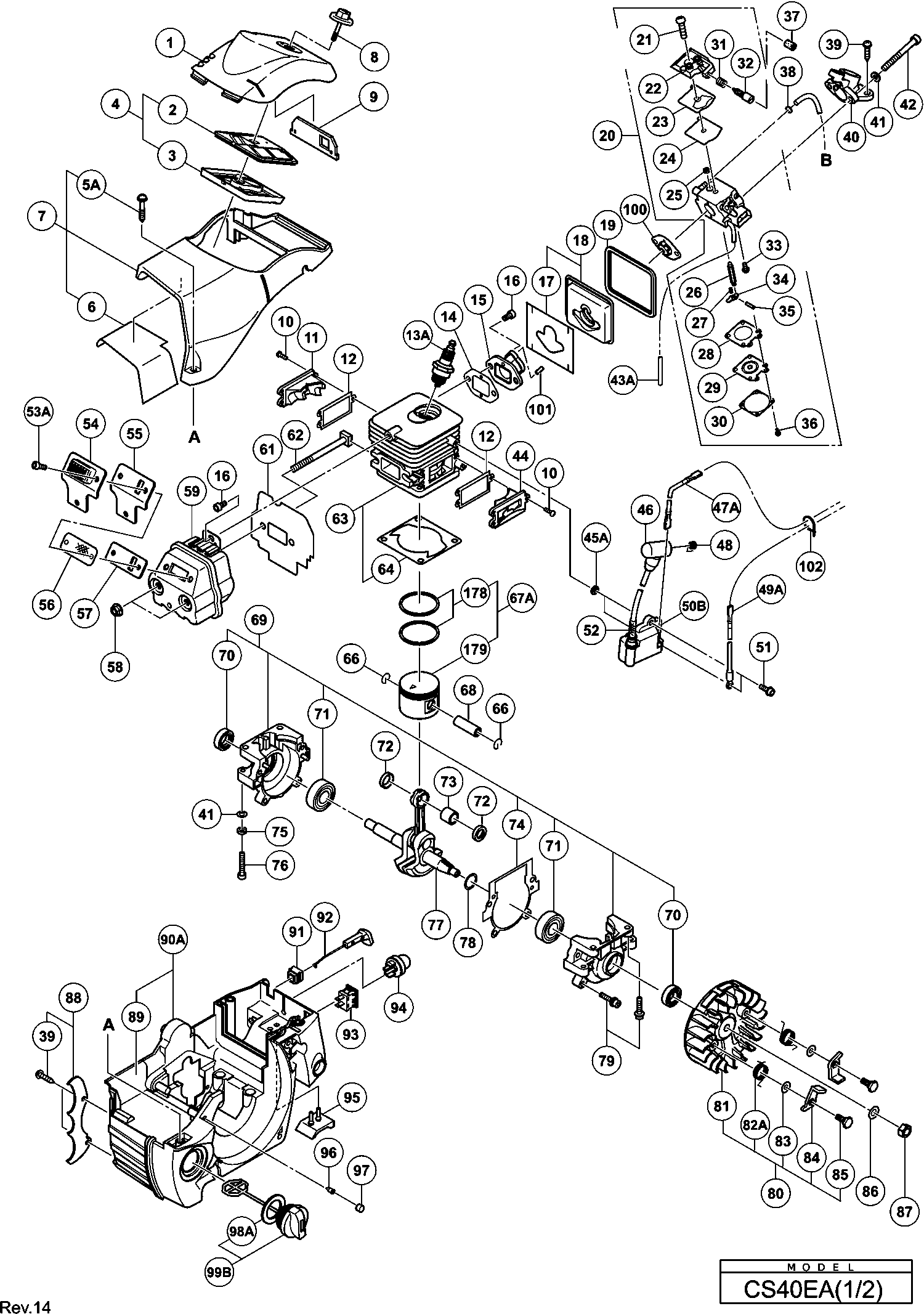
Dibujo técnico de los/las Hikoki CS40EA
Lista de las piezas de repuesto de Hikoki CS40EA
| Pos. | Descripción | Precio con el IVA excluido | Precio con el IVA incluido | |
| Los precios mostrados incluyen el IVA | ||||
| No hay información disponible, no se puede pedir | ||||
| *501 | 6685439 | |||
| Cubierta del filtro de aire | ||||
| 1 | 6698424 | 4.20 | 5.08 | |
| Elemento de filtro de aire (b) | ||||
| 2 | 6696908 | 3.15 | 3.81 | |
| Elemento de filtro de aire (a) | ||||
| 3 | 6696907 | 2.10 | 2.54 | |
| Elemento del filtro de aire | ||||
| 4 | 6696891 | 7.95 | 9.62 | |
| No hay información disponible, no se puede pedir | ||||
| 5 | 6696903 | |||
| Set de Tapa de Perno (antiguo 6696903) | ||||
| 5A | 6699946 | 1.04 | 1.26 | |
| Cinta de aluminio (A) | ||||
| 6 | 6698520 | 2.10 | 2.54 | |
| Cubierta del cilindro | ||||
| 7 | 6698519 | 12.90 | 15.61 | |
| Perilla de limpiador (bermejo) | ||||
| 8 | 6698425 | 1.05 | 1.27 | |
| Placa de obturador | ||||
| 9 | 6696904 | 1.05 | 1.27 | |
| No hay información disponible, no se puede pedir | ||||
| 10 | 6696835 | |||
| Cubierta de válvula de escape (b) | ||||
| 11 | 6698407 | 3.15 | 3.81 | |
| Empaque de la cubierta | ||||
| 12 | 6696852 | 1.05 | 1.27 | |
| No hay información disponible, no se puede pedir | ||||
| 13 | 6685782 | |||
| No hay información disponible, no se puede pedir | ||||
| 13A | 6699320 | |||
| Junta | ||||
| 14 | 6696895 | 1.05 | 1.27 | |
| Ya no disponible, sin reemplazo | ||||
| 15 | 6698419 | |||
| Admisión (OLD 6698419) | ||||
| 15A | 6601577 | 3.00 | 3.63 | |
| Perno de cabeza de zócalo hexagonal M5x12 (pre-rec | ||||
| 16 | 6696836 | 1.20 | 1.45 | |
| No hay información disponible, no se puede pedir | ||||
| 17 | 6698524 | |||
| Aislante de carburador | ||||
| 18 | 6698461 | 4.20 | 5.08 | |
| Insulador de goma del carburador | ||||
| 19 | 6696896 | 1.05 | 1.27 | |
| Carburador Ass'y Incl.21-36 | ||||
| 20 | 6698433 | 104.50 | 126.44 | |
| Tornillo (antiguo 514-25001-20) | ||||
| 21 | 6685210 | 1.15 | 1.39 | |
| Junta de la bomba (antiguo 577-25007-20) | ||||
| 23 | 6685212 | 2.31 | 2.80 | |
| Diafragma de la bomba (antiguo 576-25006-20) | ||||
| 24 | 6685213 | 4.45 | 5.38 | |
| Pantalla de entrada (antiguo 578-25007-20) | ||||
| 25 | 6684700 | 4.29 | 5.19 | |
| Válvula de aguja (antiguo 603-25012-20) | ||||
| 26 | 6685215 | 5.28 | 6.38 | |
| Resorte de válvula (antiguo 477-25088-20) | ||||
| 27 | 6690873 | 4.45 | 5.38 | |
| Ya no disponible, sin reemplazo | ||||
| 28 | 6685220 | |||
| Ya no disponible, sin reemplazo | ||||
| 29 | 6684690 | |||
| Cubierta del diafragma (antiguo 476-25004-20) | ||||
| 30 | 6685222 | 4.45 | 5.38 | |
| Resorte de ajuste en ralentí (antiguo 463-25012-20 | ||||
| 31 | 6690766 | 2.31 | 2.80 | |
| Tornillo de ajuste de ralentí (antiguo 462-25016-2 | ||||
| 32 | 6685298 | 2.31 | 2.80 | |
| Tornillo de fijación de pasador de bisagra (antigu | ||||
| 33 | 6685218 | 2.31 | 2.80 | |
| Palanca de control (antiguo 473-25001-20) | ||||
| 34 | 6685217 | 3.30 | 3.99 | |
| Pasador de bisagra (antiguo 605-25001-20) | ||||
| 35 | 6685219 | 1.15 | 1.39 | |
| Tornillo de ajuste (antiguo 548-25012-20) | ||||
| 36 | 6685223 | 1.15 | 1.39 | |
| Esponja de ralentí (antigua 191-32970-20) | ||||
| 37 | 6685224 | 1.15 | 1.39 | |
| No hay información disponible, no se puede pedir | ||||
| 38 | 6685311 | |||
| Tornillo autoperforante (con brida) D5x20 (negro) | ||||
| 39 | 302089 | 1.05 | 1.27 | |
| Soporte para limpiador | ||||
| 40 | 6698427 | 1.05 | 1.27 | |
| Arandela | ||||
| 41 | 6685408 | 1.05 | 1.27 | |
| Perno de cabeza hexagonal M5x45 | ||||
| 42 | 6696317 | 1.20 | 1.45 | |
| Tubo de Combustible | ||||
| 43A | 6698721 | 9.75 | 11.80 | |
| Cubierta de válvula de escape (a) | ||||
| 44 | 6698406 | 3.15 | 3.81 | |
| Ya no disponible, sin reemplazo | ||||
| 45A | 6698700 | |||
| No hay información disponible, no se puede pedir | ||||
| 46 | 6698435 | |||
| Cordón (c) | ||||
| 47A | 6696840 | 2.10 | 2.54 | |
| No hay información disponible, no se puede pedir | ||||
| 48 | 6698436 | |||
| Cordón (b) | ||||
| 49A | 6698974 | 1.20 | 1.45 | |
| Ya no disponible, sin reemplazo | ||||
| 50B | 6696841 | |||
| Perno de cabeza hexagonal M4x18 (con arandelas) | ||||
| 51 | 6696326 | 1.20 | 1.45 | |
| Tubo de aislamiento de cordón desde 11.2013 | ||||
| 52 | 6698457 | 1.05 | 1.27 | |
| Tornillo (10 piezas) | ||||
| 53A | 949812 | 2.40 | 2.90 | |
| Protector de silenciador | ||||
| 54 | 6698458 | 1.05 | 1.27 | |
| Empaque Protector de Silenciador | ||||
| 55 | 6698459 | 1.05 | 1.27 | |
| Gasa de escape | ||||
| 56 | 6696874 | 1.05 | 1.27 | |
| Placa de Escape | ||||
| 57 | 6698460 | 1.05 | 1.27 | |
| Tuerca M6 | ||||
| 58 | 329934 | 1.73 | 2.09 | |
| Escape | ||||
| 59 | 6698410 | 30.53 | 36.94 | |
| Empaquetadura de silenciador | ||||
| 61 | 6698412 | 4.20 | 5.08 | |
| Tornillo de cabeza cuadrada M6 | ||||
| 62 | 6698437 | 1.05 | 1.27 | |
| No hay información disponible, no se puede pedir | ||||
| 63 | 6698430 | |||
| Empacado del cilindro | ||||
| 64 | 6696864 | 1.05 | 1.27 | |
| No hay información disponible, no se puede pedir | ||||
| 66 | 6696854 | |||
| PISTÓN | ||||
| 67A | 6698526 | 30.45 | 36.84 | |
| Pasador del pistón | ||||
| 68 | 6696855 | 2.10 | 2.54 | |
| Conjunto de Caja de Manivela | ||||
| 69 | 6698441 | 34.18 | 41.35 | |
| Sello de aceite | ||||
| 70 | 6684607 | 4.29 | 5.19 | |
| RODAMIENTO DE BOLAS | ||||
| 71 | 6685328 | 3.00 | 3.63 | |
| Collar pinza del pistón | ||||
| 72 | 6696856 | 2.10 | 2.54 | |
| RODAMIENTO DE AGUJAS | ||||
| 73 | 6698445 | 5.10 | 6.17 | |
| Embalaje de la caja del cigüeñal | ||||
| 74 | 6696863 | 1.05 | 1.27 | |
| Arandela de resorte M5 (10 piezas) | ||||
| 75 | 949454 | 1.04 | 1.26 | |
| Tornillo hexagonal M5 | ||||
| 76 | 6685412 | 1.05 | 1.27 | |
| Cigüeñal | ||||
| 77 | 6696853 | 45.65 | 55.24 | |
| Espaciador T 0.2 | ||||
| 78 | 6696865 | 1.05 | 1.27 | |
| Espaciador T 0.3 | ||||
| 78 | 6696866 | 1.05 | 1.27 | |
| Espaciador T 0.4 | ||||
| 78 | 6696867 | 1.05 | 1.27 | |
| No hay información disponible, no se puede pedir | ||||
| 79 | 305583 | |||
| Subconjunto de magneto | ||||
| 80 | 6698414 | 19.11 | 23.13 | |
| Rotor de magneto | ||||
| 81 | 6698415 | 15.68 | 18.97 | |
| Resorte de Retén del Arrancador (b) | ||||
| 82A | 6699405 | 1.05 | 1.27 | |
| Arandela 0.8 | ||||
| 83 | 6696857 | 1.05 | 1.27 | |
| Trinquete de arranque | ||||
| 84 | 6696877 | 2.10 | 2.54 | |
| Tornillo | ||||
| 85 | 6696878 | 1.05 | 1.27 | |
| Arandela de perno D7 | ||||
| 86 | 6696880 | 1.05 | 1.27 | |
| Tuerca | ||||
| 87 | 6696879 | 1.05 | 1.27 | |
| Pasador | ||||
| 88 | 6696329 | 10.20 | 12.34 | |
| Cinta de aluminio | ||||
| 89 | 6698523 | 2.10 | 2.54 | |
| Carcasa del motor | ||||
| 90A | 6699012 | 22.55 | 27.29 | |
| Goma de la varilla del estrangulador | ||||
| 91 | 6685369 | 1.05 | 1.27 | |
| Botón de Estrangulación | ||||
| 92 | 6698463 | 1.05 | 1.27 | |
| No hay información disponible, no se puede pedir | ||||
| 93 | 6685364 | |||
| Ya no disponible, sin reemplazo | ||||
| 93A | 6601275 | |||
| Bomba de Cebado Comp. (antiguo 442-25143-80) | ||||
| 94 | 6685139 | 5.94 | 7.18 | |
| No hay información disponible, no se puede pedir | ||||
| 95 | 6696870 | |||
| Válvula de ventilación de aire (b) | ||||
| 96 | 6685370 | 2.10 | 2.54 | |
| No hay información disponible, no se puede pedir | ||||
| 97 | 6685371 | |||
| Empaque de tapa de tanque (viejo 630-3252k-20/6685 | ||||
| 98A | 6685179 | 1.15 | 1.39 | |
| No hay información disponible, no se puede pedir | ||||
| 99A | 6698855 | |||
| Tapa del tanque completa | ||||
| 99B | 6698358 | 4.20 | 5.08 | |
| Espaciador del colector de admisión (antiguo 400-3 | ||||
| 100 | 6685202 | 3.30 | 3.99 | |
| Guía de Pulso (antiguo 6696842) | ||||
| 101A | 6699673 | 1.04 | 1.26 | |
| WIRE BAND | ||||
| 102 | 6696839 | 1.08 | 1.31 | |
| NUT M6 | ||||
| 111 | 6698449 | 1.00 | 1.21 | |
| Arandela M6 (10 Piezas) | ||||
| 112 | 949432 | 1.05 | 1.27 | |
| Sostenedor de primavera | ||||
| 113 | 6698409 | 2.10 | 2.54 | |
| Tornillo autoperforante con brida D6 | ||||
| 114 | 6696872 | 1.05 | 1.27 | |
| Muelle Antivibración | ||||
| 115 | 6698408 | 2.10 | 2.54 | |
| Amortiguador delantero | ||||
| 116 | 6696873 | 1.05 | 1.27 | |
| Cuerpo del filtro de la bomba (antiguo 675-11600-9 | ||||
| 117 | 6685199 | 4.45 | 5.38 | |
| Filtro de bomba | ||||
| 117A | 6600351 | 2.70 | 3.27 | |
| Goma de retorno hasta 7.2014 (antigua 6684627) | ||||
| 118A | 6697846 | 1.04 | 1.26 | |
| No hay información disponible, no se puede pedir | ||||
| 119 | 6698401 | |||
| Tubería de Combustible L70 | ||||
| 119A | 6699014 | 1.65 | 2.00 | |
| Tapa interna Ass'y | ||||
| 120A | 6685351 | 4.50 | 5.44 | |
| Ya no disponible, sin reemplazo | ||||
| 123A | 6698931 | |||
| Tubo de Combustible | ||||
| 124A | 6698718 | 9.75 | 11.80 | |
| Línea de combustible L250 | ||||
| 124B | 6698947 | 12.90 | 15.61 | |
| Tornillo Autoperforante (con brida) D4x16 (negro) | ||||
| 125 | 305812 | 1.04 | 1.26 | |
| Empuñadura Trasera | ||||
| 126A | 6698805 | 1.05 | 1.27 | |
| Bloqueo del interruptor | ||||
| 127 | 6685350 | 1.05 | 1.27 | |
| Bloqueo del interruptor | ||||
| 127 | 6685420 | 1.05 | 1.27 | |
| No hay información disponible, no se puede pedir | ||||
| 128B | 6600341 | |||
| Pasador de Resorte 5x25 (antiguo 993-26005-254) | ||||
| 129 | 6685282 | 1.15 | 1.39 | |
| No hay información disponible, no se puede pedir | ||||
| 130A | 6698990 | |||
| Sostenedor de primavera | ||||
| 131 | 6698429 | 2.10 | 2.54 | |
| Tornillo de cabeza hexagonal M6x20 | ||||
| 132 | 881722 | 1.80 | 2.18 | |
| Muelle Antivibración | ||||
| 133 | 6698428 | 2.10 | 2.54 | |
| Tornillo de roscado (con brida) D5x25 (negro) | ||||
| 134 | 305558 | 1.04 | 1.26 | |
| Cubierta de enlace de freno | ||||
| 135A | 6698527 | 1.05 | 1.27 | |
| Conjunto de enlace de freno | ||||
| 136 | 6685388 | 4.05 | 4.90 | |
| Anillo de retención D6 | ||||
| 137 | 955479 | 1.05 | 1.27 | |
| Elemento de frenado | ||||
| 138 | 6696900 | 2.10 | 2.54 | |
| Rodillo de agujas D3 | ||||
| 139 | 6685391 | 1.05 | 1.27 | |
| Banda de freno | ||||
| 140A | 6698528 | 1.05 | 1.27 | |
| Ya no disponible, sin reemplazo | ||||
| 142A | 6698989 | |||
| Cubierta de la bomba de aceite | ||||
| 143 | 6696893 | 2.10 | 2.54 | |
| Tubería de aceite | ||||
| 144 | 6696892 | 1.05 | 1.27 | |
| Bomba de aceite | ||||
| 145 | 6696887 | 24.68 | 29.86 | |
| Resorte de palanca de freno | ||||
| 146 | 6685374 | 1.05 | 1.27 | |
| Manija del freno | ||||
| 148 | 6685373 | 5.85 | 7.08 | |
| Tuerca de abrazadera de barra de cadena | ||||
| 150 | 6685416 | 1.05 | 1.27 | |
| No hay información disponible, no se puede pedir | ||||
| 151 | 6698454 | |||
| No hay información disponible, no se puede pedir | ||||
| 151A | 6698422 | |||
| Subconjunto de la Caja Lateral (viejo 6698422) | ||||
| 151B | 6699721 | 10.20 | 12.34 | |
| No hay información disponible, no se puede pedir | ||||
| 152 | 6687335 | |||
| No hay información disponible, no se puede pedir | ||||
| 153A | 6685393 | |||
| Ya no disponible, sin reemplazo | ||||
| 153B | 6698986 | |||
| Placa de guía (b) | ||||
| 154 | 6696902 | 2.10 | 2.54 | |
| Tornillo de roscar D3 | ||||
| 155 | 6685415 | 1.05 | 1.27 | |
| No hay información disponible, no se puede pedir | ||||
| 156 | 6696983 | |||
| No hay información disponible, no se puede pedir | ||||
| 157 | 6698423 | |||
| Embrague | ||||
| 158 | 6696883 | 14.10 | 17.06 | |
| Ya no disponible, sin reemplazo | ||||
| 159 | 6696882 | |||
| CAJA DE EMBRAGUE | ||||
| 160 | 6696881 | 12.45 | 15.06 | |
| RODAMIENTO DE AGUJAS | ||||
| 161 | 6696884 | 5.10 | 6.17 | |
| Gusano | ||||
| 162 | 6696886 | 7.28 | 8.80 | |
| Arandela | ||||
| 163 | 6696885 | 1.05 | 1.27 | |
| Tornillo de máquina M4x16 (10 piezas) | ||||
| 164 | 949219 | 1.20 | 1.45 | |
| Placa de guía (a) | ||||
| 165 | 6696898 | 2.10 | 2.54 | |
| Pasa-cables de aceite (a) | ||||
| 166 | 6696868 | 1.05 | 1.27 | |
| Tubo de combustible (anterior 6698453) | ||||
| 167A | 6698719 | 9.75 | 11.80 | |
| Arandela | ||||
| 168 | 6685407 | 1.05 | 1.27 | |
| No hay información disponible, no se puede pedir | ||||
| 169 | 6698455 | |||
| Cuerpo de filtro de aceite | ||||
| 170A | 6698536 | 2.25 | 2.72 | |
| Tornillo de Chapa con Brida D5x15 | ||||
| 171 | 6698456 | 1.05 | 1.27 | |
| No hay información disponible, no se puede pedir | ||||
| 172 | 6696894 | |||
| Deflector de aire | ||||
| 173 | 6696906 | 2.10 | 2.54 | |
| No hay información disponible, no se puede pedir | ||||
| 174 | 6698431 | |||
| Ya no disponible, sin reemplazo | ||||
| 174A | 6699497 | |||
| Ensamblaje de válvula de mariposa | ||||
| 176 | 6698825 | 3.15 | 3.81 | |
| No hay información disponible, no se puede pedir | ||||
| 177 | 6698923 | |||
| Anillo de pistón | ||||
| 178 | 6699003 | 2.25 | 2.72 | |
| PISTÓN | ||||
| 179 | 6699004 | 16.64 | 20.13 | |
| TORNILLO DE AJUSTE | ||||
| 180 | 6699476 | 1.04 | 1.26 | |
| Ya no disponible, sin reemplazo | ||||
| 181 | 6699478 | |||
| Muelle amortiguador | ||||
| 182 | 6699479 | 1.65 | 2.00 | |
| Bobina | ||||
| 183 | 6699485 | 2.40 | 2.90 | |
| Ya no disponible, sin reemplazo | ||||
| 184 | 6699480 | |||
| Cuerda de arranque | ||||
| 185 | 6699469 | 1.04 | 1.26 | |
| Tope de cuerda | ||||
| 186 | 6699465 | 1.04 | 1.26 | |
| Botón de arranque | ||||
| 187 | 6699467 | 1.95 | 2.36 | |
| Ya no disponible, sin reemplazo | ||||
| 188 | 6699473 | |||
| Carcasa del ventilador | ||||
| 189 | 6699498 | 9.45 | 11.43 | |
| Carcasa del ventilador | ||||
| 189A | 6699498 | 9.45 | 11.43 | |
| No hay información disponible, no se puede pedir | ||||
| 191 | 6601575 | |||
| No hay información disponible, no se puede pedir | ||||
| 501 | 6696910 | |||
| No hay información disponible, no se puede pedir | ||||
| 502 | 6685402 | |||