Aquí encontrará todas las piezas y dibujos técnicos disponibles de 'Hikoki CS40SB'. Desde aquí podrá pedir todas las piezas deseadas directamente. Para muchas piezas de repuesto, es necesario pasar un pedido al fabricante. Dependiendo de la marca, el plazo de entrega puede variar entre una y cuatro semanas. Toda la información que tenemos está en nuestro sitio web. No podremos aconsejarle sobre lo que necesita hasta que entregue la máquina para su reparación. Tenga en cuenta lo siguiente a la hora de cursar su pedido:
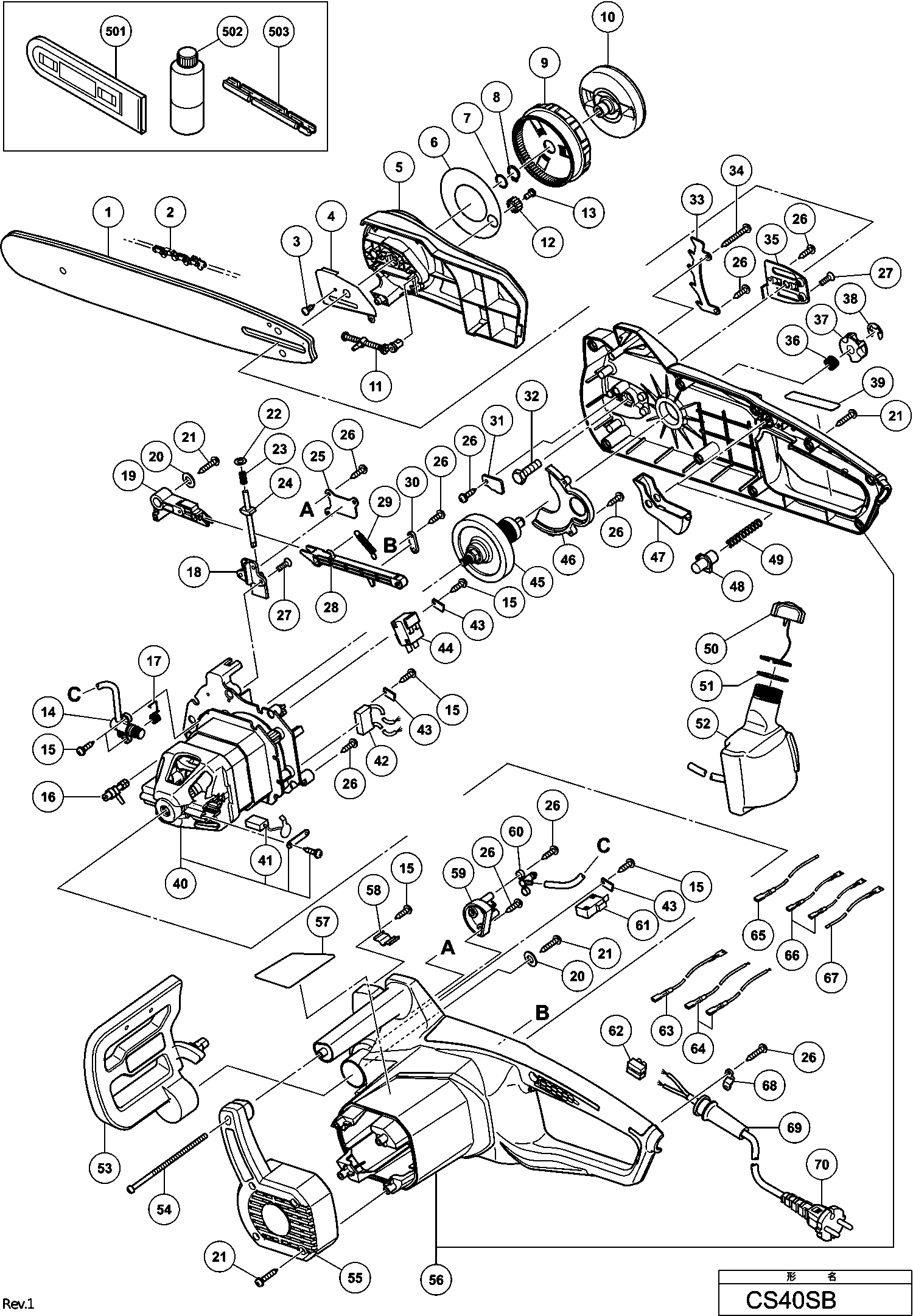
Dibujo técnico de los/las Hikoki CS40SB
Lista de las piezas de repuesto de Hikoki CS40SB
| Pos. | Descripción | Precio con el IVA excluido | Precio con el IVA incluido | |
| Los precios mostrados incluyen el IVA | ||||
| Tornillo de roscar D3 | ||||
| *15 | 6685415 | 1.05 | 1.27 | |
| No hay información disponible, no se puede pedir | ||||
| *43 | 338806 | |||
| Cordón (eu) | ||||
| *70 | 339121 | 7.05 | 8.53 | |
| No hay información disponible, no se puede pedir | ||||
| 1 | 6696992 | |||
| No hay información disponible, no se puede pedir | ||||
| 2 | 6697889 | |||
| Tornillo de rosca D3 | ||||
| 3 | 696352 | 1.13 | 1.36 | |
| Placa Guía | ||||
| 4 | 338943 | 1.05 | 1.27 | |
| Tapa de extremo | ||||
| 5 | 338794 | 6.30 | 7.62 | |
| Sello de polvo | ||||
| 6 | 335688 | 1.04 | 1.26 | |
| Anillo de goma | ||||
| 7 | 996407 | 1.05 | 1.27 | |
| Arandela De Resorte D14 (10 Piezas) | ||||
| 8 | 939543 | 2.55 | 3.09 | |
| Ensamblaje de fuente de alimentación conmutada | ||||
| 9 | 335150 | 2.40 | 2.90 | |
| BOTÓN | ||||
| 10 | 335151 | 6.75 | 8.17 | |
| Extractor de cadena | ||||
| 11 | 335966 | 6.15 | 7.44 | |
| ENGANCHE | ||||
| 12 | 335152 | 1.35 | 1.63 | |
| Tornillo de máquina (con arandela) M4x8 (negro) | ||||
| 13 | 315500 | 1.35 | 1.63 | |
| Bomba de aceite | ||||
| 14 | 338820 | 6.60 | 7.99 | |
| Tornillo de roscar D3 | ||||
| 15 | 6685415 | 1.05 | 1.27 | |
| Tornillo de ajuste | ||||
| 16 | 335967 | 3.30 | 3.99 | |
| Resorte de extensión | ||||
| 17 | 338821 | 1.04 | 1.26 | |
| Placa de Marco | ||||
| 18 | 338812 | 2.25 | 2.72 | |
| Varilla de empuje frontal | ||||
| 19 | 338825 | 2.70 | 3.27 | |
| No hay información disponible, no se puede pedir | ||||
| 20 | 338824 | |||
| Tornillo de rosca D5x16 | ||||
| 21 | 339124 | 1.80 | 2.18 | |
| Arandela (1) | ||||
| 22 | 338809 | 1.04 | 1.26 | |
| Resorte, acero inoxidable | ||||
| 23 | 338810 | 1.04 | 1.26 | |
| Barra de freno | ||||
| 24 | 338811 | 1.50 | 1.82 | |
| No hay información disponible, no se puede pedir | ||||
| 25 | 338816 | |||
| TORNILLO M4X35 | ||||
| 26 | 954017 | 1.04 | 1.26 | |
| Tornillo M4x12 (10 piezas) | ||||
| 27 | 949323 | 1.05 | 1.27 | |
| Varilla de empuje | ||||
| 28 | 338830 | 1.50 | 1.82 | |
| No hay información disponible, no se puede pedir | ||||
| 29 | 338829 | |||
| Placa de prensa | ||||
| 30 | 338831 | 1.04 | 1.26 | |
| Placa de prensa (b) | ||||
| 31 | 338813 | 1.04 | 1.26 | |
| No hay información disponible, no se puede pedir | ||||
| 32 | 338814 | |||
| No hay información disponible, no se puede pedir | ||||
| 32A | 378066 | |||
| Clavo | ||||
| 33 | 338797 | 1.50 | 1.82 | |
| Tornillo D5x30 (antiguo 986011) | ||||
| 34 | 957580 | 1.05 | 1.27 | |
| Manta de aislamiento | ||||
| 35 | 338796 | 1.05 | 1.27 | |
| Resorte, acero inoxidable | ||||
| 36 | 338798 | 1.04 | 1.26 | |
| Piñón | ||||
| 37 | 338799 | 3.00 | 3.63 | |
| Arandela de resorte | ||||
| 38 | 974577 | 1.05 | 1.27 | |
| Ensamblaje de motor incl.49,50 | ||||
| 40 | 338818 | 116.05 | 140.42 | |
| No hay información disponible, no se puede pedir | ||||
| 41 | 338946 | |||
| KOOLBORSTELS (2 STUKS) | ||||
| 41A | 999104 | 15.07 | 18.23 | |
| No hay información disponible, no se puede pedir | ||||
| 42 | 338808 | |||
| No hay información disponible, no se puede pedir | ||||
| 43 | 338806 | |||
| Interruptor | ||||
| 44 | 338807 | 6.00 | 7.26 | |
| Eje de salida | ||||
| 45 | 338819 | 20.76 | 25.12 | |
| Cubierta del polvo | ||||
| 46 | 338815 | 1.20 | 1.45 | |
| Botón de interruptor (1) | ||||
| 47 | 338833 | 1.04 | 1.26 | |
| Botón de bloqueo | ||||
| 48 | 338832 | 1.04 | 1.26 | |
| Resorte de bloqueo | ||||
| 49 | 338804 | 1.04 | 1.26 | |
| Tapa del depósito de aceite | ||||
| 50 | 338801 | 1.95 | 2.36 | |
| Anillo de goma | ||||
| 51 | 338803 | 1.04 | 1.26 | |
| Tanque de aceite | ||||
| 52 | 338805 | 5.85 | 7.08 | |
| Placa de protección | ||||
| 53 | 338837 | 11.85 | 14.34 | |
| Tornillo de rosca D5x130 | ||||
| 54 | 339125 | 1.80 | 2.18 | |
| Cubierta Trasera del Motor | ||||
| 55 | 338838 | 5.40 | 6.53 | |
| Caja de carcasa DUO 110 - Conjunto | ||||
| 56 | 338802 | 26.95 | 32.61 | |
| Caja de carcasa DUO 110 - Conjunto | ||||
| 56A | 338802 | 26.95 | 32.61 | |
| Hoja de resorte | ||||
| 58 | 338828 | 1.04 | 1.26 | |
| Base del conector | ||||
| 59 | 338823 | 1.04 | 1.26 | |
| Conector De Enchufe | ||||
| 60 | 338822 | 1.20 | 1.45 | |
| Interruptor | ||||
| 61 | 338827 | 2.40 | 2.90 | |
| Conjunto de terminales desde 3.2012 para Europa | ||||
| 62 | 338834 | 1.04 | 1.26 | |
| Cable de Conexión 320l (azul) | ||||
| 63 | 338842 | 1.20 | 1.45 | |
| No hay información disponible, no se puede pedir | ||||
| 64 | 338841 | |||
| Cable de conexión 300l (rojo) | ||||
| 65 | 338843 | 1.50 | 1.82 | |
| Cable de Conexión 390l (rojo) | ||||
| 66 | 338840 | 2.10 | 2.54 | |
| Cable de Conexión 390l (azul) | ||||
| 67 | 338839 | 1.05 | 1.27 | |
| No hay información disponible, no se puede pedir | ||||
| 68 | 338835 | |||
| Armadura de cordón | ||||
| 69 | 338836 | 1.04 | 1.26 | |
| Cordón (eu) | ||||
| 70 | 339121 | 7.05 | 8.53 | |
| No hay información disponible, no se puede pedir | ||||
| 501 | 6699115 | |||
| No hay información disponible, no se puede pedir | ||||
| 501A | 6685440 | |||
| Clip de enchufe excepto para Rus | ||||
| 503 | 309686 | 4.05 | 4.90 | |