Aquí encontrará todas las piezas y dibujos técnicos disponibles de 'Hikoki CS45Y'. Desde aquí podrá pedir todas las piezas deseadas directamente. Para muchas piezas de repuesto, es necesario pasar un pedido al fabricante. Dependiendo de la marca, el plazo de entrega puede variar entre una y cuatro semanas. Toda la información que tenemos está en nuestro sitio web. No podremos aconsejarle sobre lo que necesita hasta que entregue la máquina para su reparación. Tenga en cuenta lo siguiente a la hora de cursar su pedido:
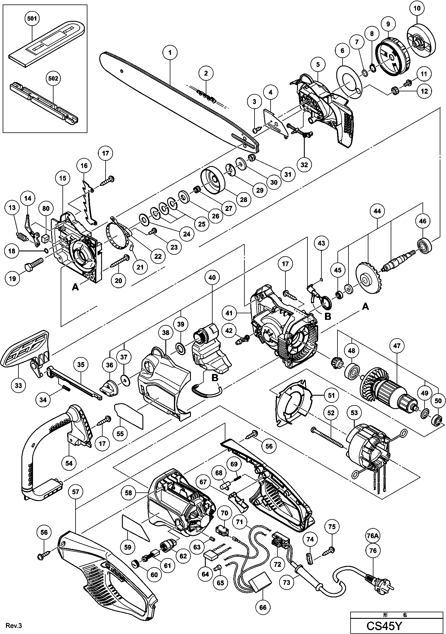
Dibujo técnico de los/las Hikoki CS45Y
Lista de las piezas de repuesto de Hikoki CS45Y
| Pos. | Descripción | Precio con el IVA excluido | Precio con el IVA incluido | |
| Los precios mostrados incluyen el IVA | ||||
| Cable (hol) L5030 Para Rus | ||||
| *76A | 337723 | 13.80 | 16.70 | |
| Cable (hol) | ||||
| *76A | 337722 | 3.00 | 3.63 | |
| Barra de Cadena 18 pulgadas 3/8 Sp | ||||
| 1 | 335496 | 20.90 | 25.29 | |
| No hay información disponible, no se puede pedir | ||||
| 2 | 6699182 | |||
| Tornillo de rosca D3 | ||||
| 3 | 696352 | 1.13 | 1.36 | |
| Placa guía | ||||
| 4 | 335471 | 1.04 | 1.26 | |
| Cubierta lateral (r) | ||||
| 5 | 335470 | 1.04 | 1.26 | |
| Sello de polvo | ||||
| 6 | 335688 | 1.04 | 1.26 | |
| Anillo de goma | ||||
| 7 | 996407 | 1.05 | 1.27 | |
| Arandela De Resorte D14 (10 Piezas) | ||||
| 8 | 939543 | 2.55 | 3.09 | |
| Ensamblaje de fuente de alimentación conmutada | ||||
| 9 | 335150 | 2.40 | 2.90 | |
| BOTÓN | ||||
| 10 | 335151 | 6.75 | 8.17 | |
| Tornillo de máquina (con arandela) M4x8 (negro) | ||||
| 11 | 315500 | 1.35 | 1.63 | |
| ENGANCHE | ||||
| 12 | 335152 | 1.35 | 1.63 | |
| Resorte de freno (antiguo 6685167) | ||||
| 13 | 6685389 | 1.05 | 1.27 | |
| Enlace de Freno | ||||
| 14 | 6698587 | 4.65 | 5.63 | |
| Cubierta interior | ||||
| 15 | 335472 | 12.90 | 15.61 | |
| Barra de pinchos | ||||
| 16 | 335482 | 1.04 | 1.26 | |
| Tornillo de roscado (con brida) D5x25 (negro) | ||||
| 17 | 305558 | 1.04 | 1.26 | |
| Anillo O (s-6) | ||||
| 18 | 997218 | 1.05 | 1.27 | |
| Tornillo M8x35 (10 Piezas) | ||||
| 19 | 949678 | 2.55 | 3.09 | |
| Ya no disponible, sin reemplazo | ||||
| 20 | 325336 | |||
| Rodillo de agujas D3 | ||||
| 21 | 6685391 | 1.05 | 1.27 | |
| Banda de freno | ||||
| 22 | 6685390 | 4.05 | 4.90 | |
| Tornillo de Máquina M4x12 (negro) con Arandela | ||||
| 23 | 935196 | 1.04 | 1.26 | |
| Arandela (e) | ||||
| 24 | 335484 | 1.04 | 1.26 | |
| Arandela de resorte | ||||
| 25 | 335485 | 1.04 | 1.26 | |
| Arandela (b) Ds9dva/ds12dva/ds14dv Ds14dva/ds14dvb | ||||
| 26 | 335486 | 3.15 | 3.81 | |
| RODAMIENTO DE AGUJAS | ||||
| 27 | 6685361 | 4.05 | 4.90 | |
| CAJA DE EMBRAGUE | ||||
| 28 | 6685403 | 10.20 | 12.34 | |
| Arandela (C) | ||||
| 29 | 335487 | 1.04 | 1.26 | |
| Arandela (d) | ||||
| 30 | 335488 | 1.60 | 1.94 | |
| No hay información disponible, no se puede pedir | ||||
| 31 | 975348 | |||
| Extractor de cadena | ||||
| 32 | 335966 | 6.15 | 7.44 | |
| Manija del freno | ||||
| 33 | 335479 | 2.70 | 3.27 | |
| Resorte (c) | ||||
| 34 | 335483 | 1.04 | 1.26 | |
| Varilla de acoplamiento DF 700 | ||||
| 35 | 335480 | 1.04 | 1.26 | |
| Tapón del tanque | ||||
| 36 | 335144 | 1.04 | 1.26 | |
| Empaquetadura de la tapa del tanque | ||||
| 37 | 335691 | 1.04 | 1.26 | |
| Cubierta Lateral (l) | ||||
| 38 | 335477 | 4.05 | 4.90 | |
| Junta | ||||
| 39 | 335490 | 1.04 | 1.26 | |
| Bomba de aceite | ||||
| 40 | 335474 | 10.35 | 12.52 | |
| Caja de engranajes | ||||
| 41 | 335476 | 10.65 | 12.89 | |
| Tornillo de ajuste | ||||
| 42 | 335967 | 3.30 | 3.99 | |
| O-RING (S-4) | ||||
| 43 | 981317 | 1.05 | 1.27 | |
| Conjunto de engranaje de husillo incl.45,46 | ||||
| 44 | 335473 | 18.43 | 22.29 | |
| Rodamiento de bolas 606zzmc3ps2s | ||||
| 45 | 606ZZM | 15.40 | 18.63 | |
| Cojinete de bolas 6202vvcmps2s | ||||
| 46 | 6202VV | 7.05 | 8.53 | |
| Set de armadura y piñón 220-230v | ||||
| 47 | 360957E | 55.69 | 67.38 | |
| Cojinete de bolas 6301vvcmps2s | ||||
| 48 | 6301VV | 8.55 | 10.35 | |
| Arandela | ||||
| 49 | 302428 | 1.04 | 1.26 | |
| Cojinete de bolas 6000 Vv, Cm9by, C8fse, G23ss | ||||
| 50 | 6000VV | 6.15 | 7.44 | |
| Guía de ventilador | ||||
| 51 | 335481 | 1.04 | 1.26 | |
| Tornillo de rosca de cabeza hexagonal D5x50 | ||||
| 52 | 953121 | 1.04 | 1.26 | |
| Stator 220v-230v H-90sa Includ.103 Para Nzl,saf | ||||
| 53 | 340864E | 37.81 | 45.75 | |
| Soporte de mango | ||||
| 54 | 335478 | 11.55 | 13.98 | |
| Etiqueta de precaución | ||||
| 55 | 335466 | 1.05 | 1.27 | |
| No hay información disponible, no se puede pedir | ||||
| 56 | 307811 | |||
| Cubierta del Mango | ||||
| 57 | 335475 | 15.40 | 18.63 | |
| Cubierta del Mango | ||||
| 57A | 335475 | 15.40 | 18.63 | |
| CARCASA | ||||
| 58 | 335469 | 14.55 | 17.61 | |
| Tapa del cepillo | ||||
| 60 | 945161 | 1.20 | 1.45 | |
| Escobilla de carbono (1 par) | ||||
| 61 | 999065 | 7.95 | 9.62 | |
| Portaescobillas (antiguo 938241z) | ||||
| 62 | 938241 | 6.45 | 7.80 | |
| Tornillo de ajuste hexagonal M5x8 | ||||
| 63 | 938477 | 1.05 | 1.27 | |
| Supresor de ruido | ||||
| 64 | 335462 | 1.04 | 1.26 | |
| Terminal de soldadura 50092 (10 piezas) | ||||
| 65 | 959141 | 3.75 | 4.54 | |
| Controlador 200v-240v | ||||
| 66 | 335455 | 25.44 | 30.78 | |
| PERILLA DE BLOQUEO | ||||
| 67 | 335463 | 1.04 | 1.26 | |
| Botón de bloqueo Off | ||||
| 68 | 335464 | 1.04 | 1.26 | |
| Resorte (a) Dh18vb | ||||
| 69 | 335465 | 1.04 | 1.26 | |
| Micro Interruptor | ||||
| 70 | 335460 | 1.95 | 2.36 | |
| No hay información disponible, no se puede pedir | ||||
| 71 | 335461 | |||
| Interruptor | ||||
| 72 | 335453 | 13.20 | 15.97 | |
| No hay información disponible, no se puede pedir | ||||
| 73 | 953327 | |||
| Tira de sujeción (antiguo 994566) | ||||
| 74 | 937631 | 1.04 | 1.26 | |
| No hay información disponible, no se puede pedir | ||||
| 75 | 984750 | |||
| Cable (hol) L5030 Para Rus | ||||
| 76A | 337723 | 13.80 | 16.70 | |
| Cable (hol) | ||||
| 76A | 337722 | 3.00 | 3.63 | |
| No hay información disponible, no se puede pedir | ||||
| 501 | 6699117 | |||
| Clip de enchufe excepto para Rus | ||||
| 502 | 309686 | 4.05 | 4.90 | |