Aquí encontrará todas las piezas y dibujos técnicos disponibles de 'Hikoki CV14DBL'. Desde aquí podrá pedir todas las piezas deseadas directamente. Para muchas piezas de repuesto, es necesario pasar un pedido al fabricante. Dependiendo de la marca, el plazo de entrega puede variar entre una y cuatro semanas. Toda la información que tenemos está en nuestro sitio web. No podremos aconsejarle sobre lo que necesita hasta que entregue la máquina para su reparación. Tenga en cuenta lo siguiente a la hora de cursar su pedido:
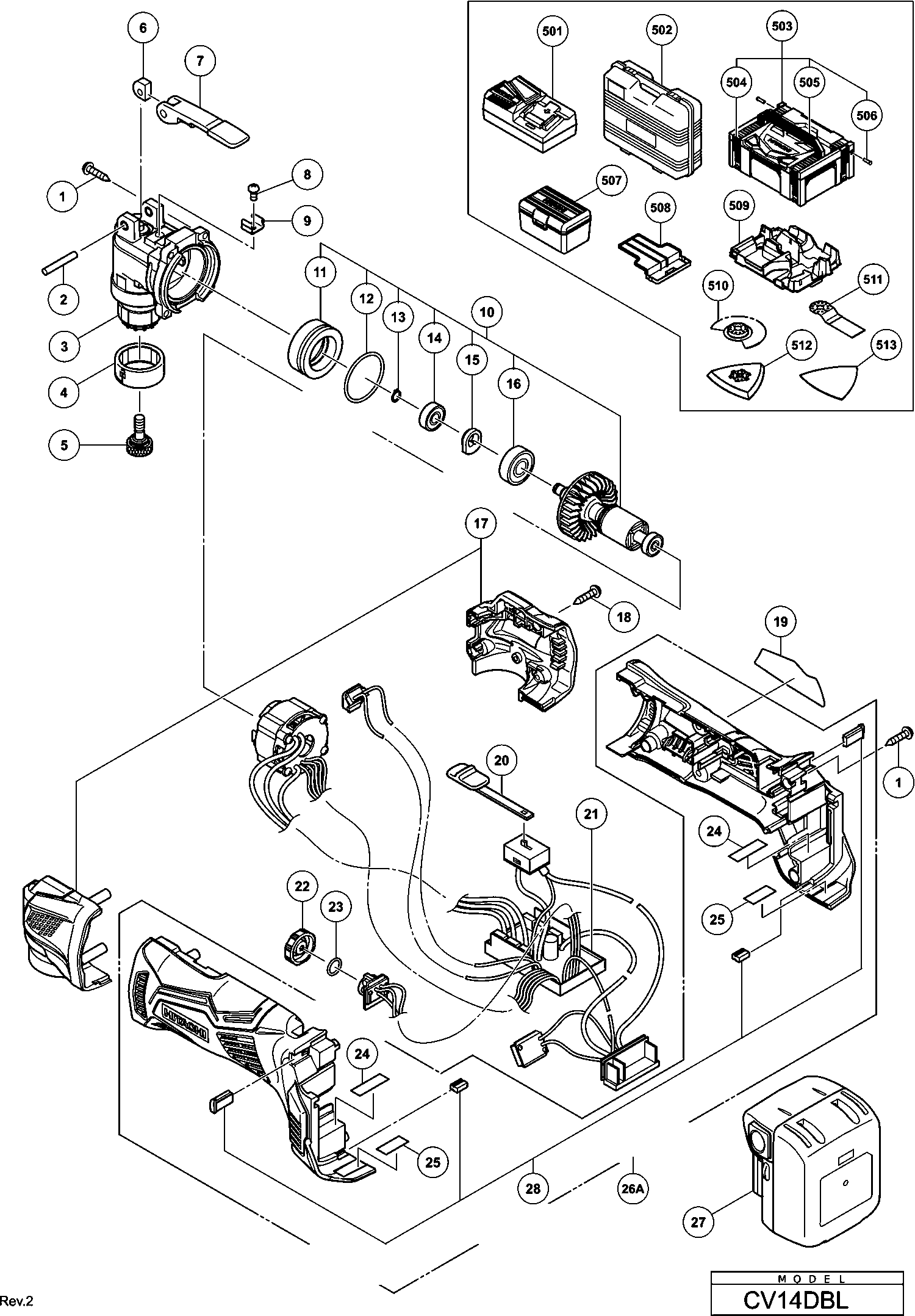
Dibujo técnico de los/las Hikoki CV14DBL
Lista de las piezas de repuesto de Hikoki CV14DBL
| Pos. | Descripción | Precio con el IVA excluido | Precio con el IVA incluido | |
| Los precios mostrados incluyen el IVA | ||||
| Tornillo de roscado D4x20 con brida (negro) | ||||
| 1 | 301653 | 1.04 | 1.26 | |
| Rodillo de aguja | ||||
| 2 | 337668 | 1.04 | 1.26 | |
| Caja de cabeza | ||||
| 3 | 338437 | 105.74 | 127.94 | |
| Tapa de manga | ||||
| 4 | 337665 | 1.05 | 1.27 | |
| No hay información disponible, no se puede pedir | ||||
| 5 | 337671 | |||
| EJE DE HERRAMIENTA (ANTIGUO 337671) | ||||
| 5A | 375113 | 3.45 | 4.17 | |
| Pieza de empuje | ||||
| 6 | 337667 | 1.04 | 1.26 | |
| No hay información disponible, no se puede pedir | ||||
| 7 | 337666 | |||
| Conjunto de palancas Incl.45 | ||||
| 7A | 370673 | 3.60 | 4.36 | |
| Tornillo de Bloqueo de Sello M4x6 | ||||
| 8 | 337670 | 1.04 | 1.26 | |
| Guía de Palanca | ||||
| 9 | 337669 | 1.04 | 1.26 | |
| Conjunto de Rotor Includ.23 | ||||
| 10 | 337398 | 68.61 | 83.02 | |
| Soporte De Cojinete | ||||
| 11 | 337663 | 3.75 | 4.54 | |
| Anillo O (s-35) | ||||
| 12 | 337664 | 1.04 | 1.26 | |
| Arandela de perno D7 | ||||
| 13 | 994251 | 1.05 | 1.27 | |
| Rodamiento de Bolas-r 607dd | ||||
| 14 | 337674 | 2.85 | 3.45 | |
| Balanceador | ||||
| 15 | 337402 | 1.04 | 1.26 | |
| Cojinete de bolas 6000 Vv, Cm9by, C8fse, G23ss | ||||
| 16 | 6000VV | 6.15 | 7.44 | |
| Juego de Tapas de Cabeza (a+b) | ||||
| 17 | 337395 | 5.10 | 6.17 | |
| Tornillo de roscar (con brida) D3x16 (negro) | ||||
| 18 | 313687 | 1.04 | 1.26 | |
| Botón giratorio ABB OHYS2AJ | ||||
| 20 | 337396 | 1.05 | 1.27 | |
| Cableado incl.37,40,50 hasta 6.2012 excepto F | ||||
| 21 | 337401 | 159.23 | 192.66 | |
| Dial | ||||
| 22 | 337397 | 1.50 | 1.82 | |
| Anillo O (s-10) | ||||
| 23 | 987105 | 1.05 | 1.27 | |
| Cojín de goma | ||||
| 24 | 338435 | 1.04 | 1.26 | |
| Cojín de goma (b) | ||||
| 25 | 338434 | 1.04 | 1.26 | |
| Cojín de goma (b) | ||||
| 25A | 376695 | 1.04 | 1.26 | |
| No hay información disponible, no se puede pedir | ||||
| 26 | 338433 | |||
| Carcasa (a).(b) Conjunto Includ.24,25,28 | ||||
| 26A | 339255 | 14.03 | 16.97 | |
| Carcasa (a).(b) Conjunto Includ.24,25,28 | ||||
| 26D | 339255 | 14.03 | 16.97 | |
| No hay información disponible, no se puede pedir | ||||
| 27 | 335786 | |||
| No hay información disponible, no se puede pedir | ||||
| 27A | 338887 | |||
| No hay información disponible, no se puede pedir | ||||
| 27B | 334418 | |||
| Conjunto de parachoques | ||||
| 28 | 339256 | 2.40 | 2.90 | |
| Manga/Acero inoxidable/Herramienta eléctrica | ||||
| 29 | 370674 | 1.65 | 2.00 | |
| No hay información disponible, no se puede pedir | ||||
| 502 | 337684 | |||
| No hay información disponible, no se puede pedir | ||||
| 503 | 336471 | |||
| No hay información disponible, no se puede pedir | ||||
| 504 | 336472 | |||
| No hay información disponible, no se puede pedir | ||||
| 505 | 336473 | |||
| No hay información disponible, no se puede pedir | ||||
| 506 | 336474 | |||
| No hay información disponible, no se puede pedir | ||||
| 507 | 337685 | |||
| Tapa protectora para batería | ||||
| 508 | 329897 | 1.80 | 2.18 | |
| No hay información disponible, no se puede pedir | ||||
| 509 | 337937 | |||
| No hay información disponible, no se puede pedir | ||||
| 510 | 335868 | |||
| No hay información disponible, no se puede pedir | ||||
| 511 | 335881 | |||
| No hay información disponible, no se puede pedir | ||||
| 512 | 335903 | |||
| No hay información disponible, no se puede pedir | ||||
| 513 | 338257 | |||
| No hay información disponible, no se puede pedir | ||||
| 601 | 335873 | |||
| No hay información disponible, no se puede pedir | ||||
| 602 | 335872 | |||
| No hay información disponible, no se puede pedir | ||||
| 603 | 335871 | |||
| No hay información disponible, no se puede pedir | ||||
| 604 | 335870 | |||
| No hay información disponible, no se puede pedir | ||||
| 605 | 335875 | |||
| No hay información disponible, no se puede pedir | ||||
| 606 | 335876 | |||
| No hay información disponible, no se puede pedir | ||||
| 607 | 335878 | |||
| No hay información disponible, no se puede pedir | ||||
| 608 | 335880 | |||
| No hay información disponible, no se puede pedir | ||||
| 609 | 335879 | |||
| No hay información disponible, no se puede pedir | ||||
| 610 | 335882 | |||
| No hay información disponible, no se puede pedir | ||||
| 611 | 335869 | |||
| No hay información disponible, no se puede pedir | ||||
| 612 | 335885 | |||
| No hay información disponible, no se puede pedir | ||||
| 613 | 335884 | |||
| No hay información disponible, no se puede pedir | ||||
| 614 | 335883 | |||
| No hay información disponible, no se puede pedir | ||||
| 615 | 335887 | |||
| No hay información disponible, no se puede pedir | ||||
| 616 | 335886 | |||
| No hay información disponible, no se puede pedir | ||||
| 617 | 335889 | |||
| No hay información disponible, no se puede pedir | ||||
| 618 | 335888 | |||
| No hay información disponible, no se puede pedir | ||||
| 619 | 335896 | |||
| No hay información disponible, no se puede pedir | ||||
| 620 | 335898 | |||
| No hay información disponible, no se puede pedir | ||||
| 621 | 335893 | |||
| No hay información disponible, no se puede pedir | ||||
| 622 | 335892 | |||
| No hay información disponible, no se puede pedir | ||||
| 623 | 335901 | |||
| No hay información disponible, no se puede pedir | ||||
| 624 | 335902 | |||
| No hay información disponible, no se puede pedir | ||||
| 625 | 335900 | |||
| No hay información disponible, no se puede pedir | ||||
| 626 | 335897 | |||
| No hay información disponible, no se puede pedir | ||||
| 627 | 335899 | |||
| No hay información disponible, no se puede pedir | ||||
| 628 | 335877 | |||
| No hay información disponible, no se puede pedir | ||||
| 629 | 335904 | |||
| No hay información disponible, no se puede pedir | ||||
| 630 | 335905 | |||
| No hay información disponible, no se puede pedir | ||||
| 631 | 335890 | |||
| No hay información disponible, no se puede pedir | ||||
| 632 | 335891 | |||
| No hay información disponible, no se puede pedir | ||||
| 633 | 335895 | |||
| No hay información disponible, no se puede pedir | ||||
| 634 | 335894 | |||
| No hay información disponible, no se puede pedir | ||||
| 635 | 323968 | |||
| No hay información disponible, no se puede pedir | ||||
| 636 | 323969 | |||
| No hay información disponible, no se puede pedir | ||||
| 637 | 323970 | |||
| No hay información disponible, no se puede pedir | ||||
| 638 | 338251 | |||
| No hay información disponible, no se puede pedir | ||||
| 639 | 338256 | |||
| No hay información disponible, no se puede pedir | ||||
| 640 | 338258 | |||
| No hay información disponible, no se puede pedir | ||||
| 641 | 337936 | |||
| Empaque de fieltro (10 Pzas.) | ||||
| 642 | 370534 | 9.30 | 11.25 | |