Aquí encontrará todas las piezas y dibujos técnicos disponibles de 'Hikoki D10VH'. Desde aquí podrá pedir todas las piezas deseadas directamente. Para muchas piezas de repuesto, es necesario pasar un pedido al fabricante. Dependiendo de la marca, el plazo de entrega puede variar entre una y cuatro semanas. Toda la información que tenemos está en nuestro sitio web. No podremos aconsejarle sobre lo que necesita hasta que entregue la máquina para su reparación. Tenga en cuenta lo siguiente a la hora de cursar su pedido:
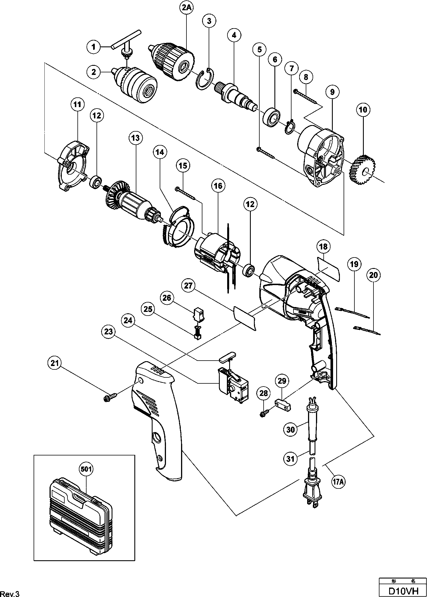
Dibujo técnico de los/las Hikoki D10VH
Lista de las piezas de repuesto de Hikoki D10VH
| Pos. | Descripción | Precio con el IVA excluido | Precio con el IVA incluido | |
| Los precios mostrados incluyen el IVA | ||||
| No hay información disponible, no se puede pedir | ||||
| 1 | 980057 | |||
| No hay información disponible, no se puede pedir | ||||
| 2 | 950292 | |||
| No hay información disponible, no se puede pedir | ||||
| 2A | 323250 | |||
| Anillo de parada D32 | ||||
| 3 | 948001 | 1.20 | 1.45 | |
| BARRA TOMMY | ||||
| 4 | 321626 | 5.46 | 6.61 | |
| Tornillo autorroscante (con brida) D4x30 (negro) | ||||
| 5 | 305490 | 1.04 | 1.26 | |
| Rodamiento de bolas 6002 Vv C7mfa | ||||
| 6 | 6002VV | 7.35 | 8.89 | |
| Anillo de retención D15 (10 piezas) | ||||
| 7 | 939544 | 2.13 | 2.57 | |
| Tornillo de golpe (con reborde) D4x45 (negro) | ||||
| 8 | 301815 | 1.05 | 1.27 | |
| Cubierta de engranaje | ||||
| 9 | 321625 | 9.98 | 12.07 | |
| ENGANCHE | ||||
| 10 | 321627 | 10.43 | 12.61 | |
| Cubierta interior | ||||
| 11 | 321624 | 6.15 | 7.44 | |
| Rodamiento de bolas 608vvmc2eps2l | ||||
| 12 | 608VVM | 5.70 | 6.90 | |
| No hay información disponible, no se puede pedir | ||||
| 13 | 360597U | |||
| Guía de ventilador | ||||
| 14 | 321623 | 1.50 | 1.82 | |
| SCHROEF D4X45 | ||||
| 15 | 991031 | 1.00 | 1.21 | |
| No hay información disponible, no se puede pedir | ||||
| 16 | 340548D | |||
| Conjunto de la cubierta del mango de la carcasa | ||||
| 17A | 331661 | 32.53 | 39.36 | |
| Cable Interno (marrón) 100l Para Kuw,ina,sau,sin | ||||
| 19 | 321630 | 3.30 | 3.99 | |
| Cable Interno (azul) 55l Para Kuw,ina,sau,sin | ||||
| 20 | 321631 | 3.30 | 3.99 | |
| Tornillo de roscado D4x20 con brida (negro) | ||||
| 21 | 301653 | 1.04 | 1.26 | |
| Interruptor D10vc2 | ||||
| 23 | 321632 | 29.29 | 35.44 | |
| Botón De Empuje | ||||
| 24 | 321628 | 1.65 | 2.00 | |
| Escobilla de carbono (1 par) | ||||
| 25 | 999041 | 4.50 | 5.44 | |
| Soporte de Cepillo de Carbono | ||||
| 26 | 955203 | 2.40 | 2.90 | |
| No hay información disponible, no se puede pedir | ||||
| 28 | 984750 | |||
| Tira de sujeción (antiguo 994566) | ||||
| 29 | 937631 | 1.04 | 1.26 | |
| No hay información disponible, no se puede pedir | ||||
| 30 | 953327 | |||
| Cordón | ||||
| 31 | 500240Z | 13.18 | 15.94 | |
| No hay información disponible, no se puede pedir | ||||
| 501 | 321635 | |||
| No hay información disponible, no se puede pedir | ||||
| 601 | 982593 | |||
| No hay información disponible, no se puede pedir | ||||
| 602 | 321612 | |||
| Mango (old 500335) | ||||
| 603 | 981205 | 5.85 | 7.08 | |
| No hay información disponible, no se puede pedir | ||||
| 604 | 873929 | |||