Aquí encontrará todas las piezas y dibujos técnicos disponibles de 'Hikoki D13'. Desde aquí podrá pedir todas las piezas deseadas directamente. Para muchas piezas de repuesto, es necesario pasar un pedido al fabricante. Dependiendo de la marca, el plazo de entrega puede variar entre una y cuatro semanas. Toda la información que tenemos está en nuestro sitio web. No podremos aconsejarle sobre lo que necesita hasta que entregue la máquina para su reparación. Tenga en cuenta lo siguiente a la hora de cursar su pedido:
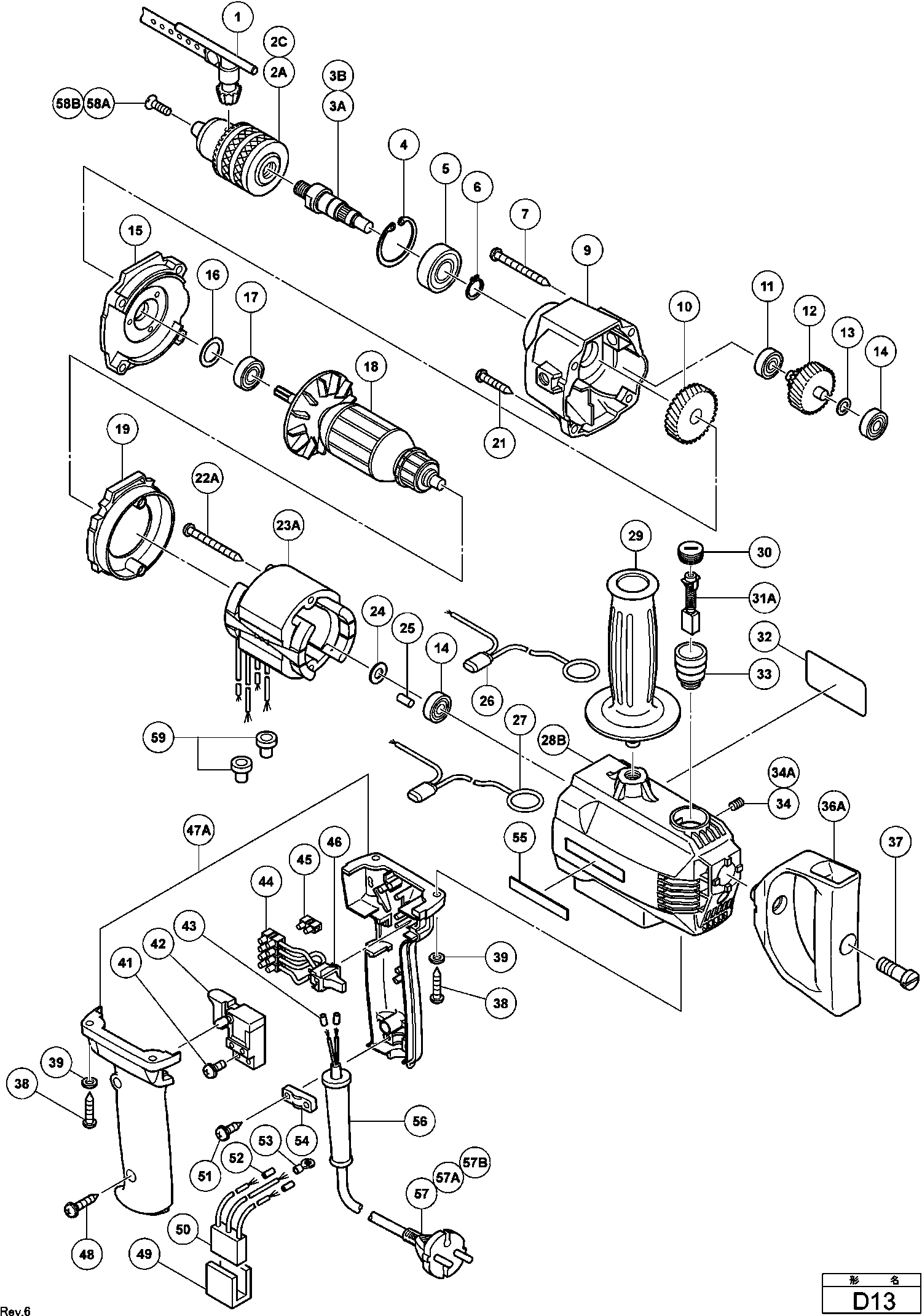
Dibujo técnico de los/las Hikoki D13
Lista de las piezas de repuesto de Hikoki D13
| Pos. | Descripción | Precio con el IVA excluido | Precio con el IVA incluido | |
| Los precios mostrados incluyen el IVA | ||||
| No hay información disponible, no se puede pedir | ||||
| 1 | 930515 | |||
| No hay información disponible, no se puede pedir | ||||
| 2A | 321810 | |||
| No hay información disponible, no se puede pedir | ||||
| 2C | 321814 | |||
| BARRA TOMMY | ||||
| 3A | 981651Z | 19.39 | 23.46 | |
| BARRA TOMMY | ||||
| 3B | 981667 | 32.18 | 38.93 | |
| Anillo de Seguridad D35 (10 Piezas) | ||||
| 4 | 939556 | 10.20 | 12.34 | |
| Cojinete de bolas 6202vvcmps2s | ||||
| 5 | 6202VV | 7.05 | 8.53 | |
| Anillo de retención D15 (10 piezas) | ||||
| 6 | 939544 | 2.13 | 2.57 | |
| Tornillo D5x70 | ||||
| 7 | 957725 | 1.04 | 1.26 | |
| Cubierta de engranaje (Antiguo 981650Z) | ||||
| 9 | 981650 | 31.90 | 38.60 | |
| ENGANCHE | ||||
| 10 | 983448 | 16.09 | 19.47 | |
| Rodamiento de bolas 627 Vvm | ||||
| 11 | 627VVM | 5.55 | 6.72 | |
| ENGANCHE | ||||
| 12 | 981652Z | 19.11 | 23.13 | |
| Arandela de cierre M8 (10 piezas) | ||||
| 13 | 949426 | 1.05 | 1.27 | |
| Rodamiento de bolas 608vvmc2eps2l | ||||
| 14 | 608VVM | 5.70 | 6.90 | |
| Cubierta de la caja de engranajes (antiguo 982791z | ||||
| 15 | 982791 | 41.11 | 49.75 | |
| Arandela | ||||
| 16 | 984357 | 1.05 | 1.27 | |
| Rodamiento de bolas 609vvmc2ps2s | ||||
| 17 | 609VVM | 6.00 | 7.26 | |
| Armature 240v | ||||
| 18 | 981657F | 92.13 | 111.47 | |
| Inducido 220-230 Volt | ||||
| 18 | 981657E | 91.16 | 110.31 | |
| Guía de ventilador | ||||
| 19 | 981562 | 2.55 | 3.09 | |
| Tornillo D5x35 (old 986140) | ||||
| 21 | 931875 | 1.05 | 1.27 | |
| Tornillo D5x60 (antiguo 981561) | ||||
| 22A | 991007 | 1.35 | 1.63 | |
| CAMPO 230-240 VOLTIOS | ||||
| 23A | 982797F | 24.75 | 29.95 | |
| Arandela (c) | ||||
| 24 | 984367 | 1.05 | 1.27 | |
| PASADOR DE GOMA (ANTIGUO 976441) | ||||
| 25 | 946362 | 1.05 | 1.27 | |
| Terminal de cepillo de carbono | ||||
| 26 | 982800Z | 9.60 | 11.62 | |
| Terminal de Cepillo de Carbono | ||||
| 26 | 982798Z | 2.40 | 2.90 | |
| Terminal de cepillo de carbono | ||||
| 27 | 982801Z | 10.20 | 12.34 | |
| Terminal de Cepillo | ||||
| 27 | 982799Z | 2.55 | 3.09 | |
| No hay información disponible, no se puede pedir | ||||
| 28A | 317447 | |||
| CARCASA | ||||
| 28B | 332082 | 32.31 | 39.10 | |
| Mango (old 500335) | ||||
| 29 | 981205 | 5.85 | 7.08 | |
| Tapa del cepillo | ||||
| 30 | 961781 | 2.55 | 3.09 | |
| Cepillos de Carbón Autodesconectantes (2 Piezas) ( | ||||
| 31A | 999073 | 14.40 | 17.42 | |
| Soporte de Cepillo de Carbono | ||||
| 33 | 981586 | 6.45 | 7.80 | |
| Tornillo de fijación hexagonal M5x6 | ||||
| 34 | 962782 | 1.04 | 1.26 | |
| Tornillo hexagonal M4x6 | ||||
| 34A | 985114 | 1.05 | 1.27 | |
| Manija TSC 55 | ||||
| 36A | 982794Z | 21.31 | 25.79 | |
| Perno M10 | ||||
| 37 | 982796Z | 2.40 | 2.90 | |
| No hay información disponible, no se puede pedir | ||||
| 38 | 937807 | |||
| Arandela de bloqueo M5 (antiguo 949424z , 10 pieza | ||||
| 39 | 949424 | 1.05 | 1.27 | |
| Tornillo de máquina M3,5x5 | ||||
| 41 | 980060 | 1.05 | 1.27 | |
| Interruptor | ||||
| 42 | 971667Z | 20.21 | 24.46 | |
| Interruptor | ||||
| 42 | 957747 | 14.03 | 16.97 | |
| Terminal de tornillo (b) | ||||
| 44 | 982804Z | 7.65 | 9.26 | |
| Terminal | ||||
| 45 | 982805Z | 2.55 | 3.09 | |
| Interruptor (r+l) | ||||
| 46 | 982802Z | 28.05 | 33.94 | |
| Juego de mangos (antiguos 984360+984361) | ||||
| 47A | 331660 | 20.08 | 24.29 | |
| Tornillo de grifo | ||||
| 48 | 982095 | 1.04 | 1.26 | |
| Caucho | ||||
| 49 | 930153 | 1.04 | 1.26 | |
| Condensador Dh20v/d13/say150a For Nzl, saf | ||||
| 50 | 971828 | 7.05 | 8.53 | |
| Condensador (antiguo 930030/991313) | ||||
| 50 | 994273 | 4.29 | 5.19 | |
| No hay información disponible, no se puede pedir | ||||
| 51 | 930446 | |||
| Casquillo roscado para cable | ||||
| 52 | 981373 | 1.05 | 1.27 | |
| Terminal 50061 (10 piezas) | ||||
| 53 | 959146 | 4.50 | 5.44 | |
| Terminal | ||||
| 53 | 961419Z | 1.04 | 1.26 | |
| Abrazadera del cordón | ||||
| 54 | 960266 | 1.04 | 1.26 | |
| No hay información disponible, no se puede pedir | ||||
| 55 | 957561 | |||
| Protector de cable D8.8 | ||||
| 56 | 380090 | 1.04 | 1.26 | |
| Casquillo del cable D10.1 | ||||
| 56 | 938051 | 1.04 | 1.26 | |
| Cordón | ||||
| 57 | 930051 | 14.30 | 17.30 | |
| Cordón | ||||
| 57 | 500240Z | 13.18 | 15.94 | |
| Cordón 2,5m 2 X 1.0 H05vv-f (Antiguo 500395z) | ||||
| 57 | 500447Z | 6.60 | 7.99 | |
| SNOER 10.7 (USE 714500=2X1 5M) | ||||
| 57 | 500247Z | 6.18 | 7.48 | |
| SNOER 2.5M 2 X 1.0 H05VV-F W/PLUG 13A/250V (OLD 50 | ||||
| 57A | 500423Z | 12.87 | 15.57 | |
| Ya no disponible, sin reemplazo | ||||
| 57B | 500435Z | |||
| Tornillo izquierdo M6x22 | ||||
| 58 | 981122 | 1.35 | 1.63 | |
| No hay información disponible, no se puede pedir | ||||
| 58A | 995344 | |||
| Tornillo de cabeza plana (mano izquierda) M6x20 | ||||
| 58B | 331966 | 6.75 | 8.17 | |
| Terminal de soldadura 50091 (10 piezas) | ||||
| 59 | 959140 | 3.30 | 3.99 | |
| No hay información disponible, no se puede pedir | ||||
| 601 | 930886 | |||
| No hay información disponible, no se puede pedir | ||||
| 602 | 981655Z | |||