Aquí encontrará todas las piezas y dibujos técnicos disponibles de 'Hikoki D13SA'. Desde aquí podrá pedir todas las piezas deseadas directamente. Para muchas piezas de repuesto, es necesario pasar un pedido al fabricante. Dependiendo de la marca, el plazo de entrega puede variar entre una y cuatro semanas. Toda la información que tenemos está en nuestro sitio web. No podremos aconsejarle sobre lo que necesita hasta que entregue la máquina para su reparación. Tenga en cuenta lo siguiente a la hora de cursar su pedido:
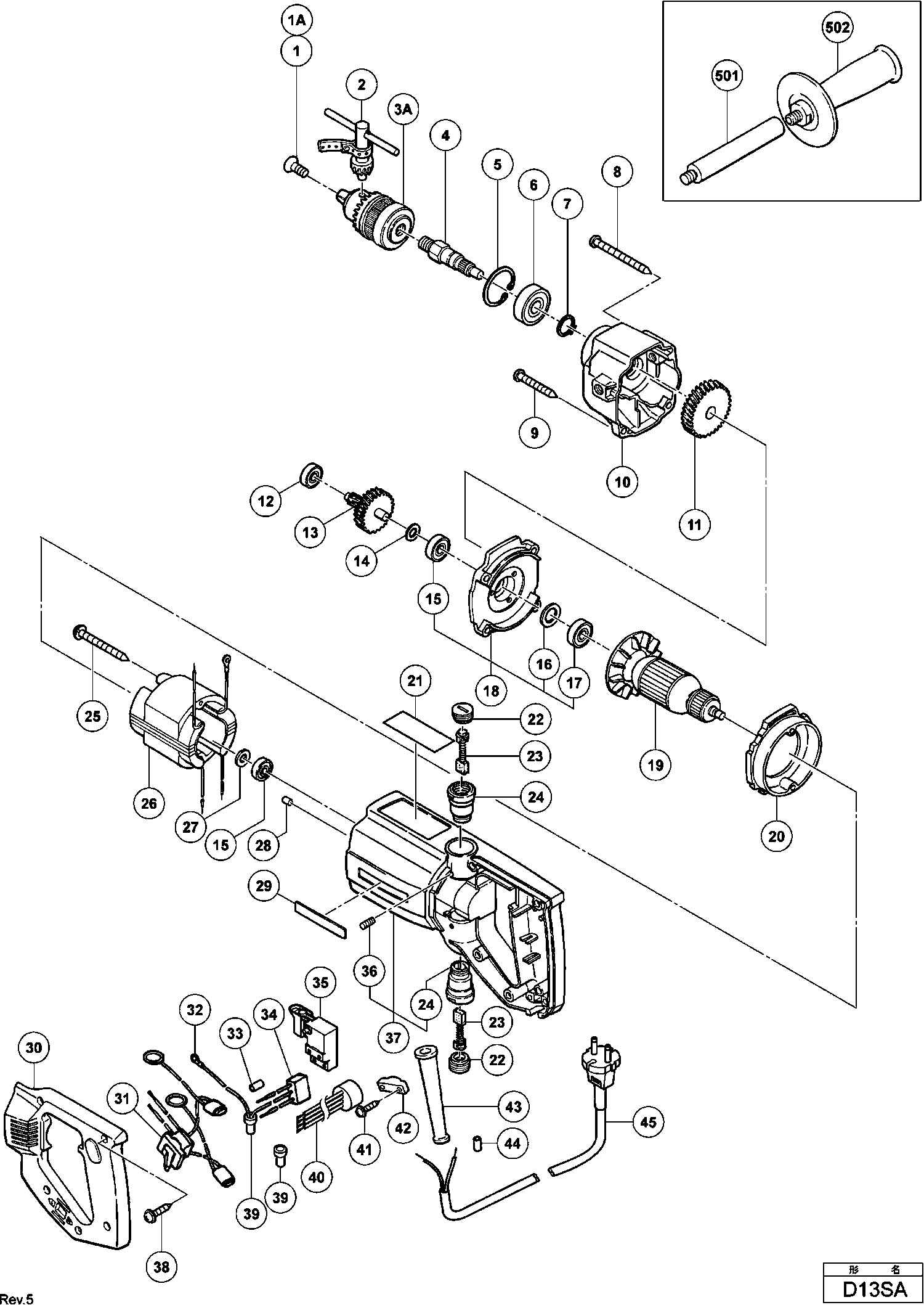
Dibujo técnico de los/las Hikoki D13SA
Lista de las piezas de repuesto de Hikoki D13SA
| Pos. | Descripción | Precio con el IVA excluido | Precio con el IVA incluido | |
| Los precios mostrados incluyen el IVA | ||||
| Tornillo izquierdo M6x22 | ||||
| 1 | 981122 | 1.35 | 1.63 | |
| Tornillo de cabeza plana (mano izquierda) M6x20 | ||||
| 1A | 331966 | 6.75 | 8.17 | |
| No hay información disponible, no se puede pedir | ||||
| 2 | 930515 | |||
| No hay información disponible, no se puede pedir | ||||
| 3A | 321814 | |||
| BARRA TOMMY | ||||
| 4 | 981667 | 32.18 | 38.93 | |
| Anillo de Seguridad D35 (10 Piezas) | ||||
| 5 | 939556 | 10.20 | 12.34 | |
| Cojinete de bolas 6202vvcmps2s | ||||
| 6 | 6202VV | 7.05 | 8.53 | |
| Anillo de retención D15 (10 piezas) | ||||
| 7 | 939544 | 2.13 | 2.57 | |
| TAPPING SCREW (W/SP.WASHER) D5X70 | ||||
| 8 | 986141 | 1.00 | 1.21 | |
| Tornillo D5x35 (nw 931875) | ||||
| 9 | 986140 | 1.05 | 1.27 | |
| Cubierta de engranaje (Antiguo 981650Z) | ||||
| 10 | 981650 | 31.90 | 38.60 | |
| TANDWIEL | ||||
| 11 | 986160 | 7.50 | 9.08 | |
| Rodamiento de bolas 627 Vvm | ||||
| 12 | 627VVM | 5.55 | 6.72 | |
| TANDWIEL | ||||
| 13 | 986159 | 13.31 | 16.11 | |
| Arandela de cierre M8 (10 piezas) | ||||
| 14 | 949426 | 1.05 | 1.27 | |
| Rodamiento de bolas 608vvmc2eps2l | ||||
| 15 | 608VVM | 5.70 | 6.90 | |
| Arandela | ||||
| 16 | 984357 | 1.05 | 1.27 | |
| Rodamiento de bolas 609vvmc2ps2s | ||||
| 17 | 609VVM | 6.00 | 7.26 | |
| Tornillo de cabeza plana (mano izquierda) M6x20 | ||||
| 17A | 331966 | 6.75 | 8.17 | |
| Cubierta de la caja de engranajes (antiguo 982791z | ||||
| 18 | 982791 | 41.11 | 49.75 | |
| No hay información disponible, no se puede pedir | ||||
| 19 | 360268 | |||
| Guía de ventilador | ||||
| 20 | 981562 | 2.55 | 3.09 | |
| Tapa del cepillo | ||||
| 22 | 961781 | 2.55 | 3.09 | |
| Escobilla de carbono (1 par) | ||||
| 23 | 999043 | 4.50 | 5.44 | |
| Soporte de Cepillo de Carbono | ||||
| 24 | 981586 | 6.45 | 7.80 | |
| Tornillo D5x60 (nuevo 991007) | ||||
| 25 | 981561 | 1.05 | 1.27 | |
| No hay información disponible, no se puede pedir | ||||
| 26 | 340242 | |||
| Arandela (c) | ||||
| 27 | 984367 | 1.05 | 1.27 | |
| PASADOR DE GOMA (ANTIGUO 976441) | ||||
| 28 | 946362 | 1.05 | 1.27 | |
| No hay información disponible, no se puede pedir | ||||
| 29 | 957561 | |||
| No hay información disponible, no se puede pedir | ||||
| 30 | 986163 | |||
| No hay información disponible, no se puede pedir | ||||
| 31 | 305421 | |||
| BEDRADING | ||||
| 32 | 981534 | 1.00 | 1.21 | |
| Casquillo roscado para cable | ||||
| 33 | 981373 | 1.05 | 1.27 | |
| Condensador (antiguo 930030/991313) | ||||
| 34 | 994273 | 4.29 | 5.19 | |
| No hay información disponible, no se puede pedir | ||||
| 35 | 958400Z | |||
| Tornillo de ajuste Allen M4 X 5 | ||||
| 36 | 961681 | 1.04 | 1.26 | |
| CARCASA | ||||
| 37 | 981560 | 43.86 | 53.07 | |
| Tornillo de grifo | ||||
| 38 | 982095 | 1.04 | 1.26 | |
| Terminal de soldadura 50091 (10 piezas) | ||||
| 39 | 959140 | 3.30 | 3.99 | |
| Bobina de restricción (antiguo 500259z) | ||||
| 40 | 955908 | 32.18 | 38.93 | |
| No hay información disponible, no se puede pedir | ||||
| 41 | 984750 | |||
| Abrazadera del cordón | ||||
| 42 | 960266 | 1.04 | 1.26 | |
| No hay información disponible, no se puede pedir | ||||
| 43 | 953327 | |||
| Casquillo roscado para cable | ||||
| 44 | 981373 | 1.05 | 1.27 | |
| No hay información disponible, no se puede pedir | ||||
| 45 | 500234Z | |||
| No hay información disponible, no se puede pedir | ||||
| 501 | 930886 | |||
| No hay información disponible, no se puede pedir | ||||
| 502 | 956633 | |||