Aquí encontrará todas las piezas y dibujos técnicos disponibles de 'Hikoki D13VF'. Desde aquí podrá pedir todas las piezas deseadas directamente. Para muchas piezas de repuesto, es necesario pasar un pedido al fabricante. Dependiendo de la marca, el plazo de entrega puede variar entre una y cuatro semanas. Toda la información que tenemos está en nuestro sitio web. No podremos aconsejarle sobre lo que necesita hasta que entregue la máquina para su reparación. Tenga en cuenta lo siguiente a la hora de cursar su pedido:
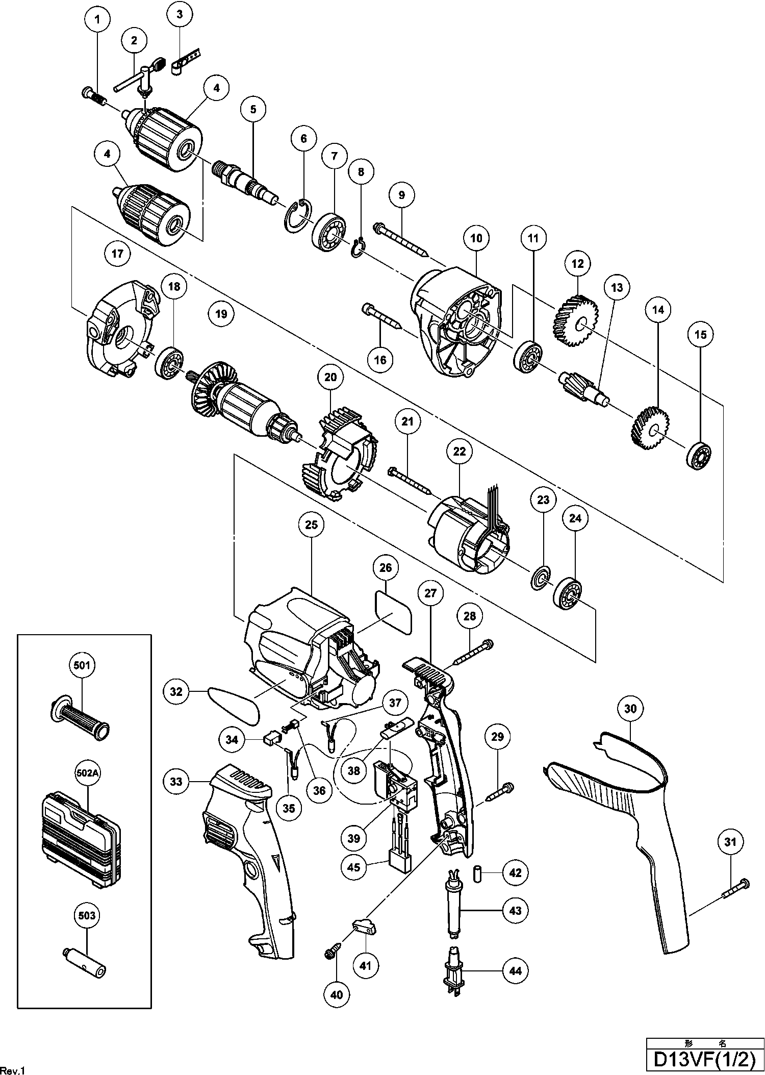
Dibujo técnico de los/las Hikoki D13VF
Lista de las piezas de repuesto de Hikoki D13VF
| Pos. | Descripción | Precio con el IVA excluido | Precio con el IVA incluido | |
| Los precios mostrados incluyen el IVA | ||||
| ARMADURA 230V | ||||
| *19 | 360543E | 67.24 | 81.36 | |
| CAMPO 230-240 VOLTIOS | ||||
| *22 | 340504E | 41.94 | 50.74 | |
| Restrictor TN19/11/10-3E25 | ||||
| *35 | 320197 | 6.60 | 7.99 | |
| Restrictor TN19/11/10-3E25 | ||||
| *37 | 320196 | 6.60 | 7.99 | |
| Interruptor | ||||
| *39 | 320195 | 32.18 | 38.93 | |
| No hay información disponible, no se puede pedir | ||||
| *4 | 319304 | |||
| Cordón | ||||
| *44 | 500240Z | 13.18 | 15.94 | |
| Cordón 2,5m 2 X 1.0 H05vv-f (Antiguo 500395z) | ||||
| *44 | 500447Z | 6.60 | 7.99 | |
| SNOER 10.7 (USE 714500=2X1 5M) | ||||
| *44 | 500247Z | 6.18 | 7.48 | |
| Tornillo especial (mano izquierda) M6x23 | ||||
| 1 | 311959 | 1.50 | 1.82 | |
| No hay información disponible, no se puede pedir | ||||
| 2 | 319527 | |||
| No hay información disponible, no se puede pedir | ||||
| 3 | 950288 | |||
| No hay información disponible, no se puede pedir | ||||
| 4 | 319304 | |||
| EJE DE TRANSMISIÓN | ||||
| 5 | 319346 | 13.83 | 16.73 | |
| Anillo de parada D32 | ||||
| 6 | 948001 | 1.20 | 1.45 | |
| Rodamiento de bolas 6002 Vv C7mfa | ||||
| 7 | 6002VV | 7.35 | 8.89 | |
| Anillo de retención D15 (10 piezas) | ||||
| 8 | 939544 | 2.13 | 2.57 | |
| Tornillo de Rosca (con brida) D5x60 | ||||
| 9 | 305701 | 1.05 | 1.27 | |
| Cubierta de engranaje | ||||
| 10 | 319345 | 21.86 | 26.45 | |
| Rodamiento de bolas 627 Vvm | ||||
| 11 | 627VVM | 5.55 | 6.72 | |
| Engranaje Final | ||||
| 12 | 319299 | 5.25 | 6.35 | |
| Segundo engranaje | ||||
| 13 | 319547 | 9.00 | 10.89 | |
| Primera Engranaje | ||||
| 14 | 319544 | 5.40 | 6.53 | |
| Rodamiento de bolas 606zzmc3ps2s | ||||
| 15 | 606ZZM | 15.40 | 18.63 | |
| Tornillo de Rosca D5x40 (negro) | ||||
| 16 | 316458 | 1.50 | 1.82 | |
| Cubierta interior | ||||
| 17 | 319344 | 24.06 | 29.12 | |
| Rodamiento de bolas 608ddmc2eps2s | ||||
| 18 | 608DDM | 5.55 | 6.72 | |
| ARMADURA 230V | ||||
| 19 | 360543E | 67.24 | 81.36 | |
| Guía de ventilador | ||||
| 20 | 319329 | 3.90 | 4.72 | |
| Tornillo autorroscante de cabeza hexagonal D4x55 | ||||
| 21 | 981421 | 1.04 | 1.26 | |
| CAMPO 230-240 VOLTIOS | ||||
| 22 | 340504E | 41.94 | 50.74 | |
| Arandela (a) | ||||
| 23 | 982631 | 1.04 | 1.26 | |
| Rodamiento de bolas 608vvmc2eps2l | ||||
| 24 | 608VVM | 5.70 | 6.90 | |
| CARCASA | ||||
| 25 | 319328 | 12.89 | 15.59 | |
| Palanca | ||||
| 27 | 319331 | 5.25 | 6.35 | |
| Tornillo de roscado (con brida) D4x35 (negro) | ||||
| 28 | 303694 | 1.04 | 1.26 | |
| Tornillo de roscado D4x20 con brida (negro) | ||||
| 29 | 301653 | 1.04 | 1.26 | |
| Mango | ||||
| 30 | 319332 | 15.26 | 18.47 | |
| Tornillo (lazo de plástico) D4x25 | ||||
| 31 | 319337 | 1.50 | 1.82 | |
| Manija TSC 55 | ||||
| 33 | 319330 | 5.25 | 6.35 | |
| Soporte de Cepillo de Carbono | ||||
| 34 | 955203 | 2.40 | 2.90 | |
| Restrictor TN19/11/10-3E25 | ||||
| 35 | 320197 | 6.60 | 7.99 | |
| Cable interno azul 86l | ||||
| 35 | 319341 | 1.50 | 1.82 | |
| Escobilla de carbono (1 par) | ||||
| 36 | 999041 | 4.50 | 5.44 | |
| SMOORSPOEL (BRUIN) 110 VOLT | ||||
| 37 | 320203 | 11.22 | 13.58 | |
| Restrictor TN19/11/10-3E25 | ||||
| 37 | 320196 | 6.60 | 7.99 | |
| Cable interno marrón 86l | ||||
| 37 | 319340 | 1.50 | 1.82 | |
| Botón de empuje | ||||
| 38 | 316166 | 1.65 | 2.00 | |
| Interruptor | ||||
| 39 | 319302 | 37.95 | 45.92 | |
| Interruptor | ||||
| 39 | 319339 | 32.18 | 38.93 | |
| Interruptor | ||||
| 39 | 320195 | 32.18 | 38.93 | |
| No hay información disponible, no se puede pedir | ||||
| 40 | 984750 | |||
| Tira de sujeción (antiguo 994566) | ||||
| 41 | 937631 | 1.04 | 1.26 | |
| Casquillo roscado para cable | ||||
| 42 | 981373 | 1.05 | 1.27 | |
| Protector de cable D8.8 | ||||
| 43 | 380090 | 1.04 | 1.26 | |
| Cable 3M 2 X 1,0 H05vv-f con enchufe 16a CEE | ||||
| 44 | 500461Z | 17.88 | 21.63 | |
| Cordón | ||||
| 44 | 500240Z | 13.18 | 15.94 | |
| Cordón 2,5m 2 X 1.0 H05vv-f (Antiguo 500395z) | ||||
| 44 | 500447Z | 6.60 | 7.99 | |
| SNOER 10.7 (USE 714500=2X1 5M) | ||||
| 44 | 500247Z | 6.18 | 7.48 | |
| CONDENSADOR | ||||
| 45 | 320198 | 10.95 | 13.25 | |
| No hay información disponible, no se puede pedir | ||||
| 46 | 378115 | |||
| Mango (old 500335) | ||||
| 501 | 981205 | 5.85 | 7.08 | |
| No hay información disponible, no se puede pedir | ||||
| 502A | 319543 | |||
| Junta de mango | ||||
| 503 | 319550 | 7.45 | 9.01 | |
| No hay información disponible, no se puede pedir | ||||
| 601 | 319528 | |||
| Rodamiento de agujas Hk0810 | ||||
| 602 | 670714 | 6.45 | 7.80 | |
| TANDWIEL | ||||
| 603 | 986149 | 19.69 | 23.82 | |
| Cojinete de bolas 6301vvcmps2s | ||||
| 604 | 6301VV | 8.55 | 10.35 | |
| Arandela | ||||
| 605 | 986147 | 1.05 | 1.27 | |
| INLEGSPIE 3X10 *TD5-1-2* | ||||
| 606 | 932819 | 1.26 | 1.52 | |
| AS | ||||
| 607 | 986146 | 26.46 | 32.02 | |
| CONECTOR | ||||
| 608 | 986143 | 6.75 | 8.17 | |
| No hay información disponible, no se puede pedir | ||||
| 609 | 986142 | |||
| BOUT M8X45 (10 STUKS) | ||||
| 610 | 949632 | 2.34 | 2.83 | |
| Arandela de cierre M8 (10 piezas) | ||||
| 611 | 949426 | 1.05 | 1.27 | |
| TANDWIELHUIS + NAALDLAGER | ||||
| 612 | 986144 | 40.70 | 49.25 | |
| AS EN TANDWIELSET | ||||
| 613 | 986156 | 64.52 | 78.07 | |
| No hay información disponible, no se puede pedir | ||||
| 614 | 949168 | |||
| GANCHO | ||||
| 615 | 317676 | 3.30 | 3.99 | |