Aquí encontrará todas las piezas y dibujos técnicos disponibles de 'Hikoki D13Y'. Desde aquí podrá pedir todas las piezas deseadas directamente. Para muchas piezas de repuesto, es necesario pasar un pedido al fabricante. Dependiendo de la marca, el plazo de entrega puede variar entre una y cuatro semanas. Toda la información que tenemos está en nuestro sitio web. No podremos aconsejarle sobre lo que necesita hasta que entregue la máquina para su reparación. Tenga en cuenta lo siguiente a la hora de cursar su pedido:
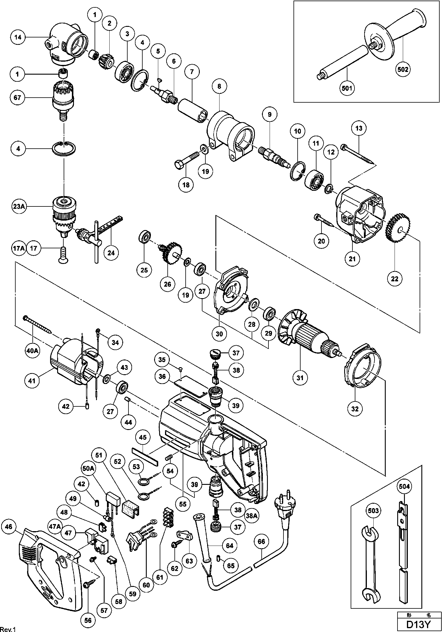
Dibujo técnico de los/las Hikoki D13Y
Lista de las piezas de repuesto de Hikoki D13Y
| Pos. | Descripción | Precio con el IVA excluido | Precio con el IVA incluido | |
| Los precios mostrados incluyen el IVA | ||||
| Rodamiento de agujas Hk0810 | ||||
| 1 | 670714 | 6.45 | 7.80 | |
| TANDWIEL | ||||
| 2 | 986149 | 19.69 | 23.82 | |
| Cojinete de bolas 6301vvcmps2s | ||||
| 3 | 6301VV | 8.55 | 10.35 | |
| Arandela | ||||
| 4 | 986147 | 1.05 | 1.27 | |
| INLEGSPIE 3X10 *TD5-1-2* | ||||
| 5 | 932819 | 1.26 | 1.52 | |
| AS | ||||
| 6 | 986146 | 26.46 | 32.02 | |
| CONECTOR | ||||
| 7 | 986143 | 6.75 | 8.17 | |
| No hay información disponible, no se puede pedir | ||||
| 8 | 986142 | |||
| BARRA TOMMY | ||||
| 9 | 981667 | 32.18 | 38.93 | |
| Anillo de Seguridad D35 (10 Piezas) | ||||
| 10 | 939556 | 10.20 | 12.34 | |
| Cojinete de bolas 6202vvcmps2s | ||||
| 11 | 6202VV | 7.05 | 8.53 | |
| Anillo de retención D15 (10 piezas) | ||||
| 12 | 939544 | 2.13 | 2.57 | |
| TAPPING SCREW (W/SP.WASHER) D5X70 | ||||
| 13 | 986141 | 1.00 | 1.21 | |
| TANDWIELHUIS + NAALDLAGER | ||||
| 14 | 986144 | 40.70 | 49.25 | |
| Tornillo izquierdo M6x22 | ||||
| 17 | 981122 | 1.35 | 1.63 | |
| Tornillo de cabeza plana (mano izquierda) M6x20 | ||||
| 17A | 331966 | 6.75 | 8.17 | |
| BOUT M8X45 (10 STUKS) | ||||
| 18 | 949632 | 2.34 | 2.83 | |
| Arandela de cierre M8 (10 piezas) | ||||
| 19 | 949426 | 1.05 | 1.27 | |
| Tornillo D5x35 (nw 931875) | ||||
| 20 | 986140 | 1.05 | 1.27 | |
| Cubierta de engranaje (Antiguo 981650Z) | ||||
| 21 | 981650 | 31.90 | 38.60 | |
| ENGANCHE | ||||
| 22 | 983448 | 16.09 | 19.47 | |
| No hay información disponible, no se puede pedir | ||||
| 23A | 321814 | |||
| No hay información disponible, no se puede pedir | ||||
| 24 | 930515 | |||
| Rodamiento de bolas 627 Vvm | ||||
| 25 | 627VVM | 5.55 | 6.72 | |
| ENGANCHE | ||||
| 26 | 981652Z | 19.11 | 23.13 | |
| Rodamiento de bolas 608vvmc2eps2l | ||||
| 27 | 608VVM | 5.70 | 6.90 | |
| Arandela | ||||
| 28 | 984357 | 1.05 | 1.27 | |
| Rodamiento de bolas 609vvmc2ps2s | ||||
| 29 | 609VVM | 6.00 | 7.26 | |
| Cubierta de la caja de engranajes (antiguo 982791z | ||||
| 30 | 982791 | 41.11 | 49.75 | |
| Armature 240v | ||||
| 31 | 981657F | 92.13 | 111.47 | |
| Inducido 220-230 Volt | ||||
| 31 | 981657E | 91.16 | 110.31 | |
| Guía de ventilador | ||||
| 32 | 981562 | 2.55 | 3.09 | |
| Terminal de Cable (antiguo 941562,10 St. | ||||
| 34 | 960356 | 3.00 | 3.63 | |
| Tapa del cepillo | ||||
| 37 | 961781 | 2.55 | 3.09 | |
| Escobilla de carbono (1 par) | ||||
| 38 | 999043 | 4.50 | 5.44 | |
| Cepillos de Carbón Autodesconectantes (2 Piezas) ( | ||||
| 38A | 999073 | 14.40 | 17.42 | |
| Soporte de Cepillo de Carbono | ||||
| 39 | 981586 | 6.45 | 7.80 | |
| Tornillo D5x60 (antiguo 981561) | ||||
| 40A | 991007 | 1.35 | 1.63 | |
| CAMPO | ||||
| 41 | 981656G | 26.13 | 31.61 | |
| Casquillo roscado para cable | ||||
| 42 | 981373 | 1.05 | 1.27 | |
| Arandela (c) | ||||
| 43 | 984367 | 1.05 | 1.27 | |
| PASADOR DE GOMA (ANTIGUO 976441) | ||||
| 44 | 946362 | 1.05 | 1.27 | |
| No hay información disponible, no se puede pedir | ||||
| 45 | 957561 | |||
| HANDGREEPDEKSEL | ||||
| 46 | 981661 | 14.02 | 16.96 | |
| Terminal | ||||
| 48 | 982805Z | 2.55 | 3.09 | |
| Terminal de soldadura 50091 (10 piezas) | ||||
| 49 | 959140 | 3.30 | 3.99 | |
| Condensador (antiguo 930030/991313) | ||||
| 50A | 994273 | 4.29 | 5.19 | |
| Caucho | ||||
| 51 | 930153 | 1.04 | 1.26 | |
| Tornillo de ajuste Allen M4 X 5 | ||||
| 54 | 961681 | 1.04 | 1.26 | |
| CARCASA | ||||
| 55 | 981560 | 43.86 | 53.07 | |
| Tornillo de grifo | ||||
| 56 | 982095 | 1.04 | 1.26 | |
| Tornillo de máquina M3,5x5 | ||||
| 57 | 980060 | 1.05 | 1.27 | |
| Alambre Interno | ||||
| 59 | 986277 | 1.04 | 1.26 | |
| Interruptor (r+l) | ||||
| 60 | 981658Z | 14.30 | 17.30 | |
| No hay información disponible, no se puede pedir | ||||
| 61 | 981666Z | |||
| No hay información disponible, no se puede pedir | ||||
| 62 | 984750 | |||
| Abrazadera del cordón | ||||
| 63 | 960266 | 1.04 | 1.26 | |
| Protector de cable D8.8 | ||||
| 64 | 380090 | 1.04 | 1.26 | |
| Casquillo del cable D10.1 | ||||
| 64 | 938051 | 1.04 | 1.26 | |
| Casquillo roscado para cable | ||||
| 65 | 981373 | 1.05 | 1.27 | |
| SNOER 10.7 (USE 714500=2X1 5M) | ||||
| 66 | 500247Z | 6.18 | 7.48 | |
| AS EN TANDWIELSET | ||||
| 67 | 986156 | 64.52 | 78.07 | |
| No hay información disponible, no se puede pedir | ||||
| 501 | 930886 | |||
| No hay información disponible, no se puede pedir | ||||
| 502 | 956633 | |||
| No hay información disponible, no se puede pedir | ||||
| 503 | 949168 | |||
| No hay información disponible, no se puede pedir | ||||
| 504 | 981655Z | |||
| No hay información disponible, no se puede pedir | ||||
| 601A | 312831 | |||
| No hay información disponible, no se puede pedir | ||||
| 602A | 931161 | |||