Aquí encontrará todas las piezas y dibujos técnicos disponibles de 'Hikoki DB10DL'. Desde aquí podrá pedir todas las piezas deseadas directamente. Para muchas piezas de repuesto, es necesario pasar un pedido al fabricante. Dependiendo de la marca, el plazo de entrega puede variar entre una y cuatro semanas. Toda la información que tenemos está en nuestro sitio web. No podremos aconsejarle sobre lo que necesita hasta que entregue la máquina para su reparación. Tenga en cuenta lo siguiente a la hora de cursar su pedido:
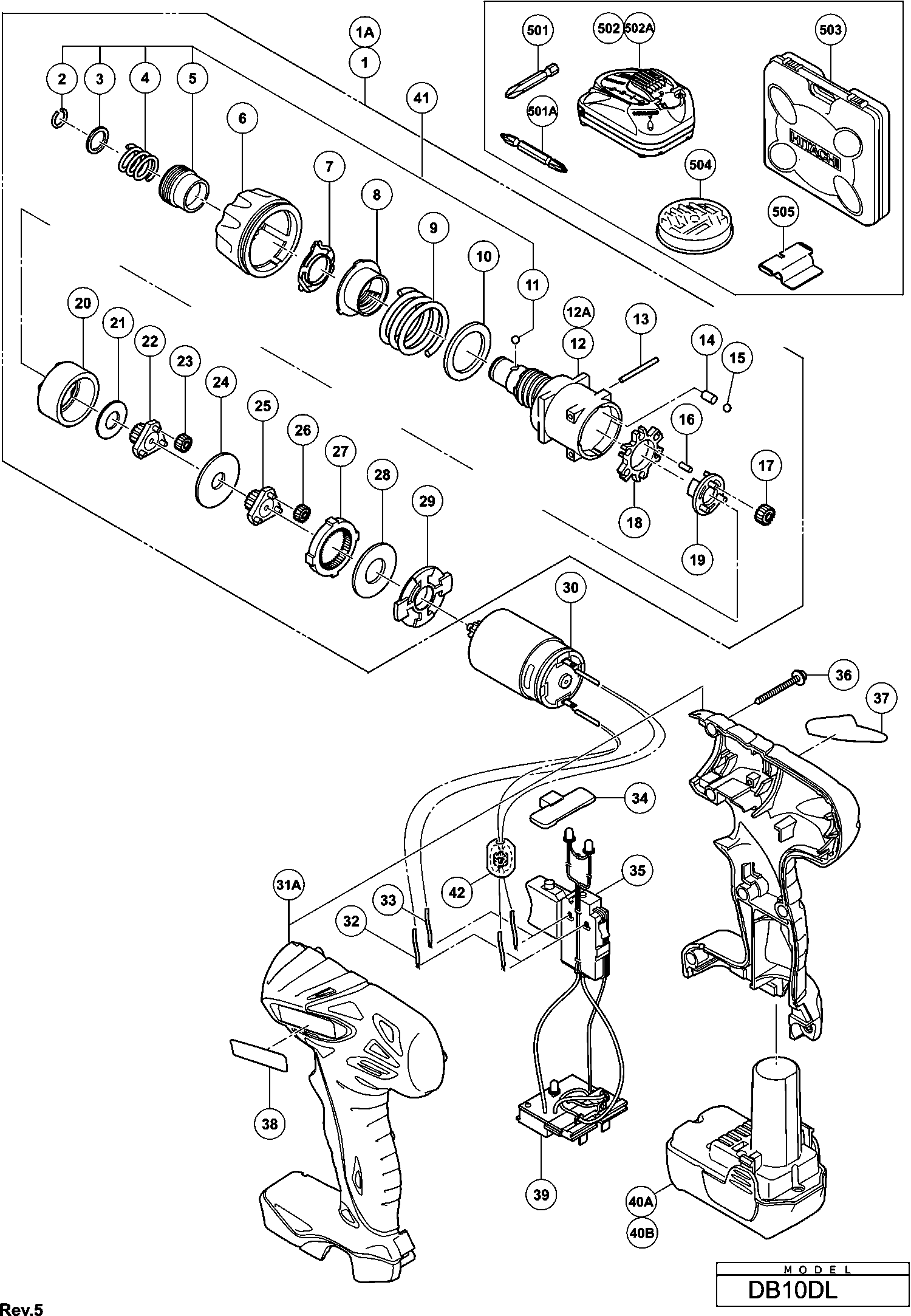
Dibujo técnico de los/las Hikoki DB10DL
Lista de las piezas de repuesto de Hikoki DB10DL
| Pos. | Descripción | Precio con el IVA excluido | Precio con el IVA incluido | |
| Los precios mostrados incluyen el IVA | ||||
| No hay información disponible, no se puede pedir | ||||
| *40C | 372962 | |||
| Tapa protectora para batería | ||||
| *505 | 331086 | 1.05 | 1.27 | |
| Acoplamiento Deslizante Completo | ||||
| 1 | 329557 | 70.40 | 85.18 | |
| No hay información disponible, no se puede pedir | ||||
| 1A | 329723 | |||
| Arandela de resorte | ||||
| 2 | 315984 | 1.65 | 2.00 | |
| ARANDELA | ||||
| 3 | 315983 | 1.65 | 2.00 | |
| Muelle de guía DCC-AG 125 FH | ||||
| 4 | 320409 | 1.65 | 2.00 | |
| Arbusto de guía | ||||
| 5 | 319921 | 7.65 | 9.26 | |
| Dial de embrague | ||||
| 6 | 329578 | 5.10 | 6.17 | |
| Primavera click | ||||
| 7 | 329579 | 1.80 | 2.18 | |
| Sostenedor de primavera | ||||
| 8 | 329577 | 1.80 | 2.18 | |
| No hay información disponible, no se puede pedir | ||||
| 9 | 329576 | |||
| Arandela (d) Cm12y | ||||
| 10 | 329575 | 1.80 | 2.18 | |
| BOLA DE ACERO D3,5 (10 piezas) | ||||
| 11 | 319535 | 1.65 | 2.00 | |
| Caja de engranajes | ||||
| 12 | 329558 | 14.10 | 17.06 | |
| BOLA DE ACERO D3,5 (10 piezas) | ||||
| 12 | 319535 | 1.65 | 2.00 | |
| No hay información disponible, no se puede pedir | ||||
| 12A | 329724 | |||
| PASADOR | ||||
| 13 | 329565 | 1.80 | 2.18 | |
| Juego de Pasadores (6 Piezas) | ||||
| 14 | 329574 | 3.45 | 4.17 | |
| Bola de acero D4 (10 Pcs.) | ||||
| 15 | 321905 | 4.80 | 5.81 | |
| Set de rodillos de aguja (6pcs.) | ||||
| 16 | 329560 | 1.80 | 2.18 | |
| Set de piñones planetarios (c) (3 piezas) | ||||
| 17 | 329563 | 1.80 | 2.18 | |
| Anillo, Retención | ||||
| 18 | 329559 | 6.75 | 8.17 | |
| Impulsor | ||||
| 19 | 329561 | 3.45 | 4.17 | |
| Engranaje de Anillo | ||||
| 20 | 329562 | 1.80 | 2.18 | |
| No hay información disponible, no se puede pedir | ||||
| 21 | 329564 | |||
| Piñón (c) | ||||
| 22 | 329566 | 1.80 | 2.18 | |
| No hay información disponible, no se puede pedir | ||||
| 23 | 329568 | |||
| Arandela (b) Ds9dva/ds12dva/ds14dv Ds14dva/ds14dvb | ||||
| 24 | 329567 | 1.80 | 2.18 | |
| No hay información disponible, no se puede pedir | ||||
| 25 | 329569 | |||
| No hay información disponible, no se puede pedir | ||||
| 26 | 329571 | |||
| Primera Engranaje de Anillo | ||||
| 27 | 329570 | 1.80 | 2.18 | |
| Arandela (a) | ||||
| 28 | 329572 | 1.80 | 2.18 | |
| Separador del Motor | ||||
| 29 | 329573 | 1.80 | 2.18 | |
| MOTOR | ||||
| 30 | 329582 | 27.36 | 33.11 | |
| Caja (a).(b) Conjunto | ||||
| 31A | 329556 | 44.00 | 53.24 | |
| Cableado (negro) | ||||
| 32 | 329584 | 3.30 | 3.99 | |
| Cableado (rojo) | ||||
| 33 | 329583 | 3.30 | 3.99 | |
| Regulador (r+l) | ||||
| 34 | 329548 | 1.65 | 2.00 | |
| Interruptor | ||||
| 35 | 329581 | 35.20 | 42.59 | |
| Tornillo de roscar (con brida) D3x16 (negro) | ||||
| 36 | 313687 | 1.04 | 1.26 | |
| Controlador (b) | ||||
| 39 | 329580 | 35.20 | 42.59 | |
| No hay información disponible, no se puede pedir | ||||
| 40A | 331065 | |||
| No hay información disponible, no se puede pedir | ||||
| 40B | 329389 | |||
| Conjunto de Cofia Guía Incluyendo 3-6,11 | ||||
| 41 | 320085 | 12.75 | 15.43 | |
| No hay información disponible, no se puede pedir | ||||
| 42 | 334854 | |||
| No hay información disponible, no se puede pedir | ||||
| 501 | 992671 | |||
| No hay información disponible, no se puede pedir | ||||
| 501A | 983006 | |||
| No hay información disponible, no se puede pedir | ||||
| 503 | 329585 | |||
| Tapa protectora para batería | ||||
| 505 | 331086 | 1.05 | 1.27 | |
| No hay información disponible, no se puede pedir | ||||
| 601 | 992670 | |||
| No hay información disponible, no se puede pedir | ||||
| 602 | 992672 | |||
| No hay información disponible, no se puede pedir | ||||
| 603 | 321823 | |||
| No hay información disponible, no se puede pedir | ||||
| 604 | 307543 | |||
| No hay información disponible, no se puede pedir | ||||
| 605 | 987575 | |||
| No hay información disponible, no se puede pedir | ||||
| 606 | 983004 | |||
| No hay información disponible, no se puede pedir | ||||
| 607 | 983011 | |||
| No hay información disponible, no se puede pedir | ||||
| 608 | 983005 | |||
| No hay información disponible, no se puede pedir | ||||
| 609 | 983010 | |||