Aquí encontrará todas las piezas y dibujos técnicos disponibles de 'Hikoki DH24PH'. Desde aquí podrá pedir todas las piezas deseadas directamente. Para muchas piezas de repuesto, es necesario pasar un pedido al fabricante. Dependiendo de la marca, el plazo de entrega puede variar entre una y cuatro semanas. Toda la información que tenemos está en nuestro sitio web. No podremos aconsejarle sobre lo que necesita hasta que entregue la máquina para su reparación. Tenga en cuenta lo siguiente a la hora de cursar su pedido:
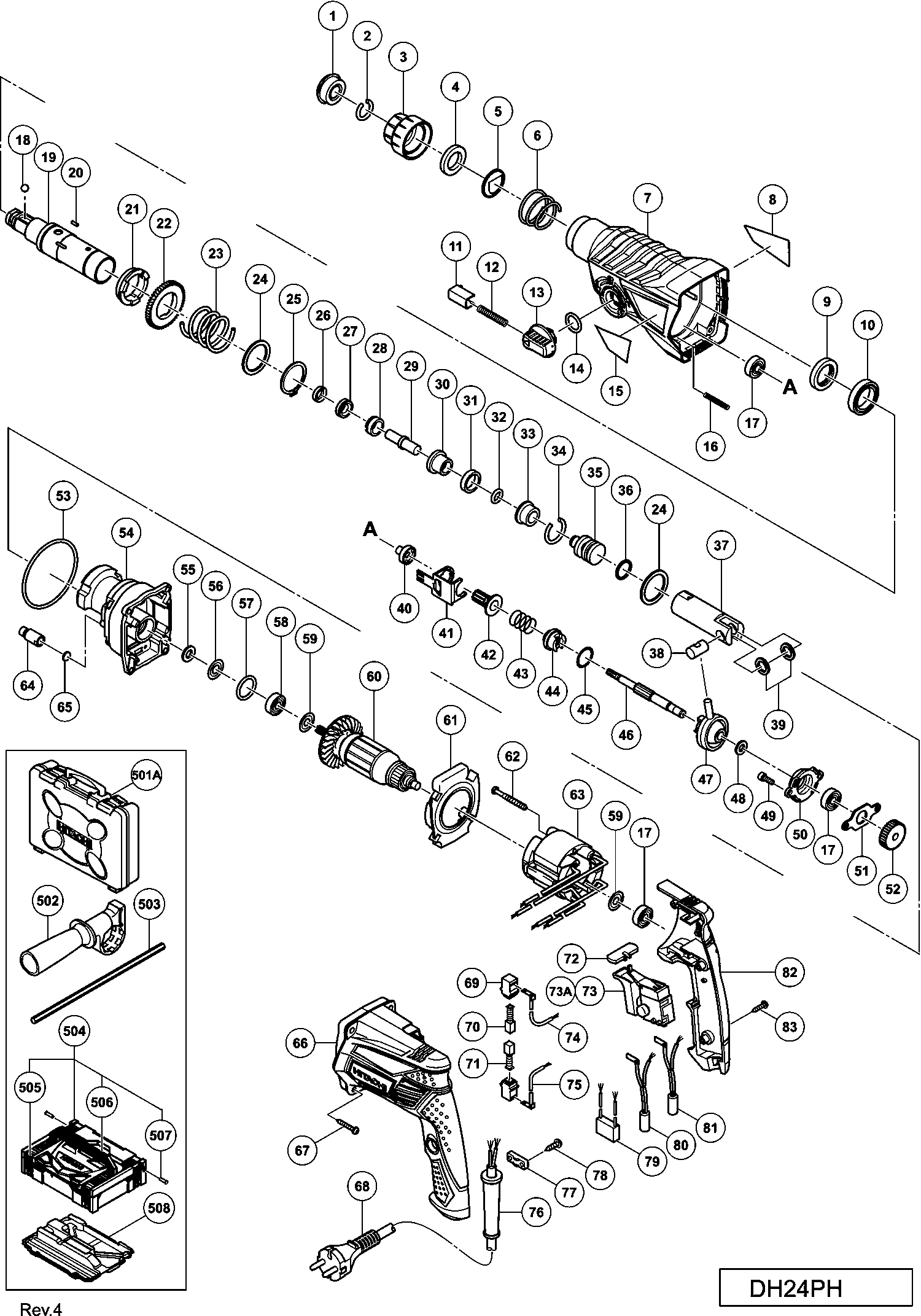
Dibujo técnico de los/las Hikoki DH24PH
Lista de las piezas de repuesto de Hikoki DH24PH
| Pos. | Descripción | Precio con el IVA excluido | Precio con el IVA incluido | |
| Los precios mostrados incluyen el IVA | ||||
| No hay información disponible, no se puede pedir | ||||
| *503 | 310331 | |||
| ARMADURA 230V | ||||
| *60 | 360962E | 24.34 | 29.45 | |
| ANKER 110 VOLT | ||||
| *60 | 360962C | 22.72 | 27.49 | |
| Stator 220v-230v H-90sa Includ.103 Para Nzl,saf | ||||
| *63 | 340866E | 20.76 | 25.12 | |
| VELD 110 VOLT | ||||
| *63 | 340866C | 19.69 | 23.82 | |
| Cordón | ||||
| *68 | 930051 | 14.30 | 17.30 | |
| Cordón | ||||
| *68 | 500240Z | 13.18 | 15.94 | |
| SNOER 2.5M 2 X 1.0 H05VV-F W/PLUG 13A/250V (OLD 50 | ||||
| *68 | 500423Z | 12.87 | 15.57 | |
| SNOER 10.7 (USE 714500=2X1 5M) | ||||
| *68 | 500247Z | 6.18 | 7.48 | |
| SCHAKELAAR 110-127 VOLT | ||||
| *73A | 337388 | 18.10 | 21.90 | |
| Cableado (a) Marrón | ||||
| *74 | 324537 | 4.35 | 5.26 | |
| Cable interno (a) (azul) | ||||
| *75 | 324538 | 4.35 | 5.26 | |
| Protector de cable D8.8 | ||||
| *76 | 380090 | 1.04 | 1.26 | |
| Casquillo del cable D10.1 | ||||
| *76 | 938051 | 1.04 | 1.26 | |
| Condensador (antiguo 987178) | ||||
| *79 | 930039 | 1.95 | 2.36 | |
| Bobina de Ahogamiento (a) Marrón | ||||
| *80 | 335857 | 1.95 | 2.36 | |
| Bobina de estrangulación (a) Azul | ||||
| *81 | 324551 | 11.55 | 13.98 | |
| No hay información disponible, no se puede pedir | ||||
| 1 | 306345 | |||
| Anillo de bloqueo | ||||
| 2 | 306340 | 1.35 | 1.63 | |
| Empuñadura | ||||
| 3 | 324527 | 3.30 | 3.99 | |
| Soporte de bola | ||||
| 4 | 324528 | 6.45 | 7.80 | |
| Placa de soporte | ||||
| 5 | 324526 | 3.30 | 3.99 | |
| Muelle | ||||
| 6 | 322812 | 1.65 | 2.00 | |
| CUBIERTA DE LA CAJA DE ENGRANAJES | ||||
| 7 | 335274 | 19.80 | 23.96 | |
| CUBIERTA DE LA CAJA DE ENGRANAJES | ||||
| 7A | 335274 | 19.80 | 23.96 | |
| Sello de aceite | ||||
| 9 | 335259 | 2.85 | 3.45 | |
| Rodamiento de bolas 6805dd | ||||
| 10 | 335260 | 3.30 | 3.99 | |
| Botón AGC 18 | ||||
| 11 | 322789 | 4.80 | 5.81 | |
| Muelle de empuje | ||||
| 12 | 317223 | 1.65 | 2.00 | |
| Palanca de cambio | ||||
| 13 | 334011 | 2.10 | 2.54 | |
| O-RING (S-18) | ||||
| 14 | 878885 | 1.05 | 1.27 | |
| Muelle (e) | ||||
| 16 | 335800 | 1.04 | 1.26 | |
| Rodamiento de bolas 608vvmc2eps2l | ||||
| 17 | 608VVM | 5.70 | 6.90 | |
| Bola de acero D7.0 (10 Pcs.) | ||||
| 18 | 335300 | 1.04 | 1.26 | |
| CILINDRO | ||||
| 19 | 335261 | 22.28 | 26.95 | |
| PIN D2.5 | ||||
| 20 | 335264 | 1.04 | 1.26 | |
| Embrague del cilindro | ||||
| 21 | 335263 | 12.45 | 15.06 | |
| Segundo engranaje | ||||
| 22 | 335265 | 6.15 | 7.44 | |
| Resorte (a) | ||||
| 23 | 335266 | 1.50 | 1.82 | |
| Arandela | ||||
| 24 | 301679 | 1.20 | 1.45 | |
| Anillo de retención tipo C | ||||
| 25 | 948310 | 1.35 | 1.63 | |
| Retén de Aceite (A) | ||||
| 26 | 335262 | 1.80 | 2.18 | |
| Soporte de Martillo (c) | ||||
| 27 | 335268 | 9.60 | 11.62 | |
| Manga (fw) | ||||
| 28 | 335795 | 4.20 | 5.08 | |
| Segundo martillo | ||||
| 29 | 335269 | 3.90 | 4.72 | |
| Soporte de martillo (a) | ||||
| 30 | 335267 | 3.00 | 3.63 | |
| ANILLO DE AMORTIGUADOR (A) | ||||
| 31 | 322805 | 1.65 | 2.00 | |
| Anillo O (c) Dh40ma/mb/mr | ||||
| 32 | 322808 | 1.65 | 2.00 | |
| Soporte del amortiguador | ||||
| 33 | 324524 | 6.45 | 7.80 | |
| ANILLO TOPE | ||||
| 34 | 322807 | 1.65 | 2.00 | |
| Golpeador | ||||
| 35 | 335246 | 4.20 | 5.08 | |
| Anillo O D17 | ||||
| 36 | 335247 | 2.55 | 3.09 | |
| PISTÓN | ||||
| 37 | 335255 | 1.04 | 1.26 | |
| Pasador de pistón Dh 38ms | ||||
| 38 | 335793 | 3.15 | 3.81 | |
| Anillo de pistón | ||||
| 39 | 335794 | 1.20 | 1.45 | |
| Manguito de piñón | ||||
| 40 | 335275 | 3.00 | 3.63 | |
| Cubierta del rodamiento | ||||
| 41 | 335276 | 11.10 | 13.43 | |
| Segundo engranaje | ||||
| 42 | 335278 | 7.20 | 8.71 | |
| Resorte de embrague | ||||
| 43 | 323182 | 1.65 | 2.00 | |
| Embrague | ||||
| 44 | 335254 | 3.90 | 4.72 | |
| Arandela | ||||
| 45 | 331315 | 1.05 | 1.27 | |
| Segunda Eje | ||||
| 46 | 335277 | 6.60 | 7.99 | |
| Rodamiento Recíproco | ||||
| 47 | 335249 | 13.65 | 16.52 | |
| Arandela de Rodamiento | ||||
| 48 | 335250 | 1.04 | 1.26 | |
| Tornillo de cabeza de bloqueo M5x16 (antiguo 98450 | ||||
| 49 | 990079 | 1.05 | 1.27 | |
| Soporte de rodamiento | ||||
| 50 | 335270 | 11.40 | 13.79 | |
| Cubierta del rodamiento | ||||
| 51 | 335271 | 1.04 | 1.26 | |
| Primera Engranaje | ||||
| 52 | 335253 | 6.75 | 8.17 | |
| Anillo O D72.2 | ||||
| 53 | 335245 | 1.20 | 1.45 | |
| Cubierta Interna | ||||
| 54 | 335272 | 9.90 | 11.98 | |
| Empaque De Fieltro | ||||
| 55 | 322816 | 1.65 | 2.00 | |
| Arandela de empaquetadura para Wh14 | ||||
| 56 | 322818 | 3.30 | 3.99 | |
| O-ring (p-22) | ||||
| 57 | 876796 | 1.05 | 1.27 | |
| Rodamiento de bolas 608ddmc2eps2s | ||||
| 58 | 608DDM | 5.55 | 6.72 | |
| Arandela (a) | ||||
| 59 | 982631 | 1.04 | 1.26 | |
| ARMADURA 230V | ||||
| 60 | 360962E | 24.34 | 29.45 | |
| ANKER 110 VOLT | ||||
| 60 | 360962C | 22.72 | 27.49 | |
| Guía del ventilador | ||||
| 61 | 335244 | 1.04 | 1.26 | |
| Tornillo D4x45 | ||||
| 62 | 981824 | 1.05 | 1.27 | |
| Stator 220v-230v H-90sa Includ.103 Para Nzl,saf | ||||
| 63 | 340866E | 20.76 | 25.12 | |
| VELD 110 VOLT | ||||
| 63 | 340866C | 19.69 | 23.82 | |
| Capucha de Aire | ||||
| 64 | 334008 | 1.20 | 1.45 | |
| Empaque De Fieltro | ||||
| 65 | 324543 | 1.65 | 2.00 | |
| CARCASA | ||||
| 66 | 335660 | 7.50 | 9.08 | |
| CARCASA | ||||
| 66A | 335660 | 7.50 | 9.08 | |
| TORNILLO M4X35 | ||||
| 67 | 301654 | 1.05 | 1.27 | |
| Cordón | ||||
| 68 | 930051 | 14.30 | 17.30 | |
| Cordón | ||||
| 68 | 500240Z | 13.18 | 15.94 | |
| SNOER 2.5M 2 X 1.0 H05VV-F W/PLUG 13A/250V (OLD 50 | ||||
| 68 | 500423Z | 12.87 | 15.57 | |
| SNOER 10.7 (USE 714500=2X1 5M) | ||||
| 68 | 500247Z | 6.18 | 7.48 | |
| Soporte de Cepillo de Carbono | ||||
| 69 | 955203 | 2.40 | 2.90 | |
| Escobilla de carbono (1 par) | ||||
| 70 | 999041 | 4.50 | 5.44 | |
| Cepillos de Carbón Autodesconectantes (2 Piezas) ( | ||||
| 71 | 999072 | 14.40 | 17.42 | |
| Botón de empuje | ||||
| 72 | 322853 | 1.05 | 1.27 | |
| Interruptor | ||||
| 73 | 335796 | 17.05 | 20.63 | |
| SCHAKELAAR 110-127 VOLT | ||||
| 73A | 337388 | 18.10 | 21.90 | |
| Cableado (a) Marrón | ||||
| 74 | 324537 | 4.35 | 5.26 | |
| Cable interno (a) (azul) | ||||
| 75 | 324538 | 4.35 | 5.26 | |
| Protector de cable D8.8 | ||||
| 76 | 380090 | 1.04 | 1.26 | |
| Casquillo del cable D10.1 | ||||
| 76 | 938051 | 1.04 | 1.26 | |
| Tira de sujeción (antiguo 994566) | ||||
| 77 | 937631 | 1.04 | 1.26 | |
| No hay información disponible, no se puede pedir | ||||
| 78 | 984750 | |||
| Condensador (antiguo 987178) | ||||
| 79 | 930039 | 1.95 | 2.36 | |
| Bobina de Ahogamiento (a) Marrón | ||||
| 80 | 335857 | 1.95 | 2.36 | |
| Bobina de estrangulación (a) Azul | ||||
| 81 | 324551 | 11.55 | 13.98 | |
| Cubierta del Mango | ||||
| 82 | 335661 | 3.45 | 4.17 | |
| Tornillo de roscado D4x20 con brida (negro) | ||||
| 83 | 301653 | 1.04 | 1.26 | |
| CONJUNTO DE MANGO | ||||
| 85 | 375172 | 4.50 | 5.44 | |
| No hay información disponible, no se puede pedir | ||||
| 501A | 337257 | |||
| No hay información disponible, no se puede pedir | ||||
| 502 | 324548 | |||
| No hay información disponible, no se puede pedir | ||||
| 503 | 310331 | |||
| No hay información disponible, no se puede pedir | ||||
| 504 | 337739 | |||
| No hay información disponible, no se puede pedir | ||||
| 505 | 336472 | |||
| No hay información disponible, no se puede pedir | ||||
| 506 | 336473 | |||
| No hay información disponible, no se puede pedir | ||||
| 507 | 336474 | |||
| No hay información disponible, no se puede pedir | ||||
| 508 | 337741 | |||
| No hay información disponible, no se puede pedir | ||||
| 601 | 306885 | |||
| No hay información disponible, no se puede pedir | ||||
| 602 | 986802 | |||
| STOFVANGER | ||||
| 603 | 986803 | 6.54 | 7.91 | |
| SELLADO | ||||
| 604 | 986804 | 3.38 | 4.08 | |
| Anillo de retención tipo C | ||||
| 605 | 948310 | 1.35 | 1.63 | |
| RING | ||||
| 606 | 958063 | 1.00 | 1.21 | |
| Bola de acero D6.35 (10 piezas) | ||||
| 607 | 959150 | 1.35 | 1.63 | |
| OUTER RACE | ||||
| 608 | 986805 | 4.26 | 5.15 | |
| Punto de venta | ||||
| 609 | 986806 | 5.10 | 6.17 | |
| Adaptador de Enchufe (b) | ||||
| 610 | 306910 | 4.50 | 5.44 | |
| No hay información disponible, no se puede pedir | ||||
| 611 | 971787 | |||
| No hay información disponible, no se puede pedir | ||||
| 612 | 931844 | |||
| No hay información disponible, no se puede pedir | ||||
| 613 | 321814 | |||
| Tornillo de cabeza plana (mano izquierda) M6x20 | ||||
| 614 | 331966 | 6.75 | 8.17 | |
| No hay información disponible, no se puede pedir | ||||
| 615 | 321813 | |||
| No hay información disponible, no se puede pedir | ||||
| 616 | 971511Z | |||
| No hay información disponible, no se puede pedir | ||||
| 617 | 971512Z | |||
| No hay información disponible, no se puede pedir | ||||
| 618 | 944477 | |||
| No hay información disponible, no se puede pedir | ||||
| 619 | 982684 | |||
| No hay información disponible, no se puede pedir | ||||
| 620 | 982685 | |||
| No hay información disponible, no se puede pedir | ||||
| 621 | 982672 | |||
| No hay información disponible, no se puede pedir | ||||
| 622 | 982673 | |||
| No hay información disponible, no se puede pedir | ||||
| 623 | 982674 | |||
| No hay información disponible, no se puede pedir | ||||
| 624 | 982686 | |||
| No hay información disponible, no se puede pedir | ||||
| 625 | 982675 | |||
| No hay información disponible, no se puede pedir | ||||
| 626 | 982687 | |||
| No hay información disponible, no se puede pedir | ||||
| 627 | 982676 | |||
| No hay información disponible, no se puede pedir | ||||
| 628 | 982688 | |||
| No hay información disponible, no se puede pedir | ||||
| 629 | 982677 | |||
| No hay información disponible, no se puede pedir | ||||
| 630 | 982689 | |||
| No hay información disponible, no se puede pedir | ||||
| 631 | 982678 | |||
| No hay información disponible, no se puede pedir | ||||
| 632 | 982690 | |||
| No hay información disponible, no se puede pedir | ||||
| 633 | 971794 | |||
| No hay información disponible, no se puede pedir | ||||
| 634 | 971795 | |||
| No hay información disponible, no se puede pedir | ||||
| 635 | 971796 | |||
| No hay información disponible, no se puede pedir | ||||
| 636 | 971797 | |||
| No hay información disponible, no se puede pedir | ||||
| 637 | 971798 | |||
| No hay información disponible, no se puede pedir | ||||
| 638 | 971799 | |||
| No hay información disponible, no se puede pedir | ||||
| 639 | 971800 | |||
| No hay información disponible, no se puede pedir | ||||
| 640 | 971801 | |||
| No hay información disponible, no se puede pedir | ||||
| 641 | 971802 | |||
| No hay información disponible, no se puede pedir | ||||
| 642 | 971803 | |||
| No hay información disponible, no se puede pedir | ||||
| 643 | 944460 | |||
| No hay información disponible, no se puede pedir | ||||
| 644 | 944461 | |||
| No hay información disponible, no se puede pedir | ||||
| 645 | 993038 | |||
| No hay información disponible, no se puede pedir | ||||
| 647 | 944500 | |||
| No hay información disponible, no se puede pedir | ||||
| 649 | 944464 | |||
| No hay información disponible, no se puede pedir | ||||
| 650 | 320859 | |||
| No hay información disponible, no se puede pedir | ||||
| 651 | 303046 | |||
| No hay información disponible, no se puede pedir | ||||
| 652 | 303044 | |||
| No hay información disponible, no se puede pedir | ||||
| 653 | 303045 | |||
| Tornillo izquierdo M6x22 | ||||
| 654 | 981122 | 1.35 | 1.63 | |
| No hay información disponible, no se puede pedir | ||||
| 655 | 930515 | |||
| No hay información disponible, no se puede pedir | ||||
| 656 | 302976 | |||
| No hay información disponible, no se puede pedir | ||||
| 657 | 302975 | |||
| No hay información disponible, no se puede pedir | ||||
| 658 | 303621 | |||
| No hay información disponible, no se puede pedir | ||||
| 659 | 302974 | |||
| No hay información disponible, no se puede pedir | ||||
| 660 | 302979 | |||
| No hay información disponible, no se puede pedir | ||||
| 661 | 302978 | |||
| No hay información disponible, no se puede pedir | ||||
| 662 | 303622 | |||
| No hay información disponible, no se puede pedir | ||||
| 663 | 302977 | |||
| No hay información disponible, no se puede pedir | ||||
| 664 | 303332 | |||
| No hay información disponible, no se puede pedir | ||||
| 665 | 303334 | |||
| No hay información disponible, no se puede pedir | ||||
| 666 | 303335 | |||
| No hay información disponible, no se puede pedir | ||||
| 667 | 303617 | |||
| No hay información disponible, no se puede pedir | ||||
| 668 | 303618 | |||
| No hay información disponible, no se puede pedir | ||||
| 669 | 303619 | |||
| No hay información disponible, no se puede pedir | ||||
| 670 | 303620 | |||
| No hay información disponible, no se puede pedir | ||||
| 671 | 303625 | |||
| No hay información disponible, no se puede pedir | ||||
| 672 | 303626 | |||
| No hay información disponible, no se puede pedir | ||||
| 673 | 303627 | |||
| No hay información disponible, no se puede pedir | ||||
| 674 | 303624 | |||
| No hay información disponible, no se puede pedir | ||||
| 675 | 321825 | |||
| No hay información disponible, no se puede pedir | ||||
| 676 | 303623 | |||
| No hay información disponible, no se puede pedir | ||||
| 677 | 306370 | |||
| Grasa para Martillo Rotativo (500g) | ||||
| 678 | 335781 | 67.24 | 81.36 | |
| Grasa para Martillo Rotativo (60g) | ||||
| 679 | 335782 | 13.50 | 16.34 | |