Aquí encontrará todas las piezas y dibujos técnicos disponibles de 'Hikoki DH25PB'. Desde aquí podrá pedir todas las piezas deseadas directamente. Para muchas piezas de repuesto, es necesario pasar un pedido al fabricante. Dependiendo de la marca, el plazo de entrega puede variar entre una y cuatro semanas. Toda la información que tenemos está en nuestro sitio web. No podremos aconsejarle sobre lo que necesita hasta que entregue la máquina para su reparación. Tenga en cuenta lo siguiente a la hora de cursar su pedido:
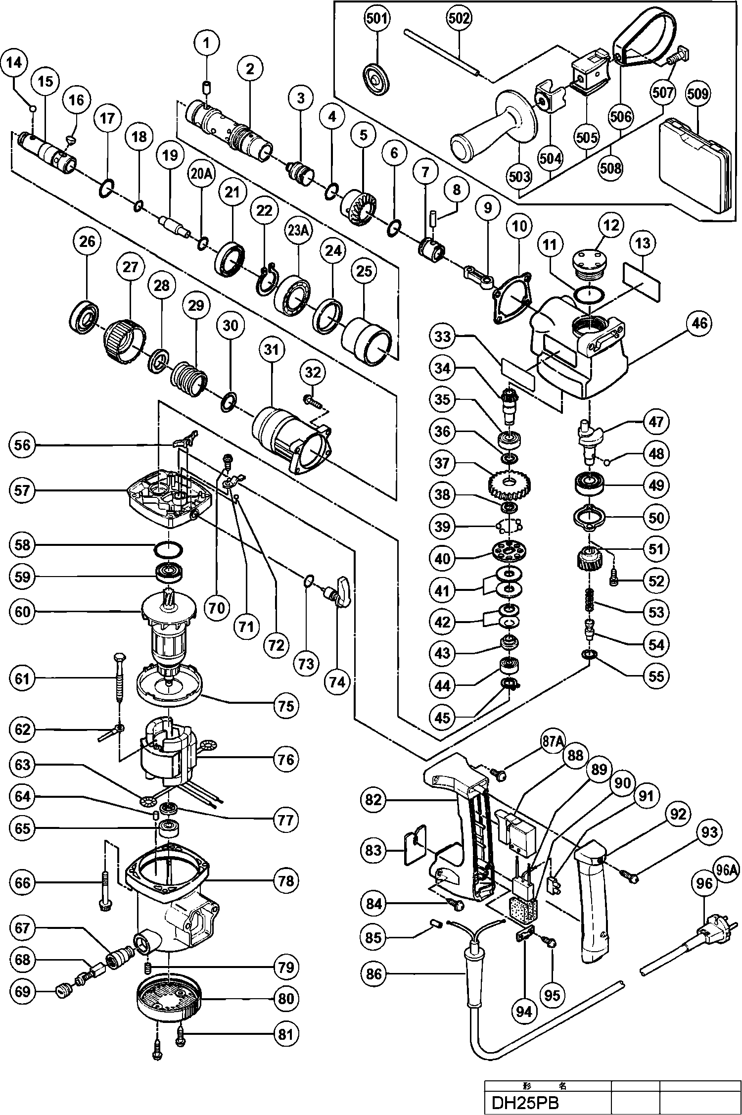
Dibujo técnico de los/las Hikoki DH25PB
Lista de las piezas de repuesto de Hikoki DH25PB
| Pos. | Descripción | Precio con el IVA excluido | Precio con el IVA incluido | |
| Los precios mostrados incluyen el IVA | ||||
| Aguja Dh25pa/pb | ||||
| 1 | 318200 | 4.80 | 5.81 | |
| CILINDRO | ||||
| 2 | 318022 | 47.58 | 57.57 | |
| Golpeador | ||||
| 3 | 318024 | 14.99 | 18.13 | |
| Anillo O | ||||
| 4 | 971760 | 1.05 | 1.27 | |
| Tercer Piñón | ||||
| 5 | 992933 | 37.95 | 45.92 | |
| Anillo O | ||||
| 6 | 971760 | 1.05 | 1.27 | |
| PISTÓN | ||||
| 7 | 992930 | 18.70 | 22.63 | |
| Pasador de pistón Dh 38ms | ||||
| 8 | 992931 | 1.04 | 1.26 | |
| VARILLA CONICA | ||||
| 9 | 318020 | 4.80 | 5.81 | |
| Junta | ||||
| 10 | 980896 | 1.35 | 1.63 | |
| Anillo O | ||||
| 11 | 980948 | 1.05 | 1.27 | |
| Tapón de Aceite Assembly Including Part 28a | ||||
| 12 | 980880 | 1.35 | 1.63 | |
| Bola de acero D7.0 (10 Pcs.) | ||||
| 14 | 959156 | 1.65 | 2.00 | |
| Manga de retención | ||||
| 15 | 318023 | 61.33 | 74.20 | |
| Chaveta de Woodruff G12s2/g13sd | ||||
| 16 | 318026 | 12.15 | 14.70 | |
| Anillo de goma | ||||
| 17 | 980890 | 1.05 | 1.27 | |
| Anillo O | ||||
| 18 | 318199 | 1.65 | 2.00 | |
| Segundo martillo | ||||
| 19 | 318025 | 10.23 | 12.37 | |
| Anillo O (i.d. 10.5) | ||||
| 20A | 301680 | 2.40 | 2.90 | |
| Sello de aceite | ||||
| 21 | 318027 | 10.65 | 12.89 | |
| Anillo de retención tipo C | ||||
| 22 | 948310 | 1.35 | 1.63 | |
| Rodamiento de bolas 6906t2cn | ||||
| 23A | 6906T2 | 16.64 | 20.13 | |
| Anillo de Uretano | ||||
| 24 | 992906 | 5.85 | 7.08 | |
| Tubo | ||||
| 25 | 980891 | 4.20 | 5.08 | |
| Capuchón frontal H45ma/h60ma/mb H45mr | ||||
| 26 | 318028 | 3.30 | 3.99 | |
| Agarre | ||||
| 27 | 318029 | 4.80 | 5.81 | |
| Sostenedor de la Bola | ||||
| 28 | 318030 | 4.20 | 5.08 | |
| Muelle | ||||
| 29 | 306342 | 3.00 | 3.63 | |
| Arandela (b) Ds9dva/ds12dva/ds14dv Ds14dva/ds14dvb | ||||
| 30 | 984118 | 1.05 | 1.27 | |
| Caja del Cilindro | ||||
| 31 | 318021 | 15.40 | 18.63 | |
| Tornillo m5x25 | ||||
| 32 | 992253 | 1.05 | 1.27 | |
| Tercer Piñón | ||||
| 34 | 992914 | 35.06 | 42.43 | |
| Rodamiento de bolas 6001dducmps2s (antiguo 980925) | ||||
| 35 | 6001DD | 6.45 | 7.80 | |
| Arandela | ||||
| 36 | 992503 | 1.04 | 1.26 | |
| Segundo engranaje | ||||
| 37 | 992928 | 21.55 | 26.08 | |
| Anillo de parada | ||||
| 38 | 971087 | 1.04 | 1.26 | |
| Bola de Acero D3.97 (10 unidades) | ||||
| 39 | 959155 | 1.04 | 1.26 | |
| Placa de embrague | ||||
| 40 | 992916 | 2.10 | 2.54 | |
| Diafragma | ||||
| 41 | 992926 | 1.05 | 1.27 | |
| Muelle | ||||
| 42 | 980877 | 1.05 | 1.27 | |
| ARANDELA | ||||
| 43 | 992504 | 1.04 | 1.26 | |
| Rodamiento de bolas 608vvmc2eps2l | ||||
| 44 | 608VVM | 5.70 | 6.90 | |
| ANILLO TOPE | ||||
| 45 | 940079 | 1.04 | 1.26 | |
| Caja de cigüeñal | ||||
| 46 | 980920 | 32.78 | 39.66 | |
| Cigüeñal | ||||
| 47 | 318034 | 37.54 | 45.42 | |
| Bola de acero D4.76 (10 piezas) | ||||
| 48 | 959149 | 1.04 | 1.26 | |
| Cojinete de bolas 6202dducmps2s (antiguo 956937) | ||||
| 49 | 6202DD | 6.75 | 8.17 | |
| CUBIERTA | ||||
| 50 | 980871 | 3.65 | 4.42 | |
| Primera Engranaje | ||||
| 51 | 992902 | 15.26 | 18.47 | |
| Tornillo de bloqueo (con arandela sp.) M4x12 | ||||
| 52 | 987203 | 1.05 | 1.27 | |
| Muelle de embrague | ||||
| 53 | 992937 | 1.04 | 1.26 | |
| Eje de Acoplamiento | ||||
| 54 | 992938 | 5.40 | 6.53 | |
| Arandela de empuje | ||||
| 55 | 992506 | 1.04 | 1.26 | |
| STOPVEER | ||||
| 56 | 986276 | 1.38 | 1.67 | |
| Caja de engranajes | ||||
| 57 | 992925 | 37.95 | 45.92 | |
| Anillo de junta (S-26) | ||||
| 58 | 872470 | 1.65 | 2.00 | |
| Rodamiento de bolas 6000dducmps2s | ||||
| 59 | 6000DD | 6.00 | 7.26 | |
| ARMADURA 230V | ||||
| 60 | 360505E | 119.63 | 144.75 | |
| Ya no disponible, sin reemplazo | ||||
| 61 | 992509 | |||
| No hay información disponible, no se puede pedir | ||||
| 62 | 318035 | |||
| Punto de contacto del Portaescobillas | ||||
| 63 | 930630 | 1.35 | 1.63 | |
| PASADOR DE GOMA (ANTIGUO 976441) | ||||
| 64 | 946362 | 1.05 | 1.27 | |
| Rodamiento de bolas 626vvmc2erps2s | ||||
| 65 | 626VVM | 5.70 | 6.90 | |
| Perno M5x45 | ||||
| 66 | 980951 | 1.05 | 1.27 | |
| Portaescobillas (antiguo 931265) | ||||
| 67 | 990721 | 3.30 | 3.99 | |
| Cepillos de Carbón Autodesconectantes (2 Piezas) ( | ||||
| 68 | 999070 | 14.40 | 17.42 | |
| Tapa del cepillo de carbón (antiguo 960068) | ||||
| 69 | 937847 | 1.65 | 2.00 | |
| Tornillo de seguridad M4x8 | ||||
| 70 | 991207 | 1.04 | 1.26 | |
| VEERPLAAT | ||||
| 71 | 992936 | 1.74 | 2.11 | |
| Bola de acero D3.175 (10 piezas) | ||||
| 72 | 959148 | 1.05 | 1.27 | |
| Anillo O (s-8) | ||||
| 73 | 992912 | 1.05 | 1.27 | |
| Ass'y de palanca de cambio | ||||
| 74 | 302140 | 18.84 | 22.79 | |
| Guía de ventilador | ||||
| 75 | 992911 | 2.85 | 3.45 | |
| Stator Ass'y 220v incluido.63 para Tha | ||||
| 76 | 340451F | 82.50 | 99.82 | |
| Stator Ass'y 220v-240v incluido.63 | ||||
| 76 | 340451K | 69.55 | 84.16 | |
| ARANDELA | ||||
| 77 | 992500 | 1.04 | 1.26 | |
| Casa (antiguo 981140) | ||||
| 78 | 986812 | 41.80 | 50.58 | |
| Tornillo de ajuste hexagonal M5x8 | ||||
| 79 | 938477 | 1.05 | 1.27 | |
| Placa de cubierta | ||||
| 80 | 318031 | 6.45 | 7.80 | |
| No hay información disponible, no se puede pedir | ||||
| 81 | 309470 | |||
| Mango Dh25pa/pb | ||||
| 82 | 318018 | 19.94 | 24.12 | |
| TIRA | ||||
| 83 | 980900 | 1.04 | 1.26 | |
| Tornillo de roscado (con brida) D5x25 (negro) | ||||
| 84 | 305558 | 1.04 | 1.26 | |
| Casquillo roscado para cable | ||||
| 85 | 981373 | 1.05 | 1.27 | |
| Protector de cable D8.8 | ||||
| 86 | 380090 | 1.04 | 1.26 | |
| Casquillo del cable D10.1 | ||||
| 86 | 938051 | 1.04 | 1.26 | |
| Tornillo de Máquina M5x30 Negro | ||||
| 87A | 880881 | 1.05 | 1.27 | |
| Interruptor | ||||
| 88 | 318032 | 35.06 | 42.43 | |
| Interruptor | ||||
| 88 | 318033 | 35.06 | 42.43 | |
| Condensador (antiguo 930030/991313) | ||||
| 89 | 994273 | 4.29 | 5.19 | |
| Soporte de condensador | ||||
| 90 | 317492 | 1.65 | 2.00 | |
| Bloque de Terminal | ||||
| 91 | 938307 | 2.13 | 2.57 | |
| Cubierta del Mango | ||||
| 92 | 318019 | 19.94 | 24.12 | |
| Tornillo de roscado D4x20 con brida (negro) | ||||
| 93 | 301653 | 1.04 | 1.26 | |
| Tira de sujeción (antiguo 994566) | ||||
| 94 | 937631 | 1.04 | 1.26 | |
| No hay información disponible, no se puede pedir | ||||
| 95 | 984750 | |||
| Ya no disponible, sin reemplazo | ||||
| 96 | 500391Z | |||
| Cable 4m 2 X 1.0 H07rn-f W/conector 16a Cee Form 2 | ||||
| 96A | 500465Z | 37.95 | 45.92 | |
| No hay información disponible, no se puede pedir | ||||
| 501 | 971787 | |||
| No hay información disponible, no se puede pedir | ||||
| 502 | 980906 | |||
| No hay información disponible, no se puede pedir | ||||
| 503 | 980901 | |||
| Porta alicates | ||||
| 504 | 980905 | 1.35 | 1.63 | |
| Portamango | ||||
| 505 | 980902 | 7.05 | 8.53 | |
| Banda | ||||
| 506 | 980904 | 2.70 | 3.27 | |
| Tornillo cuadrado | ||||
| 507 | 980903 | 1.35 | 1.63 | |
| No hay información disponible, no se puede pedir | ||||
| 508 | 980939 | |||
| No hay información disponible, no se puede pedir | ||||
| 509 | 318307 | |||
| No hay información disponible, no se puede pedir | ||||
| 601 | 303571 | |||
| No hay información disponible, no se puede pedir | ||||
| 602 | 303572 | |||
| No hay información disponible, no se puede pedir | ||||
| 603 | 303573 | |||
| No hay información disponible, no se puede pedir | ||||
| 604 | 303574 | |||
| No hay información disponible, no se puede pedir | ||||
| 605 | 303575 | |||
| No hay información disponible, no se puede pedir | ||||
| 606 | 303578 | |||
| No hay información disponible, no se puede pedir | ||||
| 607 | 303576 | |||
| No hay información disponible, no se puede pedir | ||||
| 608 | 303577 | |||
| No hay información disponible, no se puede pedir | ||||
| 609 | 303579 | |||
| No hay información disponible, no se puede pedir | ||||
| 610 | 303580 | |||
| No hay información disponible, no se puede pedir | ||||
| 611 | 303581 | |||
| No hay información disponible, no se puede pedir | ||||
| 612 | 303582 | |||
| No hay información disponible, no se puede pedir | ||||
| 613 | 303583 | |||
| No hay información disponible, no se puede pedir | ||||
| 614 | 303584 | |||
| No hay información disponible, no se puede pedir | ||||
| 615 | 303585 | |||
| No hay información disponible, no se puede pedir | ||||
| 616 | 303586 | |||
| No hay información disponible, no se puede pedir | ||||
| 617 | 303587 | |||
| No hay información disponible, no se puede pedir | ||||
| 618 | 303588 | |||
| No hay información disponible, no se puede pedir | ||||
| 619 | 303604 | |||
| No hay información disponible, no se puede pedir | ||||
| 620 | 303589 | |||
| No hay información disponible, no se puede pedir | ||||
| 621 | 303605 | |||
| No hay información disponible, no se puede pedir | ||||
| 622 | 303590 | |||
| No hay información disponible, no se puede pedir | ||||
| 623 | 303591 | |||
| No hay información disponible, no se puede pedir | ||||
| 624 | 303606 | |||
| No hay información disponible, no se puede pedir | ||||
| 625 | 303592 | |||
| No hay información disponible, no se puede pedir | ||||
| 626 | 303607 | |||
| No hay información disponible, no se puede pedir | ||||
| 627 | 303593 | |||
| No hay información disponible, no se puede pedir | ||||
| 628 | 303608 | |||
| No hay información disponible, no se puede pedir | ||||
| 629 | 303594 | |||
| No hay información disponible, no se puede pedir | ||||
| 630 | 303595 | |||
| No hay información disponible, no se puede pedir | ||||
| 631 | 303596 | |||
| No hay información disponible, no se puede pedir | ||||
| 632 | 303609 | |||
| No hay información disponible, no se puede pedir | ||||
| 633 | 303597 | |||
| No hay información disponible, no se puede pedir | ||||
| 634 | 303610 | |||
| No hay información disponible, no se puede pedir | ||||
| 635 | 303598 | |||
| No hay información disponible, no se puede pedir | ||||
| 636 | 303599 | |||
| No hay información disponible, no se puede pedir | ||||
| 637 | 303611 | |||
| No hay información disponible, no se puede pedir | ||||
| 638 | 303600 | |||
| No hay información disponible, no se puede pedir | ||||
| 639 | 303601 | |||
| No hay información disponible, no se puede pedir | ||||
| 640 | 308485 | |||
| No hay información disponible, no se puede pedir | ||||
| 641 | 303602 | |||
| No hay información disponible, no se puede pedir | ||||
| 642 | 303612 | |||
| No hay información disponible, no se puede pedir | ||||
| 643 | 303603 | |||
| No hay información disponible, no se puede pedir | ||||
| 644 | 303613 | |||
| No hay información disponible, no se puede pedir | ||||
| 645 | 303614 | |||
| No hay información disponible, no se puede pedir | ||||
| 646 | 303615 | |||
| No hay información disponible, no se puede pedir | ||||
| 647 | 308486 | |||
| No hay información disponible, no se puede pedir | ||||
| 648 | 303616 | |||
| No hay información disponible, no se puede pedir | ||||
| 649 | 303619 | |||
| No hay información disponible, no se puede pedir | ||||
| 650 | 303620 | |||
| No hay información disponible, no se puede pedir | ||||
| 651 | 303624 | |||
| No hay información disponible, no se puede pedir | ||||
| 652 | 944460 | |||
| No hay información disponible, no se puede pedir | ||||
| 653 | 944461 | |||
| No hay información disponible, no se puede pedir | ||||
| 654 | 993038 | |||
| No hay información disponible, no se puede pedir | ||||
| 656 | 944500 | |||
| No hay información disponible, no se puede pedir | ||||
| 658 | 944464 | |||
| No hay información disponible, no se puede pedir | ||||
| 659 | 303617 | |||
| No hay información disponible, no se puede pedir | ||||
| 660 | 303618 | |||
| No hay información disponible, no se puede pedir | ||||
| 661 | 944477 | |||
| No hay información disponible, no se puede pedir | ||||
| 662 | 303332 | |||
| No hay información disponible, no se puede pedir | ||||
| 663 | 303334 | |||
| No hay información disponible, no se puede pedir | ||||
| 664 | 303335 | |||
| No hay información disponible, no se puede pedir | ||||
| 665 | 302976 | |||
| No hay información disponible, no se puede pedir | ||||
| 666 | 302975 | |||
| No hay información disponible, no se puede pedir | ||||
| 667 | 303621 | |||
| No hay información disponible, no se puede pedir | ||||
| 668 | 302974 | |||
| No hay información disponible, no se puede pedir | ||||
| 669 | 302979 | |||
| No hay información disponible, no se puede pedir | ||||
| 670 | 302978 | |||
| No hay información disponible, no se puede pedir | ||||
| 671 | 303622 | |||
| No hay información disponible, no se puede pedir | ||||
| 672 | 302977 | |||
| No hay información disponible, no se puede pedir | ||||
| 673 | 971794 | |||
| No hay información disponible, no se puede pedir | ||||
| 674 | 971795 | |||
| No hay información disponible, no se puede pedir | ||||
| 675 | 971796 | |||
| No hay información disponible, no se puede pedir | ||||
| 676 | 971797 | |||
| No hay información disponible, no se puede pedir | ||||
| 677 | 971798 | |||
| No hay información disponible, no se puede pedir | ||||
| 678 | 971799 | |||
| No hay información disponible, no se puede pedir | ||||
| 679 | 971800 | |||
| No hay información disponible, no se puede pedir | ||||
| 680 | 971801 | |||
| No hay información disponible, no se puede pedir | ||||
| 681 | 971802 | |||
| No hay información disponible, no se puede pedir | ||||
| 682 | 971803 | |||
| No hay información disponible, no se puede pedir | ||||
| 683 | 303044 | |||
| No hay información disponible, no se puede pedir | ||||
| 684 | 303045 | |||
| No hay información disponible, no se puede pedir | ||||
| 685 | 321813 | |||
| No hay información disponible, no se puede pedir | ||||
| 686 | 930515 | |||
| No hay información disponible, no se puede pedir | ||||
| 687 | 303623 | |||
| No hay información disponible, no se puede pedir | ||||
| 688 | 982672 | |||
| No hay información disponible, no se puede pedir | ||||
| 689 | 982673 | |||
| No hay información disponible, no se puede pedir | ||||
| 690 | 982674 | |||
| No hay información disponible, no se puede pedir | ||||
| 691 | 982675 | |||
| No hay información disponible, no se puede pedir | ||||
| 692 | 982676 | |||
| No hay información disponible, no se puede pedir | ||||
| 693 | 982677 | |||
| No hay información disponible, no se puede pedir | ||||
| 694 | 982678 | |||
| No hay información disponible, no se puede pedir | ||||
| 695 | 982679 | |||
| No hay información disponible, no se puede pedir | ||||
| 696 | 982680 | |||
| No hay información disponible, no se puede pedir | ||||
| 697 | 982681 | |||
| No hay información disponible, no se puede pedir | ||||
| 698 | 982686 | |||
| No hay información disponible, no se puede pedir | ||||
| 699 | 982687 | |||
| No hay información disponible, no se puede pedir | ||||
| 700 | 982688 | |||
| No hay información disponible, no se puede pedir | ||||
| 701 | 982689 | |||
| No hay información disponible, no se puede pedir | ||||
| 702 | 982690 | |||
| No hay información disponible, no se puede pedir | ||||
| 703 | 982691 | |||
| No hay información disponible, no se puede pedir | ||||
| 704 | 982692 | |||
| No hay información disponible, no se puede pedir | ||||
| 705 | 982693 | |||
| No hay información disponible, no se puede pedir | ||||
| 706 | 982684 | |||
| No hay información disponible, no se puede pedir | ||||
| 707 | 982685 | |||
| No hay información disponible, no se puede pedir | ||||
| 708 | 303625 | |||
| No hay información disponible, no se puede pedir | ||||
| 709 | 303626 | |||
| No hay información disponible, no se puede pedir | ||||
| 710 | 303627 | |||
| No hay información disponible, no se puede pedir | ||||
| 711 | 303046 | |||
| No hay información disponible, no se puede pedir | ||||
| 712 | 306885 | |||
| Adaptador de Enchufe (b) | ||||
| 713 | 306910 | 4.50 | 5.44 | |
| Grasa (tubo de 30 Gramos) | ||||
| 714 | 981840 | 8.40 | 10.16 | |
| Grasa para martillo. Taladro de martillo (70g) | ||||
| 715 | 308471 | 12.75 | 15.43 | |
| Grasa (bote de 500 gramos) | ||||
| 716 | 980927 | 73.01 | 88.35 | |