Aquí encontrará todas las piezas y dibujos técnicos disponibles de 'Hikoki DH28PBY'. Desde aquí podrá pedir todas las piezas deseadas directamente. Para muchas piezas de repuesto, es necesario pasar un pedido al fabricante. Dependiendo de la marca, el plazo de entrega puede variar entre una y cuatro semanas. Toda la información que tenemos está en nuestro sitio web. No podremos aconsejarle sobre lo que necesita hasta que entregue la máquina para su reparación. Tenga en cuenta lo siguiente a la hora de cursar su pedido:
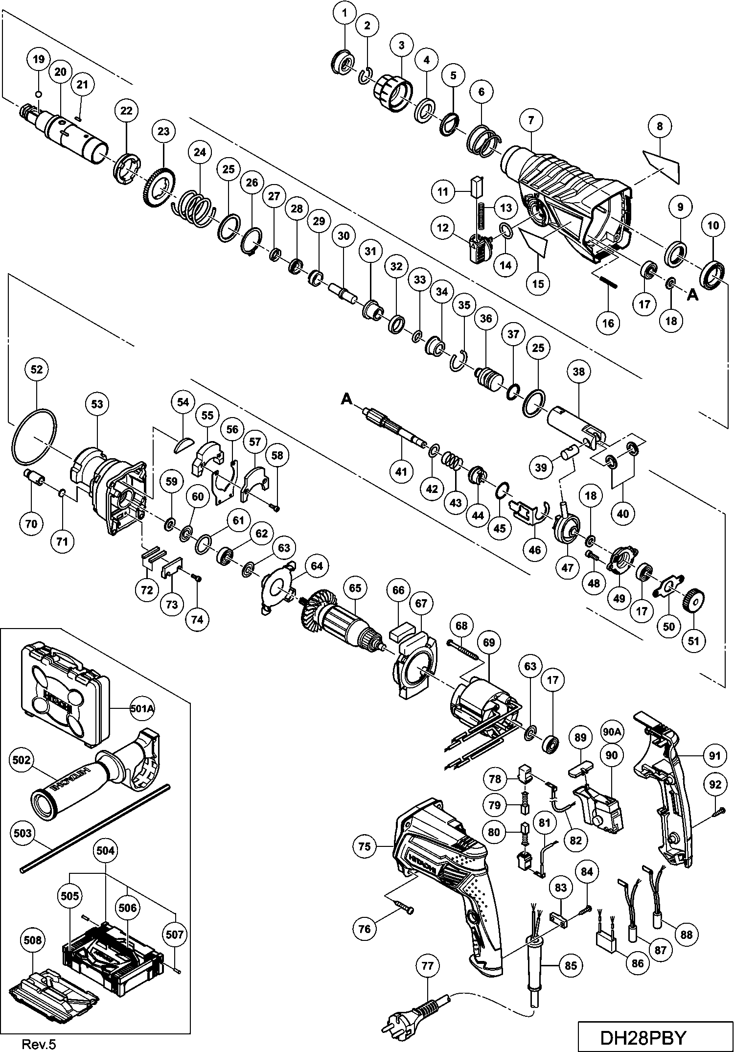
Dibujo técnico de los/las Hikoki DH28PBY
Lista de las piezas de repuesto de Hikoki DH28PBY
| Pos. | Descripción | Precio con el IVA excluido | Precio con el IVA incluido | |
| Los precios mostrados incluyen el IVA | ||||
| Capuchón frontal H45ma/h60ma/mb H45mr | ||||
| 1 | 322239 | 2.70 | 3.27 | |
| Anillo de bloqueo | ||||
| 2 | 306340 | 1.35 | 1.63 | |
| Empuñadura | ||||
| 3 | 324527 | 3.30 | 3.99 | |
| Soporte de bola | ||||
| 4 | 324528 | 6.45 | 7.80 | |
| Placa de soporte | ||||
| 5 | 324526 | 3.30 | 3.99 | |
| Muelle | ||||
| 6 | 322812 | 1.65 | 2.00 | |
| CUBIERTA DE LA CAJA DE ENGRANAJES | ||||
| 7 | 335258 | 19.80 | 23.96 | |
| Sello de aceite | ||||
| 9 | 335259 | 2.85 | 3.45 | |
| Rodamiento de bolas 6805dd | ||||
| 10 | 335260 | 3.30 | 3.99 | |
| Botón AGC 18 | ||||
| 11 | 322789 | 4.80 | 5.81 | |
| Palanca de cambio | ||||
| 12 | 334011 | 2.10 | 2.54 | |
| Muelle de empuje | ||||
| 13 | 317223 | 1.65 | 2.00 | |
| O-RING (S-18) | ||||
| 14 | 878885 | 1.05 | 1.27 | |
| Muelle (e) | ||||
| 16 | 335800 | 1.04 | 1.26 | |
| Rodamiento de bolas 608vvmc2eps2l | ||||
| 17 | 608VVM | 5.70 | 6.90 | |
| Arandela de Rodamiento | ||||
| 18 | 335250 | 1.04 | 1.26 | |
| Bola de acero D7.0 (10 Pcs.) | ||||
| 19 | 335300 | 1.04 | 1.26 | |
| CILINDRO | ||||
| 20 | 335261 | 22.28 | 26.95 | |
| PIN D2.5 | ||||
| 21 | 335264 | 1.04 | 1.26 | |
| Embrague del cilindro | ||||
| 22 | 335263 | 12.45 | 15.06 | |
| Segundo engranaje | ||||
| 23 | 335265 | 6.15 | 7.44 | |
| Resorte (a) | ||||
| 24 | 335266 | 1.50 | 1.82 | |
| Arandela | ||||
| 25 | 301679 | 1.20 | 1.45 | |
| Anillo de retención tipo C | ||||
| 26 | 948310 | 1.35 | 1.63 | |
| Retén de Aceite (A) | ||||
| 27 | 335262 | 1.80 | 2.18 | |
| Soporte de Martillo (c) | ||||
| 28 | 335268 | 9.60 | 11.62 | |
| Manga (fw) | ||||
| 29 | 335795 | 4.20 | 5.08 | |
| Segundo martillo | ||||
| 30 | 335269 | 3.90 | 4.72 | |
| Soporte de martillo (a) | ||||
| 31 | 335267 | 3.00 | 3.63 | |
| ANILLO DE AMORTIGUADOR (A) | ||||
| 32 | 322805 | 1.65 | 2.00 | |
| Anillo O (c) Dh40ma/mb/mr | ||||
| 33 | 322808 | 1.65 | 2.00 | |
| Soporte del amortiguador | ||||
| 34 | 324524 | 6.45 | 7.80 | |
| ANILLO TOPE | ||||
| 35 | 322807 | 1.65 | 2.00 | |
| Golpeador | ||||
| 36 | 335246 | 4.20 | 5.08 | |
| Anillo O D17 | ||||
| 37 | 335247 | 2.55 | 3.09 | |
| PISTÓN | ||||
| 38 | 335255 | 1.04 | 1.26 | |
| Pasador de pistón Dh 38ms | ||||
| 39 | 335793 | 3.15 | 3.81 | |
| Anillo de pistón | ||||
| 40 | 335794 | 1.20 | 1.45 | |
| Segundo eje | ||||
| 41 | 335248 | 6.15 | 7.44 | |
| Arandela (c) | ||||
| 42 | 335251 | 1.04 | 1.26 | |
| Resorte de embrague | ||||
| 43 | 323182 | 1.65 | 2.00 | |
| Embrague | ||||
| 44 | 335254 | 3.90 | 4.72 | |
| Arandela | ||||
| 45 | 331315 | 1.05 | 1.27 | |
| Placa de Cambio | ||||
| 46 | 335252 | 1.04 | 1.26 | |
| Rodamiento Recíproco | ||||
| 47 | 335249 | 13.65 | 16.52 | |
| Tornillo de cabeza de bloqueo M5x16 (antiguo 98450 | ||||
| 48 | 990079 | 1.05 | 1.27 | |
| Soporte de rodamiento | ||||
| 49 | 335270 | 11.40 | 13.79 | |
| Cubierta del rodamiento | ||||
| 50 | 335271 | 1.04 | 1.26 | |
| Primera Engranaje | ||||
| 51 | 335253 | 6.75 | 8.17 | |
| Anillo O D72.2 | ||||
| 52 | 335245 | 1.20 | 1.45 | |
| Cubierta interior | ||||
| 53 | 335798 | 9.75 | 11.80 | |
| Amortiguador de Peso (a) | ||||
| 54 | 335285 | 1.04 | 1.26 | |
| Peso (a) | ||||
| 55 | 335280 | 3.75 | 4.54 | |
| Resorte de hojas | ||||
| 56 | 335282 | 1.04 | 1.26 | |
| Peso (b) | ||||
| 57 | 335281 | 1.95 | 2.36 | |
| Tornillo de cabeza hexagonal Seal Lock M3x8 | ||||
| 58 | 325241 | 1.65 | 2.00 | |
| Empaque De Fieltro | ||||
| 59 | 322816 | 1.65 | 2.00 | |
| Arandela de empaquetadura para Wh14 | ||||
| 60 | 322818 | 3.30 | 3.99 | |
| O-ring (p-22) | ||||
| 61 | 876796 | 1.05 | 1.27 | |
| Rodamiento de bolas 608ddmc2eps2s | ||||
| 62 | 608DDM | 5.55 | 6.72 | |
| Arandela (a) | ||||
| 63 | 982631 | 1.04 | 1.26 | |
| Placa de cubierta | ||||
| 64 | 335279 | 1.04 | 1.26 | |
| ANKER 110-127 VOLT | ||||
| 65 | 360961U | 26.95 | 32.61 | |
| Inducido 220-230 Volt | ||||
| 65 | 360961E | 24.48 | 29.61 | |
| Amortiguador de peso (b) | ||||
| 66 | 335286 | 1.04 | 1.26 | |
| Guía del ventilador | ||||
| 67 | 335244 | 1.04 | 1.26 | |
| Tornillo de rosca hexagonal D4x50 | ||||
| 68 | 961672 | 1.04 | 1.26 | |
| VELD 110 VOLT | ||||
| 69 | 340827C | 19.80 | 23.96 | |
| Stator 220v-230v H-90sa Includ.103 Para Nzl,saf | ||||
| 69 | 340850E | 17.33 | 20.96 | |
| VELD 110-127 VOLT | ||||
| 69 | 340850C | 16.17 | 19.57 | |
| Capucha de Aire | ||||
| 70 | 334008 | 1.20 | 1.45 | |
| Empaque De Fieltro | ||||
| 71 | 324543 | 1.65 | 2.00 | |
| Amortiguador de Muelle | ||||
| 72 | 335284 | 1.04 | 1.26 | |
| Sostenedor de primavera | ||||
| 73 | 335283 | 1.04 | 1.26 | |
| Sello de bloqueo Tornillo Allen M4x12 | ||||
| 74 | 983162 | 1.05 | 1.27 | |
| Caja de carcasa DUO 110 - Conjunto | ||||
| 75 | 335241 | 9.60 | 11.62 | |
| TORNILLO M4X35 | ||||
| 76 | 301654 | 1.05 | 1.27 | |
| Cable 4m 2 X 1.0 H07rn-f W/conector 16a Cee Form 2 | ||||
| 77 | 500465Z | 37.95 | 45.92 | |
| Cable de 5m 2 X 1,0 W/Plug 13a/250v Para Gbr | ||||
| 77 | 500440Z | 20.49 | 24.79 | |
| Soporte de Cepillo de Carbono | ||||
| 78 | 955203 | 2.40 | 2.90 | |
| Escobilla de carbono (1 par) | ||||
| 79 | 999041 | 4.50 | 5.44 | |
| Cepillos de Carbón Autodesconectantes (2 Piezas) ( | ||||
| 80 | 999072 | 14.40 | 17.42 | |
| Cable interno (a) (azul) | ||||
| 81 | 324538 | 4.35 | 5.26 | |
| Cableado (a) Marrón | ||||
| 82 | 324537 | 4.35 | 5.26 | |
| Tira de sujeción (antiguo 994566) | ||||
| 83 | 937631 | 1.04 | 1.26 | |
| No hay información disponible, no se puede pedir | ||||
| 84 | 984750 | |||
| Protector de cable D8.8 | ||||
| 85 | 380090 | 1.04 | 1.26 | |
| Casquillo del cable D10.1 | ||||
| 85 | 938051 | 1.04 | 1.26 | |
| Condensador (antiguo 987178) | ||||
| 86 | 930039 | 1.95 | 2.36 | |
| Bobina de Ahogamiento (a) Marrón | ||||
| 87 | 335857 | 1.95 | 2.36 | |
| Bobina de estrangulación (a) Azul | ||||
| 88 | 324551 | 11.55 | 13.98 | |
| Botón de empuje | ||||
| 89 | 322853 | 1.05 | 1.27 | |
| Interruptor | ||||
| 90 | 335796 | 17.05 | 20.63 | |
| SCHAKELAAR 110-127 VOLT | ||||
| 90A | 337388 | 18.10 | 21.90 | |
| Cubierta del Mango | ||||
| 91 | 335242 | 4.35 | 5.26 | |
| Tornillo de roscado D4x20 con brida (negro) | ||||
| 92 | 301653 | 1.04 | 1.26 | |
| No hay información disponible, no se puede pedir | ||||
| 501A | 337257 | |||
| MANGO LATERAL | ||||
| 502 | 335273 | 8.85 | 10.71 | |
| No hay información disponible, no se puede pedir | ||||
| 503 | 310331 | |||
| No hay información disponible, no se puede pedir | ||||
| 504 | 337739 | |||
| No hay información disponible, no se puede pedir | ||||
| 505 | 336472 | |||
| Manija TSC 55 | ||||
| 506 | 318601 | 25.30 | 30.61 | |
| No hay información disponible, no se puede pedir | ||||
| 507 | 336474 | |||
| No hay información disponible, no se puede pedir | ||||
| 508 | 338872 | |||
| No hay información disponible, no se puede pedir | ||||
| 601 | 306885 | |||
| No hay información disponible, no se puede pedir | ||||
| 602 | 986802 | |||
| STOFVANGER | ||||
| 603 | 986803 | 6.54 | 7.91 | |
| SELLADO | ||||
| 604 | 986804 | 3.38 | 4.08 | |
| Anillo de retención tipo C | ||||
| 605 | 948310 | 1.35 | 1.63 | |
| RING | ||||
| 606 | 958063 | 1.00 | 1.21 | |
| Bola de acero D6.35 (10 piezas) | ||||
| 607 | 959150 | 1.35 | 1.63 | |
| OUTER RACE | ||||
| 608 | 986805 | 4.26 | 5.15 | |
| Punto de venta | ||||
| 609 | 986806 | 5.10 | 6.17 | |
| Adaptador de Enchufe (b) | ||||
| 610 | 306910 | 4.50 | 5.44 | |
| No hay información disponible, no se puede pedir | ||||
| 611 | 971787 | |||
| Ya no disponible, sin reemplazo | ||||
| 612 | 310778 | |||
| No hay información disponible, no se puede pedir | ||||
| 613 | 321814 | |||
| Tornillo de cabeza plana (mano izquierda) M6x20 | ||||
| 614 | 331966 | 6.75 | 8.17 | |
| No hay información disponible, no se puede pedir | ||||
| 615 | 321813 | |||
| No hay información disponible, no se puede pedir | ||||
| 616 | 971511Z | |||
| No hay información disponible, no se puede pedir | ||||
| 617 | 971512Z | |||
| No hay información disponible, no se puede pedir | ||||
| 618 | 944477 | |||
| No hay información disponible, no se puede pedir | ||||
| 619 | 982684 | |||
| No hay información disponible, no se puede pedir | ||||
| 620 | 982685 | |||
| No hay información disponible, no se puede pedir | ||||
| 621 | 982672 | |||
| No hay información disponible, no se puede pedir | ||||
| 622 | 982673 | |||
| No hay información disponible, no se puede pedir | ||||
| 623 | 982674 | |||
| No hay información disponible, no se puede pedir | ||||
| 624 | 982686 | |||
| No hay información disponible, no se puede pedir | ||||
| 625 | 982675 | |||
| No hay información disponible, no se puede pedir | ||||
| 626 | 982687 | |||
| No hay información disponible, no se puede pedir | ||||
| 627 | 982676 | |||
| No hay información disponible, no se puede pedir | ||||
| 628 | 982688 | |||
| No hay información disponible, no se puede pedir | ||||
| 629 | 982677 | |||
| No hay información disponible, no se puede pedir | ||||
| 630 | 982689 | |||
| No hay información disponible, no se puede pedir | ||||
| 631 | 982678 | |||
| No hay información disponible, no se puede pedir | ||||
| 632 | 982690 | |||
| No hay información disponible, no se puede pedir | ||||
| 633 | 971794 | |||
| No hay información disponible, no se puede pedir | ||||
| 634 | 971795 | |||
| No hay información disponible, no se puede pedir | ||||
| 635 | 971796 | |||
| No hay información disponible, no se puede pedir | ||||
| 636 | 971797 | |||
| No hay información disponible, no se puede pedir | ||||
| 637 | 971798 | |||
| No hay información disponible, no se puede pedir | ||||
| 638 | 971799 | |||
| No hay información disponible, no se puede pedir | ||||
| 639 | 971800 | |||
| No hay información disponible, no se puede pedir | ||||
| 640 | 971801 | |||
| No hay información disponible, no se puede pedir | ||||
| 641 | 971802 | |||
| No hay información disponible, no se puede pedir | ||||
| 642 | 971803 | |||
| No hay información disponible, no se puede pedir | ||||
| 643 | 944460 | |||
| No hay información disponible, no se puede pedir | ||||
| 644 | 944461 | |||
| No hay información disponible, no se puede pedir | ||||
| 645 | 993038 | |||
| No hay información disponible, no se puede pedir | ||||
| 647 | 944500 | |||
| No hay información disponible, no se puede pedir | ||||
| 649 | 944464 | |||
| No hay información disponible, no se puede pedir | ||||
| 650 | 320859 | |||
| No hay información disponible, no se puede pedir | ||||
| 651 | 303046 | |||
| No hay información disponible, no se puede pedir | ||||
| 652 | 303044 | |||
| No hay información disponible, no se puede pedir | ||||
| 653 | 303045 | |||
| Tornillo izquierdo M6x22 | ||||
| 654 | 981122 | 1.35 | 1.63 | |
| No hay información disponible, no se puede pedir | ||||
| 655 | 930515 | |||
| No hay información disponible, no se puede pedir | ||||
| 656 | 302976 | |||
| No hay información disponible, no se puede pedir | ||||
| 657 | 302975 | |||
| No hay información disponible, no se puede pedir | ||||
| 658 | 303621 | |||
| No hay información disponible, no se puede pedir | ||||
| 659 | 302974 | |||
| No hay información disponible, no se puede pedir | ||||
| 660 | 302979 | |||
| No hay información disponible, no se puede pedir | ||||
| 661 | 302978 | |||
| No hay información disponible, no se puede pedir | ||||
| 662 | 303622 | |||
| No hay información disponible, no se puede pedir | ||||
| 663 | 302977 | |||
| No hay información disponible, no se puede pedir | ||||
| 664 | 303332 | |||
| No hay información disponible, no se puede pedir | ||||
| 665 | 303334 | |||
| No hay información disponible, no se puede pedir | ||||
| 666 | 303335 | |||
| No hay información disponible, no se puede pedir | ||||
| 667 | 303617 | |||
| No hay información disponible, no se puede pedir | ||||
| 668 | 303618 | |||
| No hay información disponible, no se puede pedir | ||||
| 669 | 303619 | |||
| No hay información disponible, no se puede pedir | ||||
| 670 | 303620 | |||
| No hay información disponible, no se puede pedir | ||||
| 671 | 303625 | |||
| No hay información disponible, no se puede pedir | ||||
| 672 | 303626 | |||
| No hay información disponible, no se puede pedir | ||||
| 673 | 303627 | |||
| No hay información disponible, no se puede pedir | ||||
| 674 | 303624 | |||
| No hay información disponible, no se puede pedir | ||||
| 675 | 321825 | |||
| No hay información disponible, no se puede pedir | ||||
| 676 | 303623 | |||
| No hay información disponible, no se puede pedir | ||||
| 677 | 306370 | |||
| Grasa para Martillo Rotativo (500g) | ||||
| 678 | 335781 | 67.24 | 81.36 | |
| Grasa para Martillo Rotativo (60g) | ||||
| 679 | 335782 | 13.50 | 16.34 | |