Aquí encontrará todas las piezas y dibujos técnicos disponibles de 'Hikoki DH36DAL'. Desde aquí podrá pedir todas las piezas deseadas directamente. Para muchas piezas de repuesto, es necesario pasar un pedido al fabricante. Dependiendo de la marca, el plazo de entrega puede variar entre una y cuatro semanas. Toda la información que tenemos está en nuestro sitio web. No podremos aconsejarle sobre lo que necesita hasta que entregue la máquina para su reparación. Tenga en cuenta lo siguiente a la hora de cursar su pedido:
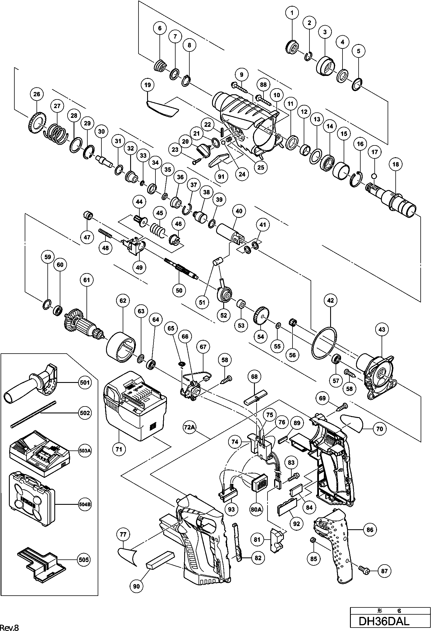
Dibujo técnico de los/las Hikoki DH36DAL
Lista de las piezas de repuesto de Hikoki DH36DAL
| Pos. | Descripción | Precio con el IVA excluido | Precio con el IVA incluido | |
| Los precios mostrados incluyen el IVA | ||||
| No hay información disponible, no se puede pedir | ||||
| 1 | 306345 | |||
| Anillo de bloqueo | ||||
| 2 | 306340 | 1.35 | 1.63 | |
| Agarre | ||||
| 3 | 323154 | 4.80 | 5.81 | |
| Soporte de bola | ||||
| 4 | 324528 | 6.45 | 7.80 | |
| Placa de soporte | ||||
| 5 | 324526 | 3.30 | 3.99 | |
| Muelle | ||||
| 6 | 322812 | 1.65 | 2.00 | |
| Arandela (b) Ds9dva/ds12dva/ds14dv Ds14dva/ds14dvb | ||||
| 7 | 984118 | 1.05 | 1.27 | |
| Anillo de retención D20 (10 piezas) | ||||
| 8 | 939547 | 3.90 | 4.72 | |
| Tornillo de roscado (con brida) D5x25 (negro) | ||||
| 9 | 305558 | 1.04 | 1.26 | |
| No hay información disponible, no se puede pedir | ||||
| 10 | 325555 | |||
| Sello de aceite | ||||
| 11 | 307688 | 3.90 | 4.72 | |
| MANGUITO EXCÉNTRICO | ||||
| 12 | 322815 | 1.65 | 2.00 | |
| Empaque De Fieltro | ||||
| 13 | 323232 | 1.65 | 2.00 | |
| No hay información disponible, no se puede pedir | ||||
| 14 | 6904DD | |||
| BUS (A) | ||||
| 15 | 324522 | 3.30 | 3.99 | |
| Arandela de resorte 37MM | ||||
| 16 | 322813 | 1.65 | 2.00 | |
| Bola de acero D7.0 (10 Pcs.) | ||||
| 17 | 959156 | 1.65 | 2.00 | |
| CILINDRO | ||||
| 18 | 323184 | 81.68 | 98.83 | |
| Placa de la marca (verde) | ||||
| 19 | 323172 | 4.05 | 4.90 | |
| Palanca de cambio | ||||
| 20 | 325551 | 4.20 | 5.08 | |
| O-RING (S-18) | ||||
| 21 | 878885 | 1.05 | 1.27 | |
| Empaque De Fieltro | ||||
| 22 | 325554 | 1.05 | 1.27 | |
| Tornillo de rosca D2.6x10 | ||||
| 23 | 323239 | 1.65 | 2.00 | |
| Bola de Acero D3.97 (10 unidades) | ||||
| 24 | 959155 | 1.04 | 1.26 | |
| Resorte (ver 984123) | ||||
| 25 | 981328 | 1.05 | 1.27 | |
| Segundo engranaje | ||||
| 26 | 323185 | 20.21 | 24.46 | |
| Resorte (a) Dh18vb | ||||
| 27 | 317233 | 7.35 | 8.89 | |
| Arandela (a) | ||||
| 28 | 317234 | 3.30 | 3.99 | |
| Anillo de retención D30 | ||||
| 29 | 317235 | 1.65 | 2.00 | |
| Segundo Martillo | ||||
| 30 | 324525 | 6.45 | 7.80 | |
| Anillo O (1ap-20) | ||||
| 31 | 944486 | 1.05 | 1.27 | |
| Soporte de Martillo | ||||
| 32 | 324523 | 11.55 | 13.98 | |
| Anillo O (b) | ||||
| 33 | 322802 | 3.30 | 3.99 | |
| ANILLO DE AMORTIGUADOR (A) | ||||
| 34 | 322805 | 1.65 | 2.00 | |
| Anillo O (c) Dh40ma/mb/mr | ||||
| 35 | 322808 | 1.65 | 2.00 | |
| Soporte del amortiguador | ||||
| 36 | 324524 | 6.45 | 7.80 | |
| ANILLO TOPE | ||||
| 37 | 322807 | 1.65 | 2.00 | |
| Golpeador | ||||
| 38 | 324535 | 10.20 | 12.34 | |
| Anillo O | ||||
| 39 | 322834 | 3.30 | 3.99 | |
| PISTÓN | ||||
| 40 | 324534 | 16.36 | 19.80 | |
| Arandela (c) | ||||
| 41 | 322799 | 1.65 | 2.00 | |
| Anillo O (i.d. 72) | ||||
| 42 | 325254 | 3.30 | 3.99 | |
| Cubierta interior | ||||
| 43 | 323157 | 21.45 | 25.95 | |
| Segundo engranaje | ||||
| 44 | 323181 | 18.15 | 21.96 | |
| Resorte de embrague | ||||
| 45 | 323182 | 1.65 | 2.00 | |
| Embrague | ||||
| 46 | 324606 | 14.03 | 16.97 | |
| Manga de piñón | ||||
| 47 | 323249 | 46.75 | 56.57 | |
| Resorte (c) | ||||
| 48 | 325556 | 1.50 | 1.82 | |
| Placa de bloqueo | ||||
| 49 | 325553 | 42.49 | 51.41 | |
| Segundo eje (a) | ||||
| 50 | 325552 | 28.60 | 34.61 | |
| Pasador del pistón | ||||
| 51 | 322798 | 1.65 | 2.00 | |
| Cojinete Alternativo | ||||
| 52 | 324533 | 37.95 | 45.92 | |
| Arandela | ||||
| 53 | 323152 | 4.80 | 5.81 | |
| Primera Engranaje | ||||
| 54 | 323153 | 20.76 | 25.12 | |
| Anillo de distancia AU 43 FF | ||||
| 55 | 301663 | 1.04 | 1.26 | |
| ENGANCHE | ||||
| 56 | 323170 | 5.40 | 6.53 | |
| Rodamiento de bolas 626vvmc2erps2s | ||||
| 57 | 626VVM | 5.70 | 6.90 | |
| Tornillo Autoperforante (con brida) D4x16 (negro) | ||||
| 58 | 305812 | 1.04 | 1.26 | |
| O-ring (p-22) | ||||
| 59 | 876796 | 1.05 | 1.27 | |
| Rodamiento de bolas 608ddmc2eps2s | ||||
| 60 | 608DDM | 5.55 | 6.72 | |
| Inducido Y PIÑÓN ASS'Y D.C. 36V INCLUD.50,54,57, | ||||
| 61 | 360801 | 68.48 | 82.85 | |
| Imán | ||||
| 62 | 323156 | 24.68 | 29.86 | |
| Arandela (a) | ||||
| 63 | 982631 | 1.04 | 1.26 | |
| Rodamiento de bolas 608ddmc2eps2s | ||||
| 64 | 608DDM | 5.55 | 6.72 | |
| Primavera | ||||
| 65 | 308536 | 1.65 | 2.00 | |
| Soporte de Cepillo de Carbono | ||||
| 66 | 323164 | 4.05 | 4.90 | |
| Escobillas de Carbón de Auto-Desconexión (2 Piezas | ||||
| 67 | 999090 | 14.40 | 17.42 | |
| Botón de empuje | ||||
| 68 | 328064 | 1.05 | 1.27 | |
| Tornillo autoperforante (con brida) D4x20 (negro) | ||||
| 69 | 302086 | 1.05 | 1.27 | |
| No hay información disponible, no se puede pedir | ||||
| 71 | 328036 | |||
| Caja (a).(b) Conjunto | ||||
| 72A | 328067 | 40.01 | 48.42 | |
| Interruptor | ||||
| 74 | 328058 | 22.83 | 27.62 | |
| Cableado interno (rojo) | ||||
| 75 | 323166 | 1.20 | 1.45 | |
| Cable interno (negro) 75l | ||||
| 76 | 323165 | 1.35 | 1.63 | |
| JUEGO DE TERMINALES DEL CONTROLADOR | ||||
| 80A | 328060 | 36.30 | 43.92 | |
| Disipador de Calor Cr24dv/dv24dv | ||||
| 81 | 319812 | 2.85 | 3.45 | |
| Perilla de cambio | ||||
| 82 | 323159 | 1.20 | 1.45 | |
| Tornillo de la máquina M3x12 | ||||
| 83 | 993963 | 1.05 | 1.27 | |
| Soporte de goma (hasta 04.2010) | ||||
| 84 | 313591 | 3.15 | 3.81 | |
| Tuerca M4 (10 Piezas) | ||||
| 85 | 949554 | 1.05 | 1.27 | |
| Empuñadura | ||||
| 86 | 323160 | 19.94 | 24.12 | |
| Tornillo de máquina M4x8 (10 piezas) | ||||
| 87 | 949215 | 1.05 | 1.27 | |
| Tornillo de golpeo (con brida) D5x30 (negro) | ||||
| 88 | 328707 | 1.05 | 1.27 | |
| Cojín C18dmr | ||||
| 89 | 328708 | 2.10 | 2.54 | |
| Junta | ||||
| 90 | 331415 | 1.20 | 1.45 | |
| Empaque (c) | ||||
| 91 | 333144 | 1.05 | 1.27 | |
| Cojín de goma | ||||
| 92 | 332668 | 2.10 | 2.54 | |
| Terminal de batería | ||||
| 93 | 333991 | 4.20 | 5.08 | |
| No hay información disponible, no se puede pedir | ||||
| 501 | 323155 | |||
| No hay información disponible, no se puede pedir | ||||
| 502 | 303709 | |||
| No hay información disponible, no se puede pedir | ||||
| 504A | 329319 | |||
| No hay información disponible, no se puede pedir | ||||
| 504B | 337815 | |||
| Tapa protectora para batería | ||||
| 505 | 329897 | 1.80 | 2.18 | |
| No hay información disponible, no se puede pedir | ||||
| 601 | 303332 | |||
| No hay información disponible, no se puede pedir | ||||
| 602 | 303334 | |||
| No hay información disponible, no se puede pedir | ||||
| 603 | 303335 | |||
| No hay información disponible, no se puede pedir | ||||
| 604 | 321825 | |||
| No hay información disponible, no se puede pedir | ||||
| 605 | 303623 | |||
| No hay información disponible, no se puede pedir | ||||
| 606 | 321814 | |||
| No hay información disponible, no se puede pedir | ||||
| 607 | 995344 | |||
| No hay información disponible, no se puede pedir | ||||
| 608 | 987576 | |||
| No hay información disponible, no se puede pedir | ||||
| 609 | 321813 | |||
| No hay información disponible, no se puede pedir | ||||
| 610 | 303334 | |||
| No hay información disponible, no se puede pedir | ||||
| 611 | 971787 | |||
| No hay información disponible, no se puede pedir | ||||
| 612 | 931844 | |||
| No hay información disponible, no se puede pedir | ||||
| 613 | 971511Z | |||
| No hay información disponible, no se puede pedir | ||||
| 614 | 971512Z | |||
| No hay información disponible, no se puede pedir | ||||
| 615 | 971794 | |||
| No hay información disponible, no se puede pedir | ||||
| 616 | 971795 | |||
| No hay información disponible, no se puede pedir | ||||
| 617 | 971796 | |||
| No hay información disponible, no se puede pedir | ||||
| 618 | 971797 | |||
| No hay información disponible, no se puede pedir | ||||
| 619 | 971798 | |||
| No hay información disponible, no se puede pedir | ||||
| 620 | 971799 | |||
| No hay información disponible, no se puede pedir | ||||
| 621 | 971800 | |||
| No hay información disponible, no se puede pedir | ||||
| 622 | 971801 | |||
| No hay información disponible, no se puede pedir | ||||
| 623 | 971802 | |||
| No hay información disponible, no se puede pedir | ||||
| 624 | 971803 | |||
| No hay información disponible, no se puede pedir | ||||
| 625 | 944477 | |||
| No hay información disponible, no se puede pedir | ||||
| 626 | 303617 | |||
| No hay información disponible, no se puede pedir | ||||
| 627 | 303619 | |||
| No hay información disponible, no se puede pedir | ||||
| 628 | 303620 | |||
| No hay información disponible, no se puede pedir | ||||
| 629 | 303624 | |||
| No hay información disponible, no se puede pedir | ||||
| 630 | 302976 | |||
| No hay información disponible, no se puede pedir | ||||
| 631 | 302975 | |||
| No hay información disponible, no se puede pedir | ||||
| 632 | 303621 | |||
| No hay información disponible, no se puede pedir | ||||
| 633 | 302974 | |||
| No hay información disponible, no se puede pedir | ||||
| 634 | 302979 | |||
| No hay información disponible, no se puede pedir | ||||
| 635 | 302978 | |||
| No hay información disponible, no se puede pedir | ||||
| 636 | 303622 | |||
| No hay información disponible, no se puede pedir | ||||
| 637 | 302977 | |||
| No hay información disponible, no se puede pedir | ||||
| 638 | 303044 | |||
| No hay información disponible, no se puede pedir | ||||
| 639 | 303045 | |||
| No hay información disponible, no se puede pedir | ||||
| 640 | 303625 | |||
| No hay información disponible, no se puede pedir | ||||
| 641 | 303626 | |||
| No hay información disponible, no se puede pedir | ||||
| 642 | 303627 | |||
| No hay información disponible, no se puede pedir | ||||
| 643 | 306885 | |||
| Adaptador de Enchufe (b) | ||||
| 644 | 306910 | 4.50 | 5.44 | |
| No hay información disponible, no se puede pedir | ||||
| 645 | 944460 | |||
| No hay información disponible, no se puede pedir | ||||
| 646 | 944461 | |||
| No hay información disponible, no se puede pedir | ||||
| 647 | 993038 | |||
| No hay información disponible, no se puede pedir | ||||
| 649 | 944500 | |||
| No hay información disponible, no se puede pedir | ||||
| 651 | 944464 | |||
| No hay información disponible, no se puede pedir | ||||
| 652 | 982672 | |||
| No hay información disponible, no se puede pedir | ||||
| 653 | 982673 | |||
| No hay información disponible, no se puede pedir | ||||
| 654 | 982674 | |||
| No hay información disponible, no se puede pedir | ||||
| 655 | 982686 | |||
| No hay información disponible, no se puede pedir | ||||
| 656 | 982675 | |||
| No hay información disponible, no se puede pedir | ||||
| 657 | 982687 | |||
| No hay información disponible, no se puede pedir | ||||
| 658 | 982676 | |||
| No hay información disponible, no se puede pedir | ||||
| 659 | 982688 | |||
| No hay información disponible, no se puede pedir | ||||
| 660 | 982677 | |||
| No hay información disponible, no se puede pedir | ||||
| 661 | 982689 | |||
| No hay información disponible, no se puede pedir | ||||
| 662 | 982678 | |||
| No hay información disponible, no se puede pedir | ||||
| 663 | 982690 | |||
| No hay información disponible, no se puede pedir | ||||
| 664 | 982684 | |||
| No hay información disponible, no se puede pedir | ||||
| 665 | 982685 | |||
| Grasa (tubo de 30 Gramos) | ||||
| 666 | 981840 | 8.40 | 10.16 | |
| Grasa para martillo. Taladro de martillo (70g) | ||||
| 667 | 308471 | 12.75 | 15.43 | |
| Grasa (bote de 500 gramos) | ||||
| 668 | 980927 | 73.01 | 88.35 | |
| No hay información disponible, no se puede pedir | ||||
| 669 | 303046 | |||
| No hay información disponible, no se puede pedir | ||||
| 670 | 325149 | |||