Aquí encontrará todas las piezas y dibujos técnicos disponibles de 'Hikoki DS12DAWEZ'. Desde aquí podrá pedir todas las piezas deseadas directamente. Para muchas piezas de repuesto, es necesario pasar un pedido al fabricante. Dependiendo de la marca, el plazo de entrega puede variar entre una y cuatro semanas. Toda la información que tenemos está en nuestro sitio web. No podremos aconsejarle sobre lo que necesita hasta que entregue la máquina para su reparación. Tenga en cuenta lo siguiente a la hora de cursar su pedido:
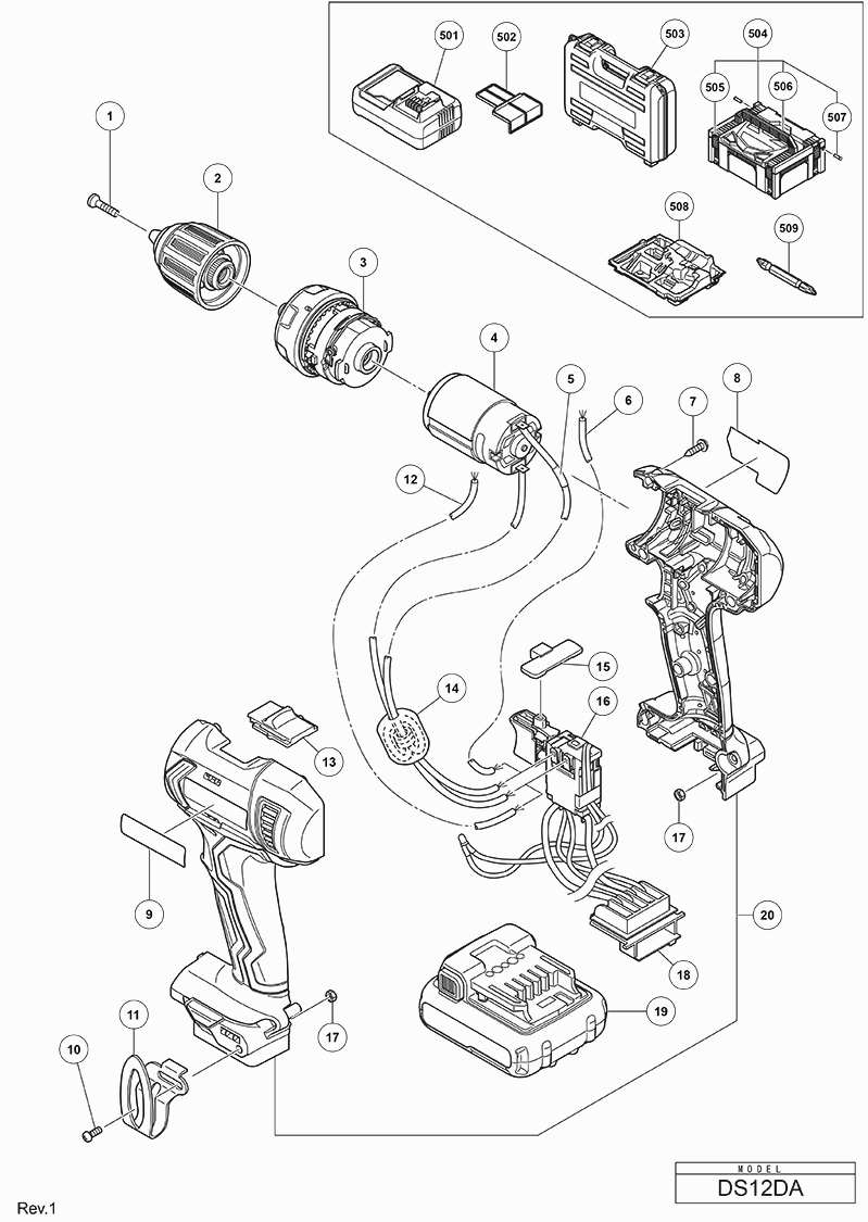
Dibujo técnico de los/las Hikoki DS12DAWEZ
Lista de las piezas de repuesto de Hikoki DS12DAWEZ
| Pos. | Descripción | Precio con el IVA excluido | Precio con el IVA incluido | |
| Los precios mostrados incluyen el IVA | ||||
| Hexalobular izquierdo M5 | ||||
| 1 | 337426 | 1.04 | 1.26 | |
| Mandril de taladro 10tlrm-n (sin llave de mandril) | ||||
| 2 | 337390 | 7.05 | 8.53 | |
| Embrague deslizante completo (D) | ||||
| 3 | 374938 | 21.18 | 25.62 | |
| JUEGO DE MOTORES | ||||
| 4 | 374937 | 9.75 | 11.80 | |
| Tubo | ||||
| 5 | 375587 | 1.20 | 1.45 | |
| No hay información disponible, no se puede pedir | ||||
| 6 | 375588 | |||
| Tornillo de roscar (con brida) D3x16 (negro) | ||||
| 7 | 313687 | 1.04 | 1.26 | |
| Tornillo Hd. Truss M4 (negro) Excepto Para Europa | ||||
| 10 | 337357 | 1.04 | 1.26 | |
| GANCHO | ||||
| 11 | 372229 | 2.85 | 3.45 | |
| No hay información disponible, no se puede pedir | ||||
| 12 | 375589 | |||
| POMO DEL CAMBIO | ||||
| 13 | 374382 | 1.04 | 1.26 | |
| JUEGO DE HILOS FERRITA INTERNOS | ||||
| 14 | 375590 | 2.70 | 3.27 | |
| Regulador (r+l) | ||||
| 15 | 329548 | 1.65 | 2.00 | |
| Interruptor variable | ||||
| 16 | 374935 | 13.50 | 16.34 | |
| Tuerca de bloqueo M4 (negro) | ||||
| 17 | 327002 | 1.80 | 2.18 | |
| TERMINAL DE LA BATERÍA | ||||
| 18 | 374387 | 1.80 | 2.18 | |
| No hay información disponible, no se puede pedir | ||||
| 19 | 375346 | |||
| No hay información disponible, no se puede pedir | ||||
| 20 | 374934 | |||
| Cubierta de la batería | ||||
| 502 | 374778 | 1.35 | 1.63 | |
| No hay información disponible, no se puede pedir | ||||
| 503 | 336642 | |||
| No hay información disponible, no se puede pedir | ||||
| 504 | 336471 | |||
| No hay información disponible, no se puede pedir | ||||
| 505 | 336472 | |||
| No hay información disponible, no se puede pedir | ||||
| 506 | 336473 | |||
| No hay información disponible, no se puede pedir | ||||
| 507 | 336474 | |||
| No hay información disponible, no se puede pedir | ||||
| 508 | 374779 | |||
| No hay información disponible, no se puede pedir | ||||
| 509 | 983006 | |||