Aquí encontrará todas las piezas y dibujos técnicos disponibles de 'Hikoki DS14DL'. Desde aquí podrá pedir todas las piezas deseadas directamente. Para muchas piezas de repuesto, es necesario pasar un pedido al fabricante. Dependiendo de la marca, el plazo de entrega puede variar entre una y cuatro semanas. Toda la información que tenemos está en nuestro sitio web. No podremos aconsejarle sobre lo que necesita hasta que entregue la máquina para su reparación. Tenga en cuenta lo siguiente a la hora de cursar su pedido:
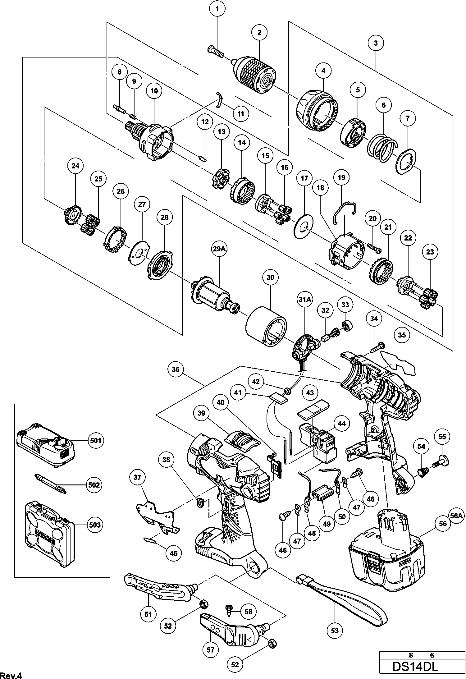
Dibujo técnico de los/las Hikoki DS14DL
Lista de las piezas de repuesto de Hikoki DS14DL
| Pos. | Descripción | Precio con el IVA excluido | Precio con el IVA incluido | |
| Los precios mostrados incluyen el IVA | ||||
| Tornillo especial (mano izquierda) M6x23 | ||||
| 1 | 311959 | 1.50 | 1.82 | |
| Boorkop | ||||
| 2 | 752065 | 52.50 | 63.52 | |
| Acoplamiento Deslizante Completo | ||||
| 3 | 322969 | 42.08 | 50.91 | |
| Capuchón frontal H45ma/h60ma/mb H45mr | ||||
| 4 | 322991 | 15.81 | 19.13 | |
| Sostenedor de primavera | ||||
| 5 | 322974 | 3.00 | 3.63 | |
| Muelle | ||||
| 6 | 323228 | 3.30 | 3.99 | |
| Anillo de bloqueo | ||||
| 7 | 322973 | 1.65 | 2.00 | |
| No hay información disponible, no se puede pedir | ||||
| 8 | 322972 | |||
| Muelle | ||||
| 9 | 322971 | 1.65 | 2.00 | |
| Caja frontal + eje | ||||
| 10 | 322970 | 40.84 | 49.41 | |
| Diafragma | ||||
| 11 | 323231 | 1.65 | 2.00 | |
| Juego de Pasadores (6 Piezas) | ||||
| 12 | 322975 | 19.94 | 24.12 | |
| No hay información disponible, no se puede pedir | ||||
| 13 | 322976 | |||
| Anillo de Engranaje | ||||
| 14 | 322977 | 7.05 | 8.53 | |
| Impulsor | ||||
| 15 | 322978 | 3.30 | 3.99 | |
| Juego de Engranajes (C) (5 Piezas) | ||||
| 16 | 322979 | 4.35 | 5.26 | |
| Arandela | ||||
| 17 | 322980 | 1.65 | 2.00 | |
| Caja de engranajes | ||||
| 18 | 322981 | 4.80 | 5.81 | |
| Brazo de Cambio | ||||
| 19 | 322990 | 1.65 | 2.00 | |
| Conjunto de tornillos D3x12 (6 piezas) | ||||
| 20 | 315817 | 6.45 | 7.80 | |
| Engranaje Deslizante | ||||
| 21 | 322983 | 6.45 | 7.80 | |
| Piñón (c) | ||||
| 22 | 322982 | 6.45 | 7.80 | |
| Juego de Engranajes (B) (5 Piezas) | ||||
| 23 | 322984 | 4.80 | 5.81 | |
| Piñón (b) | ||||
| 24 | 322985 | 4.80 | 5.81 | |
| Juego de Engranajes (A) (4 Piezas) | ||||
| 25 | 322987 | 3.30 | 3.99 | |
| Primera Engranaje de Anillo | ||||
| 26 | 322986 | 4.80 | 5.81 | |
| Arandela (b) Ds9dva/ds12dva/ds14dv Ds14dva/ds14dvb | ||||
| 27 | 322988 | 1.50 | 1.82 | |
| Separador del Motor | ||||
| 28 | 322989 | 3.30 | 3.99 | |
| Conjunto de Armadura y Piñón 14.4v | ||||
| 29A | 360976 | 23.51 | 28.45 | |
| Imán | ||||
| 30 | 322996 | 10.80 | 13.07 | |
| No hay información disponible, no se puede pedir | ||||
| 31 | 322993 | |||
| Bloque de cepillo excepto para Europa, kor | ||||
| 31A | 338733 | 11.70 | 14.16 | |
| Cepillos de carbono 5x6x11,5 (2 piezas) | ||||
| 32 | 999054 | 6.45 | 7.80 | |
| Tapa del cepillo | ||||
| 33 | 319918 | 3.30 | 3.99 | |
| Tornillo de roscar (con brida) D3x16 (negro) | ||||
| 34 | 313687 | 1.04 | 1.26 | |
| Caja (a).(b) Conjunto | ||||
| 36 | 326280 | 20.90 | 25.29 | |
| TIRA | ||||
| 37 | 326279 | 19.11 | 23.13 | |
| Deslizar * | ||||
| 38 | 326276 | 1.05 | 1.27 | |
| Perilla de cambio | ||||
| 39 | 324137 | 2.10 | 2.54 | |
| Deslizar * | ||||
| 40 | 326277 | 1.05 | 1.27 | |
| Soporte | ||||
| 41 | 326493 | 1.05 | 1.27 | |
| Núcleo de ferrita | ||||
| 42 | 323229 | 1.35 | 1.63 | |
| No hay información disponible, no se puede pedir | ||||
| 43 | 322997 | |||
| Interruptor de control de velocidad DC | ||||
| 44 | 333640 | 16.65 | 20.15 | |
| TORNILLO M4X35 | ||||
| 46 | 958715 | 1.04 | 1.26 | |
| Muelle | ||||
| 47 | 996118 | 2.55 | 3.09 | |
| Terminal Ds 14dmr | ||||
| 48 | 323003 | 1.05 | 1.27 | |
| Pieza terminal | ||||
| 49 | 320997 | 1.20 | 1.45 | |
| Terminal Ds 14dmr | ||||
| 50 | 322995 | 1.05 | 1.27 | |
| GANCHO | ||||
| 51 | 320287 | 4.80 | 5.81 | |
| Tuerca M5 | ||||
| 52 | 320288 | 1.65 | 2.00 | |
| Correa (negra) | ||||
| 53 | 306952 | 4.05 | 4.90 | |
| Resorte de gancho | ||||
| 54 | 319926 | 1.65 | 2.00 | |
| Tornillo especial (a) M5 | ||||
| 55 | 320881 | 1.65 | 2.00 | |
| No hay información disponible, no se puede pedir | ||||
| 56 | 326823 | |||
| No hay información disponible, no se puede pedir | ||||
| 56A | 326824 | |||
| No hay información disponible, no se puede pedir | ||||
| 57 | 321918 | |||
| Tornillo de rosca D2x6 | ||||
| 58 | 321672 | 1.65 | 2.00 | |
| No hay información disponible, no se puede pedir | ||||
| 502 | 983006 | |||
| No hay información disponible, no se puede pedir | ||||
| 503 | 323230 | |||
| No hay información disponible, no se puede pedir | ||||
| 601 | 323001 | |||