Aquí encontrará todas las piezas y dibujos técnicos disponibles de 'Hikoki DS18DFL'. Desde aquí podrá pedir todas las piezas deseadas directamente. Para muchas piezas de repuesto, es necesario pasar un pedido al fabricante. Dependiendo de la marca, el plazo de entrega puede variar entre una y cuatro semanas. Toda la información que tenemos está en nuestro sitio web. No podremos aconsejarle sobre lo que necesita hasta que entregue la máquina para su reparación. Tenga en cuenta lo siguiente a la hora de cursar su pedido:
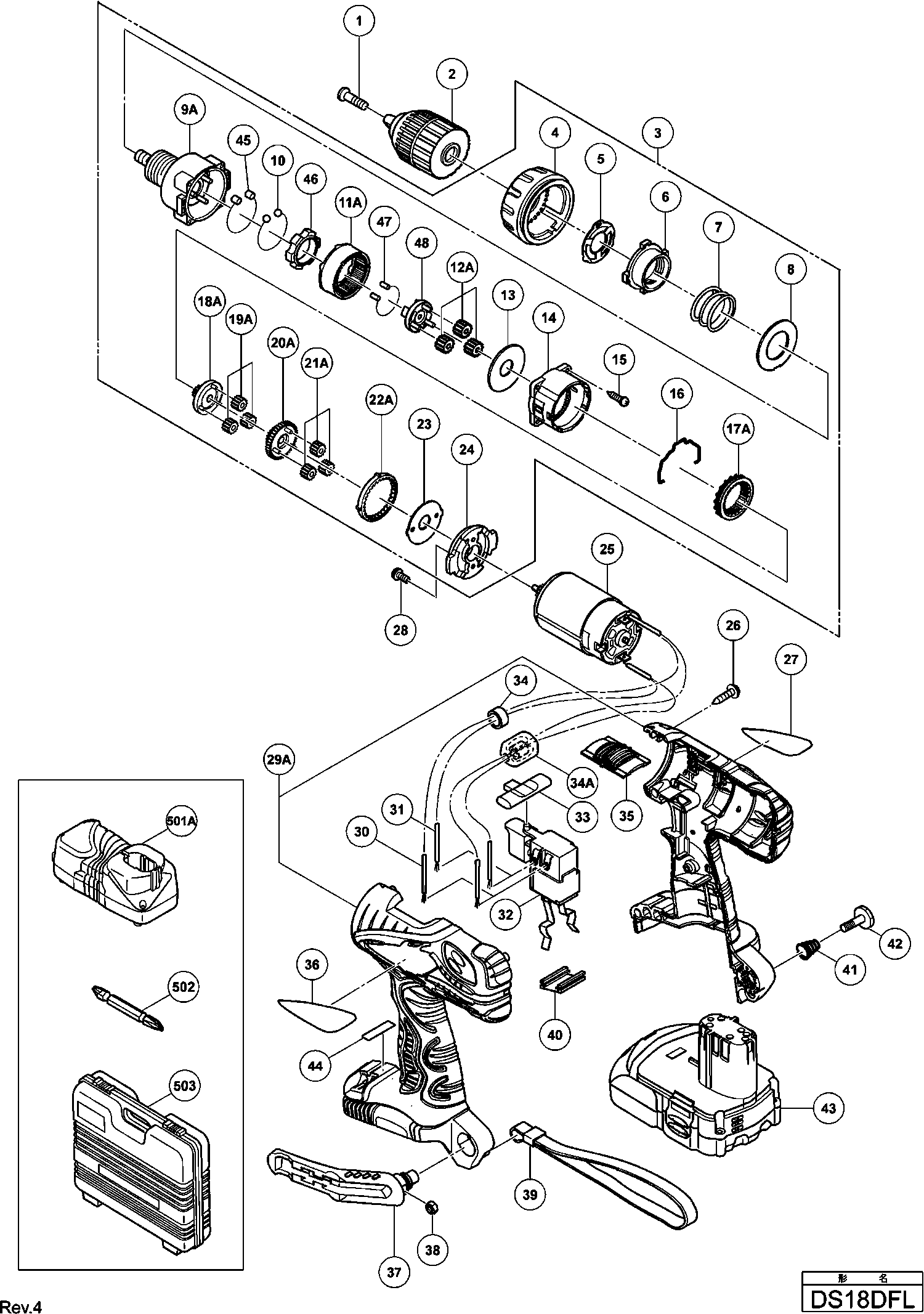
Dibujo técnico de los/las Hikoki DS18DFL
Lista de las piezas de repuesto de Hikoki DS18DFL
| Pos. | Descripción | Precio con el IVA excluido | Precio con el IVA incluido | |
| Los precios mostrados incluyen el IVA | ||||
| No hay información disponible, no se puede pedir | ||||
| *2 | 330733 | |||
| Caja (a).(b) Conjunto | ||||
| *29A | 324496 | 20.90 | 25.29 | |
| Acoplamiento Deslizante Completo | ||||
| *3 | 330801 | 76.04 | 92.01 | |
| Dial de embrague | ||||
| *4 | 330804 | 14.70 | 17.79 | |
| Caja Frontal | ||||
| *9 | 330802 | 42.76 | 51.74 | |
| Tornillo especial (mano izquierda) M6x23 | ||||
| 1 | 311959 | 1.50 | 1.82 | |
| No hay información disponible, no se puede pedir | ||||
| 2 | 330733 | |||
| Acoplamiento Deslizante Completo | ||||
| 3 | 330801 | 76.04 | 92.01 | |
| ENSAMBLAJE DE CAJA DE CAMBIOS (ANTIGUO 324490) | ||||
| 3A | 375873 | 22.41 | 27.12 | |
| Dial de embrague | ||||
| 4 | 330804 | 14.70 | 17.79 | |
| Dial de embrague | ||||
| 4 | 324114 | 6.45 | 7.80 | |
| Diafragma | ||||
| 5 | 324108 | 4.80 | 5.81 | |
| Porta Gorra | ||||
| 6 | 324109 | 3.30 | 3.99 | |
| Muelle | ||||
| 7 | 324110 | 3.30 | 3.99 | |
| Arandela (d) Cm12y | ||||
| 8 | 324347 | 3.30 | 3.99 | |
| Caja Frontal | ||||
| 9 | 330802 | 42.76 | 51.74 | |
| Caja frontal | ||||
| 9A | 333314 | 16.78 | 20.30 | |
| bola de acero | ||||
| 10 | 306936 | 1.05 | 1.27 | |
| Engranaje de Anillo | ||||
| 11A | 332027 | 5.03 | 6.08 | |
| Set de piñones planetarios (c) (3 piezas) | ||||
| 12A | 332028 | 3.38 | 4.08 | |
| Arandela (a) | ||||
| 13 | 324349 | 3.30 | 3.99 | |
| Caja de engranajes | ||||
| 14 | 324501 | 4.80 | 5.81 | |
| Tornillos de cabeza Phillips D3X12 (4 piezas) | ||||
| 15 | 324357 | 1.65 | 2.00 | |
| Brazo de Cambio | ||||
| 16 | 324115 | 3.30 | 3.99 | |
| Engranaje Deslizante | ||||
| 17A | 332030 | 6.68 | 8.08 | |
| Piñón (c) | ||||
| 18A | 332029 | 3.38 | 4.08 | |
| Set de Engranaje Planetario (b) (3 Pcs) | ||||
| 19A | 332031 | 1.73 | 2.09 | |
| Piñón (b) | ||||
| 20A | 332032 | 3.38 | 4.08 | |
| Set de Engranaje Planetario (a) (3 Pcs) | ||||
| 21A | 332034 | 3.38 | 4.08 | |
| Primera Engranaje de Anillo | ||||
| 22A | 332033 | 3.38 | 4.08 | |
| Arandela (b) Ds9dva/ds12dva/ds14dv Ds14dva/ds14dvb | ||||
| 23 | 324355 | 3.30 | 3.99 | |
| No hay información disponible, no se puede pedir | ||||
| 24 | 324495 | |||
| Separador del Motor | ||||
| 24A | 332035 | 1.73 | 2.09 | |
| No hay información disponible, no se puede pedir | ||||
| 25 | 324497 | |||
| MOTOR DC 18V (ANTIGUO 324497) | ||||
| 25A | 371191 | 23.79 | 28.78 | |
| Tornillo de roscar (con brida) D3x16 (negro) | ||||
| 26 | 313687 | 1.04 | 1.26 | |
| Tornillo Máquina (con Arandela sp.) M4x6 | ||||
| 28 | 317333 | 1.50 | 1.82 | |
| Caja (a).(b) Conjunto | ||||
| 29A | 324496 | 20.90 | 25.29 | |
| Cable Interno (negro) 100l Excepto Europa (hasta | ||||
| 30 | 319759 | 1.05 | 1.27 | |
| Cableado interno rojo 140L | ||||
| 31 | 324499 | 1.05 | 1.27 | |
| Interruptor Ds14dvf3 hasta 12.2007 | ||||
| 32 | 324498 | 25.30 | 30.61 | |
| Botón de empuje | ||||
| 33 | 324117 | 1.05 | 1.27 | |
| Núcleo de ferrita | ||||
| 34 | 323229 | 1.35 | 1.63 | |
| JUEGO DE HILOS FERRITA INTERNOS | ||||
| 34A | 334856 | 3.15 | 3.81 | |
| Perilla de cambio | ||||
| 35 | 324116 | 1.05 | 1.27 | |
| GANCHO | ||||
| 37 | 320287 | 4.80 | 5.81 | |
| Tuerca M5 | ||||
| 38 | 320288 | 1.65 | 2.00 | |
| Correa (negra) | ||||
| 39 | 306952 | 4.05 | 4.90 | |
| Soporte | ||||
| 40 | 315141 | 1.20 | 1.45 | |
| Resorte de gancho | ||||
| 41 | 319926 | 1.65 | 2.00 | |
| Tornillo especial (a) M5 | ||||
| 42 | 320881 | 1.65 | 2.00 | |
| No hay información disponible, no se puede pedir | ||||
| 43 | 327731 | |||
| Conjunto de rodillos | ||||
| 45 | 330803 | 6.75 | 8.17 | |
| Anillo, Retención | ||||
| 46 | 330805 | 14.03 | 16.97 | |
| Set de rodillos de aguja (a) (6 piezas) | ||||
| 47 | 330806 | 6.75 | 8.17 | |
| Impulsor | ||||
| 48 | 330807 | 9.75 | 11.80 | |
| No hay información disponible, no se puede pedir | ||||
| 502 | 983006 | |||
| No hay información disponible, no se puede pedir | ||||
| 503 | 327727 | |||