Aquí encontrará todas las piezas y dibujos técnicos disponibles de 'Hikoki DS18DGL'. Desde aquí podrá pedir todas las piezas deseadas directamente. Para muchas piezas de repuesto, es necesario pasar un pedido al fabricante. Dependiendo de la marca, el plazo de entrega puede variar entre una y cuatro semanas. Toda la información que tenemos está en nuestro sitio web. No podremos aconsejarle sobre lo que necesita hasta que entregue la máquina para su reparación. Tenga en cuenta lo siguiente a la hora de cursar su pedido:
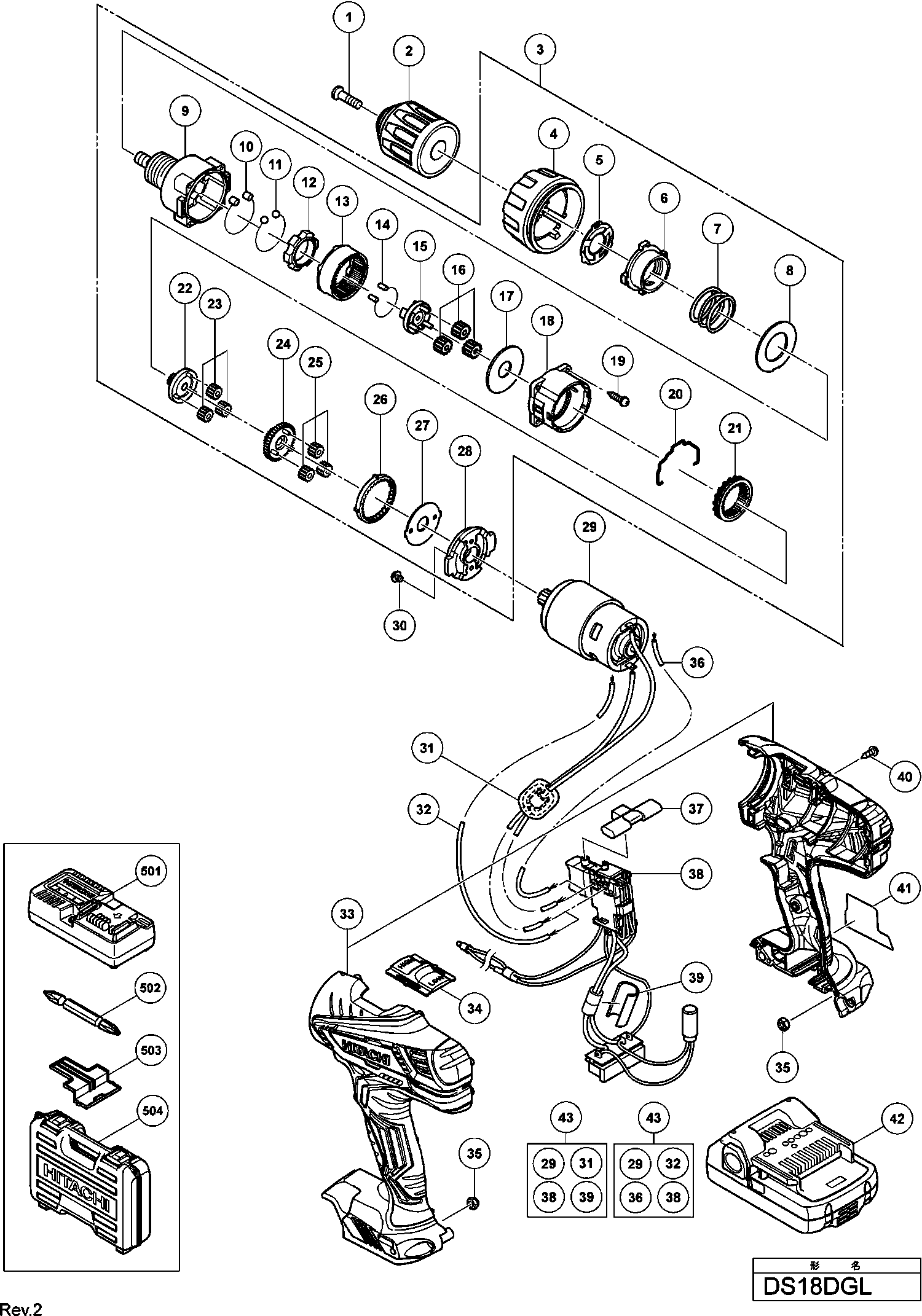
Dibujo técnico de los/las Hikoki DS18DGL
Lista de las piezas de repuesto de Hikoki DS18DGL
| Pos. | Descripción | Precio con el IVA excluido | Precio con el IVA incluido | |
| Los precios mostrados incluyen el IVA | ||||
| Anillo, Retención | ||||
| *12 | 330805 | 14.03 | 16.97 | |
| Engranaje de Anillo | ||||
| *13 | 332027 | 5.03 | 6.08 | |
| Impulsor | ||||
| *15 | 330807 | 9.75 | 11.80 | |
| Set de piñones planetarios (c) (3 piezas) | ||||
| *16 | 332028 | 3.38 | 4.08 | |
| Arandela (a) | ||||
| *17 | 324349 | 3.30 | 3.99 | |
| Caja de engranajes | ||||
| *18 | 324501 | 4.80 | 5.81 | |
| No hay información disponible, no se puede pedir | ||||
| *2 | 336859 | |||
| Brazo de Cambio | ||||
| *20 | 324115 | 3.30 | 3.99 | |
| Engranaje Deslizante | ||||
| *21 | 332030 | 6.68 | 8.08 | |
| Piñón (c) | ||||
| *22 | 332029 | 3.38 | 4.08 | |
| Set de Engranaje Planetario (b) (3 Pcs) | ||||
| *23 | 332031 | 1.73 | 2.09 | |
| Piñón (b) | ||||
| *24 | 332032 | 3.38 | 4.08 | |
| Set de Engranaje Planetario (a) (3 Pcs) | ||||
| *25 | 332034 | 3.38 | 4.08 | |
| Primera Engranaje de Anillo | ||||
| *26 | 332033 | 3.38 | 4.08 | |
| Arandela (b) Ds9dva/ds12dva/ds14dv Ds14dva/ds14dvb | ||||
| *27 | 324355 | 3.30 | 3.99 | |
| Separador del Motor | ||||
| *28 | 332035 | 1.73 | 2.09 | |
| No hay información disponible, no se puede pedir | ||||
| *3 | 336853 | |||
| Caja (a).(b) Conjunto | ||||
| *33B | 336851 | 10.20 | 12.34 | |
| No hay información disponible, no se puede pedir | ||||
| *4 | 336854 | |||
| No hay información disponible, no se puede pedir | ||||
| *42 | 333353M | |||
| Primavera click | ||||
| *5 | 332741 | 8.33 | 10.07 | |
| Porta Gorra | ||||
| *6 | 324109 | 3.30 | 3.99 | |
| Muelle | ||||
| *7 | 324110 | 3.30 | 3.99 | |
| Arandela (d) Cm12y | ||||
| *8 | 324347 | 3.30 | 3.99 | |
| Caja Frontal | ||||
| *9 | 330802 | 42.76 | 51.74 | |
| Tornillo especial (mano izquierda) M6x23 | ||||
| 1 | 311959 | 1.50 | 1.82 | |
| No hay información disponible, no se puede pedir | ||||
| 2 | 336859 | |||
| No hay información disponible, no se puede pedir | ||||
| 3 | 336853 | |||
| No hay información disponible, no se puede pedir | ||||
| 4 | 336854 | |||
| Primavera click | ||||
| 5 | 332741 | 8.33 | 10.07 | |
| Porta Gorra | ||||
| 6 | 324109 | 3.30 | 3.99 | |
| Muelle | ||||
| 7 | 324110 | 3.30 | 3.99 | |
| Arandela (d) Cm12y | ||||
| 8 | 324347 | 3.30 | 3.99 | |
| Caja Frontal | ||||
| 9 | 330802 | 42.76 | 51.74 | |
| Conjunto de rodillos | ||||
| 10 | 330803 | 6.75 | 8.17 | |
| bola de acero | ||||
| 11 | 306936 | 1.05 | 1.27 | |
| Anillo, Retención | ||||
| 12 | 330805 | 14.03 | 16.97 | |
| Engranaje de Anillo | ||||
| 13 | 332027 | 5.03 | 6.08 | |
| Set de rodillos de aguja (a) (6 piezas) | ||||
| 14 | 330806 | 6.75 | 8.17 | |
| Impulsor | ||||
| 15 | 330807 | 9.75 | 11.80 | |
| Set de piñones planetarios (c) (3 piezas) | ||||
| 16 | 332028 | 3.38 | 4.08 | |
| Arandela (a) | ||||
| 17 | 324349 | 3.30 | 3.99 | |
| Caja de engranajes | ||||
| 18 | 324501 | 4.80 | 5.81 | |
| Tornillos de cabeza Phillips D3X12 (4 piezas) | ||||
| 19 | 324357 | 1.65 | 2.00 | |
| Brazo de Cambio | ||||
| 20 | 324115 | 3.30 | 3.99 | |
| Engranaje Deslizante | ||||
| 21 | 332030 | 6.68 | 8.08 | |
| Piñón (c) | ||||
| 22 | 332029 | 3.38 | 4.08 | |
| Set de Engranaje Planetario (b) (3 Pcs) | ||||
| 23 | 332031 | 1.73 | 2.09 | |
| Piñón (b) | ||||
| 24 | 332032 | 3.38 | 4.08 | |
| Set de Engranaje Planetario (a) (3 Pcs) | ||||
| 25 | 332034 | 3.38 | 4.08 | |
| Primera Engranaje de Anillo | ||||
| 26 | 332033 | 3.38 | 4.08 | |
| Arandela (b) Ds9dva/ds12dva/ds14dv Ds14dva/ds14dvb | ||||
| 27 | 324355 | 3.30 | 3.99 | |
| Separador del Motor | ||||
| 28 | 332035 | 1.73 | 2.09 | |
| MOTOR DC 18V (ANTIGUO 324497) | ||||
| 29A | 371191 | 23.79 | 28.78 | |
| Tornillo Máquina (con Arandela sp.) M4x6 | ||||
| 30 | 317333 | 1.50 | 1.82 | |
| Caja (a).(b) Conjunto | ||||
| 33 | 336851 | 10.20 | 12.34 | |
| Perilla de cambio | ||||
| 34 | 336855 | 1.05 | 1.27 | |
| Tuerca de bloqueo M4 (negro) | ||||
| 35 | 327002 | 1.80 | 2.18 | |
| Botón AGC 18 | ||||
| 37 | 336856 | 1.05 | 1.27 | |
| Conjunto de terminales del interruptor | ||||
| 38 | 336632 | 23.38 | 28.28 | |
| Soporte | ||||
| 39 | 337137 | 1.04 | 1.26 | |
| Tornillo de roscar (con brida) D3x16 (negro) | ||||
| 40 | 313687 | 1.04 | 1.26 | |
| No hay información disponible, no se puede pedir | ||||
| 42 | 333353 | |||
| No hay información disponible, no se puede pedir | ||||
| 43A | 371192 | |||
| No hay información disponible, no se puede pedir | ||||
| 43B | 371192 | |||
| No hay información disponible, no se puede pedir | ||||
| 502 | 983006 | |||
| Tapa protectora para batería | ||||
| 503 | 329897 | 1.80 | 2.18 | |
| No hay información disponible, no se puede pedir | ||||
| 504 | 336642 | |||
| No hay información disponible, no se puede pedir | ||||
| 601 | 955657 | |||
| No hay información disponible, no se puede pedir | ||||
| 602 | 955659 | |||
| No hay información disponible, no se puede pedir | ||||
| 603 | 955674 | |||
| No hay información disponible, no se puede pedir | ||||
| 604 | 983004 | |||
| No hay información disponible, no se puede pedir | ||||
| 605 | 983011 | |||
| Juego de Ganchos | ||||
| 606 | 337131 | 3.75 | 4.54 | |
| Correa (negra) | ||||
| 607 | 306952 | 4.05 | 4.90 | |