Aquí encontrará todas las piezas y dibujos técnicos disponibles de 'Hikoki DS18DL2'. Desde aquí podrá pedir todas las piezas deseadas directamente. Para muchas piezas de repuesto, es necesario pasar un pedido al fabricante. Dependiendo de la marca, el plazo de entrega puede variar entre una y cuatro semanas. Toda la información que tenemos está en nuestro sitio web. No podremos aconsejarle sobre lo que necesita hasta que entregue la máquina para su reparación. Tenga en cuenta lo siguiente a la hora de cursar su pedido:
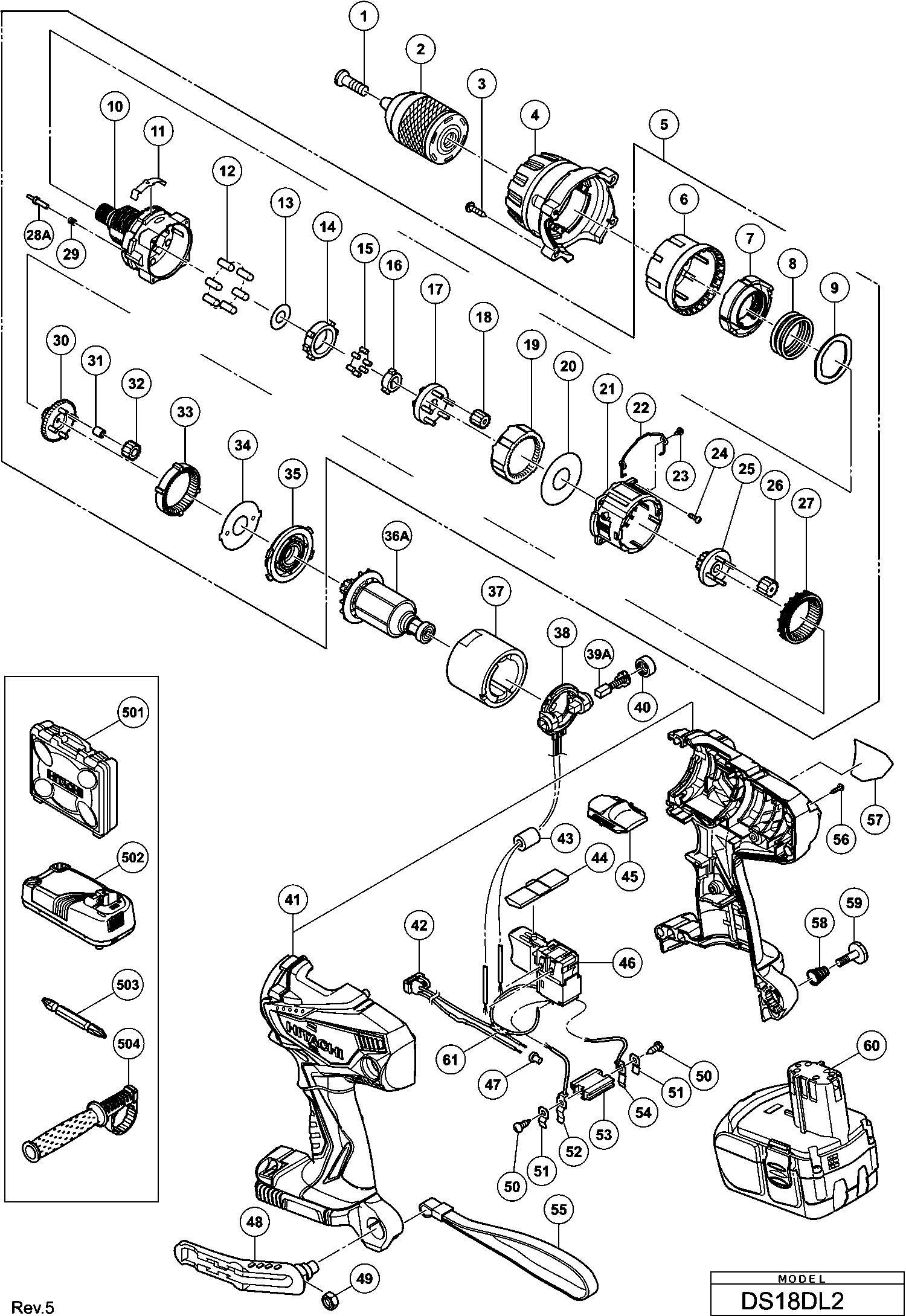
Dibujo técnico de los/las Hikoki DS18DL2
Lista de las piezas de repuesto de Hikoki DS18DL2
| Pos. | Descripción | Precio con el IVA excluido | Precio con el IVA incluido | |
| Los precios mostrados incluyen el IVA | ||||
| No hay información disponible, no se puede pedir | ||||
| 1 | 330588 | |||
| TORNILLO ESPECIAL M6 (ROSCA IZQUIERDA) | ||||
| 1A | 330094 | 1.05 | 1.27 | |
| Boorkop | ||||
| 2 | 752065 | 52.50 | 63.52 | |
| No hay información disponible, no se puede pedir | ||||
| 2A | 370890 | |||
| No hay información disponible, no se puede pedir | ||||
| 2B | 375222 | |||
| Tornillo de chapa (con arandela sp) D3x20 (negro) | ||||
| 3 | 334473 | 1.20 | 1.45 | |
| Tapa | ||||
| 4 | 334429 | 19.11 | 23.13 | |
| Acoplamiento Deslizante Completo | ||||
| 5 | 334430 | 115.91 | 140.25 | |
| Porta Esfera (a) | ||||
| 6 | 334431 | 9.00 | 10.89 | |
| Porta Gorra | ||||
| 7 | 331881 | 1.73 | 2.09 | |
| Resorte (a) Dh18vb | ||||
| 8 | 334432 | 3.45 | 4.17 | |
| Anillo de bloqueo | ||||
| 9 | 334433 | 3.45 | 4.17 | |
| Caja Frontal | ||||
| 10 | 334434 | 73.29 | 88.68 | |
| Primavera click | ||||
| 11 | 333516 | 1.80 | 2.18 | |
| Juego de Pasadores (6 Piezas) | ||||
| 12 | 333539 | 8.10 | 9.80 | |
| Arandela (a) | ||||
| 13 | 331909 | 1.73 | 2.09 | |
| Anillo, Retención | ||||
| 14 | 331903 | 7.35 | 8.89 | |
| Set de rodillos de aguja (6 piezas) | ||||
| 15 | 331888 | 1.73 | 2.09 | |
| Leva de bloqueo | ||||
| 16 | 331904 | 1.73 | 2.09 | |
| Impulsor | ||||
| 17 | 333517 | 5.10 | 6.17 | |
| Juego de Engranajes (C) (5 Piezas) | ||||
| 18 | 333518 | 3.45 | 4.17 | |
| Engranaje de Anillo | ||||
| 19 | 333519 | 8.10 | 9.80 | |
| Arandela (a) | ||||
| 20 | 331892 | 1.73 | 2.09 | |
| Caja de engranajes | ||||
| 21 | 331893 | 3.45 | 4.17 | |
| Brazo de Cambio | ||||
| 22 | 331894 | 1.73 | 2.09 | |
| Juego de Tornillos D2x3.5 (2 Pcs.) | ||||
| 23 | 330579 | 1.88 | 2.27 | |
| Conjunto de Tornillos M3x12 (4 Piezas) | ||||
| 24 | 320087 | 5.10 | 6.17 | |
| Piñón (c) | ||||
| 25 | 331897 | 6.68 | 8.08 | |
| Juego de Engranajes (B) (4 Piezas) | ||||
| 26 | 333520 | 3.45 | 4.17 | |
| Engranaje Deslizante | ||||
| 27 | 333521 | 5.10 | 6.17 | |
| Tope (a) | ||||
| 28 | 335296 | 1.80 | 2.18 | |
| Muelle | ||||
| 29 | 333523 | 1.80 | 2.18 | |
| Piñón (b) | ||||
| 30 | 333524 | 3.45 | 4.17 | |
| Set de rodamientos de aguja (4 Pcs.) | ||||
| 31 | 331926 | 8.03 | 9.71 | |
| Juego de Engranajes (A) (4 Piezas) | ||||
| 32 | 334441 | 6.75 | 8.17 | |
| Primera Engranaje de Anillo | ||||
| 33 | 334435 | 5.10 | 6.17 | |
| Arandela (b) Ds9dva/ds12dva/ds14dv Ds14dva/ds14dvb | ||||
| 34 | 322988 | 1.50 | 1.82 | |
| Separador del Motor | ||||
| 35 | 331902 | 1.73 | 2.09 | |
| Set de armadura y piñón 18v | ||||
| 36A | 360975 | 23.51 | 28.45 | |
| Imán | ||||
| 37 | 334442 | 20.90 | 25.29 | |
| Bloque de cepillo completo | ||||
| 38 | 334436 | 11.55 | 13.98 | |
| Cepillos de carbono 5x6x11,5 (2 piezas) | ||||
| 39 | 999054 | 6.45 | 7.80 | |
| Escobillas de Carbono (2 Piezas) | ||||
| 39A | 999101 | 2.70 | 3.27 | |
| Tapa del cepillo | ||||
| 40 | 319918 | 3.30 | 3.99 | |
| Caja de carcasa DUO 110 - Conjunto | ||||
| 41 | 334448 | 17.19 | 20.80 | |
| Caja de carcasa DUO 110 - Conjunto | ||||
| 41B | 334448 | 17.19 | 20.80 | |
| Soporte de led | ||||
| 42 | 334449 | 10.20 | 12.34 | |
| Núcleo de ferrita | ||||
| 43 | 334443 | 2.10 | 2.54 | |
| Botón AGC 18 | ||||
| 44 | 331907 | 1.13 | 1.36 | |
| Deslizador de interruptor alto/bajo | ||||
| 45 | 334267 | 7.35 | 8.89 | |
| Interruptor | ||||
| 46 | 334451 | 28.60 | 34.61 | |
| Terminal de soldadura 50091 (10 piezas) | ||||
| 47 | 959140 | 3.30 | 3.99 | |
| GANCHO | ||||
| 48 | 320287 | 4.80 | 5.81 | |
| Tuerca M5 | ||||
| 49 | 320288 | 1.65 | 2.00 | |
| TORNILLO M4X35 | ||||
| 50 | 958715 | 1.04 | 1.26 | |
| Muelle | ||||
| 51 | 996118 | 2.55 | 3.09 | |
| Terminal Ds 14dmr | ||||
| 52 | 323003 | 1.05 | 1.27 | |
| Pieza terminal | ||||
| 53 | 320997 | 1.20 | 1.45 | |
| Terminal Ds 14dmr | ||||
| 54 | 322995 | 1.05 | 1.27 | |
| Correa (negra) | ||||
| 55 | 306952 | 4.05 | 4.90 | |
| Tornillo de roscar (con brida) D3x16 (negro) | ||||
| 56 | 313687 | 1.04 | 1.26 | |
| Resorte de gancho | ||||
| 58 | 319926 | 1.65 | 2.00 | |
| Tornillo especial (a) M5 | ||||
| 59 | 320881 | 1.65 | 2.00 | |
| No hay información disponible, no se puede pedir | ||||
| 60 | 334425 | |||
| Tubo Sumi | ||||
| 61 | 334720 | 1.20 | 1.45 | |
| No hay información disponible, no se puede pedir | ||||
| 501 | 323230 | |||
| No hay información disponible, no se puede pedir | ||||
| 503 | 983006 | |||
| No hay información disponible, no se puede pedir | ||||
| 504 | 331906 | |||
| No hay información disponible, no se puede pedir | ||||
| 601 | 303709 | |||