Aquí encontrará todas las piezas y dibujos técnicos disponibles de 'Hikoki DS18DSFL'. Desde aquí podrá pedir todas las piezas deseadas directamente. Para muchas piezas de repuesto, es necesario pasar un pedido al fabricante. Dependiendo de la marca, el plazo de entrega puede variar entre una y cuatro semanas. Toda la información que tenemos está en nuestro sitio web. No podremos aconsejarle sobre lo que necesita hasta que entregue la máquina para su reparación. Tenga en cuenta lo siguiente a la hora de cursar su pedido:
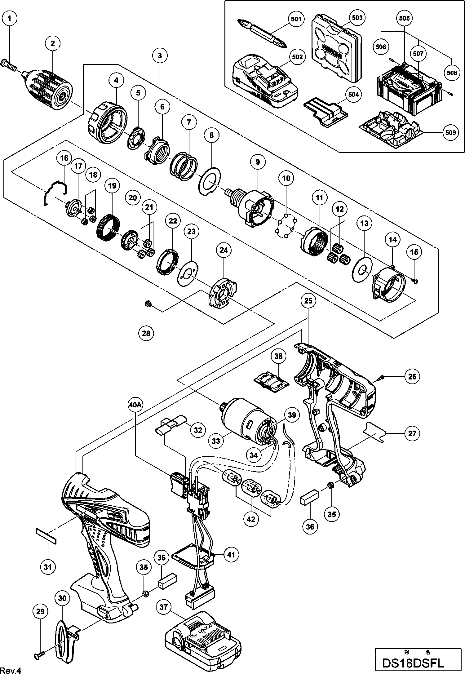
Dibujo técnico de los/las Hikoki DS18DSFL
Lista de las piezas de repuesto de Hikoki DS18DSFL
| Pos. | Descripción | Precio con el IVA excluido | Precio con el IVA incluido | |
| Los precios mostrados incluyen el IVA | ||||
| Tornillo especial (mano izquierda) M6x23 | ||||
| 1 | 311959 | 1.50 | 1.82 | |
| No hay información disponible, no se puede pedir | ||||
| 2 | 332049 | |||
| Acoplamiento Deslizante Completo | ||||
| 3 | 333315 | 74.11 | 89.68 | |
| Dial de embrague | ||||
| 4 | 332025 | 5.03 | 6.08 | |
| Primavera click | ||||
| 5 | 332741 | 8.33 | 10.07 | |
| Porta Gorra | ||||
| 6 | 324109 | 3.30 | 3.99 | |
| Muelle | ||||
| 7 | 324110 | 3.30 | 3.99 | |
| Arandela (d) Cm12y | ||||
| 8 | 324347 | 3.30 | 3.99 | |
| Caja frontal | ||||
| 9 | 333314 | 16.78 | 20.30 | |
| bola de acero | ||||
| 10 | 306936 | 1.05 | 1.27 | |
| Engranaje de Anillo | ||||
| 11 | 332027 | 5.03 | 6.08 | |
| Set de piñones planetarios (c) (3 piezas) | ||||
| 12 | 332028 | 3.38 | 4.08 | |
| Arandela (a) | ||||
| 13 | 324349 | 3.30 | 3.99 | |
| Caja de engranajes | ||||
| 14 | 324501 | 4.80 | 5.81 | |
| Tornillos de cabeza Phillips D3X12 (4 piezas) | ||||
| 15 | 324357 | 1.65 | 2.00 | |
| Brazo de Cambio | ||||
| 16 | 324115 | 3.30 | 3.99 | |
| Piñón (c) | ||||
| 17 | 332029 | 3.38 | 4.08 | |
| Set de Engranaje Planetario (b) (3 Pcs) | ||||
| 18 | 332031 | 1.73 | 2.09 | |
| Engranaje Deslizante | ||||
| 19 | 332030 | 6.68 | 8.08 | |
| Piñón (b) | ||||
| 20 | 332032 | 3.38 | 4.08 | |
| Set de Engranaje Planetario (a) (3 Pcs) | ||||
| 21 | 332034 | 3.38 | 4.08 | |
| Primera Engranaje de Anillo | ||||
| 22 | 332033 | 3.38 | 4.08 | |
| Arandela (b) Ds9dva/ds12dva/ds14dv Ds14dva/ds14dvb | ||||
| 23 | 324355 | 3.30 | 3.99 | |
| Separador del Motor | ||||
| 24 | 332035 | 1.73 | 2.09 | |
| No hay información disponible, no se puede pedir | ||||
| 25 | 332821 | |||
| Tornillo de roscar (con brida) D3x16 (negro) | ||||
| 26 | 313687 | 1.04 | 1.26 | |
| Tornillo Máquina (con Arandela sp.) M4x6 | ||||
| 28 | 317333 | 1.50 | 1.82 | |
| Tornillo M4 | ||||
| 29 | 327001 | 1.80 | 2.18 | |
| GANCHO | ||||
| 30 | 332824 | 4.58 | 5.54 | |
| Placa de Nombre | ||||
| 31 | 330719 | 2.10 | 2.54 | |
| Botón AGC 18 | ||||
| 32 | 332836 | 1.13 | 1.36 | |
| No hay información disponible, no se puede pedir | ||||
| 33 | 332558 | |||
| Cable Interno (negro) | ||||
| 34 | 332843 | 1.05 | 1.27 | |
| Tuerca de bloqueo M4 (negro) | ||||
| 35 | 327002 | 1.80 | 2.18 | |
| Junta | ||||
| 36 | 327004 | 1.80 | 2.18 | |
| No hay información disponible, no se puede pedir | ||||
| 37 | 333353 | |||
| Perilla de cambio | ||||
| 38 | 332036 | 1.05 | 1.27 | |
| Cableado interno rojo 140L | ||||
| 39 | 324499 | 1.05 | 1.27 | |
| Set de interruptores de vivienda (antiguo 333313) | ||||
| 40A | 336805 | 26.26 | 31.78 | |
| Set de terminales del controlador | ||||
| 41 | 332823 | 30.45 | 36.84 | |
| JUEGO DE HILOS FERRITA INTERNOS | ||||
| 42 | 334858 | 7.35 | 8.89 | |
| No hay información disponible, no se puede pedir | ||||
| 501 | 983006 | |||
| No hay información disponible, no se puede pedir | ||||
| 503 | 332022 | |||
| Tapa protectora para batería | ||||
| 504 | 329897 | 1.80 | 2.18 | |
| No hay información disponible, no se puede pedir | ||||
| 505 | 336471 | |||
| No hay información disponible, no se puede pedir | ||||
| 506 | 336472 | |||
| No hay información disponible, no se puede pedir | ||||
| 507 | 336473 | |||
| No hay información disponible, no se puede pedir | ||||
| 508 | 336474 | |||
| No hay información disponible, no se puede pedir | ||||
| 509 | 336475 | |||
| No hay información disponible, no se puede pedir | ||||
| 601 | 955657 | |||
| No hay información disponible, no se puede pedir | ||||
| 602 | 955659 | |||
| No hay información disponible, no se puede pedir | ||||
| 603 | 955674 | |||
| No hay información disponible, no se puede pedir | ||||
| 604 | 983004 | |||
| No hay información disponible, no se puede pedir | ||||
| 605 | 983011 | |||