Aquí encontrará todas las piezas y dibujos técnicos disponibles de 'Hikoki DU-PN2'. Desde aquí podrá pedir todas las piezas deseadas directamente. Para muchas piezas de repuesto, es necesario pasar un pedido al fabricante. Dependiendo de la marca, el plazo de entrega puede variar entre una y cuatro semanas. Toda la información que tenemos está en nuestro sitio web. No podremos aconsejarle sobre lo que necesita hasta que entregue la máquina para su reparación. Tenga en cuenta lo siguiente a la hora de cursar su pedido:
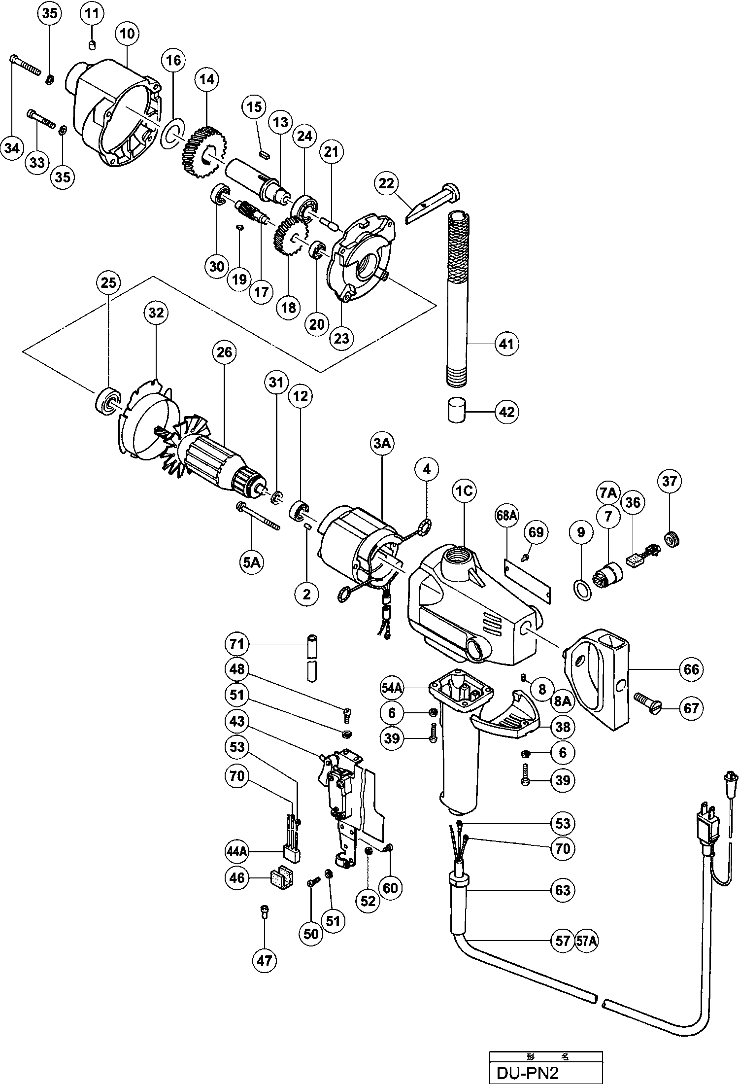
Dibujo técnico de los/las Hikoki DU-PN2
Lista de las piezas de repuesto de Hikoki DU-PN2
| Pos. | Descripción | Precio con el IVA excluido | Precio con el IVA incluido | |
| Los precios mostrados incluyen el IVA | ||||
| No hay información disponible, no se puede pedir | ||||
| 1C | 931080 | |||
| BOLÍGRAFO DE GOMA | ||||
| 2 | 931701 | 1.05 | 1.27 | |
| No hay información disponible, no se puede pedir | ||||
| 3A | 931053F | |||
| No hay información disponible, no se puede pedir | ||||
| 4 | 931043 | |||
| MACHINESCHROEF M5X65 | ||||
| 5A | 985941 | 1.00 | 1.21 | |
| Arandela de resorte M5 (10 piezas) | ||||
| 6 | 949454 | 1.04 | 1.26 | |
| No hay información disponible, no se puede pedir | ||||
| 7 | 937023 | |||
| Soporte de Cepillo de Carbono | ||||
| 7A | 962777 | 6.45 | 7.80 | |
| Tornillo de fijación hexagonal M5x6 | ||||
| 8 | 962782 | 1.04 | 1.26 | |
| Tornillo hexagonal M4x6 | ||||
| 8A | 985114 | 1.05 | 1.27 | |
| No hay información disponible, no se puede pedir | ||||
| 9 | 962778 | |||
| No hay información disponible, no se puede pedir | ||||
| 10 | 931054 | |||
| No hay información disponible, no se puede pedir | ||||
| 11 | 941822 | |||
| Rodamiento de bolas 629vvmc2eps2l | ||||
| 12 | 629VVM | 5.85 | 7.08 | |
| No hay información disponible, no se puede pedir | ||||
| 13 | 931006 | |||
| No hay información disponible, no se puede pedir | ||||
| 14 | 931055 | |||
| Chaveta 4x4x12 *td5-1-3* | ||||
| 15 | 931008 | 1.05 | 1.27 | |
| No hay información disponible, no se puede pedir | ||||
| 16 | 931056 | |||
| No hay información disponible, no se puede pedir | ||||
| 17 | 931057 | |||
| No hay información disponible, no se puede pedir | ||||
| 18 | 931058 | |||
| INLEGSPIE 3X10 *TD5-1-2* | ||||
| 19 | 932819 | 1.26 | 1.52 | |
| Rodamiento de bolas 608vvmc2eps2l | ||||
| 20 | 608VVM | 5.70 | 6.90 | |
| No hay información disponible, no se puede pedir | ||||
| 21 | 931011 | |||
| No hay información disponible, no se puede pedir | ||||
| 22 | 931059 | |||
| No hay información disponible, no se puede pedir | ||||
| 23 | 931060 | |||
| Cojinete de bolas 6202vvcmps2s | ||||
| 24 | 6202VV | 7.05 | 8.53 | |
| Rodamiento de bolas 6201vvcmps2s | ||||
| 25 | 6201VV | 6.45 | 7.80 | |
| No hay información disponible, no se puede pedir | ||||
| 26 | 931062F | |||
| Cojinete de bolas 6000 Vv, Cm9by, C8fse, G23ss | ||||
| 30 | 6000VV | 6.15 | 7.44 | |
| SLUITRING | ||||
| 31 | 945904 | 1.00 | 1.21 | |
| No hay información disponible, no se puede pedir | ||||
| 32 | 931064 | |||
| Tornillo de máquina M6x35 (10 piezas) | ||||
| 33 | 949263 | 1.95 | 2.36 | |
| Tornillo de máquina M6x40 (10 piezas) | ||||
| 34 | 949264 | 2.40 | 2.90 | |
| Arandela de resorte M6 (antiguo 949455z, 10 piezas | ||||
| 35 | 949455 | 1.05 | 1.27 | |
| Escobilla de carbono (1 par) | ||||
| 36 | 999038 | 9.30 | 11.25 | |
| Tapa del cepillo | ||||
| 37 | 945161 | 1.20 | 1.45 | |
| No hay información disponible, no se puede pedir | ||||
| 38 | 931065 | |||
| Tornillo de Máquina M5X20 (10 Piezas) | ||||
| 39 | 949241 | 1.35 | 1.63 | |
| No hay información disponible, no se puede pedir | ||||
| 41 | 931019 | |||
| No hay información disponible, no se puede pedir | ||||
| 42 | 930730 | |||
| No hay información disponible, no se puede pedir | ||||
| 43 | 931066 | |||
| Condensador (antiguo 930030/991313) | ||||
| 44A | 994273 | 4.29 | 5.19 | |
| Caucho | ||||
| 46 | 930153 | 1.04 | 1.26 | |
| Terminal de soldadura 50092 (10 piezas) | ||||
| 47 | 959141 | 3.75 | 4.54 | |
| Tornillo de máquina M4x10 (10 piezas) (ANTIGUO 949 | ||||
| 48 | 949216 | 1.05 | 1.27 | |
| Tornillo de máquina M4x12 (10 piezas) | ||||
| 50 | 949217 | 1.05 | 1.27 | |
| Arandela de resorte M4 (10 piezas) | ||||
| 51 | 949453 | 1.05 | 1.27 | |
| Tuerca M4 (10 Piezas) | ||||
| 52 | 949554 | 1.05 | 1.27 | |
| Terminal M4.0 (10 piezas) | ||||
| 53 | 930804 | 3.00 | 3.63 | |
| No hay información disponible, no se puede pedir | ||||
| 54A | 931067 | |||
| No hay información disponible, no se puede pedir | ||||
| 57 | 500429Z | |||
| No hay información disponible, no se puede pedir | ||||
| 60 | 949292 | |||
| Armadura de cable D10.7 | ||||
| 63 | 940778 | 2.10 | 2.54 | |
| Prensaestopas de cable D8.2 (antiguo 958049z) | ||||
| 63 | 958049 | 1.04 | 1.26 | |
| No hay información disponible, no se puede pedir | ||||
| 66 | 930939 | |||
| No hay información disponible, no se puede pedir | ||||
| 67 | 930732 | |||
| PIN D2.5X2.8 *TD5-3-2* | ||||
| 69 | 932642 | 1.00 | 1.21 | |
| Terminales de cable (10 piezas) | ||||
| 70 | 959144 | 3.00 | 3.63 | |
| BUIS | ||||
| 71 | 930793 | 1.00 | 1.21 | |
| No hay información disponible, no se puede pedir | ||||
| 601 | 931137 | |||
| No hay información disponible, no se puede pedir | ||||
| 602 | 321810 | |||
| No hay información disponible, no se puede pedir | ||||
| 603 | 950265 | |||
| No hay información disponible, no se puede pedir | ||||
| 604 | 950266 | |||
| No hay información disponible, no se puede pedir | ||||
| 605 | 950267 | |||