Aquí encontrará todas las piezas y dibujos técnicos disponibles de 'Hikoki DUT-10'. Desde aquí podrá pedir todas las piezas deseadas directamente. Para muchas piezas de repuesto, es necesario pasar un pedido al fabricante. Dependiendo de la marca, el plazo de entrega puede variar entre una y cuatro semanas. Toda la información que tenemos está en nuestro sitio web. No podremos aconsejarle sobre lo que necesita hasta que entregue la máquina para su reparación. Tenga en cuenta lo siguiente a la hora de cursar su pedido:
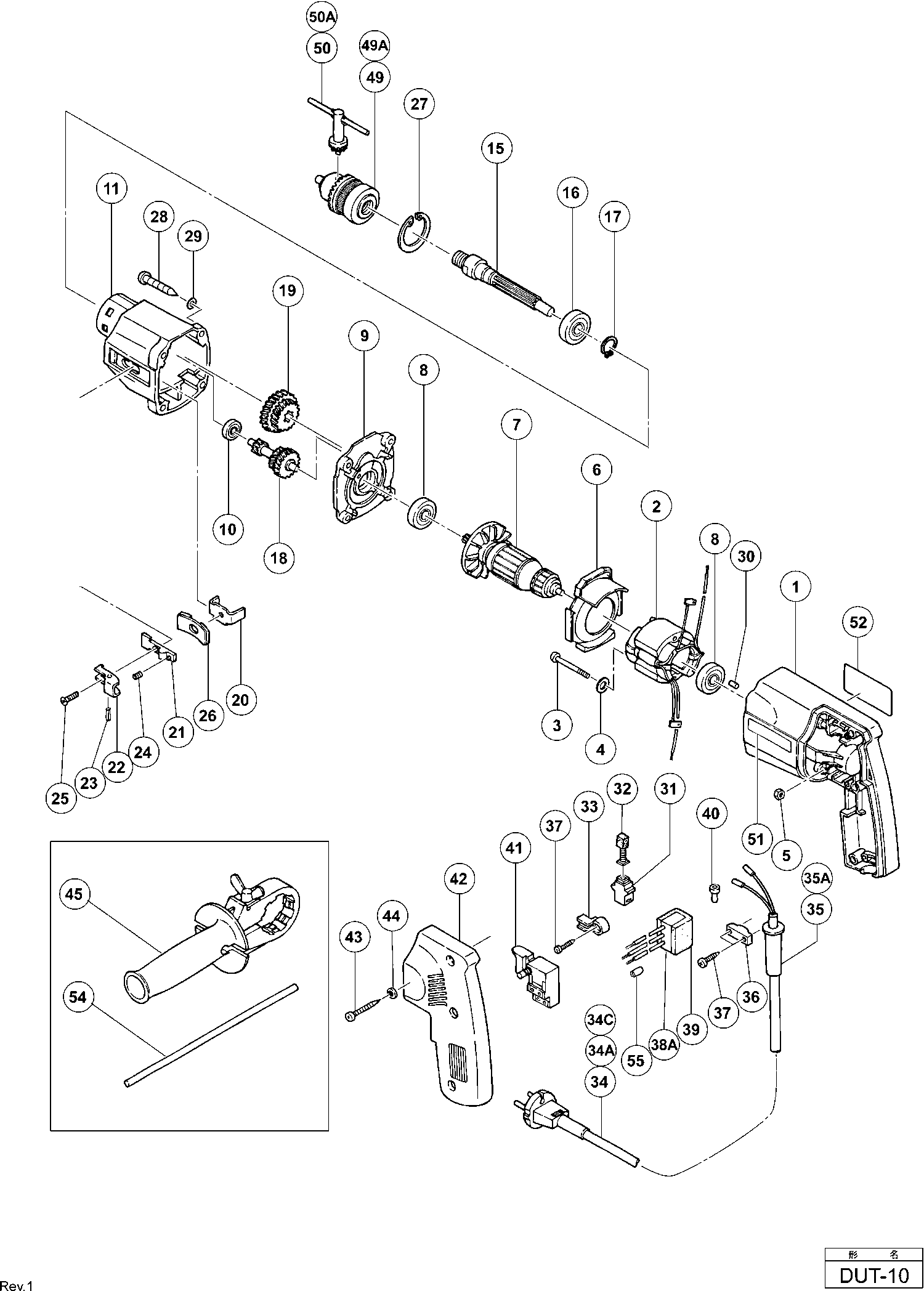
Dibujo técnico de los/las Hikoki DUT-10
Lista de las piezas de repuesto de Hikoki DUT-10
| Pos. | Descripción | Precio con el IVA excluido | Precio con el IVA incluido | |
| Los precios mostrados incluyen el IVA | ||||
| No hay información disponible, no se puede pedir | ||||
| 1 | 971640 | |||
| Stator 220v-230v H-90sa Includ.103 Para Nzl,saf | ||||
| 2 | 971665E | 16.64 | 20.13 | |
| Stator 240 Volt | ||||
| 2 | 971665F | 16.36 | 19.80 | |
| Ya no disponible, sin reemplazo | ||||
| 3 | 949278 | |||
| Arandela de resorte M4 (10 piezas) | ||||
| 4 | 949453 | 1.05 | 1.27 | |
| Tuerca M4 (10 Piezas) | ||||
| 5 | 949554 | 1.05 | 1.27 | |
| Guía de ventilador | ||||
| 6 | 971642 | 1.05 | 1.27 | |
| ARMADURA 230V | ||||
| 7 | 971666E | 93.36 | 112.97 | |
| Armature 240v | ||||
| 7 | 971666F | 75.49 | 91.34 | |
| Rodamiento de bolas 608vvmc2eps2l | ||||
| 8 | 608VVM | 5.70 | 6.90 | |
| Cubierta interior | ||||
| 9 | 971664 | 18.70 | 22.63 | |
| Rodamiento de bolas 608vvmc2eps2l | ||||
| 10 | 608VVM | 5.70 | 6.90 | |
| Caja de engranajes | ||||
| 11 | 980972 | 24.89 | 30.11 | |
| AS | ||||
| 15 | 980973 | 14.24 | 17.23 | |
| Cojinete de bolas 6202vvcmps2s | ||||
| 16 | 6202VV | 7.05 | 8.53 | |
| Anillo de retención D15 (10 piezas) | ||||
| 17 | 939544 | 2.13 | 2.57 | |
| TWEEDE TANDWIEL | ||||
| 18 | 971700 | 18.10 | 21.90 | |
| TANDWIEL | ||||
| 19 | 980192 | 10.50 | 12.70 | |
| Guía ajustable | ||||
| 20 | 971651 | 1.05 | 1.27 | |
| Mango de Velocidad | ||||
| 21 | 971652 | 1.95 | 2.36 | |
| Bloqueo | ||||
| 22 | 971653 | 1.35 | 1.63 | |
| Pasador Rodante D3x12 (10 Piezas) | ||||
| 23 | 949535 | 2.10 | 2.54 | |
| Muelle | ||||
| 24 | 943053 | 1.35 | 1.63 | |
| Tornillo M4x12 (10 piezas) | ||||
| 25 | 949323 | 1.05 | 1.27 | |
| Placa de junta | ||||
| 26 | 971672 | 1.95 | 2.36 | |
| Anillo de Seguridad D35 (10 Piezas) | ||||
| 27 | 939556 | 10.20 | 12.34 | |
| Tornillo D5x35 (old 986140) | ||||
| 28 | 931875 | 1.05 | 1.27 | |
| Arandela de resorte M5 (10 piezas) | ||||
| 29 | 949454 | 1.04 | 1.26 | |
| PASADOR DE GOMA (ANTIGUO 976441) | ||||
| 30 | 946362 | 1.05 | 1.27 | |
| Soporte de Cepillo de Carbono | ||||
| 31 | 955203 | 2.40 | 2.90 | |
| Escobilla de carbono (1 par) | ||||
| 32 | 999041 | 4.50 | 5.44 | |
| HOUDERSTUK | ||||
| 33 | 971655 | 1.00 | 1.21 | |
| Cordón 2,5m 2 X 1.0 H05vv-f (Antiguo 500395z) | ||||
| 34 | 500447Z | 6.60 | 7.99 | |
| SNOER 2.5M 2 X 1.0 H05VV-F W/PLUG 13A/250V (OLD 50 | ||||
| 34A | 500423Z | 12.87 | 15.57 | |
| Ya no disponible, sin reemplazo | ||||
| 34C | 500435Z | |||
| Prensaestopas D8.2 | ||||
| 35 | 930487 | 2.25 | 2.72 | |
| Protector de Cable D10.2 (antiguo 930354) | ||||
| 35 | 980193 | 1.65 | 2.00 | |
| PASACABLES D8.8 | ||||
| 35A | 303662 | 1.04 | 1.26 | |
| Tira de sujeción (antiguo 994566) | ||||
| 36 | 937631 | 1.04 | 1.26 | |
| Tornillo autorroscante D4X16 | ||||
| 37 | 954004 | 1.04 | 1.26 | |
| Condensador (antiguo 930030/991313) | ||||
| 38A | 994273 | 4.29 | 5.19 | |
| Caucho | ||||
| 39 | 930153 | 1.04 | 1.26 | |
| Terminal de soldadura 50091 (10 piezas) | ||||
| 40 | 959140 | 3.30 | 3.99 | |
| Interruptor | ||||
| 41 | 971667Z | 20.21 | 24.46 | |
| Interruptor | ||||
| 41 | 957747 | 14.03 | 16.97 | |
| Cubierta del Mango | ||||
| 42 | 971660 | 9.90 | 11.98 | |
| Tornillo roscado (con arandela sp.) D4x20 | ||||
| 43 | 956384 | 1.05 | 1.27 | |
| Anillo M4 (10 piezas) | ||||
| 44 | 949423 | 1.05 | 1.27 | |
| No hay información disponible, no se puede pedir | ||||
| 45 | 971662 | |||
| No hay información disponible, no se puede pedir | ||||
| 49 | 321811 | |||
| No hay información disponible, no se puede pedir | ||||
| 50 | 930119 | |||
| No hay información disponible, no se puede pedir | ||||
| 50A | 987575 | |||
| No hay información disponible, no se puede pedir | ||||
| 51 | 957561 | |||
| No hay información disponible, no se puede pedir | ||||
| 54 | 971677 | |||
| Casquillo roscado para cable | ||||
| 55 | 981373 | 1.05 | 1.27 | |