Aquí encontrará todas las piezas y dibujos técnicos disponibles de 'Hikoki DW15Y'. Desde aquí podrá pedir todas las piezas deseadas directamente. Para muchas piezas de repuesto, es necesario pasar un pedido al fabricante. Dependiendo de la marca, el plazo de entrega puede variar entre una y cuatro semanas. Toda la información que tenemos está en nuestro sitio web. No podremos aconsejarle sobre lo que necesita hasta que entregue la máquina para su reparación. Tenga en cuenta lo siguiente a la hora de cursar su pedido:
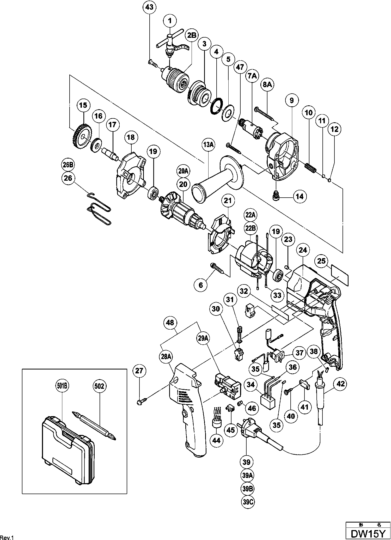
Dibujo técnico de los/las Hikoki DW15Y
Lista de las piezas de repuesto de Hikoki DW15Y
| Pos. | Descripción | Precio con el IVA excluido | Precio con el IVA incluido | |
| Los precios mostrados incluyen el IVA | ||||
| Stator 220v-230v H-90sa Includ.103 Para Nzl,saf | ||||
| *22A | 992639E | 37.95 | 45.92 | |
| Campo 220-230 Volt (viejo 340218g) | ||||
| *22B | 340218L | 35.06 | 42.43 | |
| Interruptor | ||||
| *29A | 307893 | 35.06 | 42.43 | |
| Interruptor Vtv16 desde 8.1999 | ||||
| *29A | 316257 | 32.18 | 38.93 | |
| Cordón | ||||
| *39 | 950543Z | 10.20 | 12.34 | |
| Protector de cable D10.2 Hasta 11.1982 Para Aus | ||||
| *42 | 930026 | 3.00 | 3.63 | |
| Protector de Cable D10.2 (antiguo 930354) | ||||
| *42 | 980193 | 1.65 | 2.00 | |
| Conjunto de interruptor y mango | ||||
| *48 | 318330 | 30.66 | 37.10 | |
| No hay información disponible, no se puede pedir | ||||
| 1 | 930119 | |||
| No hay información disponible, no se puede pedir | ||||
| 2B | 321812 | |||
| Anillo de embrague | ||||
| 3 | 950521 | 26.40 | 31.94 | |
| Anillo O (s-28) | ||||
| 4 | 873731 | 1.05 | 1.27 | |
| ARANDELA | ||||
| 5 | 950513 | 1.05 | 1.27 | |
| TAPSCHROEF D4X40 | ||||
| 6 | 992630 | 1.00 | 1.21 | |
| BARRA TOMMY | ||||
| 7A | 950512 | 18.43 | 22.29 | |
| SCHROEF D4X50 (OUD 992631) | ||||
| 8A | 950515 | 1.00 | 1.21 | |
| Cubierta del engranaje (old 950516z) | ||||
| 9 | 950516 | 12.75 | 15.43 | |
| VEER | ||||
| 10 | 943614 | 1.00 | 1.21 | |
| Bola de Acero D5.556 (10 unidades) | ||||
| 11 | 959154 | 1.35 | 1.63 | |
| TIRA | ||||
| 12 | 950539 | 1.05 | 1.27 | |
| No hay información disponible, no se puede pedir | ||||
| 13A | 994322 | |||
| STOPSCHROEF | ||||
| 14 | 950519 | 6.18 | 7.48 | |
| ENGANCHE | ||||
| 15 | 950510 | 27.78 | 33.61 | |
| MANGUITO | ||||
| 16 | 950508 | 11.55 | 13.98 | |
| TANDWIELTANG | ||||
| 17 | 950509 | 8.40 | 10.16 | |
| TANDWIELHUISDEKSEL | ||||
| 18 | 950507 | 14.68 | 17.76 | |
| Rodamiento de bolas 608vvmc2eps2l | ||||
| 19 | 608VVM | 5.70 | 6.90 | |
| Armadura 220-230v (antiguo 992640g) | ||||
| 20 | 992640E | 64.21 | 77.70 | |
| ANKER 100-115 VOLT (OUD 992640J) | ||||
| 20 | 992640 | 54.23 | 65.62 | |
| Guía de ventilador | ||||
| 21 | 950504 | 1.65 | 2.00 | |
| Stator 220v-230v H-90sa Includ.103 Para Nzl,saf | ||||
| 22A | 992639E | 37.95 | 45.92 | |
| BOLÍGRAFO DE GOMA | ||||
| 23 | 931701 | 1.05 | 1.27 | |
| CARCASA | ||||
| 24 | 991880 | 14.30 | 17.30 | |
| RIEMKLEM (NIEUW 950551) | ||||
| 26 | 950511 | 2.94 | 3.56 | |
| No hay información disponible, no se puede pedir | ||||
| 26B | 950551 | |||
| Tornillo de grifo | ||||
| 27 | 982095 | 1.04 | 1.26 | |
| Cubierta del asa | ||||
| 28A | 318329 | 6.75 | 8.17 | |
| Interruptor | ||||
| 29A | 307893 | 35.06 | 42.43 | |
| Interruptor Vtv16 desde 8.1999 | ||||
| 29A | 316257 | 32.18 | 38.93 | |
| Soporte de Cepillo de Carbono | ||||
| 30 | 930483 | 1.65 | 2.00 | |
| Escobilla de carbono (1 par) | ||||
| 31 | 999041 | 4.50 | 5.44 | |
| No hay información disponible, no se puede pedir | ||||
| 32 | 950565 | |||
| Casquillo roscado para cable | ||||
| 33 | 981373 | 1.05 | 1.27 | |
| Condensador (antiguo 930030/991313) | ||||
| 34 | 994273 | 4.29 | 5.19 | |
| Casquillo roscado para cable | ||||
| 35 | 981373 | 1.05 | 1.27 | |
| Terminal de Tierra | ||||
| 36 | 992635 | 1.05 | 1.27 | |
| Interruptor (r+l) | ||||
| 37 | 992636 | 17.60 | 21.30 | |
| Casquillo roscado para cable | ||||
| 38 | 981373 | 1.05 | 1.27 | |
| Cordón | ||||
| 39 | 950543Z | 10.20 | 12.34 | |
| SNOER 2.5M 2 X 1.0 H05VV-F W/PLUG 13A/250V (OLD 50 | ||||
| 39A | 500423Z | 12.87 | 15.57 | |
| Ya no disponible, sin reemplazo | ||||
| 39C | 500435Z | |||
| No hay información disponible, no se puede pedir | ||||
| 40 | 984750 | |||
| Tira de sujeción (antiguo 994566) | ||||
| 41 | 937631 | 1.04 | 1.26 | |
| Protector de cable D10.2 Hasta 11.1982 Para Aus | ||||
| 42 | 930026 | 3.00 | 3.63 | |
| Prensaestopas D8.2 | ||||
| 42 | 930487 | 2.25 | 2.72 | |
| Protector de Cable D10.2 (antiguo 930354) | ||||
| 42 | 980193 | 1.65 | 2.00 | |
| Tornillo izquierdo M6x22 | ||||
| 43 | 981122 | 1.35 | 1.63 | |
| Bobina de restricción (antiguo 500259z) | ||||
| 44 | 955908 | 32.18 | 38.93 | |
| Terminal | ||||
| 45 | 982805Z | 2.55 | 3.09 | |
| Terminal de soldadura 50091 (10 piezas) | ||||
| 46 | 959140 | 3.30 | 3.99 | |
| Tornillo D4 X 40 | ||||
| 47 | 950514 | 1.20 | 1.45 | |
| Conjunto de interruptor y mango | ||||
| 48 | 318330 | 30.66 | 37.10 | |
| No hay información disponible, no se puede pedir | ||||
| 501B | 310904 | |||
| No hay información disponible, no se puede pedir | ||||
| 502 | 983006 | |||
| No hay información disponible, no se puede pedir | ||||
| 601 | 983004 | |||
| No hay información disponible, no se puede pedir | ||||
| 602 | 983011 | |||
| No hay información disponible, no se puede pedir | ||||
| 603 | 955656 | |||
| No hay información disponible, no se puede pedir | ||||
| 604 | 955658 | |||
| No hay información disponible, no se puede pedir | ||||
| 605 | 955673 | |||
| No hay información disponible, no se puede pedir | ||||
| 606 | 955675 | |||
| No hay información disponible, no se puede pedir | ||||
| 607 | 955676 | |||
| No hay información disponible, no se puede pedir | ||||
| 608 | 955677 | |||
| No hay información disponible, no se puede pedir | ||||
| 609 | 955678 | |||
| No hay información disponible, no se puede pedir | ||||
| 616 | 954321 | |||
| AS | ||||
| 617 | 954322 | 3.84 | 4.65 | |
| No hay información disponible, no se puede pedir | ||||
| 618 | 954324 | |||
| No hay información disponible, no se puede pedir | ||||
| 619 | 954323 | |||
| Tornillo (10 piezas) | ||||
| 620 | 949794 | 1.65 | 2.00 | |
| No hay información disponible, no se puede pedir | ||||
| 629 | 939520 | |||