Aquí encontrará todas las piezas y dibujos técnicos disponibles de 'Hikoki ECS-3351D'. Desde aquí podrá pedir todas las piezas deseadas directamente. Para muchas piezas de repuesto, es necesario pasar un pedido al fabricante. Dependiendo de la marca, el plazo de entrega puede variar entre una y cuatro semanas. Toda la información que tenemos está en nuestro sitio web. No podremos aconsejarle sobre lo que necesita hasta que entregue la máquina para su reparación. Tenga en cuenta lo siguiente a la hora de cursar su pedido:
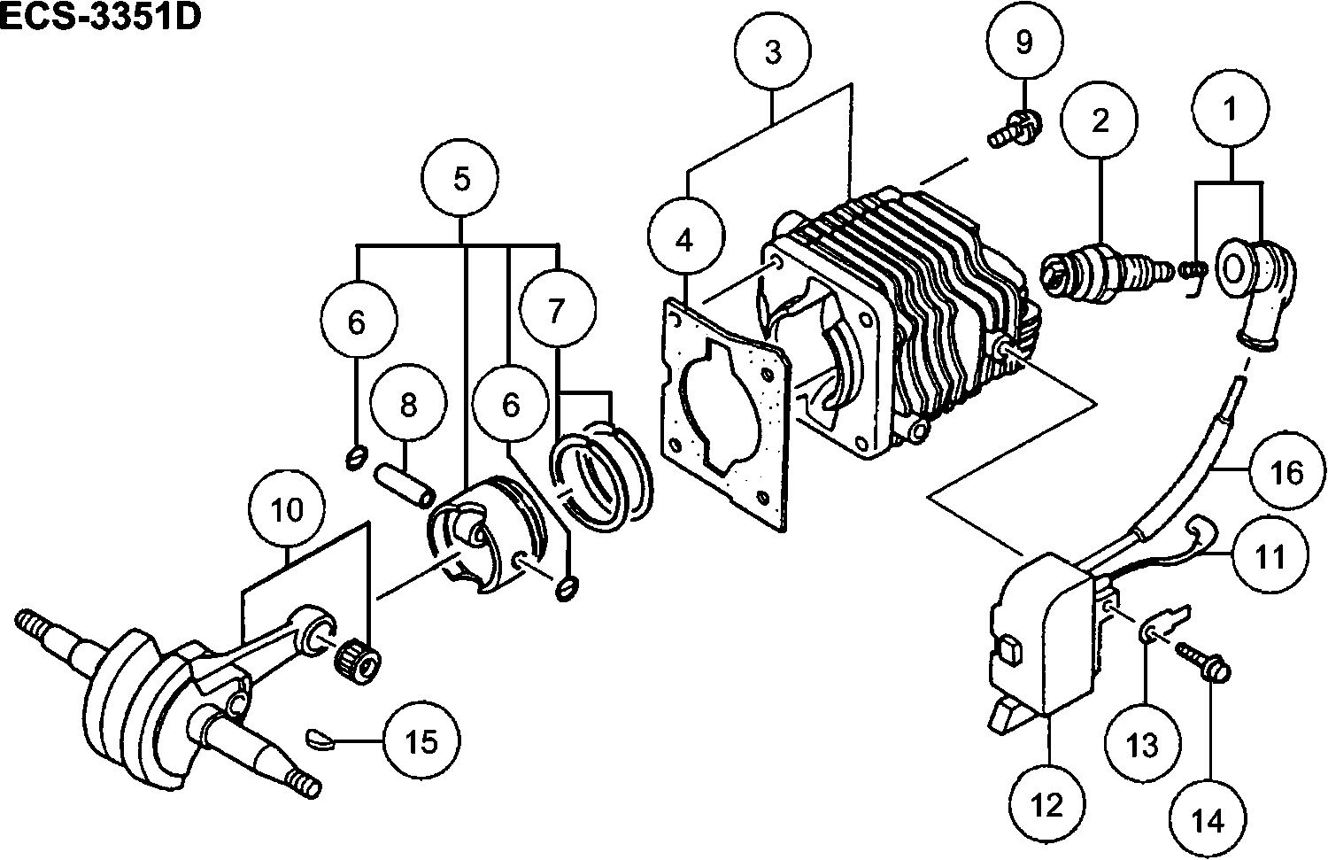
Dibujo técnico de los/las Hikoki ECS-3351D
Lista de las piezas de repuesto de Hikoki ECS-3351D
| Pos. | Descripción | Precio con el IVA excluido | Precio con el IVA incluido | |
| Los precios mostrados incluyen el IVA | ||||
| Conjunto de tapa de bujía (antiguo 157-01570-90/66 | ||||
| 1 | 6687468 | 2.31 | 2.80 | |
| BUJÍA BMR6A | ||||
| 2 | 6699315 | 13.35 | 16.15 | |
| Juego de cilindros (antiguo 001-01740-91/6685458) | ||||
| 3 | 6685457 | 44.31 | 53.62 | |
| Junta de cilindro (antiguo 017-01740-20) | ||||
| 4 | 6685724 | 1.15 | 1.39 | |
| Conjunto de pistón (antiguo 030-01741-90) | ||||
| 5 | 6685879 | 22.24 | 26.91 | |
| Circlip (antiguo 039-00000-20) | ||||
| 6 | 6685078 | 1.15 | 1.39 | |
| Anillo de pistón (xr1-1856) | ||||
| 7 | 6685331 | 4.05 | 4.90 | |
| Pasador de pistón 9 X 31 (antiguo 037-01400-20/791 | ||||
| 8 | 6686008 | 2.31 | 2.80 | |
| Tornillo hexagonal M5x16/s (antiguo 994-61050-164) | ||||
| 9 | 6684903 | 2.15 | 2.60 | |
| CRANK SHAFT COMP (OLD 6686171) | ||||
| 10 | 6697636 | 61.54 | 74.46 | |
| Cable, B 70m (antiguo 178-01740-80) | ||||
| 11 | 6687837 | 2.31 | 2.80 | |
| Bobina | ||||
| 12 | 6687700 | 44.31 | 53.62 | |
| Pestaña (antiguo 205-01700-20) | ||||
| 13 | 6688060 | 1.15 | 1.39 | |
| Tornillo de alta tensión 4x18ws (antiguo 994-16040 | ||||
| 14 | 6695407 | 1.15 | 1.39 | |
| Chaveta semilunar 3x13x4.5 (antiguo 068-10100-20) | ||||
| 15 | 6684899 | 2.15 | 2.60 | |
| Tubo aislante para cable (antiguo 755-32050-20) | ||||
| 16 | 6692900 | 1.15 | 1.39 | |
| Ensamble de Caja de Cigüeñal (antiguo 072-01740-94 | ||||
| 20A | 6686523 | 36.15 | 43.74 | |
| Sello de aceite | ||||
| 21 | 6684607 | 4.29 | 5.19 | |
| No hay información disponible, no se puede pedir | ||||
| 22 | 6685095 | |||
| Rodamiento de bolas 6201 A2c3 | ||||
| 23 | 6685096 | 5.28 | 6.38 | |
| Junta de cárter de cigüeñal (antiguo 090-01740-21) | ||||
| 24 | 6686699 | 1.15 | 1.39 | |
| Junta de cárter de cigüeñal (antiguo 090-0174g-20) | ||||
| 24B | 6686701 | 1.15 | 1.39 | |
| No hay información disponible, no se puede pedir | ||||
| 25 | 6684668 | |||
| Rotór de Magneto Ass'y (antiguo 155-21529-91) | ||||
| 26 | 6687393 | 19.51 | 23.61 | |
| Conjunto de rotor de magneto (antiguo 155-21540-90 | ||||
| 26A | 6687394 | 24.20 | 29.28 | |
| No hay información disponible, no se puede pedir | ||||
| 26B | 6697953 | |||
| Anillo de retención D4e (antiguo 993-55040-001) | ||||
| 27 | 6685101 | 1.15 | 1.39 | |
| Resorte de trinquete de arranque (antiguo 790-0174 | ||||
| 28 | 6685105 | 1.15 | 1.39 | |
| Trinquete de arranque | ||||
| 29A | 6685334 | 1.05 | 1.27 | |
| Arandela | ||||
| 30 | 6685103 | 1.15 | 1.39 | |
| Tuerca del volante (antiguo 066-00000-20) | ||||
| 31 | 6685104 | 1.15 | 1.39 | |
| Calce S T0.2 (antiguo 071-04063-23) | ||||
| 32 | 6685098 | 1.15 | 1.39 | |
| Calce S T0.3 (antiguo 071-04063-24) | ||||
| 32 | 6685099 | 1.15 | 1.39 | |
| Calza 0.1 (antigua 071-04063-21) | ||||
| 32 | 6686474 | 1.15 | 1.39 | |
| Calza 0.4 (antigua 071-04063-25) | ||||
| 32 | 6686475 | 1.15 | 1.39 | |
| Ensamblaje de la carcasa del motor, vermellón (ant | ||||
| 40 | 6691360 | 38.26 | 46.30 | |
| No hay información disponible, no se puede pedir | ||||
| 40A | 6691361 | |||
| Válvula de ventilación de aire (b) (viejo 562-0406 | ||||
| 41 | 6685173 | 2.31 | 2.80 | |
| Conjunto de válvula de ventilación de aire (antigu | ||||
| 42 | 6697231 | 5.45 | 6.59 | |
| Perno con agujero hexagonal 5x20/ps (antiguo 994-6 | ||||
| 43 | 6684634 | 2.15 | 2.60 | |
| Cable de tierra | ||||
| 44 | 6688446 | 2.31 | 2.80 | |
| Asamblea de interruptor de parada (antiguo 6687502 | ||||
| 45A | 6601374 | 11.71 | 14.17 | |
| Placa del nombre del interruptor (antiguo 183-0130 | ||||
| 46 | 6687949 | 1.15 | 1.39 | |
| Pasacables A (antiguo 052-32900-21/6686328) | ||||
| 47 | 6686329 | 1.15 | 1.39 | |
| No hay información disponible, no se puede pedir | ||||
| 48 | 6699656 | |||
| Cubierta del filtro de aire | ||||
| 50 | 6686299 | 3.30 | 3.99 | |
| Cubierta del filtro de aire | ||||
| 51 | 6689735 | 1.15 | 1.39 | |
| Elemento del filtro de aire | ||||
| 52 | 6690064 | 3.30 | 3.99 | |
| Conjunto de Aislantes de Carburador (antiguo 404-0 | ||||
| 53 | 6689934 | 8.91 | 10.78 | |
| Conjunto de Aislantes (antiguo 404-0174g-90) | ||||
| 53A | 6689935 | 12.05 | 14.58 | |
| Junta de admisión (viejo 403-01740-21 & 6689869) | ||||
| 54 | 6689870 | 1.15 | 1.39 | |
| Junta de aislante (viejo 403-0174g-20) | ||||
| 54A | 6689871 | 1.15 | 1.39 | |
| Aislante de goma para carburador (antiguo 409-0170 | ||||
| 55 | 6690001 | 1.15 | 1.39 | |
| Portaválvulas Reed (antiguo 395-01730-20) | ||||
| 56 | 6689805 | 1.15 | 1.39 | |
| Portaválvulas (antiguo 395-0174g-20) | ||||
| 56A | 6689806 | 1.15 | 1.39 | |
| Válvula Reed (antiguo 394-0174g-20) | ||||
| 57A | 6689803 | 3.30 | 3.99 | |
| Ya no disponible, sin reemplazo | ||||
| 58 | 6694964 | |||
| Junta del carburador | ||||
| 59 | 6698108 | 1.80 | 2.18 | |
| Juego de carburador | ||||
| 60 | 6690665 | 68.36 | 82.72 | |
| Juego de carburador | ||||
| 60A | 6690666 | 64.28 | 77.77 | |
| Juego de carburador | ||||
| 60B | 6690667 | 84.40 | 102.12 | |
| Tornillo 5x45s (antiguo 994-14050-451) | ||||
| 61 | 6695350 | 1.15 | 1.39 | |
| Calzo de estrangulación 1.0 (antiguo 708-32911-20) | ||||
| 62 | 6692597 | 1.05 | 1.27 | |
| Arandela 5 (antiguo 992-00050-011) | ||||
| 63 | 6684864 | 2.15 | 2.60 | |
| Válvula de estrangulación (antiguo 700-32918-20/66 | ||||
| 64 | 6692410 | 2.31 | 2.80 | |
| Tornillo autoperforante D4.5x14 (antiguo 990-75045 | ||||
| 65 | 6685152 | 1.15 | 1.39 | |
| Cubierta del filtro de aire | ||||
| 66 | 6687344 | 4.45 | 5.38 | |
| No hay información disponible, no se puede pedir | ||||
| 67 | 6684668 | |||
| Arandela 5 (antiguo 992-00050-011) | ||||
| 68 | 6684864 | 2.15 | 2.60 | |
| Esponja de ralentí (antigua 191-32970-20) | ||||
| 69 | 6685224 | 1.15 | 1.39 | |
| Esponja H/l 10l (antiguo 191-32964-20) | ||||
| 70 | 6687978 | 1.15 | 1.39 | |
| Esponja de limpiador de aire (antiguo 446-01740-20 | ||||
| 71 | 6690355 | 1.15 | 1.39 | |
| Cubierta de sellado (viejo 129-01730-20) | ||||
| 72 | 6687182 | 1.15 | 1.39 | |
| Conjunto de silenciador (viejo 704-0174c-90) | ||||
| 81A | 6692447 | 17.40 | 21.05 | |
| Junta de silenciador (antiguo 737-01700-20) | ||||
| 82 | 6692734 | 1.15 | 1.39 | |
| No hay información disponible, no se puede pedir | ||||
| 83A | 6692627 | |||
| Ya no disponible, sin reemplazo | ||||
| 84 | 6692677 | |||
| Junta de acoplamiento de silenciador (antiguo 739- | ||||
| 85 | 6692833 | 1.15 | 1.39 | |
| No hay información disponible, no se puede pedir | ||||
| 86 | 6692607 | |||
| Tornillo Hex. Agujero 5x40 (antiguo 990-51050-403) | ||||
| 87 | 6695054 | 1.15 | 1.39 | |
| Arandela | ||||
| 88 | 6684661 | 2.15 | 2.60 | |
| Tubo de Aceite B (viejo 505-32710-20) | ||||
| 101 | 6691121 | 4.45 | 5.38 | |
| Clip 7 (antiguo 680-04019-21) | ||||
| 102 | 6692312 | 1.15 | 1.39 | |
| Arandela | ||||
| 103 | 6684661 | 2.15 | 2.60 | |
| Filtro del aceite (antiguo 487-32712-20/6696804) | ||||
| 104 | 6690919 | 1.15 | 1.39 | |
| Cuerpo del filtro de aceite (antiguo 486-32710-90) | ||||
| 105 | 6685249 | 2.31 | 2.80 | |
| Cable del acelerador | ||||
| 106 | 6693873 | 5.78 | 6.99 | |
| Pasacables (antiguo 964-01710-20) Nuevo | ||||
| 107 | 6694836 | 1.15 | 1.39 | |
| Bomba de Cebado Comp. (antiguo 442-25143-80) | ||||
| 108 | 6685139 | 5.94 | 7.18 | |
| Tubo de combustible 2,5x4x42 (antiguo 700-02504-04 | ||||
| 109 | 6685138 | 1.15 | 1.39 | |
| Tubo de goma (antiguo 678-01740-20/6692291) | ||||
| 110 | 6692292 | 4.45 | 5.38 | |
| Cuerpo del filtro de la bomba (antiguo 675-11600-9 | ||||
| 111 | 6685199 | 4.45 | 5.38 | |
| Tubo de combustible 2.5x4x150 (antiguo 700-02504-1 | ||||
| 112 | 6692351 | 1.15 | 1.39 | |
| Goma de retorno hasta 7.2014 (antigua 6684627) | ||||
| 113 | 6697846 | 1.04 | 1.26 | |
| No hay información disponible, no se puede pedir | ||||
| 114 | 6697780 | |||
| Tapa de ajuste (antiguo 190-32710-20) | ||||
| 115 | 6687956 | 1.15 | 1.39 | |
| Tapa de ajuste (antiguo 190-3290g-20) | ||||
| 115A | 6687957 | 3.30 | 3.99 | |
| Anillo (antiguo 707-32710-20) | ||||
| 116 | 6692590 | 1.15 | 1.39 | |
| Botón de estrangulación comp. (antiguo 704-32710-8 | ||||
| 117 | 6692513 | 2.31 | 2.80 | |
| Pasador (antiguo 191-32710-20) | ||||
| 118 | 6687976 | 1.15 | 1.39 | |
| Anillo O | ||||
| 119 | 6697898 | 1.04 | 1.26 | |
| Anillo de empaquetadura P-21 | ||||
| 119A | 6699285 | 1.04 | 1.26 | |
| Tapa de depósito de aceite Ass'y (antiguo 642-3271 | ||||
| 120 | 6692159 | 5.11 | 6.19 | |
| Tapa del tanque completa | ||||
| 121A | 6692121 | 9.58 | 11.59 | |
| Tuerca de Bloqueo M6 (antiguo 991-01060-013) | ||||
| 122 | 6684872 | 2.15 | 2.60 | |
| No hay información disponible, no se puede pedir | ||||
| 123 | 6699660 | |||
| Conjunto de arranque de retroceso (antiguo 756-017 | ||||
| 131 | 6692906 | 44.31 | 53.62 | |
| Tornillo de Roscar D5x14 (antiguo 990-72050-144) | ||||
| 132 | 6685275 | 1.15 | 1.39 | |
| Arandela | ||||
| 133 | 6689681 | 1.15 | 1.39 | |
| Polea de arranque (antiguo 774-01740-20) | ||||
| 134 | 6693060 | 3.30 | 3.99 | |
| Cuerda de Arranque 3 X 890 (antiguo 783-01740-20) | ||||
| 135 | 6693159 | 1.15 | 1.39 | |
| Carcasa del resorte de retroceso (antigua Art.nr. | ||||
| 136 | 6693093 | 7.75 | 9.38 | |
| Manija de inicio | ||||
| 137 | 6693228 | 2.31 | 2.80 | |
| Carcasa del ventilador | ||||
| 138 | 6686947 | 8.58 | 10.38 | |
| Tornillo de toque D4.5x20 (antiguo 990-72045-204) | ||||
| 139 | 6685191 | 1.15 | 1.39 | |
| Arandela | ||||
| 140 | 6684632 | 2.15 | 2.60 | |
| Pantalla de entrada (antiguo 578-25007-20) | ||||
| 151 | 6684700 | 4.29 | 5.19 | |
| Cuerpo de bomba (antiguo 575-25028-20/6696844) | ||||
| 152 | 6685211 | 8.41 | 10.18 | |
| Cuerpo de la bomba (antiguo 575-25006-20) | ||||
| 152A | 6691416 | 8.91 | 10.78 | |
| Tornillo (antiguo 514-25001-20) | ||||
| 153 | 6685210 | 1.15 | 1.39 | |
| Junta de la bomba (antiguo 577-25007-20) | ||||
| 154 | 6685212 | 2.31 | 2.80 | |
| Diafragma de la bomba (antiguo 576-25006-20) | ||||
| 155 | 6685213 | 4.45 | 5.38 | |
| Tornillo de ajuste bajo (viejo 461-25027-20) | ||||
| 156 | 6690714 | 5.28 | 6.38 | |
| Resorte de ajuste Alto/Bajo (antiguo 623-25032-20) | ||||
| 157 | 6692048 | 2.31 | 2.80 | |
| Palanca de control (antiguo 473-25001-20) | ||||
| 158 | 6685217 | 3.30 | 3.99 | |
| Tornillo de fijación de pasador de bisagra (antigu | ||||
| 159 | 6685218 | 2.31 | 2.80 | |
| Resorte de válvula (antiguo 477-25013-20) | ||||
| 160 | 6690870 | 2.31 | 2.80 | |
| Resorte de válvula (antiguo 477-25080-20) | ||||
| 160A | 6690872 | 2.31 | 2.80 | |
| Resorte de válvula (antiguo 477-25088-20) | ||||
| 160B | 6690873 | 4.45 | 5.38 | |
| Pasador de bisagra (antiguo 605-25001-20) | ||||
| 161 | 6685219 | 1.15 | 1.39 | |
| Cubierta del diafragma (antiguo 476-25004-20) | ||||
| 162 | 6685222 | 4.45 | 5.38 | |
| Membrana de medición Comp. (antiguo 474-25001-80/6 | ||||
| 163 | 6690827 | 11.71 | 14.17 | |
| Ya no disponible, sin reemplazo | ||||
| 164 | 6685220 | |||
| Válvula de aguja (antigua 603-25001-20) | ||||
| 165 | 6691943 | 5.78 | 6.99 | |
| Válvula de aguja (antiguo 603-25012-20) | ||||
| 165A | 6685215 | 5.28 | 6.38 | |
| Válvula de aguja (antigua 603-25001-20) | ||||
| 165B | 6691943 | 5.78 | 6.99 | |
| Válvula de aguja (antiguo 603-25012-20) | ||||
| 165C | 6685215 | 5.28 | 6.38 | |
| Resorte de ajuste de ralentí (antiguo 463-25006-20 | ||||
| 166 | 6685297 | 2.31 | 2.80 | |
| Tornillo de ajuste de ralentí (antiguo 462-25016-2 | ||||
| 167 | 6685298 | 2.31 | 2.80 | |
| Tornillo de ajuste alto (antiguo 460-25027-20) | ||||
| 168 | 6690691 | 4.79 | 5.79 | |
| Muelle de ajuste alto (antiguo 485-25040-20) | ||||
| 169 | 6690897 | 3.30 | 3.99 | |
| Tornillo de ajuste (antiguo 548-25012-20) | ||||
| 170 | 6685223 | 1.15 | 1.39 | |
| Tornillo 5x14/w.s (antiguo 994-16050-141) | ||||
| 191 | 6695416 | 1.15 | 1.39 | |
| Cubierta de la bomba de aceite (antiguo 097-32900- | ||||
| 192 | 6686763 | 2.31 | 2.80 | |
| Tubería de aceite A (antiguo 515-32710-20) | ||||
| 193 | 6691223 | 3.30 | 3.99 | |
| Tornillo de Engranaje (antiguo 084-32900-20) | ||||
| 194 | 6686645 | 10.40 | 12.58 | |
| Esponja de ventilación (antiguo 567-01700-20) | ||||
| 195 | 6691400 | 1.15 | 1.39 | |
| Conjunto de bomba de aceite (antiguo 144-32902-90 | ||||
| 196 | 6687324 | 10.56 | 12.78 | |
| Junta de ajuste de aceite (antiguo 488-32710-21/66 | ||||
| 197 | 6690956 | 1.15 | 1.39 | |
| Ajustador de bomba de aceite (antiguo 501-32710-21 | ||||
| 198 | 6691070 | 1.15 | 1.39 | |
| Anillo O P-6 (antiguo 6695663) | ||||
| 199 | 6697917 | 1.04 | 1.26 | |
| Set de carcasa de bomba de aceite, repuesto (viejo | ||||
| 200 | 6686681 | 9.74 | 11.78 | |
| Anillo O P-6 (antiguo 6695663) | ||||
| 201 | 6697917 | 1.04 | 1.26 | |
| Tornillo de Roscar D5x14 (antiguo 990-72050-144) | ||||
| 202 | 6685275 | 1.15 | 1.39 | |
| Tubo de combustible (antiguo 700-07105-02) | ||||
| 203 | 6685154 | 1.15 | 1.39 | |
| Captor de cadena (antiguo 125-32710-20) | ||||
| 204 | 6685155 | 1.15 | 1.39 | |
| Tornillo autoperforante D4.5x14 (antiguo 990-75045 | ||||
| 205 | 6685152 | 1.15 | 1.39 | |
| Tuerca (antiguo 121-32530-20) | ||||
| 221 | 6685166 | 2.31 | 2.80 | |
| Tuerca de abrazadera de barra de cadena (antiguo 1 | ||||
| 221A | 6687105 | 1.15 | 1.39 | |
| Embrague Comp. (antiguo 6688559/6685362) | ||||
| 222 | 6685142 | 14.38 | 17.39 | |
| Rodamiento de agujas (antiguo 999-62101-301) | ||||
| 223 | 6685143 | 4.45 | 5.38 | |
| Carcasa del Embrague Comp. (antiguo 310-32710-20/6 | ||||
| 224 | 6685144 | 14.53 | 17.58 | |
| Arandela | ||||
| 225 | 6685145 | 2.31 | 2.80 | |
| Tornillo autorroscante D4x10 (antiguo 993-41040-10 | ||||
| 226 | 6685161 | 1.15 | 1.39 | |
| Placa (antiguo 466-32710-21 & 6690789) | ||||
| 227 | 6690790 | 2.31 | 2.80 | |
| Placa de guía A (antiguo 6690733) | ||||
| 227A | 6697599 | 2.80 | 3.39 | |
| Collar del cigüeñal (antiguo 511-32900-20) | ||||
| 228 | 6685146 | 2.31 | 2.80 | |
| Tornillo autorroscante D4x10 (antiguo 993-41040-10 | ||||
| 229 | 6685161 | 1.15 | 1.39 | |
| Conjunto del estuche lateral | ||||
| 230 | 6601145 | 41.14 | 49.78 | |
| Conjunto del estuche lateral | ||||
| 230A | 6697628 | 48.55 | 58.75 | |
| Placa de guía B (antiguo 462-32911-21/6690755) | ||||
| 231 | 6690756 | 2.31 | 2.80 | |
| Tornillo 2.6x5 (antiguo 993-30026-050) | ||||
| 232 | 6695269 | 1.15 | 1.39 | |
| Extractor de Cadena | ||||
| 233B | 6698986 | 13.35 | 16.15 | |
| Engranaje (a) (viejo 301-72000-20) | ||||
| 234 | 6685168 | 2.31 | 2.80 | |
| Manija de freno (antigua 365-32901-80) | ||||
| 235 | 6689674 | 13.04 | 15.78 | |
| Cubierta de enlace de freno, negra (antigua 375-32 | ||||
| 236 | 6689712 | 2.31 | 2.80 | |
| MUELLE DE FRENO | ||||
| 237 | 6697694 | 2.10 | 2.54 | |
| Placa de Soporte de Freno Comp. (antiguo 386-32901 | ||||
| 238 | 6685119 | 4.45 | 5.38 | |
| Rodillo de agujas 3x9.8 (antiguo 999-05300-980) | ||||
| 239 | 6685141 | 1.15 | 1.39 | |
| Conjunto de enlace de freno | ||||
| 240 | 6685388 | 4.05 | 4.90 | |
| Banda de freno | ||||
| 241 | 6689728 | 8.41 | 10.18 | |
| Collar de fijación del limpiador (antiguo 470-1024 | ||||
| 242 | 6690805 | 1.15 | 1.39 | |
| Collar (antiguo 031-32901-20) | ||||
| 243 | 6685120 | 1.15 | 1.39 | |
| Cubierta lateral comp. | ||||
| 244 | 6697614 | 10.89 | 13.17 | |
| Muelle de Palanca de Freno (antiguo 388-32900-20) | ||||
| 245 | 6685122 | 2.31 | 2.80 | |
| Tornillo autoperforante D4x15 (antiguo 993-41040-1 | ||||
| 246 | 6685148 | 1.15 | 1.39 | |
| Ensamble de perno de ajuste de tensión (antiguo 11 | ||||
| 247 | 6687071 | 2.31 | 2.80 | |
| Tornillo 5x25 Ps (antiguo 994-15050-251) | ||||
| 261 | 6695394 | 1.15 | 1.39 | |
| Tuerca en U 5 (antiguo 991-74050-010) | ||||
| 262 | 6695157 | 1.15 | 1.39 | |
| Tornillo 5x40/s (antiguo 994-14050-401) | ||||
| 263 | 6695348 | 1.15 | 1.39 | |
| Arandela 5 (antiguo 992-00050-011) | ||||
| 264 | 6684864 | 2.15 | 2.60 | |
| Collarín de Amortiguador A (antiguo 275-32710-20) | ||||
| 265 | 6688480 | 1.15 | 1.39 | |
| Amortiguador A (antiguo 219-32750-20) | ||||
| 266 | 6688117 | 1.15 | 1.39 | |
| Tuerca en U 5 (antiguo 991-74050-010) | ||||
| 267 | 6695157 | 1.15 | 1.39 | |
| Componente de Mango Trasero B (antiguo 011-32901-8 | ||||
| 268 | 6685646 | 5.28 | 6.38 | |
| Tapa de pasador de empuje (antiguo 725-32161-20) | ||||
| 269 | 6692680 | 1.15 | 1.39 | |
| Resorte de tope (viejo 066-32300-20) | ||||
| 270 | 6686447 | 1.15 | 1.39 | |
| Pasador de empuje (antiguo 064-33225-20) | ||||
| 271 | 6686433 | 1.15 | 1.39 | |
| No hay información disponible, no se puede pedir | ||||
| 272 | 6688361 | |||
| Ya no disponible, sin reemplazo | ||||
| 273 | 6686390 | |||
| No hay información disponible, no se puede pedir | ||||
| 274 | 6697845 | |||
| Tuerca M4 (antiguo 991-01040-011) | ||||
| 275 | 6685069 | 1.15 | 1.39 | |
| Mango trasero A comp. (antiguo 010-32750-81) | ||||
| 276 | 6685616 | 11.88 | 14.37 | |
| Tornillo 4x22/ws (antiguo 994-16040-226) | ||||
| 277 | 6695410 | 1.15 | 1.39 | |
| Empuñadura delantera completa (antigua 209-32750-8 | ||||
| 278 | 6688077 | 7.93 | 9.59 | |
| Amortiguador B (antiguo 266-32750-20/6688412) | ||||
| 279 | 6688412 | 1.15 | 1.39 | |
| Collar amortiguador B (antiguo 276-32710-20) | ||||
| 280 | 6688485 | 1.15 | 1.39 | |
| Tornillo autorroscante 5x35 (antiguo 990-73050-354 | ||||
| 281 | 6695107 | 1.15 | 1.39 | |
| Tornillo autorroscante 5x35 (antiguo 990-73050-354 | ||||
| 282 | 6695107 | 1.15 | 1.39 | |
| Llave Combinada 10/19mm (antiguo 013-29323-50/6685 | ||||
| 501 | 6685257 | 3.30 | 3.99 | |
| Llave combinada de caja 13x19 Minus (antiguo 883-3 | ||||
| 501A | 6693809 | 4.45 | 5.38 | |
| No hay información disponible, no se puede pedir | ||||
| 502A | 6685401 | |||
| Cubierta de Cadena 14" (antiguo 946-32753-20) | ||||
| 503 | 6685256 | 6.44 | 7.79 | |
| Menos conductor | ||||
| 505 | 6686632 | 3.06 | 3.71 | |
| No hay información disponible, no se puede pedir | ||||
| 506 | 6694810 | |||
| No hay información disponible, no se puede pedir | ||||
| 507 | 6697889 | |||
| No hay información disponible, no se puede pedir | ||||
| 508 | 6686854 | |||
| No hay información disponible, no se puede pedir | ||||
| 510 | 6685159 | |||
| No hay información disponible, no se puede pedir | ||||
| 511 | 6685160 | |||
| No hay información disponible, no se puede pedir | ||||
| 513 | 6697852 | |||
| No hay información disponible, no se puede pedir | ||||
| 514 | 6697854 | |||
| No hay información disponible, no se puede pedir | ||||
| 601 | 6699570 | |||
| No hay información disponible, no se puede pedir | ||||
| 602 | 6699571 | |||