Aquí encontrará todas las piezas y dibujos técnicos disponibles de 'Hikoki FCJ65V'. Desde aquí podrá pedir todas las piezas deseadas directamente. Para muchas piezas de repuesto, es necesario pasar un pedido al fabricante. Dependiendo de la marca, el plazo de entrega puede variar entre una y cuatro semanas. Toda la información que tenemos está en nuestro sitio web. No podremos aconsejarle sobre lo que necesita hasta que entregue la máquina para su reparación. Tenga en cuenta lo siguiente a la hora de cursar su pedido:
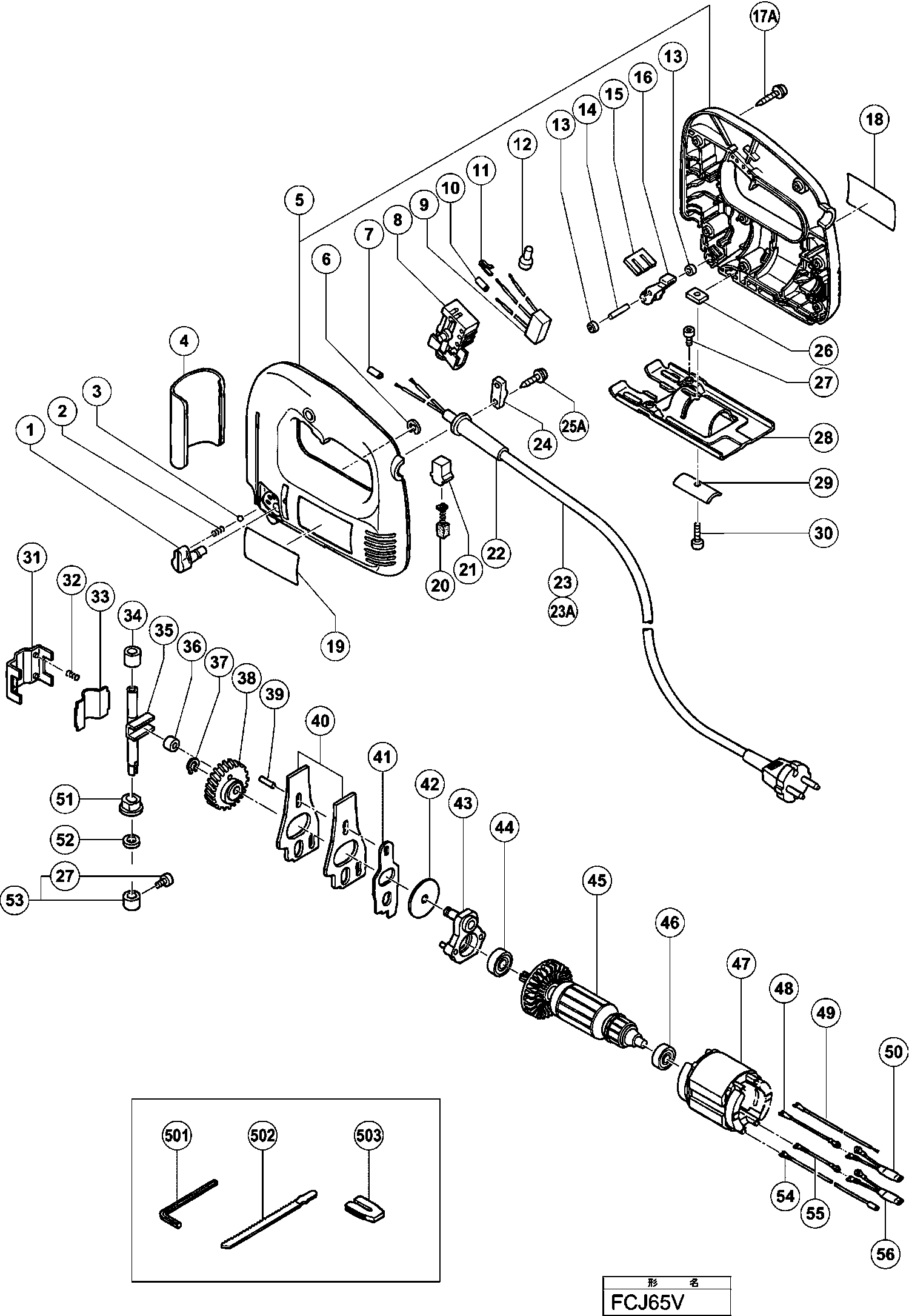
Dibujo técnico de los/las Hikoki FCJ65V
Lista de las piezas de repuesto de Hikoki FCJ65V
| Pos. | Descripción | Precio con el IVA excluido | Precio con el IVA incluido | |
| Los precios mostrados incluyen el IVA | ||||
| BOTÓN | ||||
| 1 | 963368 | 7.35 | 8.89 | |
| Muelle | ||||
| 2 | 982454 | 1.04 | 1.26 | |
| Bola de Acero D3.97 (10 unidades) | ||||
| 3 | 959155 | 1.04 | 1.26 | |
| Cubierta de la ficha | ||||
| 4 | 305804 | 6.75 | 8.17 | |
| No hay información disponible, no se puede pedir | ||||
| 5 | 310758 | |||
| Arandela | ||||
| 6 | 673489 | 1.04 | 1.26 | |
| Casquillo roscado para cable | ||||
| 7 | 981373 | 1.05 | 1.27 | |
| INTERRUPTOR 220 VOLT | ||||
| 8 | 994744 | 37.95 | 45.92 | |
| SCHAKELAAR | ||||
| 8 | 994843 | 24.64 | 29.81 | |
| Condensador (antiguo 930030/991313) | ||||
| 9 | 994273 | 4.29 | 5.19 | |
| Casquillo roscado para cable | ||||
| 10 | 981373 | 1.05 | 1.27 | |
| Terminal de Tierra Dh22vd/dh20pb Cj120v/va | ||||
| 11 | 302488 | 1.04 | 1.26 | |
| MANGUITO ROSCADO | ||||
| 13 | 994255 | 2.40 | 2.90 | |
| Aguja D4x20 rodante | ||||
| 14 | 943364 | 1.05 | 1.27 | |
| Junta | ||||
| 15 | 994253 | 1.05 | 1.27 | |
| No hay información disponible, no se puede pedir | ||||
| 16 | 305967 | |||
| Tornillo de roscado D4x20 con brida (negro) | ||||
| 17A | 301653 | 1.04 | 1.26 | |
| Escobilla de carbono (1 par) | ||||
| 20 | 999041 | 4.50 | 5.44 | |
| Soporte de Cepillo de Carbono | ||||
| 21 | 930483 | 1.65 | 2.00 | |
| Protector de Cable D10.2 (antiguo 930354) | ||||
| 22 | 980193 | 1.65 | 2.00 | |
| Armadura de cable D7.2 | ||||
| 22 | 307217 | 1.05 | 1.27 | |
| PASACABLES D8.8 | ||||
| 22 | 303662 | 1.04 | 1.26 | |
| SNOER 2.5M 2 X 1.0 H05VV-F W/PLUG 13A/250V (OLD 50 | ||||
| 23 | 500423Z | 12.87 | 15.57 | |
| Cable de conexión | ||||
| 23 | 303667 | 8.40 | 10.16 | |
| Cordón 2,5m 2 X 1.0 H05vv-f (Antiguo 500395z) | ||||
| 23 | 500447Z | 6.60 | 7.99 | |
| Abrazadera del cordón | ||||
| 24 | 960266 | 1.04 | 1.26 | |
| No hay información disponible, no se puede pedir | ||||
| 25A | 984750 | |||
| Tuerca de placa | ||||
| 26 | 962991 | 1.05 | 1.27 | |
| Tornillo Allen M4x8 (antiguo 973563,10 uds.) | ||||
| 27 | 949811 | 1.50 | 1.82 | |
| Placa base KS 60 | ||||
| 28 | 962988 | 7.95 | 9.62 | |
| Casillero Base | ||||
| 29 | 994260 | 1.20 | 1.45 | |
| Tornillo de cabeza hexagonal interior M4x16 | ||||
| 30 | 949754 | 2.40 | 2.90 | |
| Portaplacas | ||||
| 31 | 994243 | 1.20 | 1.45 | |
| VEER | ||||
| 32 | 963362 | 1.38 | 1.67 | |
| PLAATS | ||||
| 33 | 994244 | 1.50 | 1.82 | |
| METAL (A) | ||||
| 34 | 994262 | 1.38 | 1.67 | |
| Émbolo | ||||
| 35 | 305803 | 40.84 | 49.41 | |
| Pieza de puente | ||||
| 36 | 962982 | 4.20 | 5.08 | |
| Arandela de perno D7 | ||||
| 37 | 994251 | 1.05 | 1.27 | |
| Ya no disponible, sin reemplazo | ||||
| 38 | 994250 | |||
| Rodillo de aguja | ||||
| 39 | 983545 | 1.05 | 1.27 | |
| Peso de equilibrio | ||||
| 40 | 994249 | 10.50 | 12.70 | |
| Leva orbital | ||||
| 41 | 994248 | 2.55 | 3.09 | |
| RING | ||||
| 42 | 994247 | 1.00 | 1.21 | |
| HOUDER | ||||
| 43 | 994246 | 13.58 | 16.43 | |
| Rodamiento de bolas 608vvmc2eps2l | ||||
| 44 | 608VVM | 5.70 | 6.90 | |
| ARMADURA 230V | ||||
| 45 | 987120E | 52.53 | 63.56 | |
| Rodamiento de bolas 626vvmc2erps2s | ||||
| 46 | 626VVM | 5.70 | 6.90 | |
| Estator 220v-230v | ||||
| 47 | 340228E | 17.19 | 20.80 | |
| No hay información disponible, no se puede pedir | ||||
| 48 | 305808 | |||
| No hay información disponible, no se puede pedir | ||||
| 49 | 305813 | |||
| Metal | ||||
| 51 | 305966 | 3.00 | 3.63 | |
| FIELTRO | ||||
| 52 | 963354 | 1.05 | 1.27 | |
| No hay información disponible, no se puede pedir | ||||
| 53 | 305811 | |||
| Cable interno | ||||
| 54 | 305805 | 1.95 | 2.36 | |
| No hay información disponible, no se puede pedir | ||||
| 55 | 305807 | |||
| No hay información disponible, no se puede pedir | ||||
| 501 | 943277 | |||
| No hay información disponible, no se puede pedir | ||||
| 502 | 879357 | |||
| No hay información disponible, no se puede pedir | ||||
| 503 | 305810 | |||
| No hay información disponible, no se puede pedir | ||||
| 601 | 879336 | |||
| No hay información disponible, no se puede pedir | ||||
| 602 | 879337 | |||
| No hay información disponible, no se puede pedir | ||||
| 603 | 879338 | |||
| No hay información disponible, no se puede pedir | ||||
| 604 | 879339 | |||
| No hay información disponible, no se puede pedir | ||||
| 605 | 879340 | |||
| No hay información disponible, no se puede pedir | ||||
| 606 | 879341 | |||
| No hay información disponible, no se puede pedir | ||||
| 608 | 306021 | |||