Aquí encontrará todas las piezas y dibujos técnicos disponibles de 'Hikoki FD10SA'. Desde aquí podrá pedir todas las piezas deseadas directamente. Para muchas piezas de repuesto, es necesario pasar un pedido al fabricante. Dependiendo de la marca, el plazo de entrega puede variar entre una y cuatro semanas. Toda la información que tenemos está en nuestro sitio web. No podremos aconsejarle sobre lo que necesita hasta que entregue la máquina para su reparación. Tenga en cuenta lo siguiente a la hora de cursar su pedido:
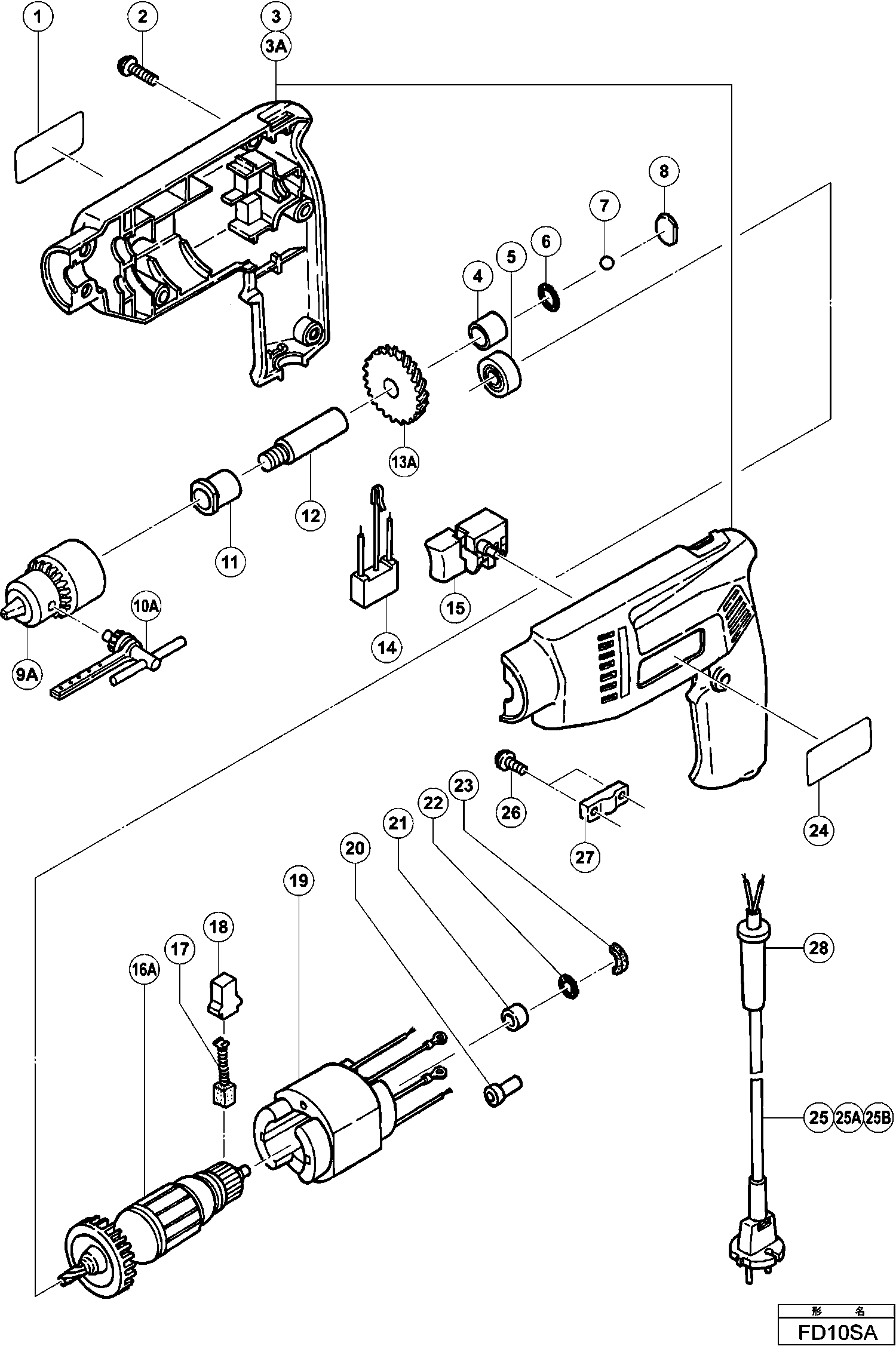
Dibujo técnico de los/las Hikoki FD10SA
Lista de las piezas de repuesto de Hikoki FD10SA
| Pos. | Descripción | Precio con el IVA excluido | Precio con el IVA incluido | |
| Los precios mostrados incluyen el IVA | ||||
| No hay información disponible, no se puede pedir | ||||
| *19 | 340071F | |||
| No hay información disponible, no se puede pedir | ||||
| *25 | 500439Z | |||
| SNOER 2.5M 2 X 1.0 H05VV-F W/PLUG 13A/250V (OLD 50 | ||||
| *25A | 500423Z | 12.87 | 15.57 | |
| Cordón 2,5m 2 X 1.0 H05vv-f (Antiguo 500395z) | ||||
| *25A | 500447Z | 6.60 | 7.99 | |
| Protector de cable D10.2 Hasta 11.1982 Para Aus | ||||
| *28 | 930026 | 3.00 | 3.63 | |
| Tornillo D4x20 (Corbata plástica) | ||||
| 2 | 994806 | 1.04 | 1.26 | |
| No hay información disponible, no se puede pedir | ||||
| 3 | 314774 | |||
| Set de carcasas (a+b) Verde musgo | ||||
| 3A | 994731 | 11.70 | 14.16 | |
| Metal (b) | ||||
| 4 | 954789 | 1.05 | 1.27 | |
| Rodamiento de bolas 608vvmc2eps2l | ||||
| 5 | 608VVM | 5.70 | 6.90 | |
| O-ring (s-16) | ||||
| 6 | 876031 | 1.65 | 2.00 | |
| Bola de Acero D5.556 (10 unidades) | ||||
| 7 | 959154 | 1.35 | 1.63 | |
| No hay información disponible, no se puede pedir | ||||
| 8 | 954166 | |||
| No hay información disponible, no se puede pedir | ||||
| 9A | 950292 | |||
| No hay información disponible, no se puede pedir | ||||
| 10A | 980057 | |||
| Metal | ||||
| 11 | 987072 | 1.65 | 2.00 | |
| No hay información disponible, no se puede pedir | ||||
| 12 | 994720 | |||
| No hay información disponible, no se puede pedir | ||||
| 13A | 994721 | |||
| Interruptor | ||||
| 15 | 957747 | 14.03 | 16.97 | |
| ARMADURA 230V | ||||
| 16A | 360038F | 33.00 | 39.93 | |
| Escobilla de carbono (1 par) | ||||
| 17 | 999041 | 4.50 | 5.44 | |
| Soporte de Cepillo de Carbono | ||||
| 18 | 930483 | 1.65 | 2.00 | |
| No hay información disponible, no se puede pedir | ||||
| 19 | 340071F | |||
| Terminal de soldadura 50092 (10 piezas) | ||||
| 20 | 959141 | 3.75 | 4.54 | |
| METAL (A) | ||||
| 21 | 987106 | 1.00 | 1.21 | |
| Anillo O (s-10) | ||||
| 22 | 987105 | 1.05 | 1.27 | |
| FELT (REP FROM 987108) | ||||
| 23 | 994722 | 1.00 | 1.21 | |
| No hay información disponible, no se puede pedir | ||||
| 25 | 500439Z | |||
| Cordón | ||||
| 25A | 930051 | 14.30 | 17.30 | |
| SNOER 2.5M 2 X 1.0 H05VV-F W/PLUG 13A/250V (OLD 50 | ||||
| 25A | 500423Z | 12.87 | 15.57 | |
| Cordón 2,5m 2 X 1.0 H05vv-f (Antiguo 500395z) | ||||
| 25A | 500447Z | 6.60 | 7.99 | |
| No hay información disponible, no se puede pedir | ||||
| 25B | 500436Z | |||
| Tornillo (Corbata de plastico) D4x16 | ||||
| 26 | 994810 | 1.05 | 1.27 | |
| Abrazadera del cordón | ||||
| 27 | 960266 | 1.04 | 1.26 | |
| Protector de cable D10.2 Hasta 11.1982 Para Aus | ||||
| 28 | 930026 | 3.00 | 3.63 | |
| Prensaestopas D8.2 | ||||
| 28 | 930487 | 2.25 | 2.72 | |