Aquí encontrará todas las piezas y dibujos técnicos disponibles de 'Hikoki FDV20VB'. Desde aquí podrá pedir todas las piezas deseadas directamente. Para muchas piezas de repuesto, es necesario pasar un pedido al fabricante. Dependiendo de la marca, el plazo de entrega puede variar entre una y cuatro semanas. Toda la información que tenemos está en nuestro sitio web. No podremos aconsejarle sobre lo que necesita hasta que entregue la máquina para su reparación. Tenga en cuenta lo siguiente a la hora de cursar su pedido:
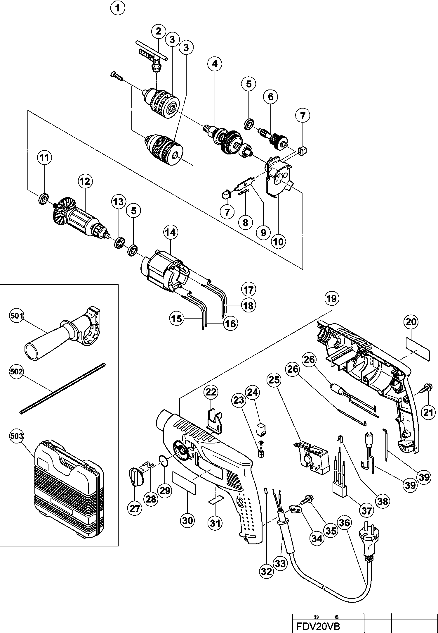
Dibujo técnico de los/las Hikoki FDV20VB
Lista de las piezas de repuesto de Hikoki FDV20VB
| Pos. | Descripción | Precio con el IVA excluido | Precio con el IVA incluido | |
| Los precios mostrados incluyen el IVA | ||||
| No hay información disponible, no se puede pedir | ||||
| 1 | 995344 | |||
| No hay información disponible, no se puede pedir | ||||
| 2 | 987576 | |||
| No hay información disponible, no se puede pedir | ||||
| 3 | 319546 | |||
| Eje y conjunto de engranajes | ||||
| 4 | 319601 | 45.65 | 55.24 | |
| Rodamiento de bolas 608vvmc2eps2l | ||||
| 5 | 608VVM | 5.70 | 6.90 | |
| Segundo engranaje | ||||
| 6 | 319605 | 24.06 | 29.12 | |
| Botón De Cambio | ||||
| 7 | 319604 | 1.65 | 2.00 | |
| Muelle | ||||
| 8 | 963226 | 1.35 | 1.63 | |
| Leva | ||||
| 9 | 319603 | 2.40 | 2.90 | |
| No hay información disponible, no se puede pedir | ||||
| 10 | 319602 | |||
| Rodamiento de bolas 608ddmc2eps2s | ||||
| 11 | 608DDM | 5.55 | 6.72 | |
| No hay información disponible, no se puede pedir | ||||
| 12 | 360548U | |||
| No hay información disponible, no se puede pedir | ||||
| 13 | 319609 | |||
| Stator 220v-230v H-90sa Includ.103 Para Nzl,saf | ||||
| 14 | 340496E | 27.23 | 32.94 | |
| STATOR 110-115 VOLT | ||||
| 14 | 340496C | 22.88 | 27.68 | |
| No hay información disponible, no se puede pedir | ||||
| 15 | 303655 | |||
| No hay información disponible, no se puede pedir | ||||
| 16 | 319612 | |||
| No hay información disponible, no se puede pedir | ||||
| 17 | 319611 | |||
| No hay información disponible, no se puede pedir | ||||
| 18 | 303656 | |||
| Set de carcasas (a+b) Verde musgo | ||||
| 19 | 319644 | 19.11 | 23.13 | |
| Tornillo autoperforante (con brida) D4x20 (negro) | ||||
| 21 | 302086 | 1.05 | 1.27 | |
| Varilla de acoplamiento DF 700 | ||||
| 22 | 319607 | 2.55 | 3.09 | |
| Escobilla de carbono (1 par) | ||||
| 23 | 999041 | 4.50 | 5.44 | |
| Soporte de Cepillo de Carbono | ||||
| 24 | 955203 | 2.40 | 2.90 | |
| SCHAKELAAR 110-115 VOLT | ||||
| 25 | 314916 | 35.42 | 42.86 | |
| Interruptor de Control de Velocidad (2p) 220v-240v | ||||
| 25 | 314921 | 29.98 | 36.27 | |
| Ya no disponible, sin reemplazo | ||||
| 26 | 319614 | |||
| Palanca de cambio | ||||
| 27 | 319606 | 3.30 | 3.99 | |
| Pasador de cambio Fdv20vb | ||||
| 28 | 319608 | 1.65 | 2.00 | |
| Anillo O (s-12) | ||||
| 29 | 875638 | 1.65 | 2.00 | |
| Casquillo roscado para cable | ||||
| 32 | 981373 | 1.05 | 1.27 | |
| Armadura de cable D7.2 | ||||
| 33 | 307217 | 1.05 | 1.27 | |
| PASACABLES D8.8 | ||||
| 33 | 303662 | 1.04 | 1.26 | |
| Abrazadera del cordón | ||||
| 34 | 960266 | 1.04 | 1.26 | |
| Tornillo Autoperforante (con brida) D4x16 (negro) | ||||
| 35 | 305812 | 1.04 | 1.26 | |
| SNOER 2.5M 2 X 1.0 H05VV-F W/PLUG 13A/250V (OLD 50 | ||||
| 36 | 500423Z | 12.87 | 15.57 | |
| Cable de conexión | ||||
| 36 | 303667 | 8.40 | 10.16 | |
| Cordón 2,5m 2 X 1.0 H05vv-f (Antiguo 500395z) | ||||
| 36 | 500447Z | 6.60 | 7.99 | |
| Terminal de Tierra Dh22vd/dh20pb Cj120v/va | ||||
| 38 | 302488 | 1.04 | 1.26 | |
| Ya no disponible, sin reemplazo | ||||
| 39 | 319613 | |||
| No hay información disponible, no se puede pedir | ||||
| 501 | 303659 | |||
| No hay información disponible, no se puede pedir | ||||
| 502 | 303709 | |||
| No hay información disponible, no se puede pedir | ||||
| 503 | 319616 | |||
| No hay información disponible, no se puede pedir | ||||
| 608 | 971670 | |||
| No hay información disponible, no se puede pedir | ||||
| 610 | 306927 | |||