Aquí encontrará todas las piezas y dibujos técnicos disponibles de 'Hikoki G12SQ2'. Desde aquí podrá pedir todas las piezas deseadas directamente. Para muchas piezas de repuesto, es necesario pasar un pedido al fabricante. Dependiendo de la marca, el plazo de entrega puede variar entre una y cuatro semanas. Toda la información que tenemos está en nuestro sitio web. No podremos aconsejarle sobre lo que necesita hasta que entregue la máquina para su reparación. Tenga en cuenta lo siguiente a la hora de cursar su pedido:
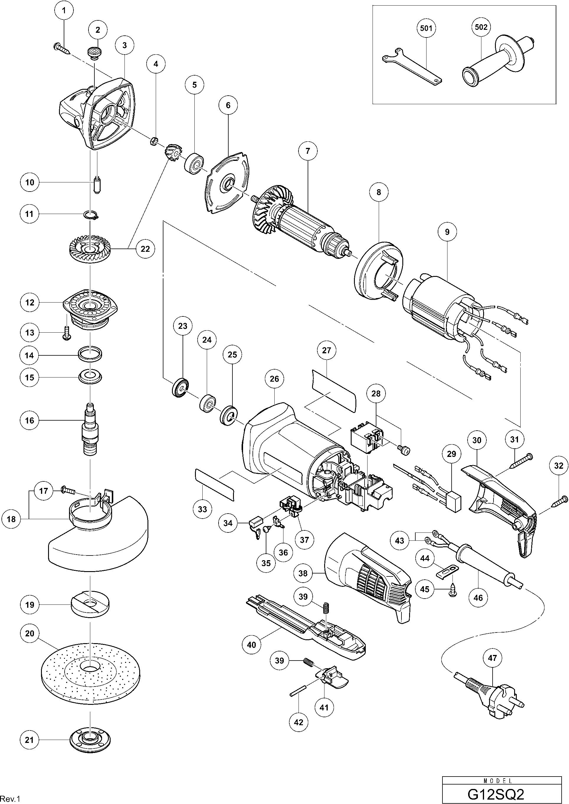
Dibujo técnico de los/las Hikoki G12SQ2
Lista de las piezas de repuesto de Hikoki G12SQ2
| Pos. | Descripción | Precio con el IVA excluido | Precio con el IVA incluido | |
| Los precios mostrados incluyen el IVA | ||||
| HUSILLO | ||||
| *16 | 373292 | 3.90 | 4.72 | |
| No hay información disponible, no se puede pedir | ||||
| *21 | 339579 | |||
| Clip del Cordón | ||||
| *44 | 338334 | 1.04 | 1.26 | |
| SNOER 10.7 (USE 714500=2X1 5M) | ||||
| *47 | 500247Z | 6.18 | 7.48 | |
| No hay información disponible, no se puede pedir | ||||
| *613 | 937825Z | |||
| MONTAJE DE ARMADURA 120 VOLTS | ||||
| *7 | 361082U | 33.55 | 40.60 | |
| INDUCIDO 230 VOLT | ||||
| *7 | 361082F | 19.66 | 23.79 | |
| ANKER 110 VOLT | ||||
| *7 | 361082B | 18.37 | 22.23 | |
| Campo | ||||
| *9 | 340997E | 16.23 | 19.63 | |
| Estator 220v-230v | ||||
| *9 | 340997D | 15.81 | 19.13 | |
| VELD 110-120 VOLT | ||||
| *9 | 340997B | 15.12 | 18.30 | |
| Tornillo Autoperforante (con Brida) D4x23 (negro) | ||||
| 1 | 328643 | 1.05 | 1.27 | |
| Botón De Empuje | ||||
| 2 | 301944 | 1.04 | 1.26 | |
| Cubierta del engranaje Ass'y Incl.3,17 | ||||
| 3 | 338332 | 7.50 | 9.08 | |
| Tuerca M6 | ||||
| 4 | 309191 | 1.04 | 1.26 | |
| Rodamiento de bolas 608ss | ||||
| 5 | 338337 | 2.25 | 2.72 | |
| Soporte De Cojinete | ||||
| 6 | 338850 | 1.04 | 1.26 | |
| MONTAJE DE ARMADURA 120 VOLTS | ||||
| 7 | 361082U | 33.55 | 40.60 | |
| INDUCIDO 230 VOLT | ||||
| 7 | 361082F | 19.66 | 23.79 | |
| ANKER 110 VOLT | ||||
| 7 | 361082B | 18.37 | 22.23 | |
| Guía de ventilador | ||||
| 8 | 338853 | 1.04 | 1.26 | |
| Campo | ||||
| 9 | 340997E | 16.23 | 19.63 | |
| Estator 220v-230v | ||||
| 9 | 340997D | 15.81 | 19.13 | |
| VELD 110-120 VOLT | ||||
| 9 | 340997B | 15.12 | 18.30 | |
| Pasador De Bloqueo | ||||
| 10 | 301943 | 1.65 | 2.00 | |
| Anillo de Retención para Eje D11 Hasta 9.2012 | ||||
| 11 | 316487 | 1.65 | 2.00 | |
| Cubierta interior | ||||
| 12 | 338849 | 3.00 | 3.63 | |
| Tornillo de bloqueo (con arandela sp.) M4x12 | ||||
| 13 | 328628 | 1.05 | 1.27 | |
| JUNTA DE FIELTRO | ||||
| 14 | 373384 | 1.04 | 1.26 | |
| Fringer | ||||
| 15 | 373383 | 1.04 | 1.26 | |
| HUSILLO | ||||
| 16 | 373292 | 3.90 | 4.72 | |
| Tornillo de máquina (con arandela) M5x16 (negro) | ||||
| 17 | 308386 | 1.05 | 1.27 | |
| CUBIERTA PROTECTORA | ||||
| 18 | 338848 | 2.40 | 2.90 | |
| WHEEL GUARD (LABEL) ASS'Y | ||||
| 18A | 382259 | 2.70 | 3.27 | |
| No hay información disponible, no se puede pedir | ||||
| 19 | 937817Z | |||
| No hay información disponible, no se puede pedir | ||||
| 19A | 376067 | |||
| No hay información disponible, no se puede pedir | ||||
| 20 | 316821 | |||
| No hay información disponible, no se puede pedir | ||||
| 21 | 339579 | |||
| Conjunto de engranaje y piñón | ||||
| 22 | 339265 | 7.26 | 8.79 | |
| Sello de polvo | ||||
| 23 | 321722 | 1.35 | 1.63 | |
| Rodamiento de bolas 626zz | ||||
| 24 | 339145 | 1.50 | 1.82 | |
| Anillo de goma (1) | ||||
| 25 | 309929 | 1.04 | 1.26 | |
| CARCASA | ||||
| 26 | 373167 | 4.80 | 5.81 | |
| Interruptor | ||||
| 28 | 339149 | 2.70 | 3.27 | |
| Supresor de ruido W/banda supresora de ruido | ||||
| 29 | 373291 | 3.60 | 4.36 | |
| CUBIERTA DE COLA (B) | ||||
| 30 | 373169 | 1.20 | 1.45 | |
| Tornillo autorroscante (con brida) D4x30 (negro) | ||||
| 31 | 305490 | 1.04 | 1.26 | |
| Tornillo de roscado D4x20 con brida (negro) | ||||
| 32 | 301653 | 1.04 | 1.26 | |
| Escobilla de carbono (1 par) | ||||
| 34 | 999067 | 2.85 | 3.45 | |
| Tornillo de golpe D3x8 | ||||
| 35 | 328210 | 1.20 | 1.45 | |
| Terminal | ||||
| 36 | 339185 | 1.04 | 1.26 | |
| Soporte de Cepillo de Carbono | ||||
| 37 | 333844 | 2.10 | 2.54 | |
| CUBIERTA DE COLA (A) | ||||
| 38 | 373168 | 1.20 | 1.45 | |
| Resorte, acero inoxidable | ||||
| 39 | 373175 | 1.04 | 1.26 | |
| Palanca de cambio | ||||
| 40 | 373170 | 1.05 | 1.27 | |
| PALANCA DE BLOQUEO | ||||
| 41 | 373171 | 1.04 | 1.26 | |
| PASADOR DE AGUJA | ||||
| 42 | 373173 | 1.04 | 1.26 | |
| Terminal de Conexión | ||||
| 43 | 980063 | 1.04 | 1.26 | |
| Clip del Cordón | ||||
| 44 | 338334 | 1.04 | 1.26 | |
| Tornillo de punta (con brida) D4x12 Hasta 1.2001 | ||||
| 45 | 305720 | 1.05 | 1.27 | |
| Protector de cable D8.8 | ||||
| 46 | 380090 | 1.04 | 1.26 | |
| Casquillo del cable D10.1 | ||||
| 46 | 938051 | 1.04 | 1.26 | |
| Protector de cable D8.8 | ||||
| 46A | 380090 | 1.04 | 1.26 | |
| SNOER 10.7 (USE 714500=2X1 5M) | ||||
| 47 | 500247Z | 6.18 | 7.48 | |
| TORNILLO DE BLOQUEO DE SELLO M4X10 | ||||
| 48 | 987201 | 1.05 | 1.27 | |
| Cubierta del cojinete RTS 400 REQ | ||||
| 49 | 316490 | 1.65 | 2.00 | |
| Rodamiento de bolas 6201vvcmps2s | ||||
| 50 | 6201VV | 6.45 | 7.80 | |
| Empaque De Fieltro | ||||
| 51 | 301946 | 1.04 | 1.26 | |
| PACKING GLAND NEW | ||||
| 52 | 380072 | 3.48 | 4.21 | |
| AS | ||||
| 53 | 379927 | 2.46 | 2.98 | |
| No hay información disponible, no se puede pedir | ||||
| 501 | 938332Z | |||
| Asa lateral G13sr3 | ||||
| 502 | 318312 | 7.50 | 9.08 | |
| CUTTING GUARD CLIP | ||||
| 503 | 381202 | 2.10 | 2.54 | |
| No hay información disponible, no se puede pedir | ||||
| 601 | 314095 | |||
| No hay información disponible, no se puede pedir | ||||
| 602 | 314096 | |||
| No hay información disponible, no se puede pedir | ||||
| 603 | 314097 | |||
| No hay información disponible, no se puede pedir | ||||
| 604 | 314098 | |||
| No hay información disponible, no se puede pedir | ||||
| 605 | 314099 | |||
| No hay información disponible, no se puede pedir | ||||
| 606 | 314100 | |||
| No hay información disponible, no se puede pedir | ||||
| 607 | 314101 | |||
| No hay información disponible, no se puede pedir | ||||
| 608 | 314102 | |||
| No hay información disponible, no se puede pedir | ||||
| 609 | 314103 | |||
| No hay información disponible, no se puede pedir | ||||
| 610 | 314104 | |||
| No hay información disponible, no se puede pedir | ||||
| 611 | 314105 | |||
| No hay información disponible, no se puede pedir | ||||
| 612 | 937826Z | |||
| No hay información disponible, no se puede pedir | ||||
| 613 | 937825Z | |||
| No hay información disponible, no se puede pedir | ||||
| 614 | 332785 | |||