Aquí encontrará todas las piezas y dibujos técnicos disponibles de 'Hikoki G13BY'. Desde aquí podrá pedir todas las piezas deseadas directamente. Para muchas piezas de repuesto, es necesario pasar un pedido al fabricante. Dependiendo de la marca, el plazo de entrega puede variar entre una y cuatro semanas. Toda la información que tenemos está en nuestro sitio web. No podremos aconsejarle sobre lo que necesita hasta que entregue la máquina para su reparación. Tenga en cuenta lo siguiente a la hora de cursar su pedido:
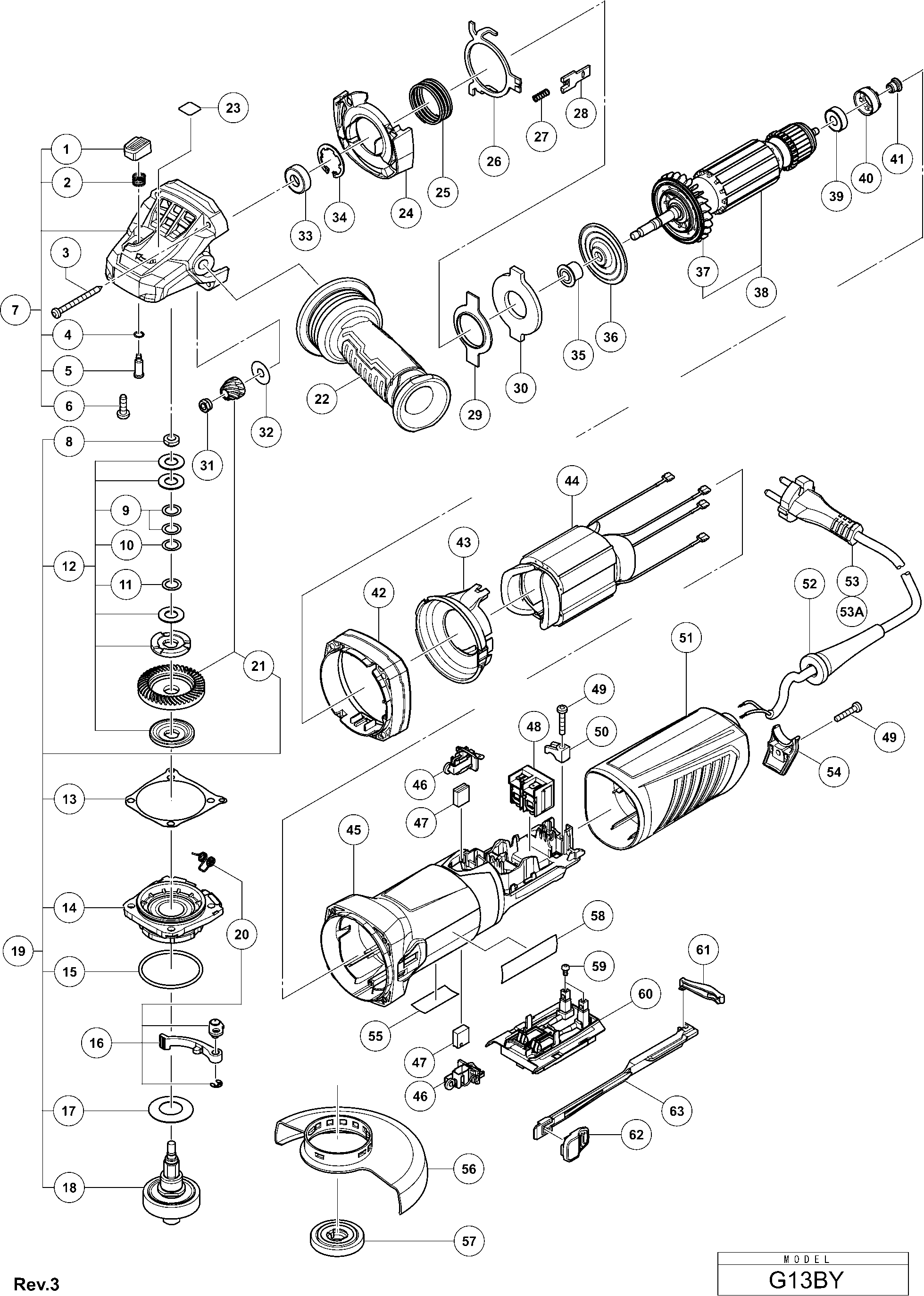
Dibujo técnico de los/las Hikoki G13BY
Lista de las piezas de repuesto de Hikoki G13BY
| Pos. | Descripción | Precio con el IVA excluido | Precio con el IVA incluido | |
| Los precios mostrados incluyen el IVA | ||||
| Botón AGC 18 | ||||
| 1 | 372945 | 1.04 | 1.26 | |
| Resorte (a) | ||||
| 2 | 372944 | 1.04 | 1.26 | |
| Tornillo de Enroscar Torx D4 | ||||
| 3 | 372920 | 1.04 | 1.26 | |
| Anillo O (a) | ||||
| 4 | 372943 | 1.04 | 1.26 | |
| Pasador de bloqueo | ||||
| 5 | 372946 | 5.10 | 6.17 | |
| Tornillo Torx M5 | ||||
| 6 | 372919 | 1.04 | 1.26 | |
| Cubierta del engranaje Ass'y Incl.3,17 | ||||
| 7 | 372932 | 23.38 | 28.28 | |
| Tuerca M7 | ||||
| 8 | 372928 | 1.20 | 1.45 | |
| Arandela 10.2x14.8x0.2 | ||||
| 9 | 372924 | 1.04 | 1.26 | |
| Arandela 10.2x14.8x0.1 | ||||
| 10 | 372925 | 1.04 | 1.26 | |
| Arandela 10.2x14.8x0.5 | ||||
| 11 | 372926 | 1.04 | 1.26 | |
| Conjunto de Arandelas de Fricción Incl. 9-11 | ||||
| 12 | 372931 | 7.95 | 9.62 | |
| Junta | ||||
| 13 | 372918 | 1.04 | 1.26 | |
| Prensaestopas | ||||
| 14 | 372927 | 5.55 | 6.72 | |
| Anillo O (b) | ||||
| 15 | 372959 | 1.04 | 1.26 | |
| Conjunto de Palancas Incl. 20 | ||||
| 16 | 372941 | 5.70 | 6.90 | |
| Arandela | ||||
| 17 | 372949 | 1.04 | 1.26 | |
| Husillo | ||||
| 18 | 372922 | 35.75 | 43.26 | |
| Conjunto de Engranaje y Eje Incl.8,12-15,17,18,21 | ||||
| 19 | 372933 | 74.80 | 90.51 | |
| Clip de Primavera | ||||
| 20 | 372916 | 1.04 | 1.26 | |
| Set de Piñón de Engranaje Cónico | ||||
| 21 | 372929 | 9.90 | 11.98 | |
| No hay información disponible, no se puede pedir | ||||
| 22 | 336865 | |||
| Deflector | ||||
| 24 | 372901 | 1.04 | 1.26 | |
| Primavera (c) | ||||
| 25 | 372956 | 1.04 | 1.26 | |
| Palanca de Cambios | ||||
| 26 | 372953 | 1.20 | 1.45 | |
| Resorte (b) | ||||
| 27 | 372955 | 1.04 | 1.26 | |
| Elemento de Cambio | ||||
| 28 | 372954 | 1.04 | 1.26 | |
| Placa de Soporte | ||||
| 29 | 372952 | 1.04 | 1.26 | |
| Placa de Tope | ||||
| 30 | 372950 | 3.75 | 4.54 | |
| Tuerca M6 | ||||
| 31 | 372909 | 1.04 | 1.26 | |
| Arandela 7.05x19.5x0.2 | ||||
| 32 | 372908 | 1.04 | 1.26 | |
| Rodamiento de bolas 8x22x7 | ||||
| 33 | 372907 | 1.65 | 2.00 | |
| ANILLO DE RETENCIÓN | ||||
| 34 | 372942 | 1.04 | 1.26 | |
| Manga Espaciadora | ||||
| 35 | 372957 | 1.65 | 2.00 | |
| Disco de freno | ||||
| 36 | 372951 | 7.65 | 9.26 | |
| JUNTA | ||||
| 37 | 372938 | 2.10 | 2.54 | |
| Conjunto del inducido 230v-240v incluyendo.37 | ||||
| 38 | 372887 | 48.40 | 58.56 | |
| Rodamiento de bolas 6x19x6 | ||||
| 39 | 372904 | 1.65 | 2.00 | |
| Casquillo de goma | ||||
| 40 | 372905 | 1.04 | 1.26 | |
| Imán | ||||
| 41 | 372947 | 1.50 | 1.82 | |
| Brida de freno | ||||
| 42 | 372958 | 2.55 | 3.09 | |
| Guía del ventilador | ||||
| 43 | 372899 | 1.04 | 1.26 | |
| Ensamb. del estator | ||||
| 44 | 372890 | 23.10 | 27.95 | |
| Caja de carcasa DUO 110 - Conjunto | ||||
| 45 | 372898 | 11.85 | 14.34 | |
| Soporte de Cepillo de Carbono | ||||
| 46 | 372936 | 4.05 | 4.90 | |
| KIT DE SERVICIO 115V | ||||
| 47 | 372939 | 6.90 | 8.35 | |
| INTERRUPTOR | ||||
| 48 | 372892 | 5.55 | 6.72 | |
| TORNILLO M4X35 | ||||
| 49 | 371270 | 1.04 | 1.26 | |
| Clip de cable | ||||
| 50 | 371271 | 1.04 | 1.26 | |
| Cubierta de Cola | ||||
| 51 | 372911 | 6.00 | 7.26 | |
| Armadura del cordón | ||||
| 52 | 372894 | 1.04 | 1.26 | |
| Cable de conexión | ||||
| 53 | 372895 | 8.70 | 10.53 | |
| No hay información disponible, no se puede pedir | ||||
| 53A | 500503Z | |||
| Tapa de final | ||||
| 54 | 372912 | 1.04 | 1.26 | |
| Guarda de rueda | ||||
| 56 | 372915 | 5.70 | 6.90 | |
| Tuerca de la rueda | ||||
| 57 | 372702 | 4.05 | 4.90 | |
| Tornillo Torx M3 | ||||
| 59 | 372917 | 1.04 | 1.26 | |
| Controlador | ||||
| 60 | 372902 | 26.81 | 32.44 | |
| Barra Pivotante | ||||
| 61 | 372948 | 1.04 | 1.26 | |
| Perilla de interruptor deslizante | ||||
| 62 | 372914 | 1.04 | 1.26 | |
| Barra deslizante | ||||
| 63 | 372910 | 3.75 | 4.54 | |
| Clip de guarda de corte | ||||
| 601 | 372701 | 3.60 | 4.36 | |
| No hay información disponible, no se puede pedir | ||||
| 602 | 372960 | |||
| GRASA | ||||
| 603 | 371300 | 14.10 | 17.06 | |